PCCar.ru - Ваш автомобильный компьютер

Вернуться   PCCar.ru - Ваш автомобильный компьютер > MP3Car ТехИнфа > Общение с машиной

Ответ
 
Опции темы Поиск в этой теме
Старый 01.11.2007, 11:36   #11
Menen
Старший Пользователь
 
Регистрация: 02.04.2007
Возраст: 45
Город: Череповец
Регион: 35
Машина: 2000\Opel\AstraЖ
Сообщений: 248
Menen is on a distinguished road
По умолчанию

Цитата:
Сообщение от Galaxy Посмотреть сообщение
Х.З. собирал я Мастеркитовский набор, колдовал над ним неделю, подключал и так и сяк, в итоге моргание диодами а с компом связи нету
А эту схемку ктонить к хонде подключал?
Есть программа ICD(бесплатная, для вазов) в ней есть пункт проверить адаптер...
Menen вне форума   Ответить с цитированием
Старый 01.11.2007, 11:53   #12
Андрей Sam
Старший Пользователь
 
Регистрация: 15.12.2005
Возраст: 65
Город: Москва
Регион: 77, 97, 99, 177
Машина: 1996\Ауди\А6
Сообщений: 81
Андрей Sam is on a distinguished road
По умолчанию

Цитата:
Сообщение от tushkanchik Посмотреть сообщение
Я собирал,правда,покупную,от МастерКит.Пашет как с ПК-шным VagCom'ом ,так и для КПК.
Это правда - пашет. Только надо там кое-что подправить перед тем, как "запашет". На схеме у них и на печатке перепутаны Rx и Tx сигналы.

И еще хинт есть - чтобы к аудюшной колодочке подключиться - надо на шнурочке для подключения использовать контакты от ATшной колодки питания для мамы ) Как родные включаются.
Андрей Sam вне форума   Ответить с цитированием
Старый 05.01.2008, 03:19   #13
Billys
Новый Пользователь
 
Регистрация: 23.01.2007
Возраст: 50
Город: Уфа
Машина: 2000\Gaz\Gaz 3102
Сообщений: 4
Billys is on a distinguished road
По умолчанию

Пашет, однозначно. Но надо курить мастеркитовский форум по сабжу, чтобы всё заработало. у меня лично заработало, как поменял микросхему 33199 - толи изначально битая была, толи сам перегрел...
Billys вне форума   Ответить с цитированием
Старый 30.01.2008, 23:09   #14
mrepik
Старший Пользователь
 
Аватар для mrepik
 
Регистрация: 04.11.2007
Возраст: 49
Город: Киев
Регион: 77, 97, 99, 177
Машина: 2007/GW/Hover
Сообщений: 136
mrepik is on a distinguished road
По умолчанию

так нужно менять Rх и Тх? У кого стоит рабочий? а то я уже месяц прикрутить не могу
__________________
Мой проект
mrepik вне форума   Ответить с цитированием
Старый 31.01.2008, 01:15   #15
archer
Гуру
 
Аватар для archer
 
Регистрация: 17.10.2006
Возраст: 51
Город: Москва
Регион: 77, 97, 99, 177
Машина: 2007\chery\Amulet
Сообщений: 1,691
archer will become famous soon enougharcher will become famous soon enough
По умолчанию

У меня работает. Покупал осенью. Ничего менять не надо - долго шаманил и так и так - оказалось просто плохо припаял микруху.

В последних версиях все разводки правильные. жалко они на платках ревизии не указывают.
__________________
Монитор - XDX 8" | Мать - Asus M2NPV-VM| Камень - AMD Athlon 64 X2 3800+ EE | Память - DDR2-533 2х512 | SB live 24-bit (Don_ik_kot edition) | Винт - 3,5" 250 Gb Seagate Barracuda | Корпус - ноунейм миниатх | БП - SL PSU | GPS GlobalSat BU-355 | Silabs USB Radio | Bluetooth noname (Broadcom) |USB-Hub D-Link 7 ports | Card-reader 52-in-1 | Radio mouse |WiFi LinkSys WUSB54G| усилитель Fusion EN-AM6004 |Keyboard | Centrafuse| а еще парктроник с камерой
archer вне форума   Ответить с цитированием
Старый 31.01.2008, 12:38   #16
mrepik
Старший Пользователь
 
Аватар для mrepik
 
Регистрация: 04.11.2007
Возраст: 49
Город: Киев
Регион: 77, 97, 99, 177
Машина: 2007/GW/Hover
Сообщений: 136
mrepik is on a distinguished road
По умолчанию

у меня есть страница, если выложу, сравнишь со своей?
__________________
Мой проект
mrepik вне форума   Ответить с цитированием
Старый 31.01.2008, 12:42   #17
archer
Гуру
 
Аватар для archer
 
Регистрация: 17.10.2006
Возраст: 51
Город: Москва
Регион: 77, 97, 99, 177
Машина: 2007\chery\Amulet
Сообщений: 1,691
archer will become famous soon enougharcher will become famous soon enough
По умолчанию

давай, но тока вечером...(девайс в тачке - тачка на приколе) хотя как я слыхал - сравнивать нечего - они уже больше года как правильные делаются.

Я бы посоветовал платку прозвонить по схеме - от ножки до ножки (а то эта мелкая микрух у меня выглядела как припаяная - даже в лупу разглядывал - а оказалось одна ножка "висела").

Какой прогой пробуешь пробиться до экуд-а?
__________________
Монитор - XDX 8" | Мать - Asus M2NPV-VM| Камень - AMD Athlon 64 X2 3800+ EE | Память - DDR2-533 2х512 | SB live 24-bit (Don_ik_kot edition) | Винт - 3,5" 250 Gb Seagate Barracuda | Корпус - ноунейм миниатх | БП - SL PSU | GPS GlobalSat BU-355 | Silabs USB Radio | Bluetooth noname (Broadcom) |USB-Hub D-Link 7 ports | Card-reader 52-in-1 | Radio mouse |WiFi LinkSys WUSB54G| усилитель Fusion EN-AM6004 |Keyboard | Centrafuse| а еще парктроник с камерой
archer вне форума   Ответить с цитированием
Старый 04.02.2008, 13:36   #18
mrepik
Старший Пользователь
 
Аватар для mrepik
 
Регистрация: 04.11.2007
Возраст: 49
Город: Киев
Регион: 77, 97, 99, 177
Машина: 2007/GW/Hover
Сообщений: 136
mrepik is on a distinguished road
По умолчанию

обд тул
__________________
Мой проект
mrepik вне форума   Ответить с цитированием
Старый 11.03.2008, 13:48   #19
mrepik
Старший Пользователь
 
Аватар для mrepik
 
Регистрация: 04.11.2007
Возраст: 49
Город: Киев
Регион: 77, 97, 99, 177
Машина: 2007/GW/Hover
Сообщений: 136
mrepik is on a distinguished road
По умолчанию

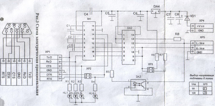
вот схемка, который у меня не работает. с ошибкой или нет?
Миниатюры
Нажмите на изображение для увеличения
Название: 2.jpg
Просмотров: 2118
Размер:	124.2 Кб
ID:	6017  
__________________
Мой проект
mrepik вне форума   Ответить с цитированием
Старый 11.03.2008, 14:39   #20
archer
Гуру
 
Аватар для archer
 
Регистрация: 17.10.2006
Возраст: 51
Город: Москва
Регион: 77, 97, 99, 177
Машина: 2007\chery\Amulet
Сообщений: 1,691
archer will become famous soon enougharcher will become famous soon enough
По умолчанию

ОЙ! свою схему и сам рабочий адаптер оставил cool-64 - у меня теперь elm-327.
Попроси его глянуть - у меня точно с печатной схемой совпадало... Но на память - эта немного другая, хотя могу и ошибаться

попробуй Rx и Tx на ком порту поменять - плохого ничего не будет... мож заработает?
__________________
Монитор - XDX 8" | Мать - Asus M2NPV-VM| Камень - AMD Athlon 64 X2 3800+ EE | Память - DDR2-533 2х512 | SB live 24-bit (Don_ik_kot edition) | Винт - 3,5" 250 Gb Seagate Barracuda | Корпус - ноунейм миниатх | БП - SL PSU | GPS GlobalSat BU-355 | Silabs USB Radio | Bluetooth noname (Broadcom) |USB-Hub D-Link 7 ports | Card-reader 52-in-1 | Radio mouse |WiFi LinkSys WUSB54G| усилитель Fusion EN-AM6004 |Keyboard | Centrafuse| а еще парктроник с камерой
archer вне форума   Ответить с цитированием
Ответ


Здесь присутствуют: 1 (пользователей: 0 , гостей: 1)
 

Ваши права в разделе
Вы не можете создавать новые темы
Вы не можете отвечать в темах
Вы не можете прикреплять вложения
Вы не можете редактировать свои сообщения

BB коды Вкл.
Смайлы Вкл.
[IMG] код Вкл.
HTML код Выкл.



Часовой пояс GMT +4, время: 08:49.


Работает на vBulletin® версия 3.8.4.
Copyright ©2000 - 2026, Jelsoft Enterprises Ltd.
Перевод: zCarot