PCCar.ru - Ваш автомобильный компьютер

Вернуться   PCCar.ru - Ваш автомобильный компьютер > MP3Car ТехИнфа > AndroidCar > Звук > Звуковые процессоры

Ответ
 
Опции темы Поиск в этой теме
Старый 13.02.2017, 12:30   #361
Alekssandr
Старший Пользователь
 
Регистрация: 11.08.2013
Возраст: 36
Регион: 86
Сообщений: 445
Alekssandr is a jewel in the roughAlekssandr is a jewel in the roughAlekssandr is a jewel in the rough
По умолчанию

Ну ладно, пойду по другому пути, вместо 6 RCA установил 2 оптических разъема S/PDIF (Вход, выход), в этот угол платы не помещается АЦП, сделал гребенку для установки модуля АЦП - IS2 конвертера со всеми необходимыми соединениями (I2C, I2S, питание и т.д). Вдруг кому-то пригодиться этот AUX разъём)
Миниатюры
Нажмите на изображение для увеличения
Название: 2.jpg
Просмотров: 521
Размер:	68.9 Кб
ID:	46755   Нажмите на изображение для увеличения
Название: 444.jpg
Просмотров: 792
Размер:	88.0 Кб
ID:	46756  
Alekssandr вне форума   Ответить с цитированием
Старый 13.02.2017, 16:31   #362
Alekssandr
Старший Пользователь
 
Регистрация: 11.08.2013
Возраст: 36
Регион: 86
Сообщений: 445
Alekssandr is a jewel in the roughAlekssandr is a jewel in the roughAlekssandr is a jewel in the rough
По умолчанию

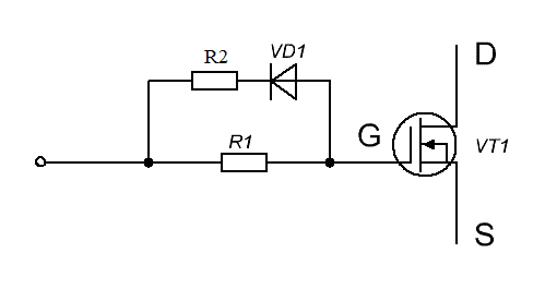
На форуме датагор нашёл схему отрицательного источника питания, думаю собрать её проверить на работоспособность. Для раскачки думаю обычного, 555 дешманского таймера хватит) и мофетты поставить послабее чем тем которые на схеме.

И как посоветовали на ключах создать дедтайм, чтобы при открытии одного транзистора другой гарантированно успел закрыться.
Миниатюры
Нажмите на изображение для увеличения
Название: преобр._12_на_плюс_минус_12_на_555.gif
Просмотров: 502
Размер:	33.2 Кб
ID:	46765   Нажмите на изображение для увеличения
Название: obratnuy_diod_zatvora (1).png
Просмотров: 445
Размер:	5.2 Кб
ID:	46766  
Alekssandr вне форума   Ответить с цитированием
Старый 13.02.2017, 19:46   #363
awtoap
Гуру
 
Аватар для awtoap
 
Регистрация: 19.09.2009
Возраст: 47
Город: Мелитополь
Регион: Украина
Сообщений: 2,022
awtoap is a splendid one to beholdawtoap is a splendid one to beholdawtoap is a splendid one to beholdawtoap is a splendid one to beholdawtoap is a splendid one to beholdawtoap is a splendid one to beholdawtoap is a splendid one to behold
По умолчанию

А не проще запитать операционники от однополярного источника питания? Подав половину питания на не инвертирующий вход ОУ?
awtoap вне форума   Ответить с цитированием
Старый 15.02.2017, 22:35   #364
Alekssandr
Старший Пользователь
 
Регистрация: 11.08.2013
Возраст: 36
Регион: 86
Сообщений: 445
Alekssandr is a jewel in the roughAlekssandr is a jewel in the roughAlekssandr is a jewel in the rough
По умолчанию

Цитата:
Сообщение от awtoap Посмотреть сообщение
Так ты вроде делал макетку для adau...ты ее запустил?

По ESP32 пишут, что ее уже пока не продают...видимо есть какие-то баги. В общем забей и осваивай либо стм либо вафля на базе RTL8710 (внутри тот же АРМ и там же на форуме обсуждение) и прошивается также. Лично я бы делал отдельно проц, отдельно вафля(блютуз) отдельным модулем с конектом через уарт.
Для затравки WiFI-UART мост ТУТ
Чтото я пропустил этот пост. Откуда информация что их не продают? Их наоборот активно продвигают) даже рассылают бесплатно для ознакомления. RTL710 мне не интересен тем что в нет блютуса у нее мало выводов и т.д и т.п.

Модули всё-таки шикарные основные arduino функции вроде прочитать ацп или включить лампочку вообще летают, ESP еле теплая, если включить Wi-Fi то становиться немного теплей, на ощупь градусов 35 не больше.

По поводу двухполярного питания, дело в том что основная масса автомобиля (- минус) это и есть средняя точка (или я в чем-то ошибаюсь?) и желательно создать относительное её отрицательный потенциал чем создавать какую-то виртуальную землю. Выход из цапа диференциальный т.е. там оба входа операционного усилителя задействованы.

Последний раз редактировалось Alekssandr; 15.02.2017 в 23:13.
Alekssandr вне форума   Ответить с цитированием
Старый 16.02.2017, 12:21   #365
awtoap
Гуру
 
Аватар для awtoap
 
Регистрация: 19.09.2009
Возраст: 47
Город: Мелитополь
Регион: Украина
Сообщений: 2,022
awtoap is a splendid one to beholdawtoap is a splendid one to beholdawtoap is a splendid one to beholdawtoap is a splendid one to beholdawtoap is a splendid one to beholdawtoap is a splendid one to beholdawtoap is a splendid one to behold
По умолчанию

Цитата:
Чтото я пропустил этот пост. Откуда информация что их не продают? Их наоборот активно продвигают) даже рассылают бесплатно для ознакомления. RTL710 мне не интересен тем что в нет блютуса у нее мало выводов и т.д и т.п.
Основываюсь на анализе предложений и сколько было продано...в общем шлак. По блютузу иллюзий вообще не строил...максимум что поднимешь на нем профиль передачи данных SPP, за громкую связь можешь забыть ибо большинству она нах не нужна, а пилить из-за пары интересующихся никто не будет. Пример ведра(ведроида) тому доказательства. В третьих куча непоняток с докой и ошибок в SDK...на том форуме, что давал, товарищ pvvx юзал все модулю и он пишет библы включая реверсинжениринг закрытых либ...так вот совокупности параметров доступной памяти, ошибок ESP32 и сырости SDK забудут как старый сон, причем раньше чем они пойдут в массы.
awtoap вне форума   Ответить с цитированием
Старый 16.02.2017, 18:06   #366
Alekssandr
Старший Пользователь
 
Регистрация: 11.08.2013
Возраст: 36
Регион: 86
Сообщений: 445
Alekssandr is a jewel in the roughAlekssandr is a jewel in the roughAlekssandr is a jewel in the rough
По умолчанию

Мне как то всёравну на SDK которое делает espresif. Да и вам я думаю оно на фиг не нужно, когда есть Arduino, NodeMCU, RTOS.

Документацию делают потихоньку, и от документации мне нужно одно, узнать как работать с блютус, а на всё остальное там уже написано: I2C, SPI, Wi-Fi, UART т.е. всё уже работает.

Вот сегодня запустил Oled дисплей на ESP32 по шине I2C
10 битный АЦП тоже работает возвращает значения до 4096 пунктов.
Wi-Fi работает, SPI работает на ней висит память. В принципе всё что нужно чтоб управлять аудиопроцесором работает а что ещё то нужно? Скажете работает не стабильно? Да нет, всё работает очень даже стабильно, целую неделю висел на нем веб сервер, иногда заходил проверял не завис ни разу)
Миниатюры
Нажмите на изображение для увеличения
Название: 2.jpg
Просмотров: 1391
Размер:	59.2 Кб
ID:	46800   Нажмите на изображение для увеличения
Название: 3.jpg
Просмотров: 455
Размер:	62.0 Кб
ID:	46801  

Последний раз редактировалось admin; 20.03.2017 в 02:47.
Alekssandr вне форума   Ответить с цитированием
Старый 16.02.2017, 20:31   #367
awtoap
Гуру
 
Аватар для awtoap
 
Регистрация: 19.09.2009
Возраст: 47
Город: Мелитополь
Регион: Украина
Сообщений: 2,022
awtoap is a splendid one to beholdawtoap is a splendid one to beholdawtoap is a splendid one to beholdawtoap is a splendid one to beholdawtoap is a splendid one to beholdawtoap is a splendid one to beholdawtoap is a splendid one to behold
По умолчанию

Закладывать такую сырую поделку в изделие глупо это раз, если планируется многократное повторение. А для себя любимого конечно пойдет. Во вторых для спецов абдурина с родни разговора матом и абсолютно не показатель, что на ней что-то делают рукоблуды. Лично я свою точку зрения высказал, а там решай сам.
awtoap вне форума   Ответить с цитированием
Старый 19.02.2017, 01:42   #368
Alekssandr
Старший Пользователь
 
Регистрация: 11.08.2013
Возраст: 36
Регион: 86
Сообщений: 445
Alekssandr is a jewel in the roughAlekssandr is a jewel in the roughAlekssandr is a jewel in the rough
По умолчанию

Ковыряя ESP32, начал изучал родной ESP-IDF (родные примеры espressif). И обнаружил в ESP32, очень крутую штуку, называется BLE (Bluetooth low energy)

Прикол этой штуки в том, что к этому блютус подключаться не нужно, если включен блютус на андройд, приложение которое работает с BLE само подключается и начинается обмен. Очень удобная штуковина. Т.е. работает всё на автомате и к устройству BLE можно подключать несколько устройств у меня например к ESP32 подключилось 3 телефона и 1 планшет) крутяк можно вообще забыть про протокол SPP или проводной UART.
Alekssandr вне форума   Ответить с цитированием
Старый 19.02.2017, 23:36   #369
Alekssandr
Старший Пользователь
 
Регистрация: 11.08.2013
Возраст: 36
Регион: 86
Сообщений: 445
Alekssandr is a jewel in the roughAlekssandr is a jewel in the roughAlekssandr is a jewel in the rough
По умолчанию

Недавно писал что нет у DSP процессора нет встроенного АЦП для того чтобы сделать AUX там нужно вешать внешний кодек.

Неожиданностью для меня стала то что у блютус модуля CSR8645 есть этот аукс вход, если притянуть ножку PIO8 к земле его входы микрофона превращаются в АУКС вход. Вот и нашёлся внешний кодек! почти на халяву.

И да у этого модуля какая-та мощная система шумодава так что в автомобиле как хандс фри использовать самое то.
Alekssandr вне форума   Ответить с цитированием
Старый 20.02.2017, 01:28   #370
awtoap
Гуру
 
Аватар для awtoap
 
Регистрация: 19.09.2009
Возраст: 47
Город: Мелитополь
Регион: Украина
Сообщений: 2,022
awtoap is a splendid one to beholdawtoap is a splendid one to beholdawtoap is a splendid one to beholdawtoap is a splendid one to beholdawtoap is a splendid one to beholdawtoap is a splendid one to beholdawtoap is a splendid one to behold
По умолчанию

Капец...ставить DSP и юзать поганый ADC блютуза? это глупость несусветная. Не жмись и ставь отдельный АЦП.
awtoap вне форума   Ответить с цитированием
Ответ


Здесь присутствуют: 1 (пользователей: 0 , гостей: 1)
 

Ваши права в разделе
Вы не можете создавать новые темы
Вы не можете отвечать в темах
Вы не можете прикреплять вложения
Вы не можете редактировать свои сообщения

BB коды Вкл.
Смайлы Вкл.
[IMG] код Вкл.
HTML код Выкл.



Часовой пояс GMT +4, время: 16:53.


Работает на vBulletin® версия 3.8.4.
Copyright ©2000 - 2025, Jelsoft Enterprises Ltd.
Перевод: zCarot