PCCar.ru - Ваш автомобильный компьютер

Вернуться   PCCar.ru - Ваш автомобильный компьютер > MP3Car ТехИнфа > AndroidCar > Питание

Результаты опроса: Писать ли про развитие проекта, или пофиг, есть свой и работает.
Пиши дальше 210 96.33%
Не пиши, лучше займись чем нибудь (другим) полезным. 8 3.67%
Голосовавшие: 218. Вы ещё не голосовали в этом опросе

Ответ
 
Опции темы Поиск в этой теме
Старый 13.12.2016, 01:30   #671
oleg707
Гуру
 
Аватар для oleg707
 
Регистрация: 16.04.2014
Возраст: 41
Город: Gdynia
Регион: другой - для добавления сообщить ab
Сообщений: 2,548
oleg707 has a reputation beyond reputeoleg707 has a reputation beyond reputeoleg707 has a reputation beyond reputeoleg707 has a reputation beyond reputeoleg707 has a reputation beyond reputeoleg707 has a reputation beyond reputeoleg707 has a reputation beyond reputeoleg707 has a reputation beyond reputeoleg707 has a reputation beyond reputeoleg707 has a reputation beyond repute
По умолчанию

Цитата:
Сообщение от Furai2014 Посмотреть сообщение
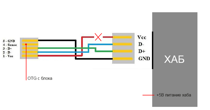
Получается такая схема? И +5 на POGO пин в таком исполнении подключать?
Вложение 45943
да.
На Vcc хаба подключить пин HUB (+5V). Он должен по юсб питание раздавать, внутри хаба на все выходы.
+5POGO c БП припаять на +5в пого пина на планшете.
Или на Vcc юсб планшета ( для 13 и для 12).

Для 12 неважно, куда подано питание - на пого или на ЮСБ.

Дорисуй нормально, в фак положу.
oleg707 вне форума   Ответить с цитированием
Старый 13.12.2016, 01:33   #672
oleg707
Гуру
 
Аватар для oleg707
 
Регистрация: 16.04.2014
Возраст: 41
Город: Gdynia
Регион: другой - для добавления сообщить ab
Сообщений: 2,548
oleg707 has a reputation beyond reputeoleg707 has a reputation beyond reputeoleg707 has a reputation beyond reputeoleg707 has a reputation beyond reputeoleg707 has a reputation beyond reputeoleg707 has a reputation beyond reputeoleg707 has a reputation beyond reputeoleg707 has a reputation beyond reputeoleg707 has a reputation beyond reputeoleg707 has a reputation beyond repute
По умолчанию

Цитата:
Сообщение от i2save Посмотреть сообщение
а нет ли общей схемы в большем разрешении (получше качеством)?
эм, а скачать и открыть в программе, для которой они созданы? Хоть на весь экран каждый резистор увеличивай. ( и в 3й версии именно надо увеличивать, потому как много зарыто доп информации)
oleg707 вне форума   Ответить с цитированием
Старый 13.12.2016, 02:02   #673
oleg707
Гуру
 
Аватар для oleg707
 
Регистрация: 16.04.2014
Возраст: 41
Город: Gdynia
Регион: другой - для добавления сообщить ab
Сообщений: 2,548
oleg707 has a reputation beyond reputeoleg707 has a reputation beyond reputeoleg707 has a reputation beyond reputeoleg707 has a reputation beyond reputeoleg707 has a reputation beyond reputeoleg707 has a reputation beyond reputeoleg707 has a reputation beyond reputeoleg707 has a reputation beyond reputeoleg707 has a reputation beyond reputeoleg707 has a reputation beyond repute
По умолчанию

Цитата:
Сообщение от SamDon Посмотреть сообщение
Здравствуйте, можете кто нибудь перевести печатку бп последней версии в гербер или pcb формат? хочу заказать печатки у китайцев
вообще у китайцев это хорошо. Но 5 версия заточена именно под ручную сборку. И пока я её окончательно не отлажу (в идеал), заказывать массово не хотелось бы.
А заказывать скорее 6 версию блока, которая пока заброшена. То есть блок как питания там уже давно нарисован, а вот хаб, звуковая, аудиопроц как то нет. А 5 и так не проблема сделать.
Экспортировать то можно, не проблема ниразу. прямо в диптрейсе.
oleg707 вне форума   Ответить с цитированием
Старый 13.12.2016, 11:29   #674
vtyns
Старший Пользователь
 
Регистрация: 30.10.2016
Возраст: 38
Город: краснодар
Регион: 23, 93
Машина: mazda 3 BK
Сообщений: 155
vtyns is on a distinguished road
По умолчанию

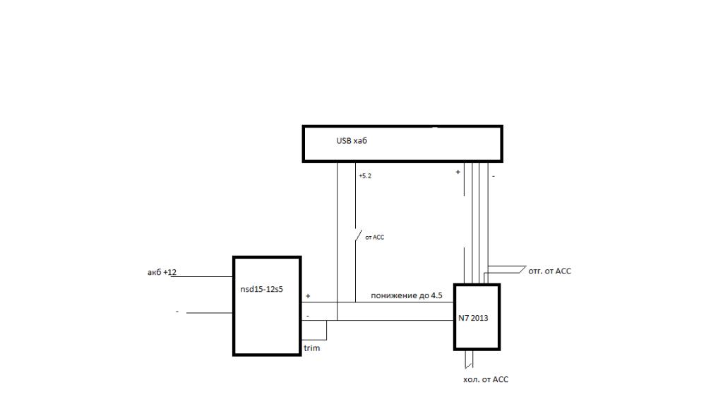
ребят вот схема, посоветуйте
1/ до скольки понижать напряжение для планшета и чем. (при 4.5 иногда вырубается бывает и без нагрузки)
2/ какие ставить конденсаторы и где. (па прошлом блоке стоял перед nsd на 10000 25вольт после диода. не держит и секунды без питания.) хотелось бы чтоб держало секунды две
3/ чем сделать задержку при включении отг? (чем менее габаритным можно заменить реле типа NE555 с алиэкспресса)я так понимаю отг должно включаться самым последним и выключаться тоже последним.
Миниатюры
Нажмите на изображение для увеличения
Название: Безымянный.jpg
Просмотров: 1389
Размер:	19.9 Кб
ID:	45946  
__________________
проектик https://www.drive2.ru/users/dimgg/
vtyns вне форума   Ответить с цитированием
Старый 13.12.2016, 12:49   #675
jonikus81
Старший Пользователь
 
Аватар для jonikus81
 
Регистрация: 07.09.2015
Возраст: 44
Город: Алматы
Регион: Казахстан
Машина: MMC DELICA 94 (булка)
Сообщений: 209
jonikus81 is a jewel in the roughjonikus81 is a jewel in the roughjonikus81 is a jewel in the roughjonikus81 is a jewel in the rough
По умолчанию

Цитата:
Сообщение от vtyns Посмотреть сообщение
ребят вот схема, посоветуйте
1/ до скольки понижать напряжение для планшета и чем. (при 4.5 иногда вырубается бывает и без нагрузки)
2/ какие ставить конденсаторы и где. (па прошлом блоке стоял перед nsd на 10000 25вольт после диода. не держит и секунды без питания.) хотелось бы чтоб держало секунды две
3/ чем сделать задержку при включении отг? (чем менее габаритным можно заменить реле типа NE555 с алиэкспресса)я так понимаю отг должно включаться самым последним и выключаться тоже последним.
Снята ли батарея, питание идет через контроллер батареи или на прямую? Какой планшет, 2012 или 2013, Wifi или LTE версия.
По схеме как минимум хабу нужно 5в, а на планшет (в зависимости от модели). НСДшки очень сильно боятся падения напруги, тут только мощный диод и конденсатор минимум 10 000мкФ(чем больше тем лучше) на входе.
jonikus81 вне форума   Ответить с цитированием
Старый 13.12.2016, 13:15   #676
vtyns
Старший Пользователь
 
Регистрация: 30.10.2016
Возраст: 38
Город: краснодар
Регион: 23, 93
Машина: mazda 3 BK
Сообщений: 155
vtyns is on a distinguished road
По умолчанию

батареи нет. питание напрямую к двум красным и двум черным (не нашел подсоединения по моему планшету через контроллер и куда паять сопротивление по температуре). нексус7 2013 лте. диод перед кондером стоял 6 ампер кондер 10 000мкф перед nsd стояло все. и не держит
__________________
проектик https://www.drive2.ru/users/dimgg/
vtyns вне форума   Ответить с цитированием
Старый 13.12.2016, 22:20   #677
papant
Старший Пользователь
 
Регистрация: 11.10.2015
Возраст: 47
Город: Йошкар-Ола
Регион: 12
Машина: Kia Sorento 2011
Сообщений: 182
papant is on a distinguished road
По умолчанию

Цитата:
Сообщение от vtyns Посмотреть сообщение
батареи нет. питание напрямую к двум красным и двум черным (не нашел подсоединения по моему планшету через контроллер и куда паять сопротивление по температуре). нексус7 2013 лте. диод перед кондером стоял 6 ампер кондер 10 000мкф перед nsd стояло все. и не держит
Имхо гнаться за емкостью после диода - утопия. тут наверное 1 фарад потребуется (шучу). Надо до НСД толстые провода, после нее тоже, а не лапшу китайскую. Мне кажется дело в этом. По поводу напруги - у меня 2013 нексус работает на 4,7-4,8 В, ниже - перезагрузки фантомные. На 5В не пробовал, страшно )
papant вне форума   Ответить с цитированием
Старый 13.12.2016, 22:37   #678
papant
Старший Пользователь
 
Регистрация: 11.10.2015
Возраст: 47
Город: Йошкар-Ола
Регион: 12
Машина: Kia Sorento 2011
Сообщений: 182
papant is on a distinguished road
По умолчанию

Для Олега:
Посмотрел твой скрипт, мало что понятно с моими познаниями в программировании, очень помогают хорошие комментарии. Однако, для более читабельного кода вместо конкретных цифр 13.7, 11.8 и т.д. в конструкциях типа
if (U_akb_real > 13.7 && flagACC == 1){ (flagREM = 1);TimerREM = millis();}
if (U_akb_real >= 11.8 && flagREM == 2 && flagACC == 0){ flagREM = 0;}

я бы рекомендовал использовать например
#define LowVoltage 11.8
что повышает читабельность кода и исключит возможные ошибки (когда часто выпускаются новые версии кода и можно просто где-то не досмотреть).
papant вне форума   Ответить с цитированием
Старый 13.12.2016, 22:38   #679
oleg707
Гуру
 
Аватар для oleg707
 
Регистрация: 16.04.2014
Возраст: 41
Город: Gdynia
Регион: другой - для добавления сообщить ab
Сообщений: 2,548
oleg707 has a reputation beyond reputeoleg707 has a reputation beyond reputeoleg707 has a reputation beyond reputeoleg707 has a reputation beyond reputeoleg707 has a reputation beyond reputeoleg707 has a reputation beyond reputeoleg707 has a reputation beyond reputeoleg707 has a reputation beyond reputeoleg707 has a reputation beyond reputeoleg707 has a reputation beyond repute
По умолчанию

у нсд минимальный порог работы - 9В. На старте в машине просадка идёт до 10-9В.
Минус 1В падение на диоде.
итого имеем 9-8 В на нсд. Работать даже в теории не должно.
oleg707 вне форума   Ответить с цитированием
Старый 13.12.2016, 23:13   #680
vtyns
Старший Пользователь
 
Регистрация: 30.10.2016
Возраст: 38
Город: краснодар
Регион: 23, 93
Машина: mazda 3 BK
Сообщений: 155
vtyns is on a distinguished road
По умолчанию

просадка при старте бывает и до 6 вольт. потери на диоде 0.3 вольт. мне необходимо знать что в моей схеме нужно доработать чтоб компенсировать просадку. скока кондеров поставить или еще что нибудь. РАСПИШИТЕ ПОЖАЛУЙСТА ПО ПУНКТАМ КАКИЕ МЕНЯ ИНТЕРЕСУЮТ.
__________________
проектик https://www.drive2.ru/users/dimgg/
vtyns вне форума   Ответить с цитированием
Ответ

Метки
arduino, nexus7, блок питания, блок питания планшета


Здесь присутствуют: 1 (пользователей: 0 , гостей: 1)
 

Ваши права в разделе
Вы не можете создавать новые темы
Вы не можете отвечать в темах
Вы не можете прикреплять вложения
Вы не можете редактировать свои сообщения

BB коды Вкл.
Смайлы Вкл.
[IMG] код Вкл.
HTML код Выкл.



Часовой пояс GMT +4, время: 19:39.


Работает на vBulletin® версия 3.8.4.
Copyright ©2000 - 2026, Jelsoft Enterprises Ltd.
Перевод: zCarot