PCCar.ru - Ваш автомобильный компьютер

Вернуться   PCCar.ru - Ваш автомобильный компьютер > MP3Car ТехИнфа > AndroidCar > Питание

Результаты опроса: Писать ли про развитие проекта, или пофиг, есть свой и работает.
Пиши дальше 210 96.33%
Не пиши, лучше займись чем нибудь (другим) полезным. 8 3.67%
Голосовавшие: 218. Вы ещё не голосовали в этом опросе

Ответ
 
Опции темы Поиск в этой теме
Старый 12.12.2016, 09:16   #661
papant
Старший Пользователь
 
Регистрация: 11.10.2015
Возраст: 47
Город: Йошкар-Ола
Регион: 12
Машина: Kia Sorento 2011
Сообщений: 182
papant is on a distinguished road
По умолчанию

Цитата:
Сообщение от oleg707 Посмотреть сообщение

Ну да, Rx Tx по USB есть, а ядро нексуса содержит драйвер для CH340G ?
.
Друзья, у кого есть возможность проверить видно ли в андроиде Нано-ардуину? У меня на руках нету, едет ище с китая, но есть Леонардо. Вопрос увидится ли Нано в сериал порту нексуса 2013 или перерисовывать БП Олега на Леонардо?
papant вне форума   Ответить с цитированием
Старый 12.12.2016, 12:52   #662
avaRi
Пользователь
 
Регистрация: 02.09.2015
Регион: 25
Сообщений: 30
avaRi is on a distinguished road
По умолчанию

Цитата:
Сообщение от jonikus81 Посмотреть сообщение
про пайку ардуин - тоже мучался, но потом начал применять http://qoo.by/KVq,.
Ссылка битая
avaRi вне форума   Ответить с цитированием
Старый 12.12.2016, 13:03   #663
oleg707
Гуру
 
Аватар для oleg707
 
Регистрация: 16.04.2014
Возраст: 41
Город: Gdynia
Регион: другой - для добавления сообщить ab
Сообщений: 2,548
oleg707 has a reputation beyond reputeoleg707 has a reputation beyond reputeoleg707 has a reputation beyond reputeoleg707 has a reputation beyond reputeoleg707 has a reputation beyond reputeoleg707 has a reputation beyond reputeoleg707 has a reputation beyond reputeoleg707 has a reputation beyond reputeoleg707 has a reputation beyond reputeoleg707 has a reputation beyond repute
По умолчанию

Цитата:
Сообщение от papant Посмотреть сообщение
Друзья, у кого есть возможность проверить видно ли в андроиде Нано-ардуину? У меня на руках нету, едет ище с китая, но есть Леонардо. Вопрос увидится ли Нано в сериал порту нексуса 2013 или перерисовывать БП Олега на Леонардо?
на леонардо программу надо переписывать. В последних версиях софта используется прямое управление портами.
Просто повесить A0 на А0 - не факт, что адресация в чипах одинаковая, надо даташиты смотреть.
Если не совпадёт - можно порты попалить.

Цитата:
Ссылка битая
на прямую

jonikus81, Не давай ссылки через это goo, они рекламу пихают.
oleg707 вне форума   Ответить с цитированием
Старый 12.12.2016, 13:22   #664
i2save
Пользователь
 
Регистрация: 23.09.2014
Регион: Беларусь
Машина: Renault Megane III
Сообщений: 42
i2save is on a distinguished road
По умолчанию

а нет ли общей схемы в большем разрешении (получше качеством)?
i2save вне форума   Ответить с цитированием
Старый 12.12.2016, 13:22   #665
jonikus81
Старший Пользователь
 
Аватар для jonikus81
 
Регистрация: 07.09.2015
Возраст: 44
Город: Алматы
Регион: Казахстан
Машина: MMC DELICA 94 (булка)
Сообщений: 209
jonikus81 is a jewel in the roughjonikus81 is a jewel in the roughjonikus81 is a jewel in the roughjonikus81 is a jewel in the rough
По умолчанию

Поправил ссылку. Мискюзи.
jonikus81 вне форума   Ответить с цитированием
Старый 12.12.2016, 16:21   #666
avaRi
Пользователь
 
Регистрация: 02.09.2015
Регион: 25
Сообщений: 30
avaRi is on a distinguished road
По умолчанию

Вчера залил byte ver =97 прошивку. Откатал день. Вроде норм.
avaRi вне форума   Ответить с цитированием
Старый 12.12.2016, 19:30   #667
SamDon
Новый Пользователь
 
Регистрация: 11.11.2016
Возраст: 30
Регион: 42
Сообщений: 4
SamDon is on a distinguished road
По умолчанию

Здравствуйте, можете кто нибудь перевести печатку бп последней версии в гербер или pcb формат? хочу заказать печатки у китайцев
SamDon вне форума   Ответить с цитированием
Старый 12.12.2016, 22:04   #668
dees
Пользователь
 
Регистрация: 18.07.2015
Возраст: 39
Регион: 02
Сообщений: 47
dees is a jewel in the roughdees is a jewel in the roughdees is a jewel in the roughdees is a jewel in the rough
По умолчанию

Цитата:
Сообщение от papant Посмотреть сообщение
Друзья, у кого есть возможность проверить видно ли в андроиде Нано-ардуину? У меня на руках нету, едет ище с китая, но есть Леонардо. Вопрос увидится ли Нано в сериал порту нексуса 2013 или перерисовывать БП Олега на Леонардо?

Все прекрасно видится, правда нексус 2012, но и на 13 проблем, наверное, не должно быть.
https://youtu.be/tbuyCGzsNhA

Последний раз редактировалось dees; 14.12.2016 в 15:40.
dees вне форума   Ответить с цитированием
Старый 12.12.2016, 22:34   #669
vtyns
Старший Пользователь
 
Регистрация: 30.10.2016
Возраст: 38
Город: краснодар
Регион: 23, 93
Машина: mazda 3 BK
Сообщений: 155
vtyns is on a distinguished road
По умолчанию

ребят стоит следующее расположение элементов блока питания. диод 6А / кондер 10к 25вольт / nsd 3A / планшет. на выходе nsd контакт trim закорочен на плюс = 4.6 вольта. при запуске авто планшет пишет выключение и выключается. бывает при запуске норм а на заведенной выключается при этом он не загружен никакими прогами. куда копать? и сколько должен держать кондер? походу толку нет от него
__________________
проектик https://www.drive2.ru/users/dimgg/
vtyns вне форума   Ответить с цитированием
Старый 13.12.2016, 00:06   #670
Furai2014
Новый Пользователь
 
Регистрация: 25.10.2014
Возраст: 42
Регион: Украина
Сообщений: 25
Furai2014 is on a distinguished road
По умолчанию

Цитата:
Сообщение от oleg707 Посмотреть сообщение
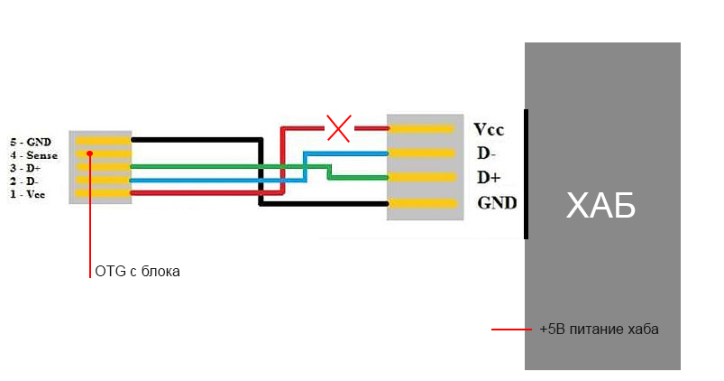
Y-OTG необходимо изготовить самому. Для этого берём обычный кабель, отрезаем у него мини-юсб, покупаем такой же мини юсб новый, припаиваем контакты как на старом, а вот к 4 контакту мини-юсб припаиваете провод, который затем пойдёт на контакт OTG блока питания.
Тот шнурок, который у вас Y-OTG выкидываете, потому как внутри него 4 и 5 контакты уже закорочены намертво и залиты.

+5В питания хаба можете припаять как на 2м рисунке( непосредственно к хабу). При этом надо отрезать внутри хаба дорожку , которая идёт на ЮСБ планшета, чтобы хаб не смог питание получить от планшета, а планшет не получал питаня от хаба.

GND Plans - я подпаивался прямо к материнке планшета на минус батареи.
Получается такая схема? И +5 на POGO пин в таком исполнении подключать?
Нажмите на изображение для увеличения
Название: і1.jpg
Просмотров: 1690
Размер:	63.3 Кб
ID:	45943
Furai2014 вне форума   Ответить с цитированием
Ответ

Метки
arduino, nexus7, блок питания, блок питания планшета


Здесь присутствуют: 1 (пользователей: 0 , гостей: 1)
 

Ваши права в разделе
Вы не можете создавать новые темы
Вы не можете отвечать в темах
Вы не можете прикреплять вложения
Вы не можете редактировать свои сообщения

BB коды Вкл.
Смайлы Вкл.
[IMG] код Вкл.
HTML код Выкл.



Часовой пояс GMT +4, время: 12:39.


Работает на vBulletin® версия 3.8.4.
Copyright ©2000 - 2026, Jelsoft Enterprises Ltd.
Перевод: zCarot