PCCar.ru - Ваш автомобильный компьютер

Вернуться   PCCar.ru - Ваш автомобильный компьютер > MP3Car ТехИнфа > AndroidCar > Питание

Результаты опроса: Писать ли про развитие проекта, или пофиг, есть свой и работает.
Пиши дальше 210 96.33%
Не пиши, лучше займись чем нибудь (другим) полезным. 8 3.67%
Голосовавшие: 218. Вы ещё не голосовали в этом опросе

Ответ
 
Опции темы Поиск в этой теме
Старый 01.07.2016, 22:16   #491
Artemix
Пользователь
 
Регистрация: 13.07.2015
Возраст: 40
Регион: 86
Сообщений: 51
Artemix is on a distinguished road
По умолчанию

вопрос по KIW3312 он мне выдает на акум 3.7 , но иногда запускаю планшет а он мне батарея разряжена фиг тебе, покатаюсь немного и он запуститься, потом отрубиться типа села батарея , как можно избежать данный нюанс, надо ли повышать напряжение и до скольки?
Artemix вне форума   Ответить с цитированием
Старый 01.07.2016, 23:31   #492
Az0m@
Старший Пользователь
 
Регистрация: 07.01.2016
Регион: 02
Сообщений: 152
Az0m@ is on a distinguished road
По умолчанию

Я наконецто осилил свою плату... долго же я Олега замучал -)))
Из своего уже опыта выскажу следующие моменты:
1. для теста на столе обязательно нужен качественный источник питания
2. на выходе на обоих каналах надо ставить кондеры по 2200мкФ...
3. если прикрутите I2C дисплей то сэкономите кучу времени...
4. иметь большое терпение....

сегодня почти целый день катался с платой...и вроде все как надо работает.

Теперь осталось прикрутит кнопки на руле и настроить программную составляющую... если не трудно ткните на соответствующие темы с описанием...
Az0m@ вне форума   Ответить с цитированием
Старый 02.07.2016, 08:15   #493
Алексей L&M
Старший Пользователь
 
Регистрация: 23.03.2016
Возраст: 42
Регион: Казахстан
Сообщений: 246
Алексей L&M will become famous soon enough
По умолчанию

Цитата:
Сообщение от Artemix Посмотреть сообщение
вопрос по KIW3312 он мне выдает на акум 3.7 , но иногда запускаю планшет а он мне батарея разряжена фиг тебе, покатаюсь немного и он запуститься, потом отрубиться типа села батарея , как можно избежать данный нюанс, надо ли повышать напряжение и до скольки?
Подними напряжение до 4,3-4,7в

Цитата:
Сообщение от Az0m@ Посмотреть сообщение
Я наконецто осилил свою плату... долго же я Олега замучал -)))
А что было то?
__________________
Nexus 7 2012 3G + Nexus 7 2013 WiFi
Алексей L&M вне форума   Ответить с цитированием
Старый 02.07.2016, 11:48   #494
T_r_D
Старший Пользователь
 
Регистрация: 03.07.2015
Регион: 77, 97, 99, 177
Сообщений: 372
T_r_D is a jewel in the roughT_r_D is a jewel in the roughT_r_D is a jewel in the rough
По умолчанию

Вообще для подобных БП всегда желателен нормальный регулируемый по напряжению настольный блок питания.
В любом случае программно подстраивать какие либо значения всё равно придётся.
Хотя можно просто резистор подстроечный и мультиметр использовать, но только не на готовой плате, а на макетке.
Дисплей на I2C нафиг не нужен, можно настроить через обычное USB подключение на столе выдавая в сериал данные, а потом уже нести в машину.
Он нужен только для того чтоб самому на него смотреть и переться от гордости за себя
Ну и хвастатся перед окружающими какую ты сделал мега штуку.
Хочется крутости- выведи все эти данные на планшет.

Az0m@
На выходы импульсных БП нет смысла ставить большие конденсаторы- только разве для своего успокоения.
Объясню почему:
Частота колебаний стандартных импульсных БП равна нескольким десяткам, а иногда и сотням килогерц. Соответственно не имеет смысл ставить большой конденсатор чтоб сглаживать отсутствие напряжения между импульсами.
У импульсного БП падения напряжения на выходе может быть в пределах нескольких десятых вольта, а дальше происходит фактически срыв генерации и соответственно отсутствие вообще какого либо напряжения.
И вот если такое произошло или происходит, то это означает что мощности БП не хватает. ТОесть есть какие-то импульсные нагрузки превышающие максмальный ток БП. И соответственно надо увеличивать мощность БП.

На входе БП есть смысл поставить банку на 10000uf через диод чтоб в сеть авто не разряжалась.
При максимальной нагрузке это даст запас до обесточивания выходов БП примерно в 1-2 десятые секунды (тоесть напряжение на входе БП упадёт до приблизительно 6,3 вольт при выходном 5).
Спасёт короче от кратковременных пропаданий напряжения. Ну скажем в момент запуска двигателя стартера.
T_r_D вне форума   Ответить с цитированием
Старый 02.07.2016, 13:46   #495
T_r_D
Старший Пользователь
 
Регистрация: 03.07.2015
Регион: 77, 97, 99, 177
Сообщений: 372
T_r_D is a jewel in the roughT_r_D is a jewel in the roughT_r_D is a jewel in the rough
По умолчанию

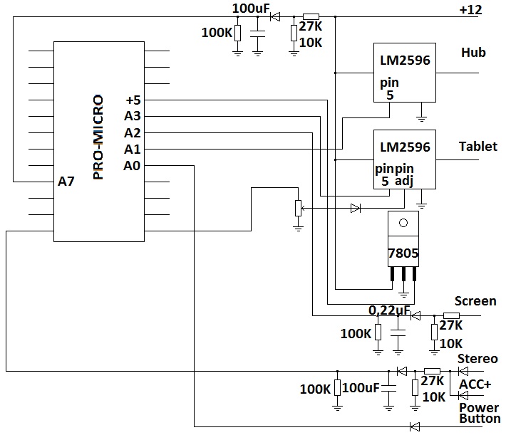
По моей теме- упростим чуть схему поскольку следить раздельно за тем подано ли питание при повороте ключа или при включении магнитолы нет смысла, то выкинем один из входов контроллера.
Это чуть сократит и код и потребление потому что не надо ногу дополнительную опрашивать.
Соответственно кусок кода упростится

PHP код:
 if (in_progress == 0){
   if (
digitalRead(9) == HIGH &&  analogRead(20) < 400mag_car_on(); //Если магнитола или зажигание включено, а питания на подсветке нету.
   
if (digitalRead(9) == LOW && analogRead(20) > 400power_off();       //Если магнитола выключена и зажигание выключено, но подсветка работает.
   
if (digitalRead(9) == LOW && accpoweravg 541halt();               //Если магнитола и зажигание выключены и сел акумулятор, а отключение не выполнялось.
 

И из скетча надо убрать строку
pinMode(8, INPUT); //Radio input

НО- 7 ног задействовано- это много! Ещё одну надо убрать и можно свести плату до контроллера на attiny13. Вот тогда потребление ещё упадёт и размер уменьшится.

PS Чуть не забыл!
Кому нужна задержка включения хаба
в функции void mag_car_on()
нужно перенести строку
digitalWrite(19, LOW);
вот сюда:
if (stage == 2 && (millis() - stage_timer) > 2000) {
if (analogRead(20) > 400) {
digitalWrite(19, LOW);
stage = 0;
in_progress = 0;
и сюда
if (stage == 4 && (millis() - stage_timer) > 2000) {
digitalWrite(19, LOW);
stage = 0;
in_progress = 0;
}

PPS. Пришла идея! Можно ещё одну ногу убрать!
У нас фактически D10 и A0 одновременно не используются и требуют разной полярности!
Тоесть если нужно нажать кнопку планшета- подаём минус:
pinMode(A0, OUTPUT);
digitalWrite(A0, LOW);
если нужно сделать ресет планшета уменьшив питание подаём плюс:
pinMode(A0, OUTPUT);
digitalWrite(A0, HIGH);
А вот если ничего, то переведём ногу в третье состояние Z. Это когда на ней ни чего нету:
pinMode(A0, INPUT);

Сам тестить не буду поскольку всё спаял и всё работает, а тем кто хочет повторить стоит задуматься. Скетч поменяется совсем мало от этого.
А вот ссылка ни ибей и плату http://www.ebay.com/itm/272096684238...%3AMEBIDX%3AIT
И на настройки Arduino IDE http://digistump.com/wiki/digispark/...als/connecting
Миниатюры
Нажмите на изображение для увеличения
Название: Новый точечный рисунок.jpg
Просмотров: 1072
Размер:	76.8 Кб
ID:	44128  

Последний раз редактировалось T_r_D; 02.07.2016 в 14:35.
T_r_D вне форума   Ответить с цитированием
Старый 02.07.2016, 23:51   #496
Az0m@
Старший Пользователь
 
Регистрация: 07.01.2016
Регион: 02
Сообщений: 152
Az0m@ is on a distinguished road
По умолчанию

Цитата:
Сообщение от Алексей L&M Посмотреть сообщение
Подними напряжение до 4,3-4,7в

А что было то?
ну вот как и описал выше установкой кондера на 2200мкФ на тот канал, который шел на погопин
Цитата:
Сообщение от T_r_D Посмотреть сообщение
В
Az0m@
На выходы импульсных БП нет смысла ставить большие конденсаторы- только разве для своего успокоения.
возможно... я не силен в электронике... но после этих манипуляций у меня плата заработала как надо
Цитата:
Сообщение от T_r_D Посмотреть сообщение
А вот ссылка ни ибей и плату http://www.ebay.com/itm/272096684238...%3AMEBIDX%3AIT
тогда сразу такую брать:
http://www.ebay.com/itm/Digispark-Ki...3D272096684238
Az0m@ вне форума   Ответить с цитированием
Старый 03.07.2016, 02:35   #497
T_r_D
Старший Пользователь
 
Регистрация: 03.07.2015
Регион: 77, 97, 99, 177
Сообщений: 372
T_r_D is a jewel in the roughT_r_D is a jewel in the roughT_r_D is a jewel in the rough
По умолчанию

тогда сразу такую брать:
http://www.ebay.com/itm/Digispark-Ki...3D272096684238
Такую не удобно. Когда её на плату запаяешь в юсб не воткнёшь
На ту что я дал ссылку это тоже самое, но с микро юсб на плате
T_r_D вне форума   Ответить с цитированием
Старый 03.07.2016, 11:55   #498
Az0m@
Старший Пользователь
 
Регистрация: 07.01.2016
Регион: 02
Сообщений: 152
Az0m@ is on a distinguished road
По умолчанию

Цитата:
Сообщение от T_r_D Посмотреть сообщение
Такую не удобно. Когда её на плату запаяешь в юсб не воткнёшь
На ту что я дал ссылку это тоже самое, но с микро юсб на плате
так можно на плате его сместить на один край... и можно всю плату как брелок воткнуть в усб... но это уже так... мелочи.

ребят... мне надо уже на следующий этап переходить...как автостоп и автовоспроизведение организовать?

Последний раз редактировалось Az0m@; 03.07.2016 в 17:03.
Az0m@ вне форума   Ответить с цитированием
Старый 04.07.2016, 06:48   #499
T_r_D
Старший Пользователь
 
Регистрация: 03.07.2015
Регион: 77, 97, 99, 177
Сообщений: 372
T_r_D is a jewel in the roughT_r_D is a jewel in the roughT_r_D is a jewel in the rough
По умолчанию

Цитата:
Сообщение от Az0m@ Посмотреть сообщение
так можно на плате его сместить на один край... и можно всю плату как брелок воткнуть в усб... но это уже так... мелочи.

ребят... мне надо уже на следующий этап переходить...как автостоп и автовоспроизведение организовать?
Это уже не в этой теме наверное.
Не знаю какую ардуины вы использовали, но если про микро, то она умеет прикидываться клавиатурой. На этом форуме это есть.
T_r_D вне форума   Ответить с цитированием
Старый 04.07.2016, 14:07   #500
oleg707
Гуру
 
Аватар для oleg707
 
Регистрация: 16.04.2014
Возраст: 42
Город: Gdynia
Регион: другой - для добавления сообщить ab
Сообщений: 2,548
oleg707 has a reputation beyond reputeoleg707 has a reputation beyond reputeoleg707 has a reputation beyond reputeoleg707 has a reputation beyond reputeoleg707 has a reputation beyond reputeoleg707 has a reputation beyond reputeoleg707 has a reputation beyond reputeoleg707 has a reputation beyond reputeoleg707 has a reputation beyond reputeoleg707 has a reputation beyond repute
По умолчанию

Цитата:
Сообщение от Artemix Посмотреть сообщение
вопрос по KIW3312 он мне выдает на акум 3.7 , но иногда запускаю планшет а он мне батарея разряжена фиг тебе, покатаюсь немного и он запуститься, потом отрубиться типа села батарея , как можно избежать данный нюанс, надо ли повышать напряжение и до скольки?
Если контроллер батареи не отключён, он и дурит. При наличии стабильных 3,7.
oleg707 вне форума   Ответить с цитированием
Ответ

Метки
arduino, nexus7, блок питания, блок питания планшета


Здесь присутствуют: 1 (пользователей: 0 , гостей: 1)
 

Ваши права в разделе
Вы не можете создавать новые темы
Вы не можете отвечать в темах
Вы не можете прикреплять вложения
Вы не можете редактировать свои сообщения

BB коды Вкл.
Смайлы Вкл.
[IMG] код Вкл.
HTML код Выкл.



Часовой пояс GMT +4, время: 01:59.


Работает на vBulletin® версия 3.8.4.
Copyright ©2000 - 2026, Jelsoft Enterprises Ltd.
Перевод: zCarot