PCCar.ru - Ваш автомобильный компьютер

Вернуться   PCCar.ru - Ваш автомобильный компьютер > MP3Car ТехИнфа > AndroidCar > Питание

Результаты опроса: Писать ли про развитие проекта, или пофиг, есть свой и работает.
Пиши дальше 210 96.33%
Не пиши, лучше займись чем нибудь (другим) полезным. 8 3.67%
Голосовавшие: 218. Вы ещё не голосовали в этом опросе

Ответ
 
Опции темы Поиск в этой теме
Старый 20.06.2016, 22:49   #481
T_r_D
Старший Пользователь
 
Регистрация: 03.07.2015
Регион: 77, 97, 99, 177
Сообщений: 372
T_r_D is a jewel in the roughT_r_D is a jewel in the roughT_r_D is a jewel in the rough
По умолчанию

Ну в общем-то вот окончательный вариант:
PHP код:
unsigned long time0 0;
unsigned long stage_timer 0;
int in_progress 0;
int stage 0;
unsigned int accpower 0;
int accpowercount 0;
int accpoweravg 1023;

void setup() {
  
//Arduino Pro-Micro
  //21 = A3
  //20 = A2
  //19 = A1
  //18 = A0
pinMode(18OUTPUT); //Tablet button
pinMode(19OUTPUT); //HUB power
pinMode(20INPUT);  //Tablet Screen action. Analog! If input >232 then screen on 
pinMode(21OUTPUT); //Tablet power
pinMode(10OUTPUT); //Tablet power supply low if car bat level low

pinMode(A7INPUT);   //Car bat level (In bord PIN 6!!!) 541=11,91 **analogRead(A7) * (1.1 / 1023.0*20.50);
pinMode(8INPUT);   //Radio input
pinMode(9INPUT);   //ACC input

digitalWrite(21LOW);
digitalWrite(19LOW);
digitalWrite(18LOW);
digitalWrite(10LOW);
}

void loop() {
//Измеряем среднее значение напряжения автомобиля.
  
if ((millis() - time0) > 1000){
      if (
accpowercount == 60){
      
accpoweravg accpower 60;
      
accpowercount 0;
      
accpower 0;
      }
      else{
      
accpower accpower analogRead(A7);
      
accpowercount accpowercount 1;
      }
    
time0 millis();
  }

 if (
in_progress == 0){
   if ((
digitalRead(8) == HIGH || digitalRead(9) == HIGH) &&  analogRead(20) < 400mag_car_on(); //Если магнитола или зажигание включено, а питания на подсветке нету.
   
if (digitalRead(8) == LOW && digitalRead(9) == LOW && analogRead(20) > 400power_off();       //Если магнитола выключена и зажигание выключено, но подсветка работает.
   
if (digitalRead(8) == LOW && digitalRead(9) == LOW && accpoweravg 541halt();               //Если магнитола и зажигание выключены и сел акумулятор, а отключение не выполнялось.
 
}
 else {
   if (
in_progress == 1mag_car_on();
   if (
in_progress == 2power_off();
   if (
in_progress == 3halt();
 } 
 
}

void mag_car_on(){
  
in_progress 1;
  
digitalWrite(19LOW);
  
digitalWrite(21LOW);
//Клик кнопкой 300мс, после этого ждём 2с и на стадии 2 проверяем включился ли планшет,
//и если нет, то зажимаем кнопку на 3с, потом ждём 2с.
  
if (stage == 0) {
  
digitalWrite(18HIGH);
  
stage 1;
  
stage_timer millis();
  }
  if (
stage == && (millis() - stage_timer) > 300) {
  
digitalWrite(18LOW);
  
stage 2;
  
stage_timer millis();
  }
  if (
stage == && (millis() - stage_timer) > 2000) {
    if (
analogRead(20) > 400) {
      
stage 0;
      
in_progress 0;
    }
    else {
      
digitalWrite(18HIGH);
      
stage 3;
      
stage_timer millis();
    }
  }  
  if (
stage == && (millis() - stage_timer) > 3000) {
    
digitalWrite(18LOW);
    
stage 4;
    
stage_timer millis();
  }
  if (
stage == && (millis() - stage_timer) > 2000) {
    
stage 0;
    
in_progress 0
  }
}
 
void power_off(){
  
in_progress 2;
  if (
stage == 0) {
    
digitalWrite(18HIGH);
    
stage 1;
    
stage_timer millis();
  }
  if (
stage == && (millis() - stage_timer) > 300) {
    
digitalWrite(18LOW);
    
stage 2;
    
stage_timer millis();
  }
  if (
stage == && (millis() - stage_timer) > 5000) {
    
digitalWrite(19HIGH);
    if (
analogRead(20) < 400){
      
stage 0;
      
in_progress 0;
    }
    else {
      
digitalWrite(10HIGH);
      
stage 3;
      
stage_timer millis();
    }
  }
  if (
stage == && (millis() - stage_timer) > 2000) {
    
digitalWrite(10LOW);
    
stage 4;
    
stage_timer millis();
  } 
  if (
stage == && (millis() - stage_timer) > 30000) {
    
stage 0;
    
in_progress 0;
  }
}
 
void halt(){
  
in_progress 3;
  
digitalWrite(19HIGH);
  
digitalWrite(21HIGH);
  
in_progress 0

T_r_D вне форума   Ответить с цитированием
Старый 21.06.2016, 08:52   #482
plus88
Старший Пользователь
 
Регистрация: 05.05.2015
Город: Омск
Регион: 55
Машина: Prado 120
Сообщений: 133
plus88 is on a distinguished road
По умолчанию

А схему последнюю можешь представить тоже надо собирать блок питания )
plus88 вне форума   Ответить с цитированием
Старый 21.06.2016, 16:55   #483
T_r_D
Старший Пользователь
 
Регистрация: 03.07.2015
Регион: 77, 97, 99, 177
Сообщений: 372
T_r_D is a jewel in the roughT_r_D is a jewel in the roughT_r_D is a jewel in the rough
По умолчанию

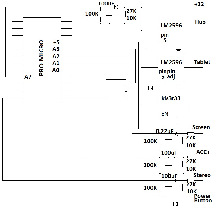
А схема не менялась.
Резисторы- входной делитель 20к и 10к на землю, после диода 100к на землю.
Конденсаторы- на подсветку 0,22uF, а остальные по 100uF.
Диоды любые.
Резистор подстройки напряжения на БП для планшета это выпаянный резистор со второй платы БП.

на схеме нарисована промикра если это кому принципиально.
Просто потому что она у меня была и лутчшего применения ей не нашлось.

SPI и I2C хвосты свободны, так что можете подключать хоть индикаторы, хоть датчики какие либо ещё.
Мне просто всё это украшательство вообще не нужно- всё это будет за планшетом в панеле и видно этого не будет, только лишнюю напругу жрать будет.

А как идея- подключить датчик температуры, какой нить DHT11 скажем, и при превышениях температуры врубать вентилятор охлаждения планшета...
Я свой ещё в боевых условиях не тестил, так что не знаю будет что с ним не так или нет.
T_r_D вне форума   Ответить с цитированием
Старый 22.06.2016, 16:33   #484
jonikus81
Старший Пользователь
 
Аватар для jonikus81
 
Регистрация: 07.09.2015
Возраст: 44
Город: Алматы
Регион: Казахстан
Машина: MMC DELICA 94 (булка)
Сообщений: 209
jonikus81 is a jewel in the roughjonikus81 is a jewel in the roughjonikus81 is a jewel in the roughjonikus81 is a jewel in the rough
По умолчанию

Вопрос, сколько кушает ITS716G? я так понимаю он всегда включен? хотелось бы спрыгнуть с реле и перейти на малютку ITS716G.
jonikus81 вне форума   Ответить с цитированием
Старый 22.06.2016, 23:31   #485
Az0m@
Старший Пользователь
 
Регистрация: 07.01.2016
Регион: 02
Сообщений: 152
Az0m@ is on a distinguished road
По умолчанию

народ, кто подолгу уже юзает планшет в машине... используете с задней крышкой или без неё? это к слову о перегреве
Az0m@ вне форума   Ответить с цитированием
Старый 23.06.2016, 04:29   #486
Алексей L&M
Старший Пользователь
 
Регистрация: 23.03.2016
Возраст: 42
Регион: Казахстан
Сообщений: 246
Алексей L&M will become famous soon enough
По умолчанию

Без крышки он пылью забъётся.
__________________
Nexus 7 2012 3G + Nexus 7 2013 WiFi
Алексей L&M вне форума   Ответить с цитированием
Старый 23.06.2016, 09:06   #487
jonikus81
Старший Пользователь
 
Аватар для jonikus81
 
Регистрация: 07.09.2015
Возраст: 44
Город: Алматы
Регион: Казахстан
Машина: MMC DELICA 94 (булка)
Сообщений: 209
jonikus81 is a jewel in the roughjonikus81 is a jewel in the roughjonikus81 is a jewel in the roughjonikus81 is a jewel in the rough
По умолчанию

да и в крышках обычно стоят антены на сколько я помню
jonikus81 вне форума   Ответить с цитированием
Старый 24.06.2016, 11:03   #488
T_r_D
Старший Пользователь
 
Регистрация: 03.07.2015
Регион: 77, 97, 99, 177
Сообщений: 372
T_r_D is a jewel in the roughT_r_D is a jewel in the roughT_r_D is a jewel in the rough
По умолчанию

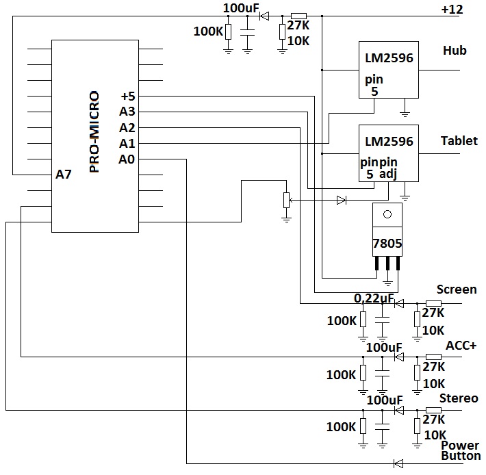
Вот полная схема под скетч мой, а то на предидущей половину не нарисовал и выход один перепутал.
Ещё после всех тестов на промикре был отпаян светодиод индицирующий питание за ненадобностью.
На схеме Stereo это выход магнитолы Remote.

PS. В машине два раза подряд сгорел KIS.
Поменял на LM7805 и всё работает!
Странно как-то даже!

Короче меня можно поздравить. Citroen C4 обрёл андройд дисплей без потери штатной магнитолы, тоесть выводом информации с неё на андройд, вывод бортового компа на андройд, управление с руля плеером на андройде. Ну и управление питанием.

Есть пару косяков, но они уже чисто программные. Почему-то не работают кнопки на магнитоле в режиме аукса, точнее работают, но только почему-то только ОК который заменён play\pause.
Тоесть с магнитолы плеером планшета не рулится.
И нужно сделать так, чтоб при уходе в слип плеер останавливал воспроизведение.
Это пока на первое время. Потом в свою софтину для дройда допишу плеер.
Миниатюры
Нажмите на изображение для увеличения
Название: Новый точечный рисунок.jpg
Просмотров: 722
Размер:	85.3 Кб
ID:	44065   Нажмите на изображение для увеличения
Название: PS_END_VER.jpg
Просмотров: 761
Размер:	85.3 Кб
ID:	44083  

Последний раз редактировалось T_r_D; 27.06.2016 в 16:58.
T_r_D вне форума   Ответить с цитированием
Старый 28.06.2016, 12:35   #489
oleg707
Гуру
 
Аватар для oleg707
 
Регистрация: 16.04.2014
Возраст: 41
Город: Gdynia
Регион: другой - для добавления сообщить ab
Сообщений: 2,548
oleg707 has a reputation beyond reputeoleg707 has a reputation beyond reputeoleg707 has a reputation beyond reputeoleg707 has a reputation beyond reputeoleg707 has a reputation beyond reputeoleg707 has a reputation beyond reputeoleg707 has a reputation beyond reputeoleg707 has a reputation beyond reputeoleg707 has a reputation beyond reputeoleg707 has a reputation beyond repute
По умолчанию

Цитата:
Сообщение от T_r_D Посмотреть сообщение
Вот полная схема под скетч мой, а то на предидущей половину не нарисовал и выход один перепутал.
Ещё после всех тестов на промикре был отпаян светодиод индицирующий питание за ненадобностью.
На схеме Stereo это выход магнитолы Remote.

PS. В машине два раза подряд сгорел KIS.
Поменял на LM7805 и всё работает!
Странно как-то даже!

Короче меня можно поздравить. Citroen C4 обрёл андройд дисплей без потери штатной магнитолы, тоесть выводом информации с неё на андройд, вывод бортового компа на андройд, управление с руля плеером на андройде. Ну и управление питанием.

Есть пару косяков, но они уже чисто программные. Почему-то не работают кнопки на магнитоле в режиме аукса, точнее работают, но только почему-то только ОК который заменён play\pause.
Тоесть с магнитолы плеером планшета не рулится.
И нужно сделать так, чтоб при уходе в слип плеер останавливал воспроизведение.
Это пока на первое время. Потом в свою софтину для дройда допишу плеер.
Пиши подробный проект, интересно почитать
oleg707 вне форума   Ответить с цитированием
Старый 28.06.2016, 13:15   #490
T_r_D
Старший Пользователь
 
Регистрация: 03.07.2015
Регион: 77, 97, 99, 177
Сообщений: 372
T_r_D is a jewel in the roughT_r_D is a jewel in the roughT_r_D is a jewel in the rough
По умолчанию

Да я даже не знаю что там и писать.
Попробую конечно, но попозже.
Вот видео на мою мыльницу.
https://www.dropbox.com/s/kblf9ba908...93347.3gp?dl=0

PS. Сегодня очень жарко, а терморезистор с платы аккумулятора планшета я не заменил на 10Ком постоянных.
Окно с предложением вынуть перегревшеюся батарею меня сначала радовало, а потом запарило.
Так что при удалении аккума перепаивайте и резистор на постоянный.

Последний раз редактировалось T_r_D; 29.06.2016 в 13:15.
T_r_D вне форума   Ответить с цитированием
Ответ

Метки
arduino, nexus7, блок питания, блок питания планшета


Здесь присутствуют: 1 (пользователей: 0 , гостей: 1)
 

Ваши права в разделе
Вы не можете создавать новые темы
Вы не можете отвечать в темах
Вы не можете прикреплять вложения
Вы не можете редактировать свои сообщения

BB коды Вкл.
Смайлы Вкл.
[IMG] код Вкл.
HTML код Выкл.



Часовой пояс GMT +4, время: 10:48.


Работает на vBulletin® версия 3.8.4.
Copyright ©2000 - 2026, Jelsoft Enterprises Ltd.
Перевод: zCarot