PCCar.ru - Ваш автомобильный компьютер

Вернуться   PCCar.ru - Ваш автомобильный компьютер > MP3Car ТехИнфа > AndroidCar > Питание

Ответ
 
Опции темы Поиск в этой теме
Старый 14.03.2016, 02:57   #21
RyuuKiiroi
Старший Пользователь
 
Регистрация: 15.08.2015
Возраст: 36
Город: Жуковский
Регион: 50, 90, 150
Машина: Emgrand X7
Сообщений: 105
RyuuKiiroi is on a distinguished road
По умолчанию

А там на схеме VD4 не в ту сторону стоит?
__________________
Nexus 7 2013 Geely Emgrand X7

Последний раз редактировалось RyuuKiiroi; 14.03.2016 в 11:10.
RyuuKiiroi вне форума   Ответить с цитированием
Старый 05.04.2016, 15:59   #22
RyuuKiiroi
Старший Пользователь
 
Регистрация: 15.08.2015
Возраст: 36
Город: Жуковский
Регион: 50, 90, 150
Машина: Emgrand X7
Сообщений: 105
RyuuKiiroi is on a distinguished road
По умолчанию

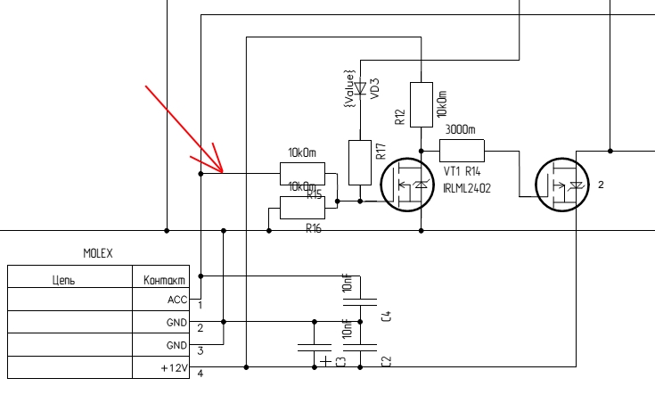
Советую добавить сюда диод. Долго не мог понять почему весь код работает, а все равно вырубается. а у меня там еще управляющий провод усилка висел и все в него стекало.
И еще вместо полевого П канальника у меня сейчас релюшка стоит
Миниатюры
Нажмите на изображение для увеличения
Название: jghjgjh.jpg
Просмотров: 949
Размер:	66.0 Кб
ID:	43353  
__________________
Nexus 7 2013 Geely Emgrand X7
RyuuKiiroi вне форума   Ответить с цитированием
Старый 15.04.2016, 14:04   #23
holopovvv
Новый Пользователь
 
Регистрация: 21.12.2010
Возраст: 47
Город: с.Рыбное
Регион: 24
Машина: Nissan X-Trail T30 2,5 АКПП
Сообщений: 8
holopovvv is on a distinguished road
По умолчанию

Подскажите какие фьюзы выставить на микроконтроллер?
holopovvv вне форума   Ответить с цитированием
Старый 14.06.2016, 11:48   #24
pan07
Новый Пользователь
 
Регистрация: 12.05.2014
Город: Подольск
Регион: 50, 90, 150
Машина: Ford
Сообщений: 13
pan07 is on a distinguished road
По умолчанию

А как дело обстоит с шумами у данного БП?
pan07 вне форума   Ответить с цитированием
Ответ


Здесь присутствуют: 1 (пользователей: 0 , гостей: 1)
 

Ваши права в разделе
Вы не можете создавать новые темы
Вы не можете отвечать в темах
Вы не можете прикреплять вложения
Вы не можете редактировать свои сообщения

BB коды Вкл.
Смайлы Вкл.
[IMG] код Вкл.
HTML код Выкл.



Часовой пояс GMT +4, время: 21:31.


Работает на vBulletin® версия 3.8.4.
Copyright ©2000 - 2026, Jelsoft Enterprises Ltd.
Перевод: zCarot