PCCar.ru - Ваш автомобильный компьютер

Вернуться   PCCar.ru - Ваш автомобильный компьютер > MP3Car ТехИнфа > Общение с машиной

Результаты опроса: Интерфейс программы TECU-III ...
меня устраивает 142 41.04%
требуется потратить время на переделку - пользоваться очень неудобно 15 4.34%
устраивает, но хорошо бы внести несерьезные измененния 34 9.83%
сойдет, лучше тратить время на добавление в программу поддержку новых модулей 146 42.20%
другой вариант 9 2.60%
Голосовавшие: 346. Вы ещё не голосовали в этом опросе

Закрытая тема
 
Опции темы Поиск в этой теме
Старый 21.12.2015, 10:49   #3631
Suhr
Пользователь
 
Регистрация: 20.05.2015
Регион: 03
Сообщений: 57
Suhr is on a distinguished road
По умолчанию

Цитата:
А куда в Tecu3 делась функция "Сброс адаптации ECU"?
Цитата:
Сообщение от тсж39 Посмотреть сообщение
для какого авто запорожец?
в подписи у вас марка авто не указана, в сообщении вы тоже не пишете обэтом
да какая разница тут. раньше эта функция была в том окне где ошибки, а щас нет.
Suhr вне форума  
Старый 21.12.2015, 11:17   #3632
тсж39
Старший Пользователь
 
Аватар для тсж39
 
Регистрация: 14.04.2011
Возраст: 66
Город: Санкт-Петербург
Регион: 78, 98
Машина: TOYOTA Sienta
Сообщений: 385
тсж39 is on a distinguished road
По умолчанию

или в активных тестах или в спец функциях
__________________
не стесняйтесь спрашивать
тсж39 вне форума  
Старый 21.12.2015, 11:22   #3633
Suhr
Пользователь
 
Регистрация: 20.05.2015
Регион: 03
Сообщений: 57
Suhr is on a distinguished road
По умолчанию

Ну и Ниссана я в спец. функциях видел. А у Туйоты нет. Только сброс обучения акпп/вариатора. А как в активных тестах называется эта функция?
Suhr вне форума  
Старый 21.12.2015, 11:41   #3634
тсж39
Старший Пользователь
 
Аватар для тсж39
 
Регистрация: 14.04.2011
Возраст: 66
Город: Санкт-Петербург
Регион: 78, 98
Машина: TOYOTA Sienta
Сообщений: 385
тсж39 is on a distinguished road
По умолчанию

так вам же сразу предложили озвучить марку авто
__________________
не стесняйтесь спрашивать
тсж39 вне форума  
Старый 21.12.2015, 11:43   #3635
Suhr
Пользователь
 
Регистрация: 20.05.2015
Регион: 03
Сообщений: 57
Suhr is on a distinguished road
По умолчанию

У меня Жигули
Suhr вне форума  
Старый 21.12.2015, 12:12   #3636
тсж39
Старший Пользователь
 
Аватар для тсж39
 
Регистрация: 14.04.2011
Возраст: 66
Город: Санкт-Петербург
Регион: 78, 98
Машина: TOYOTA Sienta
Сообщений: 385
тсж39 is on a distinguished road
По умолчанию

Цитата:
Сообщение от Suhr Посмотреть сообщение
Ну и Ниссана я в спец. функциях видел. А у Туйоты нет. Только сброс обучения акпп/вариатора. А как в активных тестах называется эта функция?
Сброс обучения акпп/вариатора.
это и есть сброс памяти, которое раньше в программе называлось "Сброс адаптации ECU"
__________________
не стесняйтесь спрашивать
тсж39 вне форума  
Старый 21.12.2015, 13:08   #3637
Suhr
Пользователь
 
Регистрация: 20.05.2015
Регион: 03
Сообщений: 57
Suhr is on a distinguished road
По умолчанию

Понятно. Спасибо.
Suhr вне форума  
Старый 22.12.2015, 13:46   #3638
igorp1961
Новый Пользователь
 
Регистрация: 22.12.2015
Возраст: 64
Город: Москва
Регион: 77, 97, 99, 177
Машина: ниссан тиида
Сообщений: 11
igorp1961 is on a distinguished road
По умолчанию

Добрый день, Валентин! Прежде всего-огромное спасибо Вам за проделанную работу!
Достойно всяческого уважения!
И есть у меня к Вам один вопросик:
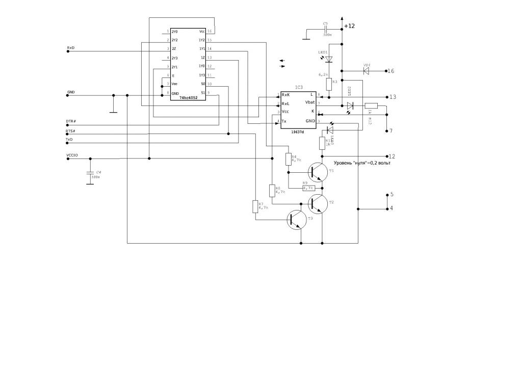
Слепил я тут очередной адаптер для диагностики авто, в данном случае ниссана. А т.к. адаптеров уже набралось немало, решил на сей раз сделать некий универсальный-модульный:
конвертор USB на FT232RL отдельной платкой, а к нему цеплять по необходимости то, что может понадобиться-будь то RS232, адаптер к-линии, или что либо еще.
и один из вариантов сделал, слизав с вашего адаптера "3 в 1" кусок схемы, только на своих деталюшках.
Софт машину видит, но только по к-линии. видит 3 блока точно:
ЕКУ двигателя, АБС и подушки, и 1 блок-пишет: "не определен"
А по RX-TX вообще не видит ничего.
Глянул в логи-передача есть, а на приеме одни нули.
Логи сейчас выложить не могу, они на домашнем ноуте, а я пишу с рабочего компьютера, да и пробовал соединиться с машиной уже как недели 2 назад, все времени не было сюда написать, спросить.
Может попробуете подсказать-в чем может быть причина "невидимости"
по RX-TX (Consult-1, насколько я понял). Ниссан у меня отн. недавно, 4 года, брал новым. до этого никогда ниссанов не было.
Кусок моей схемы прилагаю.
ПС: Ниссан Тиида, 2011, 1.6, автомат, климат, хетчбек.
СУВЖ, Игорь.
Миниатюры
Нажмите на изображение для увеличения
Название: k-line_без_uart_и перекл.jpg
Просмотров: 675
Размер:	37.8 Кб
ID:	42075  
igorp1961 вне форума  
Старый 22.12.2015, 15:00   #3639
тсж39
Старший Пользователь
 
Аватар для тсж39
 
Регистрация: 14.04.2011
Возраст: 66
Город: Санкт-Петербург
Регион: 78, 98
Машина: TOYOTA Sienta
Сообщений: 385
тсж39 is on a distinguished road
По умолчанию

не правильно, вход 12 и выход 13
Миниатюры
Нажмите на изображение для увеличения
Название: к2.PNG
Просмотров: 636
Размер:	29.7 Кб
ID:	42076  
__________________
не стесняйтесь спрашивать
тсж39 вне форума  
Старый 23.12.2015, 12:11   #3640
igorp1961
Новый Пользователь
 
Регистрация: 22.12.2015
Возраст: 64
Город: Москва
Регион: 77, 97, 99, 177
Машина: ниссан тиида
Сообщений: 11
igorp1961 is on a distinguished road
По умолчанию

Цитата:
Сообщение от тсж39 Посмотреть сообщение
не правильно, вход 12 и выход 13
Спасибо! Будет время-попробую
igorp1961 вне форума  
Закрытая тема

Метки
nissan, toyota, диагностика


Здесь присутствуют: 1 (пользователей: 0 , гостей: 1)
 

Ваши права в разделе
Вы не можете создавать новые темы
Вы не можете отвечать в темах
Вы не можете прикреплять вложения
Вы не можете редактировать свои сообщения

BB коды Вкл.
Смайлы Вкл.
[IMG] код Вкл.
HTML код Выкл.



Часовой пояс GMT +4, время: 07:46.


Работает на vBulletin® версия 3.8.4.
Copyright ©2000 - 2026, Jelsoft Enterprises Ltd.
Перевод: zCarot