PCCar.ru - Ваш автомобильный компьютер

Вернуться   PCCar.ru - Ваш автомобильный компьютер > MP3Car ТехИнфа > АвтоЗвук > Усилители

Ответ
 
Опции темы Поиск в этой теме
Старый 12.08.2015, 17:21   #31
Nissan
Пользователь
 
Регистрация: 27.08.2014
Возраст: 50
Город: Кольчугино
Регион: 33
Машина: Nissan President
Сообщений: 27
Nissan has a spectacular aura aboutNissan has a spectacular aura aboutNissan has a spectacular aura about
По умолчанию

Цитата:
Сообщение от pan07 Посмотреть сообщение
Я бы рассмотрел покупку 4-х канальника
Гдето в середине сентября будут доступны БП, сейчас только модули усилителей есть.
Nissan вне форума   Ответить с цитированием
Старый 12.08.2015, 19:26   #32
Vlad-bodryi
Гуру
 
Регистрация: 23.12.2012
Возраст: 45
Город: Самара
Регион: 63, 163
Машина: Forester
Сообщений: 1,166
Vlad-bodryi is a jewel in the roughVlad-bodryi is a jewel in the roughVlad-bodryi is a jewel in the roughVlad-bodryi is a jewel in the rough
По умолчанию

какой диапазон входного напряжения питания БП возможен?

усилители скорей важны двухканальные, а там уже каждый подберёт себе количество каналов индивидуально...
Vlad-bodryi вне форума   Ответить с цитированием
Старый 13.08.2015, 09:15   #33
Nissan
Пользователь
 
Регистрация: 27.08.2014
Возраст: 50
Город: Кольчугино
Регион: 33
Машина: Nissan President
Сообщений: 27
Nissan has a spectacular aura aboutNissan has a spectacular aura aboutNissan has a spectacular aura about
По умолчанию

11-15
Nissan вне форума   Ответить с цитированием
Старый 13.08.2015, 16:29   #34
Nissan
Пользователь
 
Регистрация: 27.08.2014
Возраст: 50
Город: Кольчугино
Регион: 33
Машина: Nissan President
Сообщений: 27
Nissan has a spectacular aura aboutNissan has a spectacular aura aboutNissan has a spectacular aura about
По умолчанию

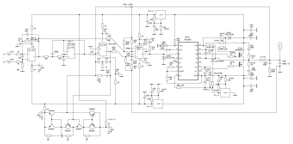
Если комуто интересна схема усилителя.
Миниатюры
Нажмите на изображение для увеличения
Название: Idca11.jpg
Просмотров: 1939
Размер:	55.9 Кб
ID:	40750  
Nissan вне форума   Ответить с цитированием
Старый 26.10.2015, 01:36   #35
Rover
Старший Пользователь
 
Аватар для Rover
 
Регистрация: 14.11.2009
Город: г. Жуковский
Регион: 50, 90, 150
Сообщений: 271
Rover is a jewel in the roughRover is a jewel in the roughRover is a jewel in the rough
По умолчанию

Как успехи?
Rover вне форума   Ответить с цитированием
Ответ


Здесь присутствуют: 1 (пользователей: 0 , гостей: 1)
 

Ваши права в разделе
Вы не можете создавать новые темы
Вы не можете отвечать в темах
Вы не можете прикреплять вложения
Вы не можете редактировать свои сообщения

BB коды Вкл.
Смайлы Вкл.
[IMG] код Вкл.
HTML код Выкл.



Часовой пояс GMT +4, время: 10:00.


Работает на vBulletin® версия 3.8.4.
Copyright ©2000 - 2026, Jelsoft Enterprises Ltd.
Перевод: zCarot