PCCar.ru - Ваш автомобильный компьютер

Вернуться   PCCar.ru - Ваш автомобильный компьютер > MP3Car ТехИнфа > AndroidCar > Питание

Ответ
 
Опции темы Поиск в этой теме
Старый 17.06.2015, 14:02   #821
oleg707
Гуру
 
Аватар для oleg707
 
Регистрация: 16.04.2014
Возраст: 42
Город: Gdynia
Регион: другой - для добавления сообщить ab
Сообщений: 2,548
oleg707 has a reputation beyond reputeoleg707 has a reputation beyond reputeoleg707 has a reputation beyond reputeoleg707 has a reputation beyond reputeoleg707 has a reputation beyond reputeoleg707 has a reputation beyond reputeoleg707 has a reputation beyond reputeoleg707 has a reputation beyond reputeoleg707 has a reputation beyond reputeoleg707 has a reputation beyond repute
По умолчанию

Цитата:
Сообщение от nico_pol Посмотреть сообщение
да чет не хочется опять ждать, уже все компоненты почти собрал.
те что я указал плохие?
те же яйца вид сбоку, только регулировки тока нету
oleg707 вне форума   Ответить с цитированием
Старый 23.06.2015, 21:23   #822
Prihod177
Новый Пользователь
 
Регистрация: 02.02.2015
Возраст: 42
Город: Москва
Регион: 77, 97, 99, 177
Машина: Almera classic
Сообщений: 12
Prihod177 is on a distinguished road
По умолчанию

Подойдёт ли такой бп http://chipster.ru/catalog/arduino-a...ules/2331.html
Если да, то какие советы к его подключению?
Prihod177 вне форума   Ответить с цитированием
Старый 23.06.2015, 22:59   #823
sandr2010
Гуру
 
Регистрация: 13.11.2011
Возраст: 62
Город: Волгоград
Регион: 34
Машина: Mitsubishi RVR, Chery Tiggo
Сообщений: 1,780
sandr2010 is a jewel in the roughsandr2010 is a jewel in the roughsandr2010 is a jewel in the roughsandr2010 is a jewel in the rough
По умолчанию

Prihod177,такой подойдет,а рекомендации все теже ,как и для других.
sandr2010 вне форума   Ответить с цитированием
Старый 23.06.2015, 23:07   #824
demtro
Старший Пользователь
 
Регистрация: 17.12.2014
Возраст: 34
Город: Самара
Регион: 63, 163
Машина: Lifan Solano
Сообщений: 184
demtro is on a distinguished road
По умолчанию

http://ru.aliexpress.com/item/5PCS-X...973165399.html мне кажется лучше такие взять:-) 5 штук 125р. Мне сегодня пришли, работают, в нагрузку правда пока не пробовал
demtro вне форума   Ответить с цитированием
Старый 23.06.2015, 23:15   #825
sandr2010
Гуру
 
Регистрация: 13.11.2011
Возраст: 62
Город: Волгоград
Регион: 34
Машина: Mitsubishi RVR, Chery Tiggo
Сообщений: 1,780
sandr2010 is a jewel in the roughsandr2010 is a jewel in the roughsandr2010 is a jewel in the roughsandr2010 is a jewel in the rough
По умолчанию

demtro,у меня такой встроен в планшет и работает уже 2 месяца.
Миниатюры
Нажмите на изображение для увеличения
Название: IMG_20150502_135930.jpg
Просмотров: 963
Размер:	95.0 Кб
ID:	40265  
sandr2010 вне форума   Ответить с цитированием
Старый 25.06.2015, 22:49   #826
armlive
Старший Пользователь
 
Регистрация: 12.12.2013
Возраст: 45
Город: Армавир
Регион: 23, 93
Машина: Nissan Qashqai
Сообщений: 510
armlive is a glorious beacon of lightarmlive is a glorious beacon of lightarmlive is a glorious beacon of lightarmlive is a glorious beacon of lightarmlive is a glorious beacon of light
По умолчанию

А ни кто не использовал ионисторы после nsd для планшета, по идеи это решает вопрос при кратковременном отключении
__________________
Nexus 7 (2013) Nissan Qashqai
armlive вне форума   Ответить с цитированием
Старый 26.06.2015, 13:22   #827
Генератор
Пользователь
 
Регистрация: 22.08.2010
Возраст: 44
Город: Питер
Регион: 78, 98
Машина: Ситроен
Сообщений: 94
Генератор is just really niceГенератор is just really niceГенератор is just really niceГенератор is just really nice
По умолчанию

всем привет подскажите плиз
купил блок питания мелкий как на фото выше, поставил в планшет нексус 2012 года, пол дня работал нормально дома, прошил залил все что надо, принес в авто планшет не включается, принес его дамой тоже самое.
причем комп. девайс видит отлично. но сам экран не загорается.
взял другой планшет для тестов лежит с битым тачем, включил прошил все хорошо. утром подаю питания на него и опа та же история комп девайс видит, в память залить все можно с компа и т.д. прошивается системой определяется, но экран не работает вообще.

на БП стоит 4,3 В он работает исправно
что это может быть такое ? кто нить с таким сталкивался ?
__________________
Citroen C-Elysee Samsung SM-T331 - в работе

Fiat Marea 2.0 - ПРОДАНА! - Nexus 7 2013 FLO, Android 5.1.1 сток + ядро Даниеля, USB Hub D-Link DUB7, USB Audio Behringer U-CONTROL UCA202, Arduino Leonardo кнопки на руле, Easy Cap 1160, ПО для камеры EasyCapST1160 Даниеля.
Усилитель Steg QM 75.2 - далее пока на штатку
Мой проект Fiat Marea Nexus 7
Генератор вне форума   Ответить с цитированием
Старый 26.06.2015, 14:40   #828
sandr2010
Гуру
 
Регистрация: 13.11.2011
Возраст: 62
Город: Волгоград
Регион: 34
Машина: Mitsubishi RVR, Chery Tiggo
Сообщений: 1,780
sandr2010 is a jewel in the roughsandr2010 is a jewel in the roughsandr2010 is a jewel in the roughsandr2010 is a jewel in the rough
По умолчанию

Цитата:
Сообщение от Генератор Посмотреть сообщение
всем привет подскажите плиз
купил блок питания мелкий как на фото выше, поставил в планшет нексус 2012 года, пол дня работал нормально дома, прошил залил все что надо, принес в авто планшет не включается, принес его дамой тоже самое.
причем комп. девайс видит отлично. но сам экран не загорается.
взял другой планшет для тестов лежит с битым тачем, включил прошил все хорошо. утром подаю питания на него и опа та же история комп девайс видит, в память залить все можно с компа и т.д. прошивается системой определяется, но экран не работает вообще.

на БП стоит 4,3 В он работает исправно
что это может быть такое ? кто нить с таким сталкивался ?
Попробуйте поднять напряжение до 4,6-4.8В и использовать провода 1,5-2,5 мм.
sandr2010 вне форума   Ответить с цитированием
Старый 26.06.2015, 15:10   #829
demtro
Старший Пользователь
 
Регистрация: 17.12.2014
Возраст: 34
Город: Самара
Регион: 63, 163
Машина: Lifan Solano
Сообщений: 184
demtro is on a distinguished road
По умолчанию

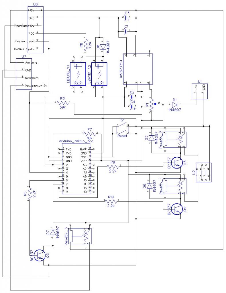
Вариант блока питания на KIS-3R33S и Arduino micro pro. Логика как в и прошлом варианте: при появлении АСС включает хаб, через 4 сек планшет, еще через 4 сек усилитель. При пропадании АСС через 8 сек выключает усилитель, еще через 8 сек планшет, еще через 8 сек хаб. Подведены кнопки руля, в скетче прописаны, кто будет повторять блок питания задайте только свои значения кнопок. На планшет идет отдельный модуль KIS-3R33S вместо батареи. Управление включением планшета по подаче питания на USB разъем
Неуказанные конденсаторы на схеме: С1,С2 - керамика 10nF, С3 - 680mF, C4 - 1500mF, R1 - подстроечный резистор 100 кОм.
Все необходимые файлы, схемы, печатки в архиве. Схемы выполнены в DipTrace.
Миниатюры
Нажмите на изображение для увеличения
Название: БП kis схема.jpg
Просмотров: 1195
Размер:	85.0 Кб
ID:	40283   Нажмите на изображение для увеличения
Название: IMG_20150605_130439.jpg
Просмотров: 1138
Размер:	46.9 Кб
ID:	40284  
Вложения
Тип файла: zip БП.zip (411.7 Кб, 553 просмотров)

Последний раз редактировалось demtro; 26.06.2015 в 15:43.
demtro вне форума   Ответить с цитированием
Старый 26.06.2015, 16:45   #830
technics10
Новый Пользователь
 
Регистрация: 01.06.2014
Город: Иркутск
Регион: 38
Сообщений: 24
technics10 is on a distinguished road
По умолчанию

Всем добрый день! Подскажите как можно реализовать сон/пробуждение по АСС.
Планшет DNS 72w, к otg разъему подключен ИК приемник, на USB host подключен хаб а к нему dac+флешка.
Возможно на usb разъем(он же otg)подать +5в когда он находиться в режиме otg для пробуждения?
technics10 вне форума   Ответить с цитированием
Ответ


Здесь присутствуют: 1 (пользователей: 0 , гостей: 1)
 

Ваши права в разделе
Вы не можете создавать новые темы
Вы не можете отвечать в темах
Вы не можете прикреплять вложения
Вы не можете редактировать свои сообщения

BB коды Вкл.
Смайлы Вкл.
[IMG] код Вкл.
HTML код Выкл.



Часовой пояс GMT +4, время: 20:58.


Работает на vBulletin® версия 3.8.4.
Copyright ©2000 - 2026, Jelsoft Enterprises Ltd.
Перевод: zCarot