PCCar.ru - Ваш автомобильный компьютер

Вернуться   PCCar.ru - Ваш автомобильный компьютер > MP3Car ТехИнфа > Разработка устройств

Ответ
 
Опции темы Поиск в этой теме
Старый 27.08.2007, 05:44   #41
aptm
Гуру
 
Аватар для aptm
 
Регистрация: 04.11.2005
Город: Москва
Регион: 77, 97, 99, 177
Машина: VW Passat Variant
Сообщений: 1,425
aptm is a splendid one to beholdaptm is a splendid one to beholdaptm is a splendid one to beholdaptm is a splendid one to beholdaptm is a splendid one to beholdaptm is a splendid one to beholdaptm is a splendid one to behold
По умолчанию

Цитата:
Сообщение от Mamont Посмотреть сообщение
полазь на савеловском там найдеш переходник для винта
или поиши на molotok.ru там тоже видел я
Или тут
aptm вне форума   Ответить с цитированием
Старый 27.08.2007, 14:56   #42
flipper
Пользователь
 
Регистрация: 14.01.2007
Возраст: 42
Город: Москва
Машина: VW Golf,VW Corrado
Сообщений: 15
flipper is on a distinguished road
По умолчанию

Спасибо большое за наводку..Как только случится чудо и у меня будет выходной поеду закупаться.
flipper вне форума   Ответить с цитированием
Старый 30.08.2007, 18:43   #43
Alex1972
Пользователь
 
Регистрация: 30.01.2007
Возраст: 53
Город: Жигулевск
Регион: 63, 163
Машина: 2006\ВАЗ\21124
Сообщений: 43
Alex1972 is on a distinguished road
По умолчанию

Привет всем.

Хочу немного предостеречь. Эта плата плохо запускается (с 5-го - 20-го раза) с БП SL Lite, cхема которого выложена на нашем сайте. После пуска вентиляторы крутятся, но бивис не инециализируется. Все енто связано с немного не корректной реализацией сигнала PG в Lite версии БП. Вообщем я решил данную проблему следующим образом, выкладываю маленькую схемку на LM393.



2+5-я ноги LM-ки идут на 2-ю ногу TL494
6-я нога припаивается туда же, куда идет провод от АТХ разъема PS-ON
Vref идет на 13,14,15 ногу TL494
Провод от АТХ разъема PG отпаиваем от БП и припаиваем к 1-й ноге LM-ки

Вроде все, цена переделки 15-ть руб.
Миниатюры
Нажмите на изображение для увеличения
Название: PG.jpg
Просмотров: 4321
Размер:	10.8 Кб
ID:	3646  
Alex1972 вне форума   Ответить с цитированием
Старый 30.08.2007, 20:51   #44
Menen
Старший Пользователь
 
Регистрация: 02.04.2007
Возраст: 44
Город: Череповец
Регион: 35
Машина: 2000\Opel\AstraЖ
Сообщений: 248
Menen is on a distinguished road
По умолчанию

Цитата:
Сообщение от Alex1972 Посмотреть сообщение
Привет всем.

Хочу немного предостеречь. Эта плата плохо запускается (с 5-го - 20-го раза) с БП SL Lite, cхема которого выложена на нашем сайте. После пуска вентиляторы крутятся, но бивис не инециализируется. Все енто связано с немного не корректной реализацией сигнала PG в Lite версии БП. Вообщем я решил данную проблему следующим образом, выкладываю маленькую схемку на LM393.



2+5-я ноги LM-ки идут на 2-ю ногу TL494
6-я нога припаивается туда же, куда идет провод от АТХ разъема PS-ON
Vref идет на 13,14,15 ногу TL494
Провод от АТХ разъема PG отпаиваем от БП и припаиваем к 1-й ноге LM-ки

Вроде все, цена переделки 15-ть руб.

Большой респект!!!! Действительно со схемой Лайт БП СЛ проблемы с этой материнкой. Правда схемка не очень понятна
Menen вне форума   Ответить с цитированием
Старый 30.08.2007, 22:03   #45
Alex1972
Пользователь
 
Регистрация: 30.01.2007
Возраст: 53
Город: Жигулевск
Регион: 63, 163
Машина: 2006\ВАЗ\21124
Сообщений: 43
Alex1972 is on a distinguished road
По умолчанию

Цитата:
Сообщение от Menen Посмотреть сообщение
Большой респект!!!! Действительно со схемой Лайт БП СЛ проблемы с этой материнкой. Правда схемка не очень понятна
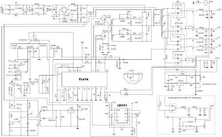
Посмотри вот эту схему и все станет ясно......

Нажмите на изображение для увеличения
Название: atx.jpg
Просмотров: 2874
Размер:	24.2 Кб
ID:	3647
Alex1972 вне форума   Ответить с цитированием
Старый 30.08.2007, 22:06   #46
Alex1972
Пользователь
 
Регистрация: 30.01.2007
Возраст: 53
Город: Жигулевск
Регион: 63, 163
Машина: 2006\ВАЗ\21124
Сообщений: 43
Alex1972 is on a distinguished road
По умолчанию

Вот еще архив со схемой в нем качество получше....

atx.rar
Alex1972 вне форума   Ответить с цитированием
Старый 30.08.2007, 22:38   #47
Menen
Старший Пользователь
 
Регистрация: 02.04.2007
Возраст: 44
Город: Череповец
Регион: 35
Машина: 2000\Opel\AstraЖ
Сообщений: 248
Menen is on a distinguished road
По умолчанию

Спасиб
Menen вне форума   Ответить с цитированием
Старый 17.09.2007, 00:48   #48
Vzik
Старший Пользователь
 
Регистрация: 10.06.2006
Возраст: 53
Город: Ярославль
Регион: 76
Машина: 2006\Ford\Maverick
Сообщений: 221
Vzik is on a distinguished road
По умолчанию

Сегодня перебрал свой VIA Voom PC на Intel, блок питания M1 прекрасно тянет обсуждаемую мать, заодно обновил БИОС - до версии 1.03

http://downloadcenter.intel.com/down...ndent&lang=eng
Vzik вне форума   Ответить с цитированием
Старый 17.09.2007, 16:56   #49
Vl@dK
Старший Пользователь
 
Регистрация: 25.11.2006
Возраст: 56
Город: Москва
Регион: 77, 97, 99, 177
Машина: ФФ2 и КИА Соренто
Сообщений: 798
Vl@dK is a jewel in the roughVl@dK is a jewel in the roughVl@dK is a jewel in the roughVl@dK is a jewel in the rough
По умолчанию

Купил эту мать, ваяю системник на базе Чип-диповского корпуса и Серегиного БП.
Vl@dK вне форума   Ответить с цитированием
Старый 19.09.2007, 01:34   #50
ruslan188
Пользователь
 
Регистрация: 22.10.2005
Город: KAZAN
Машина: FF2
Сообщений: 43
ruslan188 is on a distinguished road
По умолчанию

Цитата:
Действительно со схемой Лайт БП СЛ проблемы с этой материнкой
Ребята.... а у мня тож вентиля крутятся 3 сек и вырубаются а иногда неделями отлично пашет.... у мня блок вроде не лайт.. с мозгами на борту.. которые отключил..


тупик кароче.. в чём дело не пойму... мож биос обновить
ruslan188 вне форума   Ответить с цитированием
Ответ


Здесь присутствуют: 1 (пользователей: 0 , гостей: 1)
 

Ваши права в разделе
Вы не можете создавать новые темы
Вы не можете отвечать в темах
Вы не можете прикреплять вложения
Вы не можете редактировать свои сообщения

BB коды Вкл.
Смайлы Вкл.
[IMG] код Вкл.
HTML код Выкл.



Часовой пояс GMT +4, время: 13:31.


Работает на vBulletin® версия 3.8.4.
Copyright ©2000 - 2026, Jelsoft Enterprises Ltd.
Перевод: zCarot