PCCar.ru - Ваш автомобильный компьютер

Вернуться   PCCar.ru - Ваш автомобильный компьютер > MP3Car ТехИнфа > Мониторы > Матрицы для CarPC > Матрицы до 7 дюймов

Ответ
 
Опции темы Поиск в этой теме
Старый 25.02.2015, 22:09   #1
kourza
Пользователь
 
Регистрация: 07.09.2011
Возраст: 62
Город: Львов
Регион: Украина
Машина: А6 2,5 TDI Quattro 1996 г.
Сообщений: 76
kourza is on a distinguished road
По умолчанию Монитор на LMS700JF04

Купил у наших друзей комплект на LMS700JF04, собрал, подключил. Изображение бледное и сильно греется нижняя часть самой матрицы. Кто может подсказать куда копать?
Миниатюры
Нажмите на изображение для увеличения
Название: LMS700JF04.jpg
Просмотров: 938
Размер:	107.7 Кб
ID:	38962  
kourza вне форума   Ответить с цитированием
Старый 25.02.2015, 22:27   #2
kourza
Пользователь
 
Регистрация: 07.09.2011
Возраст: 62
Город: Львов
Регион: Украина
Машина: А6 2,5 TDI Quattro 1996 г.
Сообщений: 76
kourza is on a distinguished road
По умолчанию

Дополню. Дополнительная платка, как я понимаю, драйвер питания подсветки (там стоит SAQ8818). Если его от матрицы отключить, то монитор тухнет (естественно) и нету нагрева. В даташите на матрицу указано, что в ней три линейки светодиодов и каждая потребляет 25 мА (суммарно 75 мА) но не указано напряжение. Может этот драйвер дает неправильное (завышеное) напряжение, но тогда почему греется только низ матрицы? Подскажите.
kourza вне форума   Ответить с цитированием
Старый 26.02.2015, 00:01   #3
Leobor
Старший Пользователь
 
Регистрация: 13.05.2014
Возраст: 59
Город: Воронеж
Регион: 36
Машина: Hyundai S-Fe I
Сообщений: 799
Leobor has a brilliant futureLeobor has a brilliant futureLeobor has a brilliant futureLeobor has a brilliant futureLeobor has a brilliant futureLeobor has a brilliant futureLeobor has a brilliant futureLeobor has a brilliant futureLeobor has a brilliant futureLeobor has a brilliant futureLeobor has a brilliant future
По умолчанию

Если в даташите все нарисовано правильно, то на каждую гирлянду из 8 светодиодов напряжение должно поступать примерно 24В.
Все светодиоды сосредоточены внизу (выходит так) - поэтому и греется только низ. Насколько горячий низ? Светодиоды разогревают свое место в матрице градусов до 40 как минимум... Может так и должно быть?
Leobor вне форума   Ответить с цитированием
Старый 26.02.2015, 10:05   #4
kourza
Пользователь
 
Регистрация: 07.09.2011
Возраст: 62
Город: Львов
Регион: Украина
Машина: А6 2,5 TDI Quattro 1996 г.
Сообщений: 76
kourza is on a distinguished road
По умолчанию

Нагревается очень сильно, палец не удержать и начинае вылазить темное пятно снизу. Драйвер питания HBT-LED02 PCB1.0 Мне не понятно, если напряжение завышено, то нагрев понятен, но почему светит тускло? Если напряжение занижено, понятно свет тусклый, но тогда откуда нагрев?
kourza вне форума   Ответить с цитированием
Старый 26.02.2015, 11:17   #5
Leobor
Старший Пользователь
 
Регистрация: 13.05.2014
Возраст: 59
Город: Воронеж
Регион: 36
Машина: Hyundai S-Fe I
Сообщений: 799
Leobor has a brilliant futureLeobor has a brilliant futureLeobor has a brilliant futureLeobor has a brilliant futureLeobor has a brilliant futureLeobor has a brilliant futureLeobor has a brilliant futureLeobor has a brilliant futureLeobor has a brilliant futureLeobor has a brilliant futureLeobor has a brilliant future
По умолчанию

Цитата:
Сообщение от kourza Посмотреть сообщение
Нагревается очень сильно, палец не удержать и начинае вылазить темное пятно снизу.
Это неправильно, так быть не должно. А "темное пятно" - это вообще можно матрицу убить.
Цитата:
Сообщение от kourza Посмотреть сообщение
...если напряжение завышено, то нагрев понятен, но почему светит тускло? Если напряжение занижено, понятно свет тусклый, но тогда откуда нагрев?
Померьте напругу.
Хотя, что то мне подсказывает, что уже ничего хорошего не получится. Как бы не пришлось возвращать...
Leobor вне форума   Ответить с цитированием
Старый 26.02.2015, 11:30   #6
kourza
Пользователь
 
Регистрация: 07.09.2011
Возраст: 62
Город: Львов
Регион: Украина
Машина: А6 2,5 TDI Quattro 1996 г.
Сообщений: 76
kourza is on a distinguished road
По умолчанию

Взял этот драйвер подсветки на работу, сейчас его поюзаем. Дефект скорее всего именно в нем. Может пульсации сильные идут (тогда и нагрев и тусклое свечение как то обьяснимо).
kourza вне форума   Ответить с цитированием
Старый 26.02.2015, 13:20   #7
kourza
Пользователь
 
Регистрация: 07.09.2011
Возраст: 62
Город: Львов
Регион: Украина
Машина: А6 2,5 TDI Quattro 1996 г.
Сообщений: 76
kourza is on a distinguished road
По умолчанию

Пока нарыл, что драйвер выдает на 1 кОм нагрузки 55 В и ток 500 мА
Т.е. он должен стабилизировать ток на уровне максимум 75 мА а валит 500.
kourza вне форума   Ответить с цитированием
Старый 26.02.2015, 13:44   #8
Leobor
Старший Пользователь
 
Регистрация: 13.05.2014
Возраст: 59
Город: Воронеж
Регион: 36
Машина: Hyundai S-Fe I
Сообщений: 799
Leobor has a brilliant futureLeobor has a brilliant futureLeobor has a brilliant futureLeobor has a brilliant futureLeobor has a brilliant futureLeobor has a brilliant futureLeobor has a brilliant futureLeobor has a brilliant futureLeobor has a brilliant futureLeobor has a brilliant futureLeobor has a brilliant future
По умолчанию

Цитата:
Сообщение от kourza Посмотреть сообщение
Пока нарыл, что драйвер выдает на 1 кОм нагрузки 55 В и ток 400 мА
... ахиреть?
Попробуйте пока с такими результатами не мучить светодиоды, а мерить на нагрузке из резистора. В среднем каждый светодиод светит при напряжении 3В. Если их 8 последовательно - значит 24В. Три гирлянды на общий ток 75мА. Значит 24/0,075=320 (ом), 24*0,075=1.8(Вт). Значит надо взять резистор 330Ом 2...5Вт и мучить его в качестве нагрузки (ну и не забывать студить по необходимости). Основная задача - получить на нем 24В
Leobor вне форума   Ответить с цитированием
Старый 26.02.2015, 17:06   #9
kourza
Пользователь
 
Регистрация: 07.09.2011
Возраст: 62
Город: Львов
Регион: Украина
Машина: А6 2,5 TDI Quattro 1996 г.
Сообщений: 76
kourza is on a distinguished road
По умолчанию

По току неправильно померял, ток идет 55 мА на 1 кОм нагрузки и 55 В
На нагрузке 500 ом ток идет 109 мА и 53 В
Т.е. этот драйвер выдает на выходе максимум что может (55-60 В) и никакой стабилизации тока нету.
А может китайцы недоделали и надо просто в цепь питания саетодиодов впаять гасящий резистор и выставить им ток в 60 мА а сам этот драйвер это просто преобразователь с 12 в 55 В?

Последний раз редактировалось kourza; 26.02.2015 в 18:10.
kourza вне форума   Ответить с цитированием
Старый 27.02.2015, 13:44   #10
kourza
Пользователь
 
Регистрация: 07.09.2011
Возраст: 62
Город: Львов
Регион: Украина
Машина: А6 2,5 TDI Quattro 1996 г.
Сообщений: 76
kourza is on a distinguished road
По умолчанию

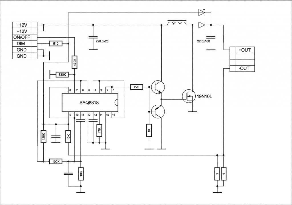
Вот, срисовал схему этого драйвера. Кто то может подсказать, на какие выходные параметры она расчитана?
Миниатюры
Нажмите на изображение для увеличения
Название: HBT-LED02.jpg
Просмотров: 1720
Размер:	60.9 Кб
ID:	38983  
kourza вне форума   Ответить с цитированием
Ответ


Здесь присутствуют: 1 (пользователей: 0 , гостей: 1)
 

Ваши права в разделе
Вы не можете создавать новые темы
Вы не можете отвечать в темах
Вы не можете прикреплять вложения
Вы не можете редактировать свои сообщения

BB коды Вкл.
Смайлы Вкл.
[IMG] код Вкл.
HTML код Выкл.



Часовой пояс GMT +4, время: 17:52.


Работает на vBulletin® версия 3.8.4.
Copyright ©2000 - 2025, Jelsoft Enterprises Ltd.
Перевод: zCarot