PCCar.ru - Ваш автомобильный компьютер

Вернуться   PCCar.ru - Ваш автомобильный компьютер > MP3Car ТехИнфа > АвтоЗвук > Усилители

Ответ
 
Опции темы Поиск в этой теме
Старый 10.01.2015, 16:44   #331
bolwoi
Старший Пользователь
 
Регистрация: 08.10.2012
Возраст: 40
Город: Новочеркасск
Регион: 61
Машина: Nissan Almera Classic
Сообщений: 206
bolwoi is on a distinguished road
По умолчанию

Цитата:
Сообщение от ClipoMan Посмотреть сообщение
Здравствуйте Alex-L
Собрал усилитель, стал настраивать.
Запустил MQ4x50 Программа управления (rev.2.1)
Окно программки открывается на половину. Расширить не получается никак. Почему так?
Ладно, залез в .ini, там выставил нстройки. Но при отключении усилителя, а источник звука не отключаю (комп напрямую а услитель через релешку от АСС) и повторного включения (подания напряжения на усилитель) - звука нет, только небольшой естественный фон включается.
При запуске программки управления, звук сразу появляется.
Win 8.1 х32
Со звуком тоже самое. При отключении питания и его подаче (когда завожу машину, например) звук пропадает. Решил (смирился) нажатием горячих клавиш изменения громкости усилителя (с руля). Тобишь нет звука, клацнул разок на громкость, и все.
bolwoi вне форума   Ответить с цитированием
Старый 10.01.2015, 17:30   #332
Xellow
Старший Пользователь
 
Регистрация: 23.02.2010
Город: Смоленск
Регион: 67
Машина: Sportage 3
Сообщений: 165
Xellow will become famous soon enoughXellow will become famous soon enough
По умолчанию

У меня просто USB усилка отключен от компа - когда надо залезть в конфиг - включаю... Звук соответственно не отключается.
Xellow вне форума   Ответить с цитированием
Старый 10.01.2015, 17:46   #333
ClipoMan
Пользователь
 
Регистрация: 10.03.2013
Регион: 70
Сообщений: 71
ClipoMan is on a distinguished road
По умолчанию

Цитата:
Сообщение от Xellow Посмотреть сообщение
У меня просто USB усилка отключен от компа - когда надо залезть в конфиг - включаю... Звук соответственно не отключается.
Не пробовал.
Вооще, хотел сразу отключить, но подумал что настройки еще будут и оставил.
Получается что нужно просто откинуть усбшник?
ClipoMan вне форума   Ответить с цитированием
Старый 10.01.2015, 20:04   #334
Xellow
Старший Пользователь
 
Регистрация: 23.02.2010
Город: Смоленск
Регион: 67
Машина: Sportage 3
Сообщений: 165
Xellow will become famous soon enoughXellow will become famous soon enough
По умолчанию

У меня именно при подкл USB вырубается звук.
Xellow вне форума   Ответить с цитированием
Старый 16.03.2015, 16:40   #335
Wolfik_s_b
Старший Пользователь
 
Регистрация: 06.03.2014
Возраст: 37
Город: Москва, Подольск, Коломна, Рязань
Регион: 50, 90, 150
Машина: Mitsubishi Grandis
Сообщений: 199
Wolfik_s_b is on a distinguished road
По умолчанию

Никто не подскажет аналог данного усилителя, а то уже приобрести никак нельзя, а вещь нужная. При том важно, чтобы было минимум два входных канала, которые бы из виндоса переключались при необходимости. Выход на 4 динамика.
__________________
Мой проект
Wolfik_s_b вне форума   Ответить с цитированием
Старый 18.03.2015, 13:10   #336
mendisabal
Гуру
 
Аватар для mendisabal
 
Регистрация: 05.10.2012
Возраст: 44
Город: Краснодар
Регион: 23, 93
Машина: Subaru impreza 08
Сообщений: 1,786
mendisabal is a name known to allmendisabal is a name known to allmendisabal is a name known to allmendisabal is a name known to allmendisabal is a name known to allmendisabal is a name known to all
По умолчанию

тот что в теме "стерео" усилитель ,но каналы микширует ,настраиваемо .
__________________
Win 10 , ZOTAC Z68-ITX WiFi Supreme + i7 3770S + crucial M4 256 , gt430 + VS-TY2662-V1 + n101bcg-l21 , Xonar DX + ВА 3121 + BM2032 + Pioneer TS-F650C .
избыток свободного времени + острое желание быть не таким как все открывают бесконечные горизонты творчества в скудном пространстве возможностей
mendisabal вне форума   Ответить с цитированием
Старый 17.08.2015, 16:09   #337
Wolfik_s_b
Старший Пользователь
 
Регистрация: 06.03.2014
Возраст: 37
Город: Москва, Подольск, Коломна, Рязань
Регион: 50, 90, 150
Машина: Mitsubishi Grandis
Сообщений: 199
Wolfik_s_b is on a distinguished road
По умолчанию

Цитата:
Сообщение от Alex-L Посмотреть сообщение
Конденсатор поставить на полочку - на память. Нафик он не нужен, да еще, как выяснилось - звук портит.
Последовательно к питанию ничего подключать нельзя!
Питание усилителя подключается к ножевым клеммам, согласно схеме подключения:

1) Вы говорите, что кондер не нужен и приводите схему, где конденсатор по питанию стоит. Может я неправильно понял, но все-таки между + и - питания кондер нужен или нет?

2) Вопрос по поводу земли и экрана. У меня к материнской плате на вход микрофона заходит аудиосигнал с Directed HD Radio. Надо ли соединять землю сигнала с радио на мать, если питание радио с платы PC2.0 берется и минус питания с общей точки всей системы? Т.к. аудиопровод буду делать сам, а не покупной использовать, то еще и по экрану вопрос - где его заземлять, а где оставить висящим?

3) Далее аудиовыход с материнки заходит на первый вход усилителя (тут все ясно, со стороны материнки экран заземляю, минус не тащу). Во второй вход усилителя планируется обычный компьютерный микрофон. У него тоже экран кабеля землить со стороны микрофона? Тут уж придется еще и минус завести на усь - не может возникнуть помехи при этом? Третий вход усилителя будет просто линейным входом. Тут тоже придется минус тащить и тот же самый вопрос на счет экрана - нужно ли его землить со стороны устройства и оставлять висеть неподключенным со стороны уся?
__________________
Мой проект
Wolfik_s_b вне форума   Ответить с цитированием
Старый 17.08.2015, 16:21   #338
Wolfik_s_b
Старший Пользователь
 
Регистрация: 06.03.2014
Возраст: 37
Город: Москва, Подольск, Коломна, Рязань
Регион: 50, 90, 150
Машина: Mitsubishi Grandis
Сообщений: 199
Wolfik_s_b is on a distinguished road
По умолчанию

Схема всех компонентов с соединениями:
https://cloud.mail.ru/public/NHbP/YbTAQpSee
Толстыми линиями показаны силовые провода питания, тонкими - сигнальные. Зигзагообразные линии - экран аудиотрактов. Зелеными отмечены те, которые под вопросом как соединять.
__________________
Мой проект
Wolfik_s_b вне форума   Ответить с цитированием
Старый 13.03.2016, 17:45   #339
Wolfik_s_b
Старший Пользователь
 
Регистрация: 06.03.2014
Возраст: 37
Город: Москва, Подольск, Коломна, Рязань
Регион: 50, 90, 150
Машина: Mitsubishi Grandis
Сообщений: 199
Wolfik_s_b is on a distinguished road
По умолчанию

Наконец дошли руки до пробного включения усилка. Звук - класс! При работе от комповского БП, который сейчас использую как настольный источник питания для всего, никаких шумов и наводок нет! НО!!!!! Есть очень большое НО - при подключенном усб к компу. По сообщению чуть выше - для меня важно переключение из винды входов, поэтому и решил приобретать данный усь взамен мастеркитовскому и китайскому. В связи с этим миниквад должен быть всегда подключен в усб карписи. Так вот, если подать питание на усь при его подключенном усб - звука не будет пока не передернуть усб или пока не двинуть один из ползунков в проге управления.... По сообщениям с предпоследней и последней страницы видно, что это у всех так, кто на усб завязан.... Уважаемые разрабы - как можно исправить такой баг? Ведь, в принципе, покупался усилок из-за того, что программно реализовано переключение входов, а тут - беда такая(((
__________________
Мой проект
Wolfik_s_b вне форума   Ответить с цитированием
Старый 14.03.2016, 22:59   #340
MasterofCDM
Новый Пользователь
 
Регистрация: 08.06.2015
Возраст: 47
Регион: 10
Машина: Rover 75
Сообщений: 6
MasterofCDM is on a distinguished road
По умолчанию

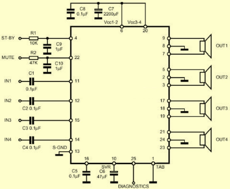
Беда с усилителем(( Щелчки как у метронома, не реагирует на вход абсолютно, посему вопрос: нашел схему pal007a, согласно которой 11, 12, 14, 15 ноги вход оконечника, если я на одну из этих ног встану к примеру наушником, смогу ли я чего услышать? Ну чтобы убедиться, что схема работает, а оконечник мертв.http://www.pccar.ru/attachment.php?a...1&d=1457981409

Все-таки помер темброблок(( Перепаял на аналог PT7313E и теперь все поет)))
Миниатюры
Нажмите на изображение для увеличения
Название: pal007-10-.jpg
Просмотров: 1274
Размер:	82.0 Кб
ID:	43005  

Последний раз редактировалось MasterofCDM; 23.03.2016 в 14:04.
MasterofCDM вне форума   Ответить с цитированием
Ответ


Здесь присутствуют: 1 (пользователей: 0 , гостей: 1)
 

Ваши права в разделе
Вы не можете создавать новые темы
Вы не можете отвечать в темах
Вы не можете прикреплять вложения
Вы не можете редактировать свои сообщения

BB коды Вкл.
Смайлы Вкл.
[IMG] код Вкл.
HTML код Выкл.



Часовой пояс GMT +4, время: 15:11.


Работает на vBulletin® версия 3.8.4.
Copyright ©2000 - 2026, Jelsoft Enterprises Ltd.
Перевод: zCarot