PCCar.ru - Ваш автомобильный компьютер

Вернуться   PCCar.ru - Ваш автомобильный компьютер > MP3Car ТехИнфа > Общение с машиной

Результаты опроса: Интерфейс программы TECU-III ...
меня устраивает 142 41.04%
требуется потратить время на переделку - пользоваться очень неудобно 15 4.34%
устраивает, но хорошо бы внести несерьезные измененния 34 9.83%
сойдет, лучше тратить время на добавление в программу поддержку новых модулей 146 42.20%
другой вариант 9 2.60%
Голосовавшие: 346. Вы ещё не голосовали в этом опросе

Закрытая тема
 
Опции темы Поиск в этой теме
Старый 17.02.2014, 06:18   #1861
DimaM75
Пользователь
 
Регистрация: 16.02.2014
Возраст: 46
Город: Чита
Регион: 75
Машина: Приус 10ка
Сообщений: 31
DimaM75 is on a distinguished road
По умолчанию

Сегодня если успею, то попробую схему начертить, куда что заходит, знаю точно что приборка, двери, экран, кондюшник подключены к разъему, я делал лет 5ть или 6ть назад адаптер для форда, вот его подключал для пробы к приусу, фордовская прога когда опрашивал машину, то все моргало и переключалось самопроизвольно, я тогда сильно то и не хотел возиться с адаптером и прогами, был нормальный сканер, сканер на СТО уронили, в Москве его доломали, подменили платы, есть проги от многих сканеров, с них можно что выдернуть в эту программу? Попробую так же промониторить СОМ-порт при скане EMPS, цифровой осциллограф мне спалили, а то сразу бы выложил опрос и полностью все параметры,но увы
DimaM75 вне форума  
Старый 17.02.2014, 07:29   #1862
Valentin8080
Старший Пользователь
 
Регистрация: 17.02.2010
Возраст: 46
Регион: 03
Машина: Toyota Corolla
Сообщений: 980
Valentin8080 is a jewel in the roughValentin8080 is a jewel in the roughValentin8080 is a jewel in the rough
По умолчанию

Цитата:
Сообщение от klay Посмотреть сообщение
Вот логи подключения версией 3.5.1.4, когда были непонятки со спец.функциями. Наверно уже не актуально. Но просьба глянуть - было очень нестабильное подключение. Я думаю из-за того, что я переделал шнур на своем проверенном мастеркитовском адаптере - поставил китайский разъем OBDII и кусок витой пары. Щас глянул, на китайском разъеме контакты 4 и 5 спаяны вместе. До этого стоял разъем, на котором минус подключался только через 4 контакт. Могут из-за этого быть проблемы с подключением? Или 1,5 метра витой пары оказалось много... До этого был провод свитый из жилок, длиной 80см и другой разъем.
На всякий случай на китайском разъеме отрезал дорожку от 5 контакта, на днях постараюсь проверить стабильность коннекта.
А мож я с витой парой перемудрил? Использовал пару за жилу. Т.е.
б.орж + орж = плюс
б.син + син = минус
б.зел + зел = K-line
б.кор + кор = L-line.
Блин, не думал, что после замены провода с разъемом адаптер может начать глючить. Абыдно, так все в термоусадку плотно укатал, щас резать придется.
Проблема скорей с компом, а не с проводами - начал притормаживать. У XP есть такое - надо систему переставлять периодически. Проще всего держать сохраненку и восстанавливать при надобности.
__________________
Мой отчет TOYOTA COROLLA 2004
Valentin8080 вне форума  
Старый 17.02.2014, 07:35   #1863
Valentin8080
Старший Пользователь
 
Регистрация: 17.02.2010
Возраст: 46
Регион: 03
Машина: Toyota Corolla
Сообщений: 980
Valentin8080 is a jewel in the roughValentin8080 is a jewel in the roughValentin8080 is a jewel in the rough
По умолчанию

Цитата:
Сообщение от DimaM75 Посмотреть сообщение
Сегодня если успею, то попробую схему начертить, куда что заходит, знаю точно что приборка, двери, экран, кондюшник подключены к разъему, я делал лет 5ть или 6ть назад адаптер для форда, вот его подключал для пробы к приусу, фордовская прога когда опрашивал машину, то все моргало и переключалось самопроизвольно, я тогда сильно то и не хотел возиться с адаптером и прогами, был нормальный сканер, сканер на СТО уронили, в Москве его доломали, подменили платы, есть проги от многих сканеров, с них можно что выдернуть в эту программу? Попробую так же промониторить СОМ-порт при скане EMPS, цифровой осциллограф мне спалили, а то сразу бы выложил опрос и полностью все параметры,но увы
Никто еще из владельцев 10-го приуса не говорил, что подключался к блокам, отличным от EFI, ABS, EMPS, SRS, HV, HVBAT. Так что схемы проверь, что от этих блоков идет именно на 7-й контакт DLC3.
Про подключение я имею ввиду не только TECU-III но и Toyota TechStream.
Мониторить ком-порт думаю безполезно, нужен именно осциллограф.
На счет EMPS попробуй в файле TECU3\ECU\TOYOTA\EMPS0\dev.ini поменять выделенный параметр:
9600
60
3
0
35
15
05
32
F0
32
__________________
Мой отчет TOYOTA COROLLA 2004
Valentin8080 вне форума  
Старый 17.02.2014, 14:33   #1864
Valentin8080
Старший Пользователь
 
Регистрация: 17.02.2010
Возраст: 46
Регион: 03
Машина: Toyota Corolla
Сообщений: 980
Valentin8080 is a jewel in the roughValentin8080 is a jewel in the roughValentin8080 is a jewel in the rough
По умолчанию

Цитата:
Сообщение от jurassan Посмотреть сообщение
Попробовал последнию TECU с VAG--ом.
На ПАНФАЙДЕРЕ 2.5 AT видит движок ( давление в системе большое - где-то запятую нужно поставить ). АБС -нормуль , только обороты без запятой. AT -видит и ошибки.
На X-trail 2.5 MCVT видит движок,АБС,Варик,SRS. В принципе понимаемо!
Для обоих авто нужна доп опция остро- обучение положения руля! Если можно активируйте.
Мелочи отточаться в проге ,а так большой прорыв ! Спасибо !
В новой версии TECU-III v3.5.1.7 добавлены спец. функции Nissan ABSv5 (обучение положения руля в том числе).
__________________
Мой отчет TOYOTA COROLLA 2004
Valentin8080 вне форума  
Старый 17.02.2014, 22:05   #1865
asdASD
Пользователь
 
Аватар для asdASD
 
Регистрация: 08.03.2012
Возраст: 71
Город: Коломна
Регион: 50, 90, 150
Машина: Тойота Авенсис
Сообщений: 61
asdASD is on a distinguished road
По умолчанию

Valentin8080
А компьютер и операционку? Если будешь менять операционку пробуй на чистой, без всякого дополнительного ПО (антивирус и т.п.).
Еще добавлю, при поиске а также при первом инициализационном запросе RTO=300 всегда.
Да и при смене связь с ECU EFI то нормальной стала или нет? У тебя так то Calibration ID должен быть в InfoECU а возможно и VIN, но они не считываются.

Поменял операционку на 32-х битную семерку. Адаптер VAG K+CAN Commander 1.4.
На чистой операционке при поиске, а также при первом инициализационном запросе выставил в ABS - RTO=300.
1. При поиске блоков через кнопку KL обнаружились EFI и EMPS, ABS и SRS не найдены. После поиска открыл EFI и сделал опрос InfoECU и kadrRT (одно количество PID).
2. При опросе InfoECU при выборе EFI кнопкой вручную появляется большее количество PID и Calibration ID.
Валентин, посмотри пожалуйста, что не так. Спасибо. Логи прилагаю.

Последний раз редактировалось asdASD; 04.03.2017 в 18:03.
asdASD вне форума  
Старый 18.02.2014, 04:08   #1866
Valentin8080
Старший Пользователь
 
Регистрация: 17.02.2010
Возраст: 46
Регион: 03
Машина: Toyota Corolla
Сообщений: 980
Valentin8080 is a jewel in the roughValentin8080 is a jewel in the roughValentin8080 is a jewel in the rough
По умолчанию

Цитата:
Сообщение от asdASD Посмотреть сообщение
Valentin8080
А компьютер и операционку? Если будешь менять операционку пробуй на чистой, без всякого дополнительного ПО (антивирус и т.п.).
Еще добавлю, при поиске а также при первом инициализационном запросе RTO=300 всегда.
Да и при смене связь с ECU EFI то нормальной стала или нет? У тебя так то Calibration ID должен быть в InfoECU а возможно и VIN, но они не считываются.

Поменял операционку на 32-х битную семерку. Адаптер VAG K+CAN Commander 1.4.
На чистой операционке при поиске, а также при первом инициализационном запросе выставил в ABS - RTO=300.
1. При поиске блоков через кнопку KL обнаружились EFI и EMPS, ABS и SRS не найдены. После поиска открыл EFI и сделал опрос InfoECU и kadrRT (одно количество PID).
2. При опросе InfoECU при выборе EFI кнопкой вручную появляется большее количество PID и Calibration ID.
Валентин, посмотри пожалуйста, что не так. Спасибо. Логи прилагаю.
Не зависит от того вручную ты выбрал или через поиск. У тебя все также плохая связь. Я незнаю почему. RTO надо добавлять не на ABS а на EFI в первую очередь - у тебя там все глючит. Хотя можешь на каждый блок поставить как в течстриме - 100.
__________________
Мой отчет TOYOTA COROLLA 2004
Valentin8080 вне форума  
Старый 18.02.2014, 16:11   #1867
DEMOS
Пользователь
 
Регистрация: 10.03.2010
Возраст: 53
Город: Сухиничи
Регион: 40
Машина: Toyota Avensis 2001г.
Сообщений: 44
DEMOS is on a distinguished road
По умолчанию

Valentin8080

Установил Toyota TIS v9.00.025 опрос идет а ECU ответа нет. Посмотри на досуге что не так делаю. Адаптер мастеркит.
Вложения
Тип файла: rar j2534kcan.rar (6.3 Кб, 806 просмотров)
DEMOS вне форума  
Старый 18.02.2014, 19:21   #1868
DimaM75
Пользователь
 
Регистрация: 16.02.2014
Возраст: 46
Город: Чита
Регион: 75
Машина: Приус 10ка
Сообщений: 31
DimaM75 is on a distinguished road
По умолчанию

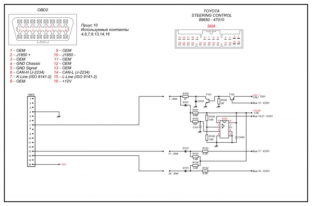
Начертил я схемку, завтра буду дальше возиться с прогой, то что ты написал.
Миниатюры
Нажмите на изображение для увеличения
Название: Схема OBD2 и EMPS.jpg
Просмотров: 906
Размер:	65.8 Кб
ID:	34809  
DimaM75 вне форума  
Старый 19.02.2014, 03:44   #1869
klay
Старший Пользователь
 
Регистрация: 20.03.2010
Возраст: 46
Город: Уссурийск (60км)
Регион: 25
Машина: Lada Granta Liftback 2015. (БЫЛ -Nissan Wingroad 4WD QG18 2003г АКПП)
Сообщений: 239
klay will become famous soon enough
По умолчанию

to Валентин: Или я что-то не так делаю, или так и должно быть? Раньше (давно) в проге было, что если открыть файл графика, то можно было включить запись нового графика с такими же пидами. Щас запись не включается. Эт специально сделано?

Как в таком случае можно быстро снимать графики заранее сохраненных параметров? Через рабочие среды? Если да, то как переносить рабочие среды в новые версии проги?

Или я ерунды наговорил?..
klay вне форума  
Старый 19.02.2014, 04:15   #1870
Valentin8080
Старший Пользователь
 
Регистрация: 17.02.2010
Возраст: 46
Регион: 03
Машина: Toyota Corolla
Сообщений: 980
Valentin8080 is a jewel in the roughValentin8080 is a jewel in the roughValentin8080 is a jewel in the rough
По умолчанию

Цитата:
Сообщение от klay Посмотреть сообщение
to Валентин: Или я что-то не так делаю, или так и должно быть? Раньше (давно) в проге было, что если открыть файл графика, то можно было включить запись нового графика с такими же пидами. Щас запись не включается. Эт специально сделано?

Как в таком случае можно быстро снимать графики заранее сохраненных параметров? Через рабочие среды? Если да, то как переносить рабочие среды в новые версии проги?

Или я ерунды наговорил?..
В программе сделано так, что любой коннект с автомобилем будет осуществляться только после прохождения InfoECU, либо через загрузку ранее сохраненной рабочей среды.
Рабочие среды хранятся в папке ECU/<Марка авто> в файлах с одноименным названием ECU + расширение sXX, где XX - порядковый номер среды. Но от версии к версии возможны изменения в структуре этих файлов, что делает невозможным такой перенос.
__________________
Мой отчет TOYOTA COROLLA 2004
Valentin8080 вне форума  
Закрытая тема

Метки
nissan, toyota, диагностика


Здесь присутствуют: 1 (пользователей: 0 , гостей: 1)
 

Ваши права в разделе
Вы не можете создавать новые темы
Вы не можете отвечать в темах
Вы не можете прикреплять вложения
Вы не можете редактировать свои сообщения

BB коды Вкл.
Смайлы Вкл.
[IMG] код Вкл.
HTML код Выкл.



Часовой пояс GMT +4, время: 00:46.


Работает на vBulletin® версия 3.8.4.
Copyright ©2000 - 2026, Jelsoft Enterprises Ltd.
Перевод: zCarot