PCCar.ru - Ваш автомобильный компьютер

Вернуться   PCCar.ru - Ваш автомобильный компьютер > MP3Car ТехИнфа > Сделай сам

Ответ
 
Опции темы Поиск в этой теме
Старый 31.05.2007, 02:59   #21
Wanted
Hello world!
 
Аватар для Wanted
 
Регистрация: 28.01.2007
Город: Moscow
Регион: 77, 97, 99, 177
Машина: BMW-320td-2001 BMW-E92-325XI
Сообщений: 1,209
Wanted will become famous soon enoughWanted will become famous soon enough
По умолчанию

Цитата:
Сообщение от Exial Посмотреть сообщение
Мои поздравления
Ну, ежели вдруг не защелкают, вот тебе альтернативный вариант (немного поменял схему, так вроде правильнее). В этом варианте нужно еще подрисовать обработку включения, потому как схема при выключенном компутере не сработает.
Ну и второй картинкой реализация схемы на 3-х микрухах (сугубо мое видиние ). Опять же, пока сырая - нужно добавить на выходе элементы, замыкающие контакты кнопок.

P.S. Вот картинка в нормальном размере, а то форум ее порезал.
Интересная тема, Сань а что за микрухи And и Inv? Как их подобия найти или это чисто твоя выдумка???
__________________
Мой mediaBMW

Прогресс постройки: [##########] 100%
Прогресс установки: [##########] 100%
Прогресс настройки: [#########-] 90% Почти до идеала

Видеонаблюдение в машине? ДА!
Wanted вне форума   Ответить с цитированием
Старый 31.05.2007, 12:42   #22
Exial
Старший Пользователь
 
Аватар для Exial
 
Регистрация: 02.11.2006
Возраст: 42
Город: Москва
Машина: Nissan Titan
Сообщений: 149
Exial is on a distinguished road
По умолчанию

Пардон, схему выложил недооформленную, потому как увидел движуху в теме, а спать уже сильно хотелось. ))
Мелкосхемки такие: inv - шесть инверторов в одном корпусе (Y-=NOT(A)), and - счетверенный модуль "И" (Y = A and B), 556 - два таймера 555 в одном корпусе. Все микрухи реальные, продаются в чипдипе за копейки, даташиты на них есть там же. Ссылки выложу вечерком из дома, сейчас не найду просто. Еще думаю сюда нужно будет приделать мелкосхемку 4066 (счетверенный свич) для замыкания кнопок mute и pw_on при подаче единицы на вход. Либо какие-нить оптопары.
Еще примечание по логической схеме: квадратик "форм. имп." - это блок формирования кратковременного нулевого испульса в момент нажатия кнопки энкодера - нужно для правильной работы таймеров.

Вчера еще забыл огласить фичи:
1. Компутер выключен.
1.1. Нажатие энкодера - ничего не происходит, потому как схема не запитана (подразумевается что берем +5v с БП). Нужно доработать. Кстати ежели схему запитать напрямую от борта через стабилизатор - то все будет работать красиво и без лишних реле.
2. Компутер включен.
2.2. Нажатие энкодера - ничего не происходит (только в недрах схемы запускаются 2 таймера - короткий и длинный, скажем 0,5 и 4 сек. Интервалы таймеров можно установить любые, независимо друг от друга).
2.3. Энкодер отпущен. Если кнопка отпущена до истечения короткого таймера, то срабатывает mute. Если в период между истечением короткого и длинного - то ничего не происходит.
2.4. Энкодер удерживается нажатым после истечения длинного таймера - замыкаются контакты pw_on и остаются замкнутыми до отпускания энкодера либо до выключения питания на схеме.

Таким образом, главное отличие от Пашиной системы - Мут замыкается только при отпускании кнопки не позднее чем период короткого таймера. Таким образом, если кнопка удерживается длительное время, то Мут не замыкается, а отрабатывается выключение компьютера. В итоге все стоит дешевле и не щелкает. )
В общем если есть желание повозиться подольше чем с релюшками, зато все сделать красиво и правильно, то могу попробовать печатку под это дело отрисовать. Под поверхностный монтаж.

P.S. Люди добрые, проверьте схему, а? ))

Последний раз редактировалось Exial; 31.05.2007 в 13:58.
Exial вне форума   Ответить с цитированием
Старый 02.06.2007, 03:59   #23
Wanted
Hello world!
 
Аватар для Wanted
 
Регистрация: 28.01.2007
Город: Moscow
Регион: 77, 97, 99, 177
Машина: BMW-320td-2001 BMW-E92-325XI
Сообщений: 1,209
Wanted will become famous soon enoughWanted will become famous soon enough
По умолчанию

Вообщем пока КАЛ, схема номер 1, работает но не так как отелось бы.
При выключении компа она снова его включает.... пока передумываю таймер.... думаю пойду по пути den_sad'a....
__________________
Мой mediaBMW

Прогресс постройки: [##########] 100%
Прогресс установки: [##########] 100%
Прогресс настройки: [#########-] 90% Почти до идеала

Видеонаблюдение в машине? ДА!
Wanted вне форума   Ответить с цитированием
Старый 02.06.2007, 15:29   #24
Wanted
Hello world!
 
Аватар для Wanted
 
Регистрация: 28.01.2007
Город: Moscow
Регион: 77, 97, 99, 177
Машина: BMW-320td-2001 BMW-E92-325XI
Сообщений: 1,209
Wanted will become famous soon enoughWanted will become famous soon enough
По умолчанию

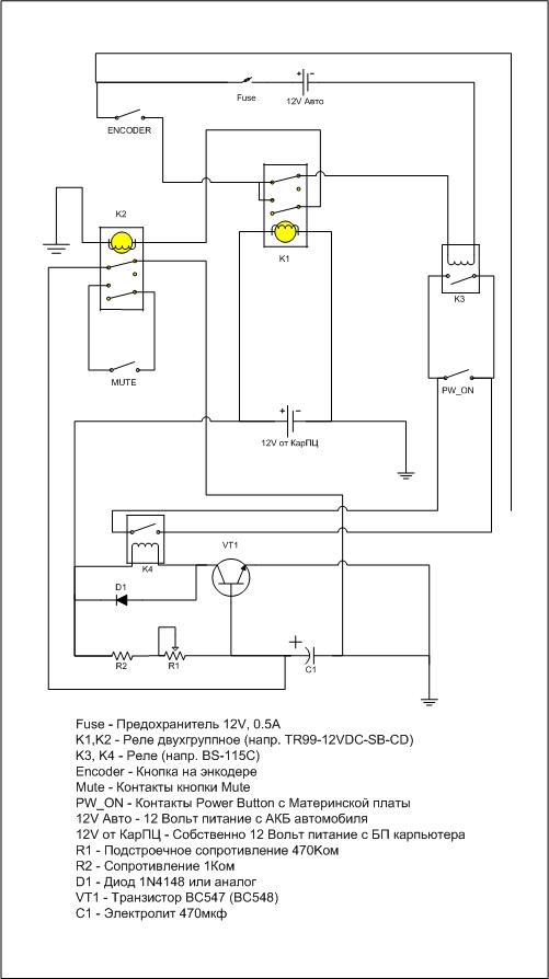
Пре-Финал. Все проще и дешевле. Работает как часы.
Миниатюры
Нажмите на изображение для увеличения
Название: Суперкнопка_карпц.jpg
Просмотров: 1470
Размер:	52.0 Кб
ID:	2941  
__________________
Мой mediaBMW

Прогресс постройки: [##########] 100%
Прогресс установки: [##########] 100%
Прогресс настройки: [#########-] 90% Почти до идеала

Видеонаблюдение в машине? ДА!

Последний раз редактировалось Wanted; 04.06.2007 в 12:42.
Wanted вне форума   Ответить с цитированием
Старый 04.06.2007, 17:02   #25
den_sad
Старший Пользователь
 
Регистрация: 04.05.2007
Город: Москва
Регион: 77, 97, 99, 177
Машина: 2000\Форд\Пума
Сообщений: 278
den_sad is on a distinguished road
По умолчанию

Цитата:
Сообщение от Wanted Посмотреть сообщение
Пре-Финал. Все проще и дешевле. Работает как часы.
Адоптировал мою схемку
den_sad вне форума   Ответить с цитированием
Старый 04.06.2007, 17:49   #26
Wanted
Hello world!
 
Аватар для Wanted
 
Регистрация: 28.01.2007
Город: Moscow
Регион: 77, 97, 99, 177
Машина: BMW-320td-2001 BMW-E92-325XI
Сообщений: 1,209
Wanted will become famous soon enoughWanted will become famous soon enough
По умолчанию

Цитата:
Сообщение от den_sad Посмотреть сообщение
Адоптировал мою схемку
Да За что тебе огромное спасибо и пиво на слете!!!!
__________________
Мой mediaBMW

Прогресс постройки: [##########] 100%
Прогресс установки: [##########] 100%
Прогресс настройки: [#########-] 90% Почти до идеала

Видеонаблюдение в машине? ДА!
Wanted вне форума   Ответить с цитированием
Старый 04.06.2007, 18:01   #27
Wanted
Hello world!
 
Аватар для Wanted
 
Регистрация: 28.01.2007
Город: Moscow
Регион: 77, 97, 99, 177
Машина: BMW-320td-2001 BMW-E92-325XI
Сообщений: 1,209
Wanted will become famous soon enoughWanted will become famous soon enough
По умолчанию

2 Z@GR:
Андрюх, где + 12В - подаешь ACC, выставляешь задержку с помощью потенциометра R1. На Реле K1 (нормально разомкнутое) скоммутируешь ACC на усилок и будет тебе счастье!
Миниатюры
Нажмите на изображение для увеличения
Название: включалка усилка с задержкой.jpg
Просмотров: 1447
Размер:	19.1 Кб
ID:	2960  
__________________
Мой mediaBMW

Прогресс постройки: [##########] 100%
Прогресс установки: [##########] 100%
Прогресс настройки: [#########-] 90% Почти до идеала

Видеонаблюдение в машине? ДА!
Wanted вне форума   Ответить с цитированием
Старый 22.06.2007, 01:21   #28
Exial
Старший Пользователь
 
Аватар для Exial
 
Регистрация: 02.11.2006
Возраст: 42
Город: Москва
Машина: Nissan Titan
Сообщений: 149
Exial is on a distinguished road
По умолчанию

В общем, идея микрухами стандартной логики плавно мутировала до контроллера AVR и дело закончилось созданием вот такого девайса.



Заявленные фичи:
- при выключенном АСС на девайсе нажатие энкодера включает компьютер.
- при включенном:

1. Короткое (менее 1 сек) нажатие - замыкает mute при отпускании. То есть если держать более 1 секунды, mute замыкаться не будет.
2. Длинное нажатие - через 4 секунды после нажатия замыкается PW_ON и остается замкнутым пока держим кнопку.
3. Вращаем энкодер туда-сюда - сигналы с энкодера транслируются на контроллер клавы без изменений, соотвессно регулировка громкости. (как вариант можно переводить вращение энкодера в нажатие клавиш +/-, для тех у кого энкодер не поддерживается клавой)
4. Нажимаем, вращаем вперед/назад, отпускаем (все это в пределах 1 сек) - переход к следующему/предыдущему треку.
5. Нажимаем, вращаем, держим нажатой - через 1 секунду начинается перемотка по треку вперед/назад, мотается до тех пор пока держим энкодер нажатым.

Питается все это от бортовых 12В (стабилизатор свой на плате), сигнал о включенном компьютере - тоже 12В, с блока питания. Осталось еще немного ножек на контроллере для веселого мигания светодиодами. ))
Миниатюры
Нажмите на изображение для увеличения
Название: DSC06365s.jpg
Просмотров: 1932
Размер:	46.9 Кб
ID:	3078   Нажмите на изображение для увеличения
Название: DSC06372s.jpg
Просмотров: 1886
Размер:	53.0 Кб
ID:	3079  
Exial вне форума   Ответить с цитированием
Старый 22.06.2007, 01:42   #29
Z@GR
Гуру
 
Аватар для Z@GR
 
Регистрация: 20.12.2005
Город: Москва
Регион: 77, 97, 99, 177
Машина: 2004 \ AUDI \ A4 AVANT
Сообщений: 1,625
Z@GR has a spectacular aura aboutZ@GR has a spectacular aura about
По умолчанию

Цитата:
Сообщение от Exial Посмотреть сообщение
В общем, идея микрухами стандартной логики плавно мутировала до контроллера AVR и дело закончилось созданием вот такого девайса.
монстр просто!

и когда тока успеваете всё!

а сложно такое на поток запустить, я вот к пайке холоден, но такой девайс думаю не помешал бы мне тоже.

Я бы даже дыру в рамке проделал под какой-нить энкодер себе.

Правильно ли я понял, что при помощи такого контроллера можно управлять вышеозвученными функциями напрямую, без всяких контроллеров выломанных из клавы?
Z@GR вне форума   Ответить с цитированием
Старый 22.06.2007, 01:58   #30
Exial
Старший Пользователь
 
Аватар для Exial
 
Регистрация: 02.11.2006
Возраст: 42
Город: Москва
Машина: Nissan Titan
Сообщений: 149
Exial is on a distinguished road
По умолчанию

Мда, верное наблюдение. ) Успевал в основном в районе 1-3 ночи, вместо законного сна )) Так что звиняйте хлопцы, с потоком ниче не выйдет. Ну а картинку печатки со всеми инструкциями и прошивкой могу дать, ежели кто надумает повторить.
А насчет прямого управления компьютером к сожалению догадка неверная, девайс всего лишь замыкает кнопки клавиатурного контроллера. Так что без него никак. И кстати кнопки перемотки по треку насколько я знаю далеко не во всех клавиатурах имеются, так что для поддержки этой фичи нужно либо взламывать подходящую клаву, либо программно переназначать другие кнопки на эту функцию.
Exial вне форума   Ответить с цитированием
Ответ


Здесь присутствуют: 1 (пользователей: 0 , гостей: 1)
 

Ваши права в разделе
Вы не можете создавать новые темы
Вы не можете отвечать в темах
Вы не можете прикреплять вложения
Вы не можете редактировать свои сообщения

BB коды Вкл.
Смайлы Вкл.
[IMG] код Вкл.
HTML код Выкл.



Часовой пояс GMT +4, время: 00:56.


Работает на vBulletin® версия 3.8.4.
Copyright ©2000 - 2026, Jelsoft Enterprises Ltd.
Перевод: zCarot