PCCar.ru - Ваш автомобильный компьютер

Вернуться   PCCar.ru - Ваш автомобильный компьютер > MP3Car ТехИнфа > Блоки питания > Контроллеры управления питанием

Ответ
 
Опции темы Поиск в этой теме
Старый 04.12.2013, 00:40   #91
Винни_Пух
Пользователь
 
Регистрация: 15.10.2012
Возраст: 42
Город: Москва
Регион: 77, 97, 99, 177
Машина: Kia Optima
Сообщений: 55
Винни_Пух has a spectacular aura aboutВинни_Пух has a spectacular aura about
По умолчанию

Ради интереса надо как-нибудь попробовать собрать этот девайс.
Albert.**** огромное спасибо за труды и время вложенные в устройство!
Себе купил PicKit2.
Винни_Пух вне форума   Ответить с цитированием
Старый 05.12.2013, 00:33   #92
Albert.comp
Старший Пользователь
 
Аватар для Albert.comp
 
Регистрация: 27.12.2006
Возраст: 54
Город: Нижний Новгород
Регион: 52
Машина: Wolksvagen Jetta, Toyota Matrix
Сообщений: 495
Albert.comp has a spectacular aura aboutAlbert.comp has a spectacular aura about
По умолчанию

Цитата:
Сообщение от Ferodo Посмотреть сообщение
еще ни разу их не шил. До этого работал с атмегами и тиньками.
Ну свисти если что!
__________________
ATOM525 GA-D525TUD, 160Gx2.5, моник 800х600 тач, GPS18USB, Питание I1-ATX собственная разработка + разобранная клава + контроллер управления + 2 усилка
Проект Matrix
Albert.comp вне форума   Ответить с цитированием
Старый 05.12.2013, 00:46   #93
Albert.comp
Старший Пользователь
 
Аватар для Albert.comp
 
Регистрация: 27.12.2006
Возраст: 54
Город: Нижний Новгород
Регион: 52
Машина: Wolksvagen Jetta, Toyota Matrix
Сообщений: 495
Albert.comp has a spectacular aura aboutAlbert.comp has a spectacular aura about
По умолчанию

Цитата:
Сообщение от Винни_Пух Посмотреть сообщение
Себе купил PicKit2.
У меня типа такой же!

Нажмите на изображение для увеличения
Название: pickit2.JPG
Просмотров: 1314
Размер:	156.5 Кб
ID:	33791

И еще где то лежит PICSTART+ самодельный. Что то один не может шить, что то другой. А так хватает.
__________________
ATOM525 GA-D525TUD, 160Gx2.5, моник 800х600 тач, GPS18USB, Питание I1-ATX собственная разработка + разобранная клава + контроллер управления + 2 усилка
Проект Matrix
Albert.comp вне форума   Ответить с цитированием
Старый 05.12.2013, 20:28   #94
Ferodo
Пользователь
 
Аватар для Ferodo
 
Регистрация: 29.01.2013
Возраст: 36
Город: Казань
Регион: 16, 116
Машина: VW POLO 1999 3D
Сообщений: 84
Ferodo is on a distinguished road
По умолчанию

Свистнем если что,спасибо!
__________________
С уважением, Алексей.
Мой рабочий журнал тут

Ferodo вне форума   Ответить с цитированием
Старый 05.12.2013, 23:57   #95
gordon7771
Пользователь
 
Регистрация: 26.04.2013
Город: Пенза
Регион: 58
Машина: Ford Focus 2
Сообщений: 77
gordon7771 is on a distinguished road
По умолчанию

Albert.**** добрый день. При сборке вашего блока управления возникли 2 вопроса.
Какое напряжение и сила тока на контакте +РС (китайский усилок питается от 18-24 вольт)?
В своем городе не нашел два транзистора указанных в схеме. Яндекс тоже ни каких аналогов не нашел. Есть ли замена этим транзисторам?
gordon7771 вне форума   Ответить с цитированием
Старый 06.12.2013, 02:34   #96
Albert.comp
Старший Пользователь
 
Аватар для Albert.comp
 
Регистрация: 27.12.2006
Возраст: 54
Город: Нижний Новгород
Регион: 52
Машина: Wolksvagen Jetta, Toyota Matrix
Сообщений: 495
Albert.comp has a spectacular aura aboutAlbert.comp has a spectacular aura about
По умолчанию

Что касается замены VT1 - см пост 79. VT2 любой P-канальный полевик - желательно с напряжением от 30 вольт, и током как минимум в 2 раза больше Ваших нужд. Сопротивление открытого канала менее 15-20 миллиом.

Насчет запитки усилителя. С выхода +PC запитать его не получится. Иначе в режиме сна будет лишнее потребление тока усилителем. Обычно силовой провод усилителя подключают в авто на 30-й провод (постоянный силовой плюс). А управление включением (слаботочное) можно взять с компа, например с желтого +12в провода. А если звуковуха USB, то можно из нее вывести управление. Либо придется доработать алгоритм немного - и брать управление с выхода светодиода состояния. На плате предусмотрен транзистор VT3 для этого, управление минусом. Для плюсового управления боюсь придется поставить еще и VT4 (с P-каналом)
__________________
ATOM525 GA-D525TUD, 160Gx2.5, моник 800х600 тач, GPS18USB, Питание I1-ATX собственная разработка + разобранная клава + контроллер управления + 2 усилка
Проект Matrix
Albert.comp вне форума   Ответить с цитированием
Старый 06.12.2013, 08:03   #97
gordon7771
Пользователь
 
Регистрация: 26.04.2013
Город: Пенза
Регион: 58
Машина: Ford Focus 2
Сообщений: 77
gordon7771 is on a distinguished road
По умолчанию

Цитата:
Сообщение от Albert.**** Посмотреть сообщение
Насчет запитки усилителя. С выхода +PC запитать его не получится. Иначе в режиме сна будет лишнее потребление тока усилителем. Обычно силовой провод усилителя подключают в авто на 30-й провод (постоянный силовой плюс). А управление включением (слаботочное) можно взять с компа, например с желтого +12в провода. А если звуковуха USB, то можно из нее вывести управление. Либо придется доработать алгоритм немного - и брать управление с выхода светодиода состояния. На плате предусмотрен транзистор VT3 для этого, управление минусом. Для плюсового управления боюсь придется поставить еще и VT4 (с P-каналом)
усилитель без корпуса т.е плата с компонентами, регулировки громкости и частот и разъем для питания.
Aлгоритм работы и функции контакта +PC каков?
Забыл уточнить что у меня android pc.

Последний раз редактировалось gordon7771; 06.12.2013 в 09:50.
gordon7771 вне форума   Ответить с цитированием
Старый 06.12.2013, 10:53   #98
Albert.comp
Старший Пользователь
 
Аватар для Albert.comp
 
Регистрация: 27.12.2006
Возраст: 54
Город: Нижний Новгород
Регион: 52
Машина: Wolksvagen Jetta, Toyota Matrix
Сообщений: 495
Albert.comp has a spectacular aura aboutAlbert.comp has a spectacular aura about
По умолчанию

Это силовое коммутируемое напряжение +12в до 5А. Главное напряжение питания компьютера.
__________________
ATOM525 GA-D525TUD, 160Gx2.5, моник 800х600 тач, GPS18USB, Питание I1-ATX собственная разработка + разобранная клава + контроллер управления + 2 усилка
Проект Matrix
Albert.comp вне форума   Ответить с цитированием
Старый 06.12.2013, 11:31   #99
gordon7771
Пользователь
 
Регистрация: 26.04.2013
Город: Пенза
Регион: 58
Машина: Ford Focus 2
Сообщений: 77
gordon7771 is on a distinguished road
По умолчанию

Цитата:
Сообщение от Albert.**** Посмотреть сообщение
Это силовое коммутируемое напряжение +12в до 5А. Главное напряжение питания компьютера.
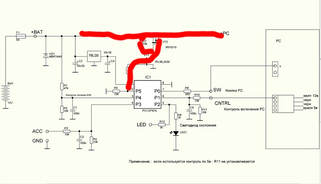
У меня планшет питается от 5 вольт. Значит эта линия мне не пригодится. правильно ли я на рисунке ее отрезал?
Albert можешь расписать назначение контактов и напряжение на них, если не трудно?
Миниатюры
Нажмите на изображение для увеличения
Название: СХЕМА powcon4_1-hires.jpg
Просмотров: 1366
Размер:	88.4 Кб
ID:	33803  

Последний раз редактировалось gordon7771; 06.12.2013 в 19:09.
gordon7771 вне форума   Ответить с цитированием
Старый 06.12.2013, 23:36   #100
Albert.comp
Старший Пользователь
 
Аватар для Albert.comp
 
Регистрация: 27.12.2006
Возраст: 54
Город: Нижний Новгород
Регион: 52
Машина: Wolksvagen Jetta, Toyota Matrix
Сообщений: 495
Albert.comp has a spectacular aura aboutAlbert.comp has a spectacular aura about
По умолчанию

Думаю что с планшетом вообще все по другому. Посмотри что здесь пишут.
__________________
ATOM525 GA-D525TUD, 160Gx2.5, моник 800х600 тач, GPS18USB, Питание I1-ATX собственная разработка + разобранная клава + контроллер управления + 2 усилка
Проект Matrix
Albert.comp вне форума   Ответить с цитированием
Ответ


Здесь присутствуют: 1 (пользователей: 0 , гостей: 1)
 

Ваши права в разделе
Вы не можете создавать новые темы
Вы не можете отвечать в темах
Вы не можете прикреплять вложения
Вы не можете редактировать свои сообщения

BB коды Вкл.
Смайлы Вкл.
[IMG] код Вкл.
HTML код Выкл.



Часовой пояс GMT +4, время: 17:28.


Работает на vBulletin® версия 3.8.4.
Copyright ©2000 - 2026, Jelsoft Enterprises Ltd.
Перевод: zCarot