PCCar.ru - Ваш автомобильный компьютер

Вернуться   PCCar.ru - Ваш автомобильный компьютер > MP3Car ТехИнфа > AndroidCar > Железо > Планшеты

Закрытая тема
 
Опции темы Поиск в этой теме
Старый 28.04.2013, 16:02   #881
Rage2
Banned
 
Регистрация: 06.11.2009
Возраст: 39
Город: Nizhniy Novgorod
Регион: 52
Машина: Ford Focus III
Сообщений: 1,776
Rage2 has a brilliant futureRage2 has a brilliant futureRage2 has a brilliant futureRage2 has a brilliant futureRage2 has a brilliant futureRage2 has a brilliant futureRage2 has a brilliant futureRage2 has a brilliant futureRage2 has a brilliant futureRage2 has a brilliant futureRage2 has a brilliant future
По умолчанию

Цитата:
Я тут накидал схемку одну, покритикуйте меня правильно или нет.
1. Этот БП в виде штепселя в прикуриватель, не годиться....99% будет гудеть и потрескивать...
2. "переходнички-раздвоители" которые нарисованы после кабеля 3.5"-RCA, не нужны...подключай сразу к усю. Если он 4х-канальный, то у него должен быть свой микшер каналов.
Rage2 вне форума  
Старый 28.04.2013, 22:04   #882
Ocherk
Новый Пользователь
 
Регистрация: 26.04.2013
Регион: 58
Машина: Opel Kadett D
Сообщений: 10
Ocherk is on a distinguished road
По умолчанию

Rage2
1. понял , какой посоветуйте , или можно спаять по такой схеме преобразователь с 12 на 5 и кинуть на него с АКБ провода?
2.Хорошо
Kacap понятно , зарядка через прикуриватель не есть хорошо )
Ocherk вне форума  
Старый 28.04.2013, 22:12   #883
Kacap
Старший Пользователь
 
Регистрация: 13.07.2010
Возраст: 41
Город: Одесса
Регион: Украина
Машина: Lexus RX350 '07 US
Сообщений: 476
Kacap has a spectacular aura aboutKacap has a spectacular aura aboutKacap has a spectacular aura about
По умолчанию

Ocherk, лучше (читай "обязательно") взять БП с гальваникой по земле, в теме мильен раз обсуждалось, у Rage2 такой стоит, можешь в его проекте посомтреть
__________________
Lexus RX350 '07, US, Android TV Box на родной монитор - установлено и работает
было: Toyota Carina ED '94, Android PC: Nexus 7, USB audio DAC Muse ч/з toslink на Challenger TA5.1, WiFi 3G роутер Novatel MiFi 5510L. Съемный вариант, работало на 99% как часы.
Kacap вне форума  
Старый 28.04.2013, 22:16   #884
Ocherk
Новый Пользователь
 
Регистрация: 26.04.2013
Регион: 58
Машина: Opel Kadett D
Сообщений: 10
Ocherk is on a distinguished road
По умолчанию

Kacap,Спасибо,буду дальше изучать!
Ocherk вне форума  
Старый 29.04.2013, 05:27   #885
AMurchick
Пользователь
 
Регистрация: 11.11.2005
Город: Иркутск
Регион: 38
Машина: Camry 2003 ACV-31
Сообщений: 90
AMurchick is on a distinguished road
По умолчанию

Цитата:
Сообщение от Kacap Посмотреть сообщение
Ocherk, лучше (читай "обязательно") взять БП с гальваникой по земле, в теме мильен раз обсуждалось, у Rage2 такой стоит, можешь в его проекте посомтреть
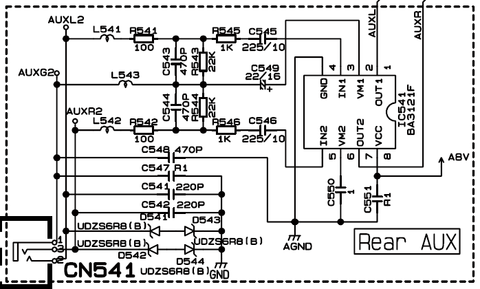
Или воспользоваться балансными входами на усилителе (если есть, конечно).

У меня как-то получилось без гальваноразвязки, я в начале и не понял почему. Решил посмотреть что на входе у головы (pioneer 88rs) - и что же я увидел? Всё та же ba3121
Миниатюры
Нажмите на изображение для увеличения
Название: rear_aux.PNG
Просмотров: 724
Размер:	48.0 Кб
ID:	31122  
AMurchick вне форума  
Старый 29.04.2013, 13:54   #886
zsedcd
Новый Пользователь
 
Регистрация: 26.02.2013
Регион: 79
Сообщений: 24
zsedcd is on a distinguished road
По умолчанию

У меня нексус частенько виснет в машине. Не знаю в какой момент в момент пропадания питания или в момент появления, а может и в промежутке, но факт на лицо - сегодня 3 раза завис - не включился после подачи питания. Помогает только хард ресет.

Откликнитесь люди со звуковыми картами - как у вас со звуком - проблем нет?
Откликнитесь люди с дешевыми хабами - у вас флешка подхватывается после попадания питания или помогает только перезагрузка?
zsedcd вне форума  
Старый 29.04.2013, 14:20   #887
slepoipew
Пользователь
 
Регистрация: 25.02.2013
Возраст: 50
Регион: 77, 97, 99, 177
Сообщений: 47
slepoipew is on a distinguished road
По умолчанию

Цитата:
Сообщение от zsedcd Посмотреть сообщение
У меня нексус частенько виснет в машине.
У меня такое было на ранних прошивках Тимура.
Ну скажем на мартовских было.
slepoipew вне форума  
Старый 29.04.2013, 15:10   #888
Rage2
Banned
 
Регистрация: 06.11.2009
Возраст: 39
Город: Nizhniy Novgorod
Регион: 52
Машина: Ford Focus III
Сообщений: 1,776
Rage2 has a brilliant futureRage2 has a brilliant futureRage2 has a brilliant futureRage2 has a brilliant futureRage2 has a brilliant futureRage2 has a brilliant futureRage2 has a brilliant futureRage2 has a brilliant futureRage2 has a brilliant futureRage2 has a brilliant futureRage2 has a brilliant future
По умолчанию

Цитата:
Сообщение от AMurchick Посмотреть сообщение
Решил посмотреть что на входе у головы (pioneer 88rs) - и что же я увидел? Всё та же ba3121
Вот я ж.... чуил, что там что-то не ладное!)))
Alex-NN, кажись я был прав, поэтому у тя КИСы и не жужат ))))

AMurchick, спасибо за расследование.

Последний раз редактировалось Rage2; 30.04.2013 в 17:41.
Rage2 вне форума  
Старый 29.04.2013, 15:17   #889
Kacap
Старший Пользователь
 
Регистрация: 13.07.2010
Возраст: 41
Город: Одесса
Регион: Украина
Машина: Lexus RX350 '07 US
Сообщений: 476
Kacap has a spectacular aura aboutKacap has a spectacular aura aboutKacap has a spectacular aura about
По умолчанию

Rage2, у меня КИСы тоже не жужжат ) правда по оптике )
__________________
Lexus RX350 '07, US, Android TV Box на родной монитор - установлено и работает
было: Toyota Carina ED '94, Android PC: Nexus 7, USB audio DAC Muse ч/з toslink на Challenger TA5.1, WiFi 3G роутер Novatel MiFi 5510L. Съемный вариант, работало на 99% как часы.
Kacap вне форума  
Старый 29.04.2013, 15:40   #890
Rage2
Banned
 
Регистрация: 06.11.2009
Возраст: 39
Город: Nizhniy Novgorod
Регион: 52
Машина: Ford Focus III
Сообщений: 1,776
Rage2 has a brilliant futureRage2 has a brilliant futureRage2 has a brilliant futureRage2 has a brilliant futureRage2 has a brilliant futureRage2 has a brilliant futureRage2 has a brilliant futureRage2 has a brilliant futureRage2 has a brilliant futureRage2 has a brilliant futureRage2 has a brilliant future
По умолчанию

Цитата:
Сообщение от Kacap Посмотреть сообщение
Rage2, у меня КИСы тоже не жужжат ) правда по оптике )
Сам подумай, как оптика может жужать???)) жужит паразитный ток, блуждающий по земле...а по оптике кроме света(данных) ничего не идет впринципе....
Rage2 вне форума  
Закрытая тема

Метки
android, nexus 7


Здесь присутствуют: 14 (пользователей: 0 , гостей: 14)
 

Ваши права в разделе
Вы не можете создавать новые темы
Вы не можете отвечать в темах
Вы не можете прикреплять вложения
Вы не можете редактировать свои сообщения

BB коды Вкл.
Смайлы Вкл.
[IMG] код Вкл.
HTML код Выкл.



Часовой пояс GMT +4, время: 23:26.


Работает на vBulletin® версия 3.8.4.
Copyright ©2000 - 2025, Jelsoft Enterprises Ltd.
Перевод: zCarot