PCCar.ru - Ваш автомобильный компьютер

Вернуться   PCCar.ru - Ваш автомобильный компьютер > MP3Car ТехИнфа > Блоки питания > Разное

Ответ
 
Опции темы Поиск в этой теме
Старый 08.04.2007, 00:56   #81
Beer100
Гуру
 
Аватар для Beer100
 
Регистрация: 04.01.2006
Возраст: 56
Город: Минск
Регион: Беларусь
Машина: 2002\Audi\A6 3.0i
Сообщений: 1,135
Beer100 will become famous soon enough
По умолчанию

Так что, питание на LM2576 это миф? Ни кто не делал?
Какую катушку-то ставить?
__________________
БП SL "умнай"- Сергея Лебедева (собственного изготовления), 7" Prology PCM-700, PIII 1,2 Tualatin, Intel i815, Video Gforce 440 64mb
, 2.5" HDD 40 Gb (Hitachi), 2.5" HDD 60 Gb (Fujitsu), PCI->USB2.0,
PCI TV tuner Beholder Behold TV 507 FM, DVD 5.25" (USB -> IDE переходник), GPS Globalsat BU-353, Web камера 3-COM, USB HUB D-Link, BT,
Софт: оболочка - Centrafuse, Навигация - GisRX, EDGE
Beer100 вне форума   Ответить с цитированием
Старый 09.04.2007, 09:37   #82
pilot_66
Новый Пользователь
 
Регистрация: 30.03.2007
Возраст: 56
Город: Е-бург
Машина: 21103
Сообщений: 4
pilot_66 is on a distinguished road
По умолчанию

Да любую на 100мкгн и нужный ток.. .
Лучше скажите чтонить про ток на +12 вольт .
pilot_66 вне форума   Ответить с цитированием
Старый 02.05.2007, 23:35   #83
han2001
Старший Пользователь
 
Регистрация: 28.02.2007
Возраст: 45
Город: Раменское, Рязань
Регион: 62
Машина: 2006 Hyundai Tucson 2.0 4WD
Сообщений: 245
han2001 is on a distinguished road
По умолчанию

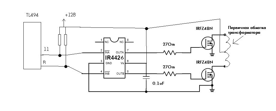
А если переделывая БП на 12в, шим брать все же с 8 и 11 ножки TL494 но до полевиков поставить IR4426, то так должен работать БП? А то лишний раз дорожки резать, перепаивать неохото.
han2001 вне форума   Ответить с цитированием
Старый 03.05.2007, 22:21   #84
han2001
Старший Пользователь
 
Регистрация: 28.02.2007
Возраст: 45
Город: Раменское, Рязань
Регион: 62
Машина: 2006 Hyundai Tucson 2.0 4WD
Сообщений: 245
han2001 is on a distinguished road
По умолчанию

Отвечаю на свой вопрос, мож кому понадобиться. Сегодня допеределал какойто китайский БП, выпаял всю высоковольтную часть, поставил полевики IRFZ48N, вместо родных диодов поставил диоды шотки на 43А и 100В, TL494 оставил в исходном состаянии. Т.е. ШИМ брал с 8 и 11 вывода TL494, только между TL494 и полевиками поставил инвертирующий драйвер IR4426. Единственное на что купился так это на то что на блок схеме драйвера в даташите изображен встроенные подтягивающие резисторы, а нет пришлось ставить свои или я не правильно понял, но ставить внешние резюки однозначно. Транс намотал по Серегиным данным, только 12В обмотка отдельно от 5В, вроде как 12в нагрузка только на 12в обмотку, а 5в и 3,3В нагрузга только на 5в обмотку. В результате полуил БП с питанием от 8В до 16В с защитами от перенапряжения и КЗ.
Сегодня погонял на нем в анрил торнамент на ситеме (4 пенек 2,4ГГц, 512МБ, винт обычный на 80 гигов, видюха правда джейфорс МХ440, 2 сидюка). БП ток кушал около 8-9А.
Миниатюры
Нажмите на изображение для увеличения
Название: драйвер.JPG
Просмотров: 7946
Размер:	28.3 Кб
ID:	3081  

Последний раз редактировалось han2001; 24.06.2007 в 01:28.
han2001 вне форума   Ответить с цитированием
Старый 31.07.2007, 13:51   #85
Трек
Старший Пользователь
 
Регистрация: 30.07.2007
Возраст: 49
Город: МО Красногорск, Химки
Регион: 50, 90, 150
Машина: калина2
Сообщений: 249
Трек is on a distinguished road
Cool

А комп сбрасывается при заводке машины?
Трек вне форума   Ответить с цитированием
Старый 21.10.2007, 14:10   #86
surf130
Новый Пользователь
 
Регистрация: 15.10.2007
Город: Владивосток
Регион: 25
Сообщений: 5
surf130 is on a distinguished road
По умолчанию

А какие значения на выходах БП? (Заглушено/заведено/стартер)
Как тепловой режим?
__________________
Соображаю на тему быть или не быть карпютеру.
План: Ноутбук с битой матрицей Celeron/Pentium 1000,512,80, Звук Audigy2NB + KX, Китайский телек с VGA и 800х600натив, управление энкодер + кнопки + поворотный рычажок от джойстика в качестве мыши.
surf130 вне форума   Ответить с цитированием
Старый 22.10.2007, 23:07   #87
xtrem
Новый Пользователь
 
Регистрация: 05.02.2007
Сообщений: 1
xtrem is on a distinguished road
По умолчанию По поводу SG6105

Цитата:
Сообщение от MibMib Посмотреть сообщение
pilot_66
че непонятного ? - дежурку - нафик выкидываешь - делаешь также как выше описывалось !
Драйвер цепляешь к OP1 и OP2 микросхемы ........ все !
Уважаемый МибМиб не затруднит ли вас разъяснить а еще лучше нарисовать на схеме:
1. Какие элементы надо выпаять (а точнее дежурка где она)
2. У ТЛ494, 8 и 11 ноги изначально идут на базы 2SC945 (или их аналогов), а 9 и 10 ноги идут на землю, после переделки на 8 и 11 ноги подается 12v DC, а 9 и 10 ноги через резисторы идут на IRFZ44N, вопрос следующий: в БП собранном на SG6105 ноги ОР1 и ОР2 изначально идут на базы 2N2222A (в ноем случае С1384), и по логике на эти ноги надо подать 12v DC, но что тогда надо подключать на IRFZ44N, или я чето не понял?

Заранее спасибо.


xtrem вне форума   Ответить с цитированием
Старый 23.10.2007, 00:07   #88
MibМib
Старший Пользователь
 
Регистрация: 14.04.2007
Сообщений: 81
MibМib is on a distinguished road
По умолчанию

Приветствую
1.смотрим на атач - красным дежурка, синим то что нада выпаять - ибо оно нафик не нужно ! вывод OPP на землю, питание микросхемы = указано стрелкой - подать с кренки - которая дежурку будет вырабатывать
2 НА ОП 1 ОП2 будут либо лог единицы либо лог нули - не более 5 вольт , ниче туда подавать ненадо! - это выходы! Которые могут управлять драйвером ir 4427( именно 4427 - выходы синфазны входам!!! у 4426- противофазны и он туту не пойдет - хотя мона извратиться ) , а он уже будет управлять полевиками - открываете даташит на драйвер и схему самоделкина - и глядите как реализуется подключение ключей, выводы сигналы с выводов оп1 и оп2 подаем на входы драйвера 2,4 - вобщем также смотрите схему самоделкина , если не понятно ........ вроде все ...... - можа че и пропустил ......
за рисунок пардон - пад рукойтока пэинт на данный момент

п.с. - ну и массу первички должна быть соединена с массой вторички - а то работать не буит - кароче масса в обоих схемах общая
Нажмите на изображение для увеличения
Название: pic1_big.jpg
Просмотров: 13470
Размер:	218.3 Кб
ID:	4159
__________________
News:
Блок 400Вт V4.3 16 пограммируемых параметров контроллера + 4 режима запуска+подержка 4-х стратегий питания(включая переход из ждущего в спящий ) + безопасный режим STAND BY+ все защиты от пере-недо напряжений и кз+ гарантия 1 год - готов

Готов контроллер для блоков СЛ, Самоделкина, E1000, ноутбуков - с полным функционалом v4.2
MibМib вне форума   Ответить с цитированием
Старый 27.10.2007, 02:03   #89
I.Cherry
Новый Пользователь
 
Регистрация: 24.07.2007
Город: Украина
Регион: 77, 97, 99, 177
Машина: нет, но была - "Фольксваген ПАССАТ"
Сообщений: 5
I.Cherry is on a distinguished road
По умолчанию

MibМib, а защита по току?.. вы же ножку ОРР на землю посадили.. и как теперь?..
Защита нужна.. без нее не рекомендовал бы людям предлагать.
I.Cherry вне форума   Ответить с цитированием
Старый 27.10.2007, 10:50   #90
MibМib
Старший Пользователь
 
Регистрация: 14.04.2007
Сообщений: 81
MibМib is on a distinguished road
По умолчанию

Цитата:
Сообщение от I.Cherry Посмотреть сообщение
MibМib, а защита по току?.. вы же ножку ОРР на землю посадили.. и как теперь?..
Защита нужна.. без нее не рекомендовал бы людям предлагать.
А она там нужна ? Защита от КЗ - вот она нужна - никто не спорит - дык она и без ОПП работать будет.
А опп в большинстве случаев не дает блокам запускаться , если один из силовых транзисторов наполовину вылетел - т.е. кэ - нормальный , а бэ полупробитый- тогда блок не запускается - ибо еси его запустить - буит хороший бум второго транзистора - такчо номано все ! - мона юзать ! - Читаем просто внимательней даташит ! - никто не спорит что там написано что "The OPP (over power protection) is used for
detecting over power and/or short-circuit conditions.", ток не написано оверпавер и шортиркуит чего И даже если его не использовать все равно защита от кз НА ВЫХОДЕ работать будет! Потому как в мехнизмах работы этой защиты - этот вывод никак не используется - смотрите глобальней на схему и на физические процессы происходящие при КЗ - тогда все встанет на свои места
__________________
News:
Блок 400Вт V4.3 16 пограммируемых параметров контроллера + 4 режима запуска+подержка 4-х стратегий питания(включая переход из ждущего в спящий ) + безопасный режим STAND BY+ все защиты от пере-недо напряжений и кз+ гарантия 1 год - готов

Готов контроллер для блоков СЛ, Самоделкина, E1000, ноутбуков - с полным функционалом v4.2
MibМib вне форума   Ответить с цитированием
Ответ


Здесь присутствуют: 1 (пользователей: 0 , гостей: 1)
 

Ваши права в разделе
Вы не можете создавать новые темы
Вы не можете отвечать в темах
Вы не можете прикреплять вложения
Вы не можете редактировать свои сообщения

BB коды Вкл.
Смайлы Вкл.
[IMG] код Вкл.
HTML код Выкл.



Часовой пояс GMT +4, время: 15:49.


Работает на vBulletin® версия 3.8.4.
Copyright ©2000 - 2026, Jelsoft Enterprises Ltd.
Перевод: zCarot