PCCar.ru - Ваш автомобильный компьютер

Вернуться   PCCar.ru - Ваш автомобильный компьютер > MP3Car ТехИнфа > Общение с машиной

Ответ
 
Опции темы Поиск в этой теме
Старый 05.04.2007, 18:30   #1
dmit
Новый Пользователь
 
Регистрация: 10.01.2007
Возраст: 50
Город: Ротсовкая обл г. Морозовск
Машина: ford Mondeo 3
Сообщений: 23
dmit is on a distinguished road
Unhappy Гальваническая развязка

Нужна помощь специалистов!!!
подскажите как организовать гальванику ? знаю что можно оптопарой сделать только вот какой ??? маркировка ?
смысл в том , что требуется подключить к ЛПТ порту ПК например датчик скорости АВТО
ножка ЛПТ должна идти через приемник оптопары
а на вход напряжение с датчика скорости
т.е. при наличии ипмульса датчика скорости на входе оптопары
должен быть сигнал на ножке ЛПТ порта

написал прогу в ДЕЛФИ ,которя считает кол-во импульсов датчика скорости и длительность форсунки
нужно пробовать !!! экспериментировать ! может что-то дельное получилось ?

параметры оптопары думаю должны быть
на входе от 3-20 вольт
приемник как мин. 5 вольт (напряжение ПК)
естесвенно чувствительность думаю должна быть высокой
т.к. в сек. кол-во импульсов может достигать более 800-900 при скорости 200 км./ч
dmit вне форума   Ответить с цитированием
Старый 05.04.2007, 19:20   #2
Wanted
Hello world!
 
Аватар для Wanted
 
Регистрация: 28.01.2007
Город: Moscow
Регион: 77, 97, 99, 177
Машина: BMW-320td-2001 BMW-E92-325XI
Сообщений: 1,209
Wanted will become famous soon enoughWanted will become famous soon enough
Question

Цитата:
Сообщение от dmit Посмотреть сообщение
Нужна помощь специалистов!!!
подскажите как организовать гальванику ? знаю что можно оптопарой сделать только вот какой ??? маркировка ?
смысл в том , что требуется подключить к ЛПТ порту ПК например датчик скорости АВТО
ножка ЛПТ должна идти через приемник оптопары
а на вход напряжение с датчика скорости
т.е. при наличии ипмульса датчика скорости на входе оптопары
должен быть сигнал на ножке ЛПТ порта

написал прогу в ДЕЛФИ ,которя считает кол-во импульсов датчика скорости и длительность форсунки
нужно пробовать !!! экспериментировать ! может что-то дельное получилось ?

параметры оптопары думаю должны быть
на входе от 3-20 вольт
приемник как мин. 5 вольт (напряжение ПК)
естесвенно чувствительность думаю должна быть высокой
т.к. в сек. кол-во импульсов может достигать более 800-900 при скорости 200 км./ч
Не в тему, но может OBDII использовать?
__________________
Мой mediaBMW

Прогресс постройки: [##########] 100%
Прогресс установки: [##########] 100%
Прогресс настройки: [#########-] 90% Почти до идеала

Видеонаблюдение в машине? ДА!
Wanted вне форума   Ответить с цитированием
Старый 05.04.2007, 19:31   #3
Димон
Гуру
 
Аватар для Димон
 
Регистрация: 03.10.2005
Город: МКАД восток-запад
Регион: 77, 97, 99, 177
Машина: 09\Опиль\АстраХ
Сообщений: 2,013
Димон is a splendid one to beholdДимон is a splendid one to beholdДимон is a splendid one to beholdДимон is a splendid one to beholdДимон is a splendid one to beholdДимон is a splendid one to behold
По умолчанию

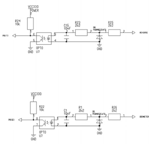
Оптрон рулит. лпт рулит. Вот две развязки. Одна для отработки сигнала одометра, вторая для сигнала заднего хода. Выдает стандартные уровни для gps-чипсета, который продолжает выдавать координаты при полной потере спутников

зы. саму оптопару обычно выпаиваю из старого 220атх бп. маркировку не смотрю
Миниатюры
Нажмите на изображение для увеличения
Название: optron.jpg
Просмотров: 1866
Размер:	25.5 Кб
ID:	2278  

Последний раз редактировалось Димон; 05.04.2007 в 20:17.
Димон вне форума   Ответить с цитированием
Старый 06.04.2007, 08:42   #4
Sem_
Старший Пользователь
 
Аватар для Sem_
 
Регистрация: 30.03.2006
Возраст: 54
Город: Moscow
Регион: 77, 97, 99, 177
Машина: была SantaFe, теперь Acura MDX-II
Сообщений: 321
Sem_ is on a distinguished road
Wink

Цитата:
Сообщение от dmit Посмотреть сообщение
параметры оптопары думаю должны быть
на входе от 3-20 вольт
приемник как мин. 5 вольт (напряжение ПК)
естесвенно чувствительность думаю должна быть высокой
т.к. в сек. кол-во импульсов может достигать более 800-900 при скорости 200 км./ч
Извините, не могу молчать ! (с)

Каша у тебя в глове, хоть идеи и здравые...

для начала вопрос - откуда на входе 20вольт? Или ты про ток самоиндукции, возникающий при снятии напряжения с форсунок? Так там защита от него предусмотрена, вроде, ты ж в параллель цепляться будешь к ЭБУ... А нет - так диод поставь в параллель, и всех делов...

а теперь про "кашу"
- не говорят так - "приёмник 5в"... Говорят "уровень входного сигнала", и в случае с ПК ты имеешь действительно 5в логические уровни.
- чувствительность и быстродействие - далеко не одно и то же В даном случае чувствительность - понятие неверное вовсе, т.к. ты имеешь дело с логическими уровнями ("ДА" "НЕТ"), а вот быстродействие действительно важно. Но... Смотрим дальше - 800-900 импульсов это в час? В год? Но даже если в секунду, то это всего 900 герц. Из теоремы Котельникова помним, что для правильной обработки тебе потребуется быстродействие как минимум вдвое больше, тоесть 1800 Гц. Для современого компа - больше, чем смешно. Так что собирай схемы, как показал Димон, и пиши софт Кстати, для анализа ЧАСТОТЫ работы форсунок можно применить вход звуковухи. НО ИМХО в случае с форсунками скважность тоже важна, и очень важна, так что велкам на ЛПТ...
__________________
Не ошибается тот, кто ничего не делает...
~~~~~~~~~~~~~~~~~~~~~~~~~~~
Первый проект ---------- Hyundai SantaFe
~~~~~~~~~~~~~~~~~~~~~~~~~~~
Второй проект ------------- Acura MDX '04
~~~~~~~~~~~~~~~~~~~~~~~~~~~
Третий проект ---------- Chevrolet Captiva
~~~~~~~~~~~~~~~~~~~~~~~~~~~
Четвёртый проект --------- Acura MDX '07

Телефон для связи (903) 792 11 54
Sem_ вне форума   Ответить с цитированием
Старый 09.04.2007, 13:32   #5
dmit
Новый Пользователь
 
Регистрация: 10.01.2007
Возраст: 50
Город: Ротсовкая обл г. Морозовск
Машина: ford Mondeo 3
Сообщений: 23
dmit is on a distinguished road
По умолчанию

Цитата:
Сообщение от Димон Посмотреть сообщение
Оптрон рулит. лпт рулит. Вот две развязки. Одна для отработки сигнала одометра, вторая для сигнала заднего хода. Выдает стандартные уровни для gps-чипсета, который продолжает выдавать координаты при полной потере спутников

зы. саму оптопару обычно выпаиваю из старого 220атх бп. маркировку не смотрю
Димон! можешь как для чайника разъяснить куда подключить в этой схеме ножку ЛПТ и датчик
и ещё плохо читается картинка со схемами , можно на vavilov-dimson@rambler.ru эту картинку в более читабильной форме (рарешение больше)
dmit вне форума   Ответить с цитированием
Старый 09.04.2007, 23:54   #6
Димон
Гуру
 
Аватар для Димон
 
Регистрация: 03.10.2005
Город: МКАД восток-запад
Регион: 77, 97, 99, 177
Машина: 09\Опиль\АстраХ
Сообщений: 2,013
Димон is a splendid one to beholdДимон is a splendid one to beholdДимон is a splendid one to beholdДимон is a splendid one to beholdДимон is a splendid one to beholdДимон is a splendid one to behold
По умолчанию

к сожалению битмап делал не я, стырен из другого пдф, там видно не лучше. Не думаю что удастся поживиться каким-то буйным разнообразием оптронов. Тесты обычно делаю на первых попавшихся. ПРо ножки лпт и софт ищи мою тему "управляем громкостью", вроде 3, 4, 5 и т.п. замыкаются на 18ый. На разъемах многих подписано.
Димон вне форума   Ответить с цитированием
Старый 10.04.2007, 12:01   #7
dmit
Новый Пользователь
 
Регистрация: 10.01.2007
Возраст: 50
Город: Ротсовкая обл г. Морозовск
Машина: ford Mondeo 3
Сообщений: 23
dmit is on a distinguished road
По умолчанию

Цитата:
Сообщение от Димон Посмотреть сообщение
к сожалению битмап делал не я, стырен из другого пдф, там видно не лучше. Не думаю что удастся поживиться каким-то буйным разнообразием оптронов. Тесты обычно делаю на первых попавшихся. ПРо ножки лпт и софт ищи мою тему "управляем громкостью", вроде 3, 4, 5 и т.п. замыкаются на 18ый. На разъемах многих подписано.
У меня получилось так , что при замыкании корпуса разъема на 10 ножку ЛПТ порта и есть наличие импульса
так вот куда в этой схеме воткнуть корпус разъема 10 ножку ЛПТ и соотвественно плюс от форсунки и массу АВТО ? я к сожалению электроникой слабо владею
и если не трудно для общего развития
для чего всхеме конденсатор , диод ?
dmit вне форума   Ответить с цитированием
Старый 10.04.2007, 12:32   #8
Димон
Гуру
 
Аватар для Димон
 
Регистрация: 03.10.2005
Город: МКАД восток-запад
Регион: 77, 97, 99, 177
Машина: 09\Опиль\АстраХ
Сообщений: 2,013
Димон is a splendid one to beholdДимон is a splendid one to beholdДимон is a splendid one to beholdДимон is a splendid one to beholdДимон is a splendid one to beholdДимон is a splendid one to behold
По умолчанию

Я в електронике ненамного сильнее, однако мои самоделки все работают. По ножкам лпт порта смотрю поиск ниасилен.

Тыкать сюда. Тынц.
Димон вне форума   Ответить с цитированием
Старый 13.04.2007, 12:58   #9
dmit
Новый Пользователь
 
Регистрация: 10.01.2007
Возраст: 50
Город: Ротсовкая обл г. Морозовск
Машина: ford Mondeo 3
Сообщений: 23
dmit is on a distinguished road
По умолчанию

Цитата:
Сообщение от Димон Посмотреть сообщение
Я в електронике ненамного сильнее, однако мои самоделки все работают. По ножкам лпт порта смотрю поиск ниасилен.

Тыкать сюда. Тынц.
Димон подскажи
можно по ЛПТ фиксировать напряжение
например 0-12 вольт
какая там идея ?
я пока только с помошью ДЕЛФИ и драйвера LPTIO ( нашел в ИНете)
могу зажигать ножки (подавть напряжение 5 вольт)
и проверять наличие на ножке напряжения
на этой идеи и написал софт который считает кол-во и длительность импульсов на 10 и 11 ножках
dmit вне форума   Ответить с цитированием
Старый 13.08.2007, 05:03   #10
ГОГА
Новый Пользователь
 
Аватар для ГОГА
 
Регистрация: 13.08.2007
Возраст: 70
Город: Рига
Машина: 1997\Rang Rover 4.6 HSE
Сообщений: 4
ГОГА is on a distinguished road
По умолчанию

Гальваническая развязка нужна только в тех случаях, когда на одной стороне оптрона присутствует потенциал сети ( не только ). Например: управление тиристором для регулировки яркости лампы или температуры нагревателя и т.д. В вашем случае гальваническая развязка отсутствует вообще т.к. обе стороны соединяются по "земле". Имеет смысл убрать землю со стороны компа, тогда потенциал кузова авто не попадёт на корпус компа. И питание на резистор R24 взять с порта компьютера. Никакие характеристики схемы при этом не изменятся.
Если земли оставить, то можно вместо оптрона поставить обычный, а лучше составной транзистор.
Нажмите на изображение для увеличения
Название: Точечный рисунок (2).JPG
Просмотров: 1883
Размер:	9.4 Кб
ID:	3514

Последний раз редактировалось ГОГА; 03.09.2007 в 03:18.
ГОГА вне форума   Ответить с цитированием
Ответ


Здесь присутствуют: 1 (пользователей: 0 , гостей: 1)
 

Ваши права в разделе
Вы не можете создавать новые темы
Вы не можете отвечать в темах
Вы не можете прикреплять вложения
Вы не можете редактировать свои сообщения

BB коды Вкл.
Смайлы Вкл.
[IMG] код Вкл.
HTML код Выкл.



Часовой пояс GMT +4, время: 17:29.


Работает на vBulletin® версия 3.8.4.
Copyright ©2000 - 2026, Jelsoft Enterprises Ltd.
Перевод: zCarot