PCCar.ru - Ваш автомобильный компьютер

Вернуться   PCCar.ru - Ваш автомобильный компьютер > MP3Car ТехИнфа > Беcпроводные коммуникации > Радио/ТВ

Ответ
 
Опции темы Поиск в этой теме
Старый 06.12.2011, 20:37   #141
JUKILO
Новый Пользователь
 
Регистрация: 26.10.2009
Возраст: 39
Регион: 54
Сообщений: 17
JUKILO is on a distinguished road
По умолчанию

таки, собрал я сей девайс и оттестил.
включал через dklm7001
минус - один: выключаешь программу - радио все-равно поет.
через транс не решился выключать.
вопрос: возможно ли программно отключать звук линейного входа (чтобы не залезать в настройку звука, ну т.е. выключил прогу - звук потух.

сам я не программер - прошу помощи в сем вопросе

и еще вопросик - у меня разрешение 7дюймового экрана - 800х600 (ну 800 точно, про 600 не помню) окно программы при включении каждый раз где-то сбоку, можно ли его закрепить как нить по центру

и еще интересует применение centrafuse с данным девайсом, где можно ее найти, скачать
JUKILO вне форума   Ответить с цитированием
Старый 16.01.2012, 01:20   #142
Kesha
Пользователь
 
Регистрация: 30.07.2007
Регион: 66, 96
Сообщений: 39
Kesha is on a distinguished road
По умолчанию

И снова здравствуйте !

Как мы все знаем, производители мат.плат считают LPT-порт архаикой и новые мамки оным не снабжают...Знать-то - знаем, а в нужный момент забываем.
Вот и я столкнулся с вопросом прикручивания радио-девайса к Asrock E350...
Ну, нет LPT, ладно, сейчас до магазинчика сползаю, да usb2lpt адаптер прикуплю,
помню ж, что и FTDI есть и Prolofic-и. В наличии оказались PL2305, взял...
Ошибка ! Надо было сперва инет почитать.
Выяснилось, что порт Prolific-овские девайсы не эмулируют, а создают "Устройство поддержки USB-принтера", с коим в нашей ситуации никаким местом работать не получится...
FTDI, как выяснилось, большая редкость,
а выход нашелся в безымянной PCIe плате на чипе OXPCIe952, несущей на себе 1 LPT и 2COM (один не распаян)...

Поставил, работает, со спящим режимом - ок, только пришлось ковыряться в исходниках exe-версии FmAvto - адрес у порта не стандартный (H378), a E010...
И ради замены в Fmavto.vb значений "888" на "57360" качал монстроподобную Visual-студию, пытался понять, чем она недовольна, исправлял, etc, etc, etc и, наконец, скомпилил exe-шник ...
Всяко доволен, но на очереди еще правка CF-плагина...

P.S. мысли вслух - может, для подобных случаев стоило бы брать адреса из внешнего легко редактируемого источника ? - ini или тот же Access-овский файлик...
Kesha вне форума   Ответить с цитированием
Старый 01.04.2012, 17:57   #143
gt8800
Новый Пользователь
 
Регистрация: 14.12.2011
Город: Лахденпохья
Регион: 10
Машина: Тойота е-150
Сообщений: 1
gt8800 is on a distinguished road
По умолчанию

Подскажите подойдет FAE313 под ваш проект ,и где бы нарыть инфы на этот модуль
gt8800 вне форума   Ответить с цитированием
Старый 22.10.2012, 16:55   #144
boom2j
Пользователь
 
Регистрация: 04.03.2012
Возраст: 49
Город: Волгоград
Регион: 34
Машина: Королла АЕ92
Сообщений: 46
boom2j is on a distinguished road
По умолчанию

Здравствуйте, собираю радио, но не нашёл самой схемы, блок FAE 347, как у вас в теме, пришлите пожалуйста схему,я в теме её не обнаружил.
30.10.2012г
P.S Сегодня запустил NV FM Радио третья ревизия,заработало сразу.Спасибо автору.Буду теперь разбираться с программным обеспечением.

Последний раз редактировалось boom2j; 30.10.2012 в 01:08.
boom2j вне форума   Ответить с цитированием
Старый 07.11.2012, 23:36   #145
boom2j
Пользователь
 
Регистрация: 04.03.2012
Возраст: 49
Город: Волгоград
Регион: 34
Машина: Королла АЕ92
Сообщений: 46
boom2j is on a distinguished road
По умолчанию готовый проект

Вот и фото готового устройства,сенкс автору.


boom2j вне форума   Ответить с цитированием
Старый 28.10.2013, 11:38   #146
D@nger
Старший Пользователь
 
Регистрация: 14.07.2010
Возраст: 38
Город: Киров
Регион: 43
Машина: Audi a4
Сообщений: 243
D@nger is on a distinguished road
По умолчанию

подниму тему, есть у кого схема а не чертеж монтажной платы?
D@nger вне форума   Ответить с цитированием
Старый 28.10.2013, 11:45   #147
nrubanov
Старший Пользователь
 
Аватар для nrubanov
 
Регистрация: 11.01.2009
Возраст: 40
Город: Москва
Регион: 77, 97, 99, 177
Машина: Немецкий Ведроид, С25XE, АКПП, ГУР, АБС
Сообщений: 174
nrubanov is on a distinguished road
По умолчанию

У меня есть. Напиши свою почту, скину.
__________________
Первый проект "Accent" -http://pccar.ru/showthread.php?t=732...E0%ED%E3%E5%EB Продана
Второй проект - "Skoda Felicia Project" - http://pccar.ru/showthread.php?t=9401 Продана
Последний проект Daewoo Nexia 2 - http://pccar.ru/showthread.php?t=10827 Закрыт - машина разбита.
Скоро, на дорогах страны - ведроид 1.0 Alles in einem
nrubanov вне форума   Ответить с цитированием
Старый 28.10.2013, 12:44   #148
D@nger
Старший Пользователь
 
Регистрация: 14.07.2010
Возраст: 38
Город: Киров
Регион: 43
Машина: Audi a4
Сообщений: 243
D@nger is on a distinguished road
По умолчанию

отправил в личку =)
D@nger вне форума   Ответить с цитированием
Старый 30.10.2013, 15:32   #149
D@nger
Старший Пользователь
 
Регистрация: 14.07.2010
Возраст: 38
Город: Киров
Регион: 43
Машина: Audi a4
Сообщений: 243
D@nger is on a distinguished road
По умолчанию

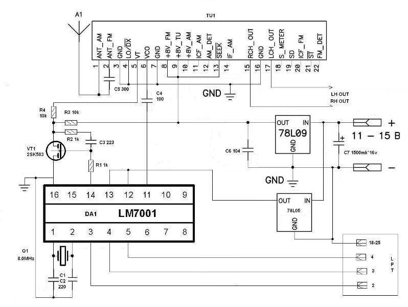
поправил монтажку для соневского тюнера, может проверить кто правильно ли?


монтажка взята из первого поста и переделал только посадочное место самого тюнера
Миниатюры
Нажмите на изображение для увеличения
Название: тюнер sony.jpg
Просмотров: 1142
Размер:	149.9 Кб
ID:	33363   Нажмите на изображение для увеличения
Название: Схема под соневский тюнер.jpg
Просмотров: 1640
Размер:	56.4 Кб
ID:	33364  
D@nger вне форума   Ответить с цитированием
Старый 02.11.2013, 15:06   #150
D@nger
Старший Пользователь
 
Регистрация: 14.07.2010
Возраст: 38
Город: Киров
Регион: 43
Машина: Audi a4
Сообщений: 243
D@nger is on a distinguished road
По умолчанию

Собрал данную схему, не ловит одно шипение, если на 5 ногу повесить переменный резистор, то ловит нормально, т.е не управляет лм7001 где может быть косяк?
D@nger вне форума   Ответить с цитированием
Ответ


Здесь присутствуют: 1 (пользователей: 0 , гостей: 1)
 

Ваши права в разделе
Вы не можете создавать новые темы
Вы не можете отвечать в темах
Вы не можете прикреплять вложения
Вы не можете редактировать свои сообщения

BB коды Вкл.
Смайлы Вкл.
[IMG] код Вкл.
HTML код Выкл.



Часовой пояс GMT +4, время: 20:59.


Работает на vBulletin® версия 3.8.4.
Copyright ©2000 - 2026, Jelsoft Enterprises Ltd.
Перевод: zCarot