PCCar.ru - Ваш автомобильный компьютер

Вернуться   PCCar.ru - Ваш автомобильный компьютер > MP3Car ТехИнфа > Общение с машиной

Ответ
 
Опции темы Поиск в этой теме
Старый 14.03.2012, 10:17   #2561
GASCHE
Старший Пользователь
 
Аватар для GASCHE
 
Регистрация: 01.04.2010
Регион: 35
Сообщений: 697
GASCHE is on a distinguished road
По умолчанию

Цитата:
Сообщение от Dazzle Посмотреть сообщение
А куда девается разрежение,которое "дошло" до б\бака,ведь клапан крышки оного как раз обязан удерживать это самое разрежение?
Цитата:
Under some conditions, the fuel tank operates under a slight pressure to reduce the possibility of pump cavitation due to fuel vaporization. Pressure is created by unused fuel returning to the tank and is maintained by check valve #2 in the charcoal canister and the check valve in the fuel tank cap.
Цитата:
Сообщение от Dazzle Посмотреть сообщение
Ведь шланг,по которому эти пары поступают во вп.коллектор не проходит через MAF,т.е. не учитываются.
Цитата:
To put the EVAP system through it's normal purge cycle, the vehicle can be driven at highway speeds for five minutes. This should purge any vapor from the canister which would normally accumulate during the above mentioned conditions.
Переводчик из меня плохой, так что сами дерзайте.
GASCHE вне форума   Ответить с цитированием
Старый 14.03.2012, 11:05   #2562
Tanat
Новый Пользователь
 
Регистрация: 10.03.2012
Город: Семипалатинск
Регион: Казахстан
Машина: Toyota Camry 20 CE 1999
Сообщений: 3
Tanat is on a distinguished road
По умолчанию

Цитата:
Сообщение от Virtual Посмотреть сообщение
разряжение в баке создается для засасывания паров в впуск и сжигание оных
для засасывания не ток из бака но и из коробки адсорбера для продувки оного и подготовки к следующему циклу работы
(одним концом коробка в бак а другим в атмосферу.)
Это есть правда, судя по схеме.
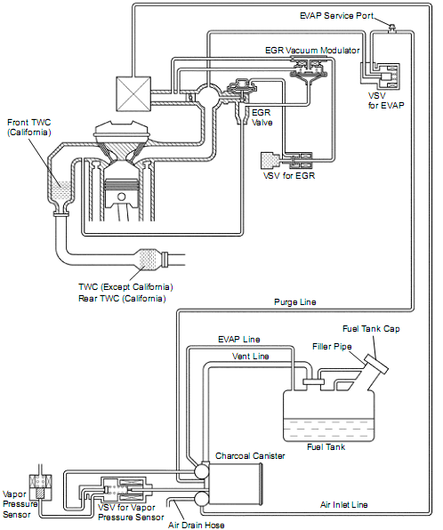
VSV for EVAP стоит между впускным коллектором и абсорбером, а с фильтра идет линия чистого воздуха. Получается, что б/бак время от времени продувается свежим воздухом, а пары должны через тот самый VSV for EVAP попасть во впускной коллектор на сжигание.
На youtube.com по поводу этой ошибки есть видеоролик на буржуйском языке, где, по моему, ошибка в клапане VSV for VAPOR. Потому как он в должное время не открывается, чтобы пары пошли куда надо или продулся абсорбер.
У меня же, при резком нажатии на педаль газа, воздухан будто задыхается, а через секунду в норму и двигатель как подымет обороты. Поэтому склонен думать, что VSV for EVAP в этот момент открывается, но из-за ненормальной работы либо VAPOR SENSOR, либо VSV fro VAPOR в абсорбере создается избыточное разряжение и воздух идет не к VSV for EVAP, а от него в этот абсорбер. Субъективно могу сказать эти причины и являются провалами оборотов и повышением расхода топлива. Теперь теорию нужно проверить экспериментально. Вот тока не знаю когда руки доберутся.
А общественность что думает по всему этому?
Миниатюры
Нажмите на изображение для увеличения
Название: система улавливания паров.png
Просмотров: 1879
Размер:	79.2 Кб
ID:	25823   Нажмите на изображение для увеличения
Название: система улавливания паров 2.png
Просмотров: 2161
Размер:	112.5 Кб
ID:	25824  

Последний раз редактировалось Tanat; 14.03.2012 в 15:39.
Tanat вне форума   Ответить с цитированием
Старый 14.03.2012, 11:45   #2563
Tanat
Новый Пользователь
 
Регистрация: 10.03.2012
Город: Семипалатинск
Регион: Казахстан
Машина: Toyota Camry 20 CE 1999
Сообщений: 3
Tanat is on a distinguished road
По умолчанию

Цитата:
Сообщение от GASCHE Посмотреть сообщение
To put the EVAP system through it's normal purge cycle, the vehicle can be driven at highway speeds for five minutes. This should purge any vapor from the canister which would normally accumulate during the above mentioned conditions.
Переводчик из меня плохой, так что сами дерзайте.
Тут говорится, что нужно чтоб двигатель на больших оборотах поработал, тогда система вентиляции паров и абсорбер продуются.
Продуться то продуются, а вот клапан или датчик таким образом в чувства не приведешь, как мне кажется. Потому что, сколько бы не перегазовывал, сколько бы по трассе не мотался на больших оборотах ошибка как была на месте так и никуда ни делась, потому что появляется через некоторое время после сброса ошибок ЭБУ.

Последний раз редактировалось Tanat; 14.03.2012 в 14:37.
Tanat вне форума   Ответить с цитированием
Старый 14.03.2012, 15:49   #2564
Virtual
Гуру
 
Регистрация: 07.11.2009
Возраст: 51
Регион: 02
Машина: Hyundai Accent :)
Сообщений: 1,361
Virtual has a spectacular aura aboutVirtual has a spectacular aura about
По умолчанию

Tanat хватит теоретизировать просто сними клапан (VSV for EVAP) и проверь.
вероятно он без напряжения будет продуваться.... или клинить периодически!.
__________________
Accent + Mystery MMT-8120S+ежик700_2Gssd_798МГц проц
Virtual вне форума   Ответить с цитированием
Старый 14.03.2012, 16:12   #2565
GASCHE
Старший Пользователь
 
Аватар для GASCHE
 
Регистрация: 01.04.2010
Регион: 35
Сообщений: 697
GASCHE is on a distinguished road
По умолчанию

Цитата:
Сообщение от Tanat Посмотреть сообщение
У меня же, при резком нажатии на педаль газа, воздухан будто задыхается, а через секунду в норму и двигатель как подымет обороты.
Что значит выражение "воздухан будто задыхается"? Вы сравните отверстие открываемое заслонкой при резком нажатии на педаль и отверстие vacuum purge port (P) и сразу поймете, на что оно может влиять. Что мешает изолировать систему EVAP и проверить, как двигатель будет работать без нее, пережав или сняв трубочку с P заглушив ее при этом.
Цитата:
Сообщение от Tanat Посмотреть сообщение
Продуться то продуются, а вот клапан или датчик таким образом в чувства не приведешь, как мне кажется. Потому что, сколько бы не перегазовывал, сколько бы по трассе не мотался на больших оборотах ошибка как была на месте так и никуда ни делась, потому что появляется через некоторое время после сброса ошибок ЭБУ.
Я вроде ни чего про ошибку и не говорил, если подозрение на клапан то снимите его и подайте на него напряжение 12 вольт, должен щелкать, если нет, то ремонт или замена что проще.
GASCHE вне форума   Ответить с цитированием
Старый 14.03.2012, 16:54   #2566
Fireman
Новый Пользователь
 
Регистрация: 14.04.2011
Возраст: 51
Город: Хабаровск
Регион: 27
Сообщений: 4
Fireman is on a distinguished road
По умолчанию

Проверка системы продувки угольного адсорбера:
Пережать шланг продувочного канала, чтобы прекратить поступление углеводородов, и проверить параметры O2S и Short FT в таблице данных. Нормальное состояние: при пережатии шланга значения двух указанных параметров должны остаться неизменными.
Fireman вне форума   Ответить с цитированием
Старый 14.03.2012, 16:55   #2567
Tanat
Новый Пользователь
 
Регистрация: 10.03.2012
Город: Семипалатинск
Регион: Казахстан
Машина: Toyota Camry 20 CE 1999
Сообщений: 3
Tanat is on a distinguished road
По умолчанию

Лан, не буду терроризировать. Буду проверять. Благодарю за внимание всех. Просто думал может кто с такими же проблемами сталкивался.
Tanat вне форума   Ответить с цитированием
Старый 14.03.2012, 17:13   #2568
Virtual
Гуру
 
Регистрация: 07.11.2009
Возраст: 51
Регион: 02
Машина: Hyundai Accent :)
Сообщений: 1,361
Virtual has a spectacular aura aboutVirtual has a spectacular aura about
По умолчанию

я сталкивался, и не раз! но на Акцентах та-же самая ош и симптомы... (ранее описывал!)
всегда был виноват клапан (и часто в придачу забитый грязью абсорбер)
__________________
Accent + Mystery MMT-8120S+ежик700_2Gssd_798МГц проц
Virtual вне форума   Ответить с цитированием
Старый 14.03.2012, 17:20   #2569
Tanat
Новый Пользователь
 
Регистрация: 10.03.2012
Город: Семипалатинск
Регион: Казахстан
Машина: Toyota Camry 20 CE 1999
Сообщений: 3
Tanat is on a distinguished road
По умолчанию

Цитата:
Сообщение от Virtual Посмотреть сообщение
я сталкивался, и не раз! но на Акцентах та-же самая ош и симптомы... (ранее описывал!)
всегда был виноват клапан (и часто в придачу забитый грязью абсорбер)
О, спасибо. Не думаю, что система будет в корне отличаться. Буду терроризировать клапан и абсорбер.
Tanat вне форума   Ответить с цитированием
Старый 23.03.2012, 11:47   #2570
Владимир54
Новый Пользователь
 
Регистрация: 23.03.2012
Возраст: 57
Город: Новосибирск
Регион: 54
Машина: ТЛК Прадо120
Сообщений: 1
Владимир54 is on a distinguished road
По умолчанию Обороты ХХ после замены датчика кислорода

Здравствуйте! Подскажите, как вылечить автомобиль ТЛКПрадо120?
После самостоятельной замены кислородного датчика обороты ХХ увеличились до 850.
Владимир54 вне форума   Ответить с цитированием
Ответ

Метки
диагностика jobd toyota


Здесь присутствуют: 1 (пользователей: 0 , гостей: 1)
 

Ваши права в разделе
Вы не можете создавать новые темы
Вы не можете отвечать в темах
Вы не можете прикреплять вложения
Вы не можете редактировать свои сообщения

BB коды Вкл.
Смайлы Вкл.
[IMG] код Вкл.
HTML код Выкл.



Часовой пояс GMT +4, время: 16:09.


Работает на vBulletin® версия 3.8.4.
Copyright ©2000 - 2026, Jelsoft Enterprises Ltd.
Перевод: zCarot