PCCar.ru - Ваш автомобильный компьютер

Вернуться   PCCar.ru - Ваш автомобильный компьютер > MP3Car ТехИнфа > Разработка устройств

Ответ
 
Опции темы Поиск в этой теме
Старый 01.02.2012, 21:28   #1
goga7615
Новый Пользователь
 
Регистрация: 18.09.2011
Возраст: 44
Регион: 76
Машина: Nissan Maxima A33
Сообщений: 0
goga7615 is on a distinguished road
По умолчанию Помогите нарисовать схему

Всем здравствуйте! Решил обратиться за помощью к знающим людям, так как сам я в этом, мягко говоря, не силен. Помогите нарисовать схему девайса, на входе которого 12 В, а на выходе 6-8 каналов по 12 В с ипульсом около 1-2 сек.(хорошо если бы длину импульса можно было регулировать), каналы должны включаться поочередно.
Девайс нужен для промывки топливных форсунок, так как перетыкать провода на каждую форснку замучаешься. Заранее спасибо
goga7615 вне форума   Ответить с цитированием
Старый 10.02.2012, 01:34   #2
В__В
Пользователь
 
Регистрация: 26.12.2010
Регион: 61
Сообщений: 31
В__В is on a distinguished road
По умолчанию

Пишите в Гугле "Бегущие огни", вываливается куча схем, выбираете под свои требования, светодиоды заменяем на релюхи и вуаля промывочный стенд готов Например http://electroscheme.org/944-begushh...todiodami.html R1 заменяем переменным+ограничительный резистор и регулируете длительность
В__В вне форума   Ответить с цитированием
Старый 10.02.2012, 11:29   #3
goga7615
Новый Пользователь
 
Регистрация: 18.09.2011
Возраст: 44
Регион: 76
Машина: Nissan Maxima A33
Сообщений: 0
goga7615 is on a distinguished road
По умолчанию

Спасибо, отличная идея... Только я не понял, а что значит "+ограничительный резистор"
goga7615 вне форума   Ответить с цитированием
Старый 10.02.2012, 15:19   #4
В__В
Пользователь
 
Регистрация: 26.12.2010
Регион: 61
Сообщений: 31
В__В is on a distinguished road
По умолчанию

Вместо R1 ставим это. Если поставить просто переменник, то в одном из крайних положений он замкнет и генерация сорвется. В любом случае номиналы резисторов придется подобрать, для получения требуемого диапазона выдержек В приведенной схеме частота 15 Гц это многовато, надобно увеличить С1 до 5-10мКф Найдите в инете документацию на 555 там есть формулы расчета таймингов. А также между выходами счетчика и базами транзисторов поставить резисторы по 1 кОм. А еще удобнее заменить транзисторы на ULN 2003или2004 Это ключи именно для Ваших целей в ней и резисторы и защитные диоды для реле интегрированы Правда 7или8 каналов не помню надо ставить две. Кстати счетчик 4017 кажись можно закольцевать и получить меньшее кол-во выходов.
Или к выходам 4017 цепляем MOSFET-транзисторы на соответствующий ток. Нахрен релюхи, они щелкают
Миниатюры
Нажмите на изображение для увеличения
Название: 555.JPG
Просмотров: 1138
Размер:	10.5 Кб
ID:	25383  

Последний раз редактировалось В__В; 10.02.2012 в 16:08.
В__В вне форума   Ответить с цитированием
Старый 10.02.2012, 15:25   #5
goga7615
Новый Пользователь
 
Регистрация: 18.09.2011
Возраст: 44
Регион: 76
Машина: Nissan Maxima A33
Сообщений: 0
goga7615 is on a distinguished road
По умолчанию

Спасибо, понял.
goga7615 вне форума   Ответить с цитированием
Старый 11.02.2012, 23:24   #6
goga7615
Новый Пользователь
 
Регистрация: 18.09.2011
Возраст: 44
Регион: 76
Машина: Nissan Maxima A33
Сообщений: 0
goga7615 is on a distinguished road
По умолчанию

Цитата:
Сообщение от В__В Посмотреть сообщение
есть формулы расчета таймингов. ... Кстати счетчик 4017 кажись можно закольцевать и получить меньшее кол-во выходов.
Ну это я нашел http://radiokot.ru/circuit/light/run/02/
Цитата:
А еще удобнее заменить транзисторы на ULN 2003или2004 Это ключи именно для Ваших целей в ней и резисторы и защитные диоды для реле интегрированы Правда 7или8 каналов не помню надо ставить две.
Максимальный ток 0.6 А мне кажется маловато будет, микруха наверно может не выдержать...
Цитата:
Или к выходам 4017 цепляем MOSFET-транзисторы на соответствующий ток.
Это вроде по реальней будет, правда их море, какие выбрать?..
Еще вопросик по схеме: зачем там конденсаторы С2 и С3, на приципиальной схеме они вообще как-то отдельно нарисованы.
Печатку-то видимо эту использовать не получится, придется заново рисовать?
Посоветуйте недорогой БП 5, 12 В, хотелось бы чтобы от этого блока еще и бензонасос работал, но БП такой мощности уж больно дорого стоит или я ошибаюсь?

Последний раз редактировалось goga7615; 12.02.2012 в 00:17.
goga7615 вне форума   Ответить с цитированием
Старый 13.02.2012, 14:40   #7
В__В
Пользователь
 
Регистрация: 26.12.2010
Регион: 61
Сообщений: 31
В__В is on a distinguished road
По умолчанию

С2 и с3 -фильтр питания ставить обязательно, причем рядом с каждой микросхемой. MOSFET из расчета наличия\цена в Вашем регионе Пусть теже IRFZ44 недорогие и ширпотребовские. Между затвором и счетчиком поставьте 10кОм резисторы.
Я не знаю ток потребления бензонасоса, только ток не такой и огромный. Каждая форсунка включается поочередно. Ток одной форсунки+ток бензонасоса, не так много. Найдите старый трансформатор, 4диода конденсаторы и стабилизаторы 7805 для питания м\с, 7812(радиатор) должна потянуть форсунку с насосом.
В__В вне форума   Ответить с цитированием
Старый 14.02.2012, 00:46   #8
goga7615
Новый Пользователь
 
Регистрация: 18.09.2011
Возраст: 44
Регион: 76
Машина: Nissan Maxima A33
Сообщений: 0
goga7615 is on a distinguished road
По умолчанию

Цитата:
Сообщение от В__В Посмотреть сообщение
Между затвором и счетчиком поставьте 10кОм резисторы.
Найдите старый трансформатор, 4диода конденсаторы и стабилизаторы 7805 для питания м\с, 7812(радиатор) должна потянуть форсунку с насосом.
Между счетчиком и чем поставить резистор?
Можно поподробней по поводу тр-ра, имеете ввиду напряжение 12-ти вольтового тр-ра понизить до 5 В?

Сегодня попросил друга поискать в закромах БП от старых компов, он бы мне точно подошел, но ЗДОРОВ зараза...
goga7615 вне форума   Ответить с цитированием
Старый 14.02.2012, 02:57   #9
В__В
Пользователь
 
Регистрация: 26.12.2010
Регион: 61
Сообщений: 31
В__В is on a distinguished road
По умолчанию

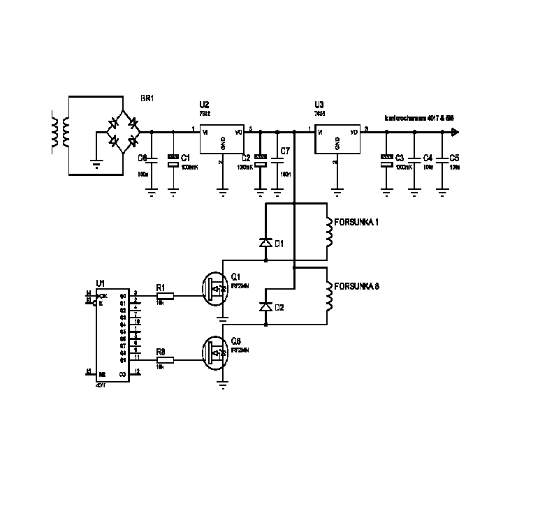
Надеюсь вспешке не накосячил
Изображения
Тип файла: bmp 170.bmp (70.9 Кб, 1215 просмотров)
Вложения
Тип файла: rar 123.rar (32.8 Кб, 657 просмотров)
В__В вне форума   Ответить с цитированием
Ответ


Здесь присутствуют: 1 (пользователей: 0 , гостей: 1)
 

Ваши права в разделе
Вы не можете создавать новые темы
Вы не можете отвечать в темах
Вы не можете прикреплять вложения
Вы не можете редактировать свои сообщения

BB коды Вкл.
Смайлы Вкл.
[IMG] код Вкл.
HTML код Выкл.



Часовой пояс GMT +4, время: 12:38.


Работает на vBulletin® версия 3.8.4.
Copyright ©2000 - 2026, Jelsoft Enterprises Ltd.
Перевод: zCarot