PCCar.ru - Ваш автомобильный компьютер

Вернуться   PCCar.ru - Ваш автомобильный компьютер > MP3Car ТехИнфа > Вопросы и ответы

Ответ
 
Опции темы Поиск в этой теме
Старый 13.11.2011, 19:24   #31
CyberSubaru
Гуру
 
Аватар для CyberSubaru
 
Регистрация: 20.01.2010
Возраст: 44
Город: Владивосток
Регион: 25
Машина: Subaru Impreza GF/GG
Сообщений: 1,064
CyberSubaru has a spectacular aura aboutCyberSubaru has a spectacular aura aboutCyberSubaru has a spectacular aura about
По умолчанию

Цитата:
Сообщение от Dj Aleks Посмотреть сообщение
Собственно подскажите плиз, кроме FT232RL можно еще на чем то спаять к arduino
Любой USB шнурок от старого сотика.
__________________
Subaru Impreza GF H6 BMW Style PROJECT : - постройка.
Было: 2литра / PIII-650/SSD32GB/9.5"/SB X-FI/GPS/3G/OBD2/...
Строю: 3литра / I5-MOBILE/500/12"/SB X-FI/GPS/3G/OBD2/...
pccar
Drive2
-----
Impreza Lite: Allwinner A13 (DNS E76) - Cortex A8 1GHz
http://www.pccar.ru/showthread.php?t=18574
CyberSubaru вне форума   Ответить с цитированием
Старый 13.11.2011, 20:05   #32
Alex-L
Moderator
 
Аватар для Alex-L
 
Регистрация: 23.03.2008
Возраст: 55
Город: Москва, Нагорная
Регион: 77, 97, 99, 177
Машина: Mitsubishi Lancer-X
Сообщений: 2,096
Alex-L is a splendid one to beholdAlex-L is a splendid one to beholdAlex-L is a splendid one to beholdAlex-L is a splendid one to beholdAlex-L is a splendid one to beholdAlex-L is a splendid one to beholdAlex-L is a splendid one to behold
По умолчанию

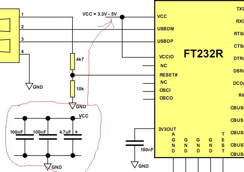
Ну не знаю - я с FT232 никогда никаких проблем не знал! Может правда непропай у вас где... или микрухи кривые. Хотя люди из разных регионов...

Нету в даташните никаких резисторов по USB! Я тоже не ставил. А вот бусинки - вещь хорошая и нужная! Я ставил по всем четырем проводам - картинко.

Цитата:
Сообщение от CyberSubaru Посмотреть сообщение
Любой USB шнурок от старого сотика.
Гениально!
Миниатюры
Нажмите на изображение для увеличения
Название: 232.JPG
Просмотров: 499
Размер:	50.6 Кб
ID:	24355  
Alex-L вне форума   Ответить с цитированием
Старый 13.11.2011, 21:03   #33
Virtual
Гуру
 
Регистрация: 07.11.2009
Возраст: 50
Регион: 02
Машина: Hyundai Accent :)
Сообщений: 1,361
Virtual has a spectacular aura aboutVirtual has a spectacular aura about
По умолчанию

резисторы по D+ D- это дурь имхо. а вот
3 кондера по питанию и дроселя это гут
Миниатюры
Нажмите на изображение для увеличения
Название: 1.JPG
Просмотров: 517
Размер:	52.0 Кб
ID:	24357  
__________________
Accent + Mystery MMT-8120S+ежик700_2Gssd_798МГц проц
Virtual вне форума   Ответить с цитированием
Старый 13.11.2011, 22:24   #34
awtoap
Гуру
 
Аватар для awtoap
 
Регистрация: 19.09.2009
Возраст: 48
Город: Мелитополь
Регион: Украина
Сообщений: 2,022
awtoap is a splendid one to beholdawtoap is a splendid one to beholdawtoap is a splendid one to beholdawtoap is a splendid one to beholdawtoap is a splendid one to beholdawtoap is a splendid one to beholdawtoap is a splendid one to behold
По умолчанию

Есть определенные рекомендации на высокоскоростные цепи и резы с кондерами далеко не дурь...в даташите нету, но в модуле UM232 на том же сайти FTDI присутствуют, правда, только кондеры....в общем мое дело порекомендовать.
awtoap вне форума   Ответить с цитированием
Старый 13.11.2011, 23:34   #35
dadlick
Пользователь
 
Регистрация: 07.08.2009
Регион: 77, 97, 99, 177
Сообщений: 54
dadlick is on a distinguished road
По умолчанию

Цитата:
Сообщение от awtoap Посмотреть сообщение
Есть определенные рекомендации на высокоскоростные цепи и резы с кондерами далеко не дурь...в даташите нету, но в модуле UM232 на том же сайти FTDI присутствуют, правда, только кондеры....в общем мое дело порекомендовать.
В Даташите все есть ....
На первой же странице написано
Fully integrated USB termination resistors.
dadlick вне форума   Ответить с цитированием
Старый 14.11.2011, 11:43   #36
BlkDem
Старший Пользователь
 
Аватар для BlkDem
 
Регистрация: 21.10.2009
Возраст: 48
Город: Киселевск
Регион: 42
Машина: Kia Sorento 2.5TD AT TOD LSD
Сообщений: 524
BlkDem is just really niceBlkDem is just really niceBlkDem is just really niceBlkDem is just really nice
По умолчанию

Немного про ЛУТ. Тоже долго ип..лся с бумагой. Идеально получается, когда используешь бумагу-основу от самоклеящейся пленки. Печатать на глянцевой стороне. Тонер полностью остается на плате, ничего скарябывать не надо. Бумага отстает от платы практически сама. Сейчас делаю таким образом платы. Получается 10 из 10. Дорожки до 0,3. Тоньше не пробовал.
__________________
Планшет на Android -> USB-DAC (PCM2704 - SPDIF) -> Clarion HX-D2 -> Helix H500 Esprit -> Dynaudio MD100 + Миды из комплекта Pioneer TS-C131 PRS, доработанные Михаилом Nitro + Hertz F20 + Alpine PDX-1.600 + Auditor RIP 380.
BlkDem вне форума   Ответить с цитированием
Старый 14.11.2011, 12:11   #37
Dj Aleks
Старший Пользователь
 
Аватар для Dj Aleks
 
Регистрация: 13.05.2010
Возраст: 41
Город: Воронеж
Регион: 36
Машина: Jetta 6
Сообщений: 899
Dj Aleks is infamous around these parts
По умолчанию

Цитата:
Сообщение от BlkDem Посмотреть сообщение
Немного про ЛУТ. Тоже долго ип..лся с бумагой. Идеально получается, когда используешь бумагу-основу от самоклеящейся пленки. Печатать на глянцевой стороне. Тонер полностью остается на плате, ничего скарябывать не надо. Бумага отстает от платы практически сама. Сейчас делаю таким образом платы. Получается 10 из 10. Дорожки до 0,3. Тоньше не пробовал.
что это за пленка такая? которая в строительных магазинах что ли? можешь фотку кинуть!?
__________________
Мой проект http://pccar.ru/showthread.php?t=18618

Поспешишь, AIRBAG распушишь...

Dj Aleks вне форума   Ответить с цитированием
Старый 14.11.2011, 12:47   #38
BlkDem
Старший Пользователь
 
Аватар для BlkDem
 
Регистрация: 21.10.2009
Возраст: 48
Город: Киселевск
Регион: 42
Машина: Kia Sorento 2.5TD AT TOD LSD
Сообщений: 524
BlkDem is just really niceBlkDem is just really niceBlkDem is just really niceBlkDem is just really nice
По умолчанию

Обычна самоклейка. Продается в рулонах в строительных магазинах.

__________________
Планшет на Android -> USB-DAC (PCM2704 - SPDIF) -> Clarion HX-D2 -> Helix H500 Esprit -> Dynaudio MD100 + Миды из комплекта Pioneer TS-C131 PRS, доработанные Михаилом Nitro + Hertz F20 + Alpine PDX-1.600 + Auditor RIP 380.
BlkDem вне форума   Ответить с цитированием
Старый 14.11.2011, 12:48   #39
Dj Aleks
Старший Пользователь
 
Аватар для Dj Aleks
 
Регистрация: 13.05.2010
Возраст: 41
Город: Воронеж
Регион: 36
Машина: Jetta 6
Сообщений: 899
Dj Aleks is infamous around these parts
По умолчанию

как долго утюжишь, и т.д. расскажи подробнее или технология один в один как описывали выше..
__________________
Мой проект http://pccar.ru/showthread.php?t=18618

Поспешишь, AIRBAG распушишь...


Последний раз редактировалось Dj Aleks; 14.11.2011 в 13:20.
Dj Aleks вне форума   Ответить с цитированием
Старый 14.11.2011, 13:42   #40
BlkDem
Старший Пользователь
 
Аватар для BlkDem
 
Регистрация: 21.10.2009
Возраст: 48
Город: Киселевск
Регион: 42
Машина: Kia Sorento 2.5TD AT TOD LSD
Сообщений: 524
BlkDem is just really niceBlkDem is just really niceBlkDem is just really niceBlkDem is just really nice
По умолчанию

ЛУТ - он и в африке ЛУТ
Все как по учебнику. Нужно приноровиться.
Глажу секунд 30-40, потом в воду на 3-5 мин. И спокойно (неторопливо) снимаю бумагу. Именно снимаю. Не скатываю, не соскребаю. Довольно легко отходит.
__________________
Планшет на Android -> USB-DAC (PCM2704 - SPDIF) -> Clarion HX-D2 -> Helix H500 Esprit -> Dynaudio MD100 + Миды из комплекта Pioneer TS-C131 PRS, доработанные Михаилом Nitro + Hertz F20 + Alpine PDX-1.600 + Auditor RIP 380.
BlkDem вне форума   Ответить с цитированием
Ответ


Здесь присутствуют: 1 (пользователей: 0 , гостей: 1)
 

Ваши права в разделе
Вы не можете создавать новые темы
Вы не можете отвечать в темах
Вы не можете прикреплять вложения
Вы не можете редактировать свои сообщения

BB коды Вкл.
Смайлы Вкл.
[IMG] код Вкл.
HTML код Выкл.



Часовой пояс GMT +4, время: 20:38.


Работает на vBulletin® версия 3.8.4.
Copyright ©2000 - 2026, Jelsoft Enterprises Ltd.
Перевод: zCarot