PCCar.ru - Ваш автомобильный компьютер

Вернуться   PCCar.ru - Ваш автомобильный компьютер > MP3Car ТехИнфа > Разработка устройств

Ответ
 
Опции темы Поиск в этой теме
Старый 13.02.2007, 01:27   #41
mcf1
Guest
 
Сообщений: n/a
По умолчанию

пока не переделал, но пробывал в эту цепь засовывал один элемент от 561ой, те же яйца только в профиль
у меня возникает подозрение счетчик погорел от эксперементов
  Ответить с цитированием
Старый 13.02.2007, 01:36   #42
Beer100
Гуру
 
Аватар для Beer100
 
Регистрация: 04.01.2006
Возраст: 56
Город: Минск
Регион: Беларусь
Машина: 2002\Audi\A6 3.0i
Сообщений: 1,135
Beer100 will become famous soon enough
По умолчанию

В 561 микрухе элемент не инвертирует!!!! А тебе надо инвертировать выход счетчика!!!! Сделай как я нарисовал.
__________________
БП SL "умнай"- Сергея Лебедева (собственного изготовления), 7" Prology PCM-700, PIII 1,2 Tualatin, Intel i815, Video Gforce 440 64mb
, 2.5" HDD 40 Gb (Hitachi), 2.5" HDD 60 Gb (Fujitsu), PCI->USB2.0,
PCI TV tuner Beholder Behold TV 507 FM, DVD 5.25" (USB -> IDE переходник), GPS Globalsat BU-353, Web камера 3-COM, USB HUB D-Link, BT,
Софт: оболочка - Centrafuse, Навигация - GisRX, EDGE
Beer100 вне форума   Ответить с цитированием
Старый 13.02.2007, 01:39   #43
Beer100
Гуру
 
Аватар для Beer100
 
Регистрация: 04.01.2006
Возраст: 56
Город: Минск
Регион: Беларусь
Машина: 2002\Audi\A6 3.0i
Сообщений: 1,135
Beer100 will become famous soon enough
По умолчанию

как сгорела? А если 2 и 3 ноги отключить от 11, как ты делал, то работает?
__________________
БП SL "умнай"- Сергея Лебедева (собственного изготовления), 7" Prology PCM-700, PIII 1,2 Tualatin, Intel i815, Video Gforce 440 64mb
, 2.5" HDD 40 Gb (Hitachi), 2.5" HDD 60 Gb (Fujitsu), PCI->USB2.0,
PCI TV tuner Beholder Behold TV 507 FM, DVD 5.25" (USB -> IDE переходник), GPS Globalsat BU-353, Web камера 3-COM, USB HUB D-Link, BT,
Софт: оболочка - Centrafuse, Навигация - GisRX, EDGE
Beer100 вне форума   Ответить с цитированием
Старый 13.02.2007, 01:45   #44
mcf1
Guest
 
Сообщений: n/a
По умолчанию

утром буду пробывать
  Ответить с цитированием
Старый 13.02.2007, 07:04   #45
_SDY_
Пользователь
 
Регистрация: 17.03.2006
Возраст: 48
Город: Владивосток
Регион: 25
Машина: Карина
Сообщений: 60
_SDY_ will become famous soon enough
По умолчанию

Цитата:
Сообщение от Beer100 Посмотреть сообщение
...Во втором варианте ты добавил триггер, но почему-то не заметил, что этот триггер у меня уже стоит, только я его взял в счетчике ИЕ5, он там незадействован. Зачем добавлять новую микруху?
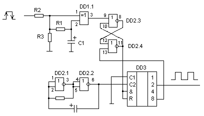
А я новых микросхем и не добавлял... Там тоже три микросхемы. Только вместо ЛА3 у меня ЛЕ1. Кстати, судя по внутренней архитектуре ИЕ5 (я не знал как там внутри, думал - это просто счетчик, а тут как бы два счетчика) надо мою схему переделать (рисунок ниже).
Кстати, для гарантированного формирования импульса по спаду можно добавить два резистора R2 и R3. Если R1 - 1K, то R2 - 2K, R3 - 1K (вроде бы так). Тогда вход - 12В.
Изображения
Тип файла: bmp 2 imp2.bmp (11.8 Кб, 2088 просмотров)
_SDY_ вне форума   Ответить с цитированием
Старый 13.02.2007, 07:16   #46
_SDY_
Пользователь
 
Регистрация: 17.03.2006
Возраст: 48
Город: Владивосток
Регион: 25
Машина: Карина
Сообщений: 60
_SDY_ will become famous soon enough
По умолчанию

А есть еще один вариант (на современной элементной базе :-))). Один корпус ATTiny11 или ATTiny12.
Это - исходник прошивки:

8<----8<----8<----8<----8<----8<----8<----8<----

.include "TN11DEF.INC" ; include chip definition
;------------------------------
.def temp1=r16
.def temp2=r17
.def temp3=r18
.def PulseFlag=r19
.def Counter=r20
;------------------------------
rjmp RESET ; Reset Handle
rjmp INT0VECT ; External Interrupt0 Vector Address
rjmp NOVECT ; Pin change Interrupt Vector Address
rjmp OVF0VECT ; Overflow0 Interrupt Vector Address
rjmp NOVECT ; (EEPROM ready Interrupt Vector Address ATTiny12) Analog Comparator Interrupt Vector Address ATTiny11
rjmp NOVECT ; Analog Comparator Interrupt Vector Address ATTiny12
;------------------------------
RESET:
; init timer
ldi temp1, (1<<CS02)|(1<<CS00) ; enable timer, CLK/1024
out TCCR0, temp1
ldi temp1, (1<<TOIE0) ; enable Timer0 Overflow int
out TIMSK, temp1
; init int0
ldi temp1, (1<<INT0) ; enable int0
out GIMSK, temp1
ldi temp1, (1<<ISC00) ; int0 at change
out MCUCR, temp1
; init ports
ldi temp1, (1<<PINB0) ; 0 - output pin
out DDRB, temp1
; init val
ldi PulseFlag, 0
ldi Counter, 4
; enable interrupts
sei
;------------------------------
MAIN:
rjmp MAIN
;------------------------------
OVF0VECT:
in temp1, SREG ; Store the Status register in reg temp1
dec Counter
brne EX_OVF0VECT
ldi Counter, 4
; here's approx 1sec delay

tst PulseFlag
breq CLRPINB0
dec PulseFlag
mov temp3, PulseFlag
andi temp3, 1
breq CLRPINB0
sbi PORTB, PINB0
rjmp EX_OVF0VECT
CLRPINB0:
cbi PORTB, PINB0

EX_OVF0VECT:
out SREG, temp1 ; Restore Status register
reti
;------------------------------
INT0VECT:
in temp2, SREG ; Store the Status register in reg temp2

tst PulseFlag
brne EX_INT0VECT
ldi PulseFlag, 4

EX_INT0VECT:
out SREG, temp2 ; Restore Status register
reti
;------------------------------
NOVECT:
reti

8<----8<----8<----8<----8<----8<----8<----8<----

4-я нога - земля, 8-я нога - питание, на 6-ю ногу через резисторный делитель подать сигнал вкл/выкл заднего хода, с 5-й ноги снимать импульсы.

Итого - 3 детали :-) два резистора, одна микросхема (всего о восьми ногах), а не куча логики.
_SDY_ вне форума   Ответить с цитированием
Старый 13.02.2007, 09:06   #47
mcf1
Guest
 
Сообщений: n/a
По умолчанию

Цитата:
Сообщение от _SDY_ Посмотреть сообщение
А есть еще один вариант (на современной элементной базе :-))). Один корпус ATTiny11 или ATTiny12.
круто
программу сам написал?
где взять программатор?
  Ответить с цитированием
Старый 13.02.2007, 09:24   #48
_SDY_
Пользователь
 
Регистрация: 17.03.2006
Возраст: 48
Город: Владивосток
Регион: 25
Машина: Карина
Сообщений: 60
_SDY_ will become famous soon enough
По умолчанию

Там писать нечего. ;-)
Программатор на COM порт:
Миниатюры
Нажмите на изображение для увеличения
Название: gromov.jpg
Просмотров: 2442
Размер:	22.0 Кб
ID:	1737  
_SDY_ вне форума   Ответить с цитированием
Старый 13.02.2007, 09:30   #49
_SDY_
Пользователь
 
Регистрация: 17.03.2006
Возраст: 48
Город: Владивосток
Регион: 25
Машина: Карина
Сообщений: 60
_SDY_ will become famous soon enough
По умолчанию

Но, сначала исходник надо скомпилировать. Я использовал VMLAB.
Потом уже заливать объектный код в микроконтроллер. Я использую программу uniprof.

Здесь уже готовый для заливки скомпилированный объектный код:
Вложения
Тип файла: zip 2imp.zip (256 байт, 893 просмотров)
_SDY_ вне форума   Ответить с цитированием
Старый 13.02.2007, 14:11   #50
mcf1
Guest
 
Сообщений: n/a
По умолчанию

а в программе можно будет подправить длинну импульсов и длительность паузы между ними?

Последний раз редактировалось mcf1; 13.02.2007 в 17:58.
  Ответить с цитированием
Ответ


Здесь присутствуют: 1 (пользователей: 0 , гостей: 1)
 

Ваши права в разделе
Вы не можете создавать новые темы
Вы не можете отвечать в темах
Вы не можете прикреплять вложения
Вы не можете редактировать свои сообщения

BB коды Вкл.
Смайлы Вкл.
[IMG] код Вкл.
HTML код Выкл.



Часовой пояс GMT +4, время: 23:48.


Работает на vBulletin® версия 3.8.4.
Copyright ©2000 - 2026, Jelsoft Enterprises Ltd.
Перевод: zCarot