PCCar.ru - Ваш автомобильный компьютер

Вернуться   PCCar.ru - Ваш автомобильный компьютер > MP3Car ТехИнфа > Беcпроводные коммуникации > Радио/ТВ

Ответ
 
Опции темы Поиск в этой теме
Старый 05.11.2010, 00:36   #1131
badnetrnd
Старший Пользователь
 
Регистрация: 11.08.2009
Возраст: 38
Город: Ростов на Дону
Регион: 61
Машина: фф2
Сообщений: 338
badnetrnd is on a distinguished road
По умолчанию

всё конечно хорошо только теперь стал вопрос о подключение к usb каким образом это лучше осуществить через ft245 или atmega8 ?
__________________
машина продана вместе с компьютером
badnetrnd вне форума   Ответить с цитированием
Старый 05.11.2010, 14:45   #1132
s.m.
Гуру
 
Регистрация: 20.07.2009
Город: Минск
Регион: Беларусь
Сообщений: 1,543
s.m. is a splendid one to beholds.m. is a splendid one to beholds.m. is a splendid one to beholds.m. is a splendid one to beholds.m. is a splendid one to beholds.m. is a splendid one to beholds.m. is a splendid one to behold
По умолчанию

Цитата:
Сообщение от badnetrnd Посмотреть сообщение
всё конечно хорошо только теперь стал вопрос о подключение к usb каким образом это лучше осуществить через ft245 или atmega8 ?
никакой - разница только в софте. Еще, если уже подключены девайсы к компу с ft245, то могут быть конфликты (решается подключением дополнительного EEPROM к FT245). Если таких девайсов нет, то пофиг.
Софт был весь здесь (для FT245 и Atmega), в моем проекте (для FT245) и в ветке про USB FM радио (для Atmega)
s.m. вне форума   Ответить с цитированием
Старый 06.11.2010, 00:28   #1133
badnetrnd
Старший Пользователь
 
Регистрация: 11.08.2009
Возраст: 38
Город: Ростов на Дону
Регион: 61
Машина: фф2
Сообщений: 338
badnetrnd is on a distinguished road
По умолчанию

в ветке про usb radio которое из carmonitor как-то сильно не хорошо о нём отзываются особенно о драйверах и софте ! Вот я и думаю что будет менее глючным ?!
__________________
машина продана вместе с компьютером
badnetrnd вне форума   Ответить с цитированием
Старый 09.11.2010, 16:44   #1134
s.m.
Гуру
 
Регистрация: 20.07.2009
Город: Минск
Регион: Беларусь
Сообщений: 1,543
s.m. is a splendid one to beholds.m. is a splendid one to beholds.m. is a splendid one to beholds.m. is a splendid one to beholds.m. is a splendid one to beholds.m. is a splendid one to beholds.m. is a splendid one to behold
По умолчанию

Цитата:
в ветке про usb radio которое из carmonitor как-то сильно не хорошо о нём отзываются особенно о драйверах и софте ! Вот я и думаю что будет менее глючным ?!
насколько я знаю, претензии в основном у людей, пользующих win7 и ждущий/спящий режимы.
Я не пользуюсь ждущим/спящим и пользуюсь XP - проблем нет на FT245.
Может это вопросы к совместимости с Win7? А зачем она в машине?
Также есть вопросы по шумам - это кривое подключение девайса к остальному железу. Вопросы устранения токовых петель для любых аудиоустройств - эта проблема не специфичная для девайса, она любого аудио в авто касается.
Так причем здесь девайс? Не надо просто сваливать все в кучу и перекладывать кривизну своих рук на авторов девайса. У кого руки прямые - спаяли САМИ и решили ВСЕ проблемы (в этой ветке есть ВСЕ, что нужно). У кого не очень прямые - подняли хай. Для людей с не очень прямыми руками есть ЛАРТ/СИЛАБС - воткнул и работает
s.m. вне форума   Ответить с цитированием
Старый 09.11.2010, 17:31   #1135
Vic58
Старший Пользователь
 
Регистрация: 21.10.2009
Регион: 61
Сообщений: 603
Vic58 is on a distinguished road
По умолчанию

Цитата:
Сообщение от s.m. Посмотреть сообщение
У кого не очень прямые - подняли хай.
При чем тут руки? Предлагается девайс который по приобретению подключается к USB и звуку, ну или как-то еще, для этого должна быть инструкция, и все, он должен работать! Все премудрости и особенности должны быть учтены в конструкции, если этого нет, а по все видимости этого нет, поднимается, как Вы, уважаемый, заметили, хай.
Если, к примеру, покупается звуковая карта, для ее подключения не нужно бубна и других шаманств, включили, дрова поставили - работает. Как там убрали наводки, шумы, помехи, как обеспечили ее работу в системе, никого не касается, нужен конечный результат, за который, кстати, платятся деньги.
Vic58 вне форума   Ответить с цитированием
Старый 09.11.2010, 17:46   #1136
St@rz
Модератор
 
Аватар для St@rz
 
Регистрация: 27.05.2008
Возраст: 51
Город: Пермь
Регион: 59
Машина: INDESIT/2007
Сообщений: 1,330
St@rz is a splendid one to beholdSt@rz is a splendid one to beholdSt@rz is a splendid one to beholdSt@rz is a splendid one to beholdSt@rz is a splendid one to beholdSt@rz is a splendid one to beholdSt@rz is a splendid one to behold
По умолчанию

Все так, но даже с тем же ЛАРТ/СИЛАБС возникают проблемы. Нужно найти решения к возникающим вопросам. И радио это появилось в процессе решения проблемы с радио (название темы). Так что большое спасибо его разработчикам. Однако требуется дальнейшая доработка устройства и программного обеспечения.
St@rz вне форума   Ответить с цитированием
Старый 09.11.2010, 22:15   #1137
s.m.
Гуру
 
Регистрация: 20.07.2009
Город: Минск
Регион: Беларусь
Сообщений: 1,543
s.m. is a splendid one to beholds.m. is a splendid one to beholds.m. is a splendid one to beholds.m. is a splendid one to beholds.m. is a splendid one to beholds.m. is a splendid one to beholds.m. is a splendid one to behold
По умолчанию

Цитата:
При чем тут руки? Предлагается девайс который по приобретению подключается к USB и звуку, ну или как-то еще, для этого должна быть инструкция, и все, он должен работать! Все премудрости и особенности должны быть учтены в конструкции, если этого нет, а по все видимости этого нет, поднимается, как Вы, уважаемый, заметили, хай.
Хм, я хоть и не производитель, но столкнулся с шумами тоже, как и все, но не делаю из этого трагедии, тем более, что это не решается схемотехнически в рамках данного девайса, только при подключении в конкретное авто с помощью грамотного подключения.

У меня, как и у многих все было пучком, когда аудио и цифровые массы были разведены. Если они соединены, то начинается цифровой шум. Собственно то же самое при подключении USB звуковухи в авто. Почему-то никто не предьявляет претензий к производителям звуковых карт. Никто не набрасывается с криками - отдайте деньги, ваш девайс г... Бороться с шумами можно, но это очень проблематично и не дает 100 процентной повторяемости. Проблему решает гальваническая развязка звука, что не реально при низкой стоимости девайса.
Про софт - это нужно было оговаривать с продавцом при покупке. И решать между магазином и производителем. Многие девайсы имеют проблемы с выходом из ждущего и спящего режима, который в винде сделан мягко говоря через ж...
Я думаю после этой истории вряд ли кто-то захочет ввязываться в подобный бизнес с минимальным заработком и нереальным постпродажным гемором.
s.m. вне форума   Ответить с цитированием
Старый 09.11.2010, 22:50   #1138
Vic58
Старший Пользователь
 
Регистрация: 21.10.2009
Регион: 61
Сообщений: 603
Vic58 is on a distinguished road
По умолчанию

Цитата:
Сообщение от s.m. Посмотреть сообщение
вряд ли кто-то захочет ввязываться в подобный бизнес
Любой бизнес это проблема. Я мог бы сделать радио на порядок профессиональней, чем то что здесь предлагают, и мое бы предложение содержало нормированные технические характеристики, инструментальную проверку и т.д., то чем отличается промышленное изделие от радиолюбительской поделки.
Поэтому я не понимаю, как можно браться за работу слабо представляя сущность вопроса, но если уж взялся, так будь добр обеспечь качество, заявленный функционал и прочее.
А потребителю то же бы не помешало ознакомится с изделием в части его характеристик, возможностей и если требуется поддержки, до его приобретения.
Vic58 вне форума   Ответить с цитированием
Старый 09.11.2010, 23:37   #1139
s.m.
Гуру
 
Регистрация: 20.07.2009
Город: Минск
Регион: Беларусь
Сообщений: 1,543
s.m. is a splendid one to beholds.m. is a splendid one to beholds.m. is a splendid one to beholds.m. is a splendid one to beholds.m. is a splendid one to beholds.m. is a splendid one to beholds.m. is a splendid one to behold
По умолчанию

Цитата:
Поэтому я не понимаю, как можно браться за работу слабо представляя сущность вопроса, но если уж взялся, так будь добр обеспечь качество, заявленный функционал и прочее.
Хм, попахивает холиваром.
Но вроде как ничего суперсложного здесь не сделали. Автор же не собирает вч-блоки сам. Характеристики? Их можно найти в юзермануалах на магнитолы и они почти одинаковы у всех. И как раз к этому по-моему претензий нет. Претензии к софту? Ну так этим грешат и профессионалы. Его имхо просто допилить, собрав баги и статистику. Одним словом, просто вылизать продукт.

Вы наверное никогда китайскую электронику не покупаете? Там тоже все по ГОСТам и т.д.? И сразу офигительно все работает? (Ага, рядом ветка про контроллеры матрицы, работающие только до 0 градусов). Все, заканчиваю офтоп.
s.m. вне форума   Ответить с цитированием
Старый 31.03.2011, 13:25   #1140
BlkDem
Старший Пользователь
 
Аватар для BlkDem
 
Регистрация: 21.10.2009
Возраст: 48
Город: Киселевск
Регион: 42
Машина: Kia Sorento 2.5TD AT TOD LSD
Сообщений: 524
BlkDem is just really niceBlkDem is just really niceBlkDem is just really niceBlkDem is just really nice
По умолчанию

Приветствую, уважаемые!

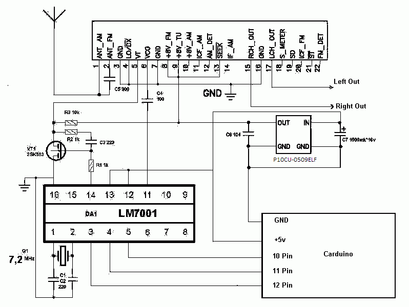
Собрал схему http://www.compcar.ru/forum/attachme...9&d=1267955569
Со второго раза (пересобрал на беспаечной макетке) лм-ка завелась. Напряжение меняется, но не от 0 до 9, а от 2,70 до 7,10В. Соответственно, тюнер не настраивается. Куда копать?
Осциллографа под рукой нет
Может ли это из-за того, что на кварце не 22 пф конденсаторы, а 30 пф?

зы: если было, ткните носом, плиз.
__________________
Планшет на Android -> USB-DAC (PCM2704 - SPDIF) -> Clarion HX-D2 -> Helix H500 Esprit -> Dynaudio MD100 + Миды из комплекта Pioneer TS-C131 PRS, доработанные Михаилом Nitro + Hertz F20 + Alpine PDX-1.600 + Auditor RIP 380.
BlkDem вне форума   Ответить с цитированием
Ответ

Метки
радио, разработка


Здесь присутствуют: 1 (пользователей: 0 , гостей: 1)
 

Ваши права в разделе
Вы не можете создавать новые темы
Вы не можете отвечать в темах
Вы не можете прикреплять вложения
Вы не можете редактировать свои сообщения

BB коды Вкл.
Смайлы Вкл.
[IMG] код Вкл.
HTML код Выкл.



Часовой пояс GMT +4, время: 18:46.


Работает на vBulletin® версия 3.8.4.
Copyright ©2000 - 2026, Jelsoft Enterprises Ltd.
Перевод: zCarot