PCCar.ru - Ваш автомобильный компьютер

Вернуться   PCCar.ru - Ваш автомобильный компьютер > MP3Car ТехИнфа > Разработка устройств

Ответ
 
Опции темы Поиск в этой теме
Старый 12.02.2007, 14:33   #31
mcf1
Guest
 
Сообщений: n/a
По умолчанию

при выключении задней на первой ноге DD1.1 ни чего не произойдет, там же емкость заряжена и разряжаться ей не куда. или привыключении задней мне первую ногу надо на землю коротить
  Ответить с цитированием
Старый 12.02.2007, 16:07   #32
Beer100
Гуру
 
Аватар для Beer100
 
Регистрация: 04.01.2006
Возраст: 56
Город: Минск
Регион: Беларусь
Машина: 2002\Audi\A6 3.0i
Сообщений: 1,135
Beer100 will become famous soon enough
По умолчанию

Цитата:
Сообщение от _SDY_ Посмотреть сообщение
По-моему, первый вариант всегда будет генерировать импульсы.
В первом варианте (генератор работает всегда):
1 импульс генератора => на ногах код 0010
2 импульс генератора => на ногах код 0100
3 импульс генератора => на ногах код 0110
4 импульс генератора => на ногах код 0000
итп.

Во втором варианте вроде бы все правильно, но, видимо генератор вообще не запускается или как там все должно работать? Я бы сделал что-то вроде http://gelezo.vir.ru/ttl_kmop/630000..._impulsov.html там на рис 322 есть схема ждущего мультивибратора. И прицепил бы еще триггер. Короче, моя схема такая:
Да, в первом варианте импульсы на генераторе будут всегда, но на выходе счетчика будет то, что и требовалось в той задаче. А генератор пусть щелкает туда-сюда. Кому он жить мешает?

Во втором варианте ты добавил триггер, но почему-то не заметил, что этот триггер у меня уже стоит, только я его взял в счетчике ИЕ5, он там незадействован. Зачем добавлять новую микруху?
__________________
БП SL "умнай"- Сергея Лебедева (собственного изготовления), 7" Prology PCM-700, PIII 1,2 Tualatin, Intel i815, Video Gforce 440 64mb
, 2.5" HDD 40 Gb (Hitachi), 2.5" HDD 60 Gb (Fujitsu), PCI->USB2.0,
PCI TV tuner Beholder Behold TV 507 FM, DVD 5.25" (USB -> IDE переходник), GPS Globalsat BU-353, Web камера 3-COM, USB HUB D-Link, BT,
Софт: оболочка - Centrafuse, Навигация - GisRX, EDGE
Beer100 вне форума   Ответить с цитированием
Старый 12.02.2007, 16:30   #33
Beer100
Гуру
 
Аватар для Beer100
 
Регистрация: 04.01.2006
Возраст: 56
Город: Минск
Регион: Беларусь
Машина: 2002\Audi\A6 3.0i
Сообщений: 1,135
Beer100 will become famous soon enough
По умолчанию

Цитата:
Сообщение от mcf1 Посмотреть сообщение
при выключении задней на первой ноге DD1.1 ни чего не произойдет, там же емкость заряжена и разряжаться ей не куда. или привыключении задней мне первую ногу надо на землю коротить
При включении и ваключении задней на выхоле ЛП5 будет проходить один импульс, которой перекидавает триггер, находящийся в ИЕ5. Генератор импульсов запускается в том случае, когда на первой ноге
DD1.1 проявляется "0". А он там как раз и появится с выхода триггера (12-ая нога ИЕ5). Далее, после проходжения 2-х импульсов с генератора, на 8-ой ноге появляется "1", которая сбрасыват счетчик и триггер к начальное положение и генератор останавливается.
__________________
БП SL "умнай"- Сергея Лебедева (собственного изготовления), 7" Prology PCM-700, PIII 1,2 Tualatin, Intel i815, Video Gforce 440 64mb
, 2.5" HDD 40 Gb (Hitachi), 2.5" HDD 60 Gb (Fujitsu), PCI->USB2.0,
PCI TV tuner Beholder Behold TV 507 FM, DVD 5.25" (USB -> IDE переходник), GPS Globalsat BU-353, Web камера 3-COM, USB HUB D-Link, BT,
Софт: оболочка - Centrafuse, Навигация - GisRX, EDGE
Beer100 вне форума   Ответить с цитированием
Старый 12.02.2007, 17:17   #34
Beer100
Гуру
 
Аватар для Beer100
 
Регистрация: 04.01.2006
Возраст: 56
Город: Минск
Регион: Беларусь
Машина: 2002\Audi\A6 3.0i
Сообщений: 1,135
Beer100 will become famous soon enough
По умолчанию

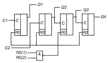
Вот исходники для ясности:

Это структура счетчика ИЕ5. В нем первый триггер не использается, его я и задействовал:



Вот диаграмма работы ЛП5:




Кстати, схема от _SDY_ тоже вполне рабочая.
Миниатюры
Нажмите на изображение для увеличения
Название: структара ИЕ5.JPG
Просмотров: 4126
Размер:	12.5 Кб
ID:	1729   Нажмите на изображение для увеличения
Название: ЛП2-2.JPG
Просмотров: 3160
Размер:	12.3 Кб
ID:	1730  
__________________
БП SL "умнай"- Сергея Лебедева (собственного изготовления), 7" Prology PCM-700, PIII 1,2 Tualatin, Intel i815, Video Gforce 440 64mb
, 2.5" HDD 40 Gb (Hitachi), 2.5" HDD 60 Gb (Fujitsu), PCI->USB2.0,
PCI TV tuner Beholder Behold TV 507 FM, DVD 5.25" (USB -> IDE переходник), GPS Globalsat BU-353, Web камера 3-COM, USB HUB D-Link, BT,
Софт: оболочка - Centrafuse, Навигация - GisRX, EDGE
Beer100 вне форума   Ответить с цитированием
Старый 12.02.2007, 18:24   #35
mcf1
Guest
 
Сообщений: n/a
По умолчанию

в схеме три косяка по которым она пока что не работает как должна
1. при снимании единицы с первой ноги ЛП2 ни чего не происходит т.к. фактически еденица осталась от кондера через резистор 1к.
2. при полностью собранной схеме на восьмой ноге весит "ноль", счетчик молчит,сброса не происходит. Если от восьмой ноги откинуть вторую и третью, то на восьмой считает как надо, через каждые два импульса перекидывается с нуля на еденицу и обратно.
3. к К155ла3 претензий нет, генератор работает четко, если на первой ноге ноль, то генерит не остановишь, только в этом то и проблема, при подаче питания сразу начинает генерить (сцуко)
  Ответить с цитированием
Старый 12.02.2007, 19:28   #36
Beer100
Гуру
 
Аватар для Beer100
 
Регистрация: 04.01.2006
Возраст: 56
Город: Минск
Регион: Беларусь
Машина: 2002\Audi\A6 3.0i
Сообщений: 1,135
Beer100 will become famous soon enough
По умолчанию

Цитата:
Сообщение от mcf1 Посмотреть сообщение
в схеме три косяка по которым она пока что не работает как должна

Давай все косяки устраним!

1. при снимании единицы с первой ноги ЛП2 ни чего не происходит т.к. фактически еденица осталась от кондера через резистор 1к.

Как ты определил, что на выходе ЛП2 ничего не происходит??? Там проскакивает импульс длительностью 0,02 сек. Ты осциллографом смотрел?
_______________________________
__________________
БП SL "умнай"- Сергея Лебедева (собственного изготовления), 7" Prology PCM-700, PIII 1,2 Tualatin, Intel i815, Video Gforce 440 64mb
, 2.5" HDD 40 Gb (Hitachi), 2.5" HDD 60 Gb (Fujitsu), PCI->USB2.0,
PCI TV tuner Beholder Behold TV 507 FM, DVD 5.25" (USB -> IDE переходник), GPS Globalsat BU-353, Web камера 3-COM, USB HUB D-Link, BT,
Софт: оболочка - Centrafuse, Навигация - GisRX, EDGE
Beer100 вне форума   Ответить с цитированием
Старый 13.02.2007, 01:01   #37
Beer100
Гуру
 
Аватар для Beer100
 
Регистрация: 04.01.2006
Возраст: 56
Город: Минск
Регион: Беларусь
Машина: 2002\Audi\A6 3.0i
Сообщений: 1,135
Beer100 will become famous soon enough
По умолчанию

Ой, ты только не ругайся!
Сделай вот так:
(там надо перенести только элемент DD1.4 в другое место)
Миниатюры
Нажмите на изображение для увеличения
Название: 2 импульса от кпп-2.JPG
Просмотров: 1761
Размер:	32.1 Кб
ID:	1734  
__________________
БП SL "умнай"- Сергея Лебедева (собственного изготовления), 7" Prology PCM-700, PIII 1,2 Tualatin, Intel i815, Video Gforce 440 64mb
, 2.5" HDD 40 Gb (Hitachi), 2.5" HDD 60 Gb (Fujitsu), PCI->USB2.0,
PCI TV tuner Beholder Behold TV 507 FM, DVD 5.25" (USB -> IDE переходник), GPS Globalsat BU-353, Web камера 3-COM, USB HUB D-Link, BT,
Софт: оболочка - Centrafuse, Навигация - GisRX, EDGE
Beer100 вне форума   Ответить с цитированием
Старый 13.02.2007, 01:17   #38
mcf1
Guest
 
Сообщений: n/a
По умолчанию

решил первый вопрос вот таким способом
проверено, работает четко, теперь на выходе и при подаче и при снятии напряжения проскакивает ипульс
Миниатюры
Нажмите на изображение для увеличения
Название: In.JPG
Просмотров: 1846
Размер:	7.8 Кб
ID:	1735  
  Ответить с цитированием
Старый 13.02.2007, 01:24   #39
Beer100
Гуру
 
Аватар для Beer100
 
Регистрация: 04.01.2006
Возраст: 56
Город: Минск
Регион: Беларусь
Машина: 2002\Audi\A6 3.0i
Сообщений: 1,135
Beer100 will become famous soon enough
По умолчанию

Цитата:
Сообщение от mcf1 Посмотреть сообщение
решил первый вопрос вот таким способом
проверено, работает четко, теперь на выходе и при подаче и при снятии напряжения проскакивает ипульс
О! И самое главное без привлечения доп. элементной базы.

А схемку переделал как я нарисовал?
__________________
БП SL "умнай"- Сергея Лебедева (собственного изготовления), 7" Prology PCM-700, PIII 1,2 Tualatin, Intel i815, Video Gforce 440 64mb
, 2.5" HDD 40 Gb (Hitachi), 2.5" HDD 60 Gb (Fujitsu), PCI->USB2.0,
PCI TV tuner Beholder Behold TV 507 FM, DVD 5.25" (USB -> IDE переходник), GPS Globalsat BU-353, Web камера 3-COM, USB HUB D-Link, BT,
Софт: оболочка - Centrafuse, Навигация - GisRX, EDGE
Beer100 вне форума   Ответить с цитированием
Старый 13.02.2007, 01:24   #40
mcf1
Guest
 
Сообщений: n/a
По умолчанию

только меня еще вот что волнует
при подаче еденицы на вторую и третью ногу ИЕ5, должна вылезти еденица на двенадцатой ноге, но она не вылазит
  Ответить с цитированием
Ответ


Здесь присутствуют: 1 (пользователей: 0 , гостей: 1)
 

Ваши права в разделе
Вы не можете создавать новые темы
Вы не можете отвечать в темах
Вы не можете прикреплять вложения
Вы не можете редактировать свои сообщения

BB коды Вкл.
Смайлы Вкл.
[IMG] код Вкл.
HTML код Выкл.



Часовой пояс GMT +4, время: 00:46.


Работает на vBulletin® версия 3.8.4.
Copyright ©2000 - 2026, Jelsoft Enterprises Ltd.
Перевод: zCarot