PCCar.ru - Ваш автомобильный компьютер

Вернуться   PCCar.ru - Ваш автомобильный компьютер > MP3Car ТехИнфа > Блоки питания > Контроллеры управления питанием

Ответ
 
Опции темы Поиск в этой теме
Старый 07.02.2007, 05:47   #1
_SDY_
Пользователь
 
Регистрация: 17.03.2006
Возраст: 48
Город: Владивосток
Регион: 25
Машина: Карина
Сообщений: 60
_SDY_ will become famous soon enough
По умолчанию Контроллер включения/выключения PCU_SD :-)

Для переделанного ATX БП http://www.pccar.ru/showthread.php?t=501 был сделан контроллер питания. Основа - мелкоконтроллер ATTiny26.

---
В настоящий момент в нем (контроллере питания) имеется: 6 входов (будет 7-й), 7 выходов:

Входы:
1. Battery state input - контроль напряжения батареи (через резисторный делитель на 10)
2. Manual control - вход ручного контроля БП
3. Auto control - вход авто контроля БП (от ключа зажигания/выхода сигнализации)
4. Primary device online input (Pri dev started) - вход с компутерного БП 5 вольт (отсюда приходит инфа, что БП запустился)
5. Start all devices input (Pri & Sec) - это вход с ключа зажигания
6. Start only primary device - это "внешний" вход от чего угодно (например, сигналка)
7. Keyboard data - зарезервировано под будущее расширение 8-)

Выходы:
1. Primary device power (PSU) - питание с аккумулятора на БП
2. Secondary device power 1 (Monitor) - питание с аккумулятора на монитор
3. Secondary device power 2 (Amplifier) - питание с аккумулятора на усилитель (на схему его запуска remote control)
4. Primary device start/stop button - вход кнопаря Power на мамке
5. Screen reset - сброс индикатора
6. Screen data - данные индикатора
7. Screen clock - тактовые импульсы индикатора

---
ЛОГИКА РАБОТЫ:

Включение:
1. Подается питание на БП
2. Жмется/отпускается кнопка включения/выключения в течении 6 секунд с периодом в 1 секунду, пока не запустится БП
3а. БП не запустился (нет питания на выходе с него) - ошибка запуска
3б. БП запустился (появилось питание на выходе) - идем дальше: п.4
4. Подаем питание на монитор (если надо)
5. Ждем, пока загрузится ОСь (60 сек)
6. Подаем питание на УМЗЧ (если надо)
7. Установлен режим StandBy

Выключение:
1. Снимаем питание с УМЗЧ
2. Жмется/отпускается кнопка включения/выключения в течении 6 секунд с периодом в 1 секунду
3. Ждем, пока выгрузится винда (60 сек)
4а. ОС не выгрузилась (повисла?) - на выходе БП все еще есть питание: п.6
4б. ОС выгрузилась - выход БП отключен: п.7
6. Жмем кнопарь до упора на 8 сек, затем отпускаем его (если БП и теперь не выключился - его проблемы)
7. Снимаем питание с монитора
8. Снимаем питание с БП
9. Установлен режим StandBy


Включение происходит при положении органов управления "Auto ctrl" + "Start all", или "Auto ctrl" + "Start Primary Only", или просто - "Manual ctrl".
Выключение - "Auto ctrl" без сигналов "Start all" (зажигание выключено) и без "Start Primary Only" (сигналка не подает внешнего сигнала запуска) или трехпозиционный переключатель в положении "Off".

Если контроллер в положении "авто" и включено/выключено зажигание, то контроллер не бросается сразу же включать/выключать комп и сопутствующие девайсы. Есть защитный интервал в 3 секунды. Вообще этот интервал есть и на включение/выключение от других органов управления.


Если комп не запускается, хотя должен :-), то контроллер попадает в положение StartFailed (ошибка запуска), она сбросится после того, как контроллер будет переведен в положение Off.
Если в процессе работы возникает ситуация, что сдох аккумулятор, то контроллер попадает в положение PowerFail (дохлый аккумулятор) - комп выключится, ошибка сбросится только после того, как контроллер будет переведен в положение Off.

---
КРАСИВОСТЬ: 8-)))
Все режимы отображаются на семисегментном индикаторе из 5-ти символов:

1. "Ready" - контроллер в положении ожидания смены управляющих сигналов (StandBy), комп может быть: или включен (тогда ждем сигнала на выключение), или выключен (ждем сигнала включения)
2. "Strt" - комп запускается (и вместе с ним все остальные устройства)
3. "StPri" - запускается только комп (без других устройств)
4. "SFail" - ошибка запуска
5. "Stop" - процедура завершения работы
6. "Batt" - ошибка питания (сел аккумулятор)


Индикация режимов StandBy, StartFailed, PowerFail поочередно сменяется индикацией напряжения аккумуляторной батареи.
_SDY_ вне форума   Ответить с цитированием
Старый 07.02.2007, 05:51   #2
_SDY_
Пользователь
 
Регистрация: 17.03.2006
Возраст: 48
Город: Владивосток
Регион: 25
Машина: Карина
Сообщений: 60
_SDY_ will become famous soon enough
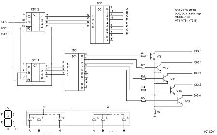
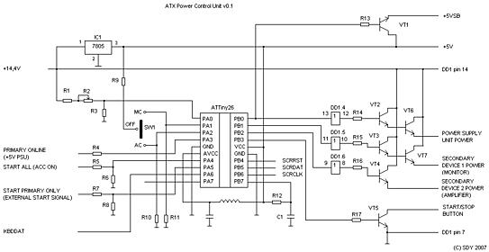
По умолчанию СХЕМА КОНТРОЛЛЕРА

Элемены:
IC1 - КР142ЕН5
DD1 - К561ПУ8
VT1, VT2, VT3, VT4, VT5 - КТ817
VT6, VT7 - КТ819
C1 - 1мкФ
R3, R6, R8, R10, R11, R13, R14, R15, R16, R17 - 1K
R4, R9 - 300
R5, R7 - 2K
R1 + R2 ~ 8,9K (подбирается выставлением на ноге PA0(ADC0) МК напряжения аккумуляторной батареи, деленное на 10, или по индикатору - напряжение на батарее :-)
R12 - 100K

VCC и AVCC контроллера у меня соединены вместе, без фильтра, как указано в даташите на МК (емкость 100нФ и индуктивность 10мкГ). Думаю, что этого и не надо из-за того, что у меня из 10 бит АЦП младшие 2 не используются.

Емкости, фильтрующие питание и т. п. элементы на схеме не указаны - добавляются по вкусу.

Транзистор VT6 нехило греется ;-), замена VT2 и VT6 на полевой IRFZ44 ничего не дает... (или я что-то не так делаю?) Думаю, что выход "Primary device power" надо подавать не сразу на БП, а через реле. VT7, по идее, при питании через него монитора (максимум 2-3А) сильно греться не должен (радиатор, конечно, нужен).
Хотя, если уж ставить реле, то - убирать VT6 и VT7 и вместо них ставить 2 реле - на питание компа и питание монитора.
Миниатюры
Нажмите на изображение для увеличения
Название: PCU_SD.jpg
Просмотров: 11349
Размер:	21.7 Кб
ID:	1692  
_SDY_ вне форума   Ответить с цитированием
Старый 07.02.2007, 05:54   #3
_SDY_
Пользователь
 
Регистрация: 17.03.2006
Возраст: 48
Город: Владивосток
Регион: 25
Машина: Карина
Сообщений: 60
_SDY_ will become famous soon enough
По умолчанию СХЕМА ИНДИКАЦИИ

Индикация динамическая, на основе ее будет добавлена клавиатура в будущих версиях... :-)
Миниатюры
Нажмите на изображение для увеличения
Название: INDIC1.jpg
Просмотров: 15442
Размер:	16.5 Кб
ID:	1693  
_SDY_ вне форума   Ответить с цитированием
Старый 07.02.2007, 05:59   #4
_SDY_
Пользователь
 
Регистрация: 17.03.2006
Возраст: 48
Город: Владивосток
Регион: 25
Машина: Карина
Сообщений: 60
_SDY_ will become famous soon enough
По умолчанию ПО

Прошивка и содержимое EEPROM
Вложения
Тип файла: zip PCU_SD_01_soft.zip (1.7 Кб, 2220 просмотров)

Последний раз редактировалось _SDY_; 07.02.2007 в 16:11.
_SDY_ вне форума   Ответить с цитированием
Старый 07.02.2007, 06:06   #5
_SDY_
Пользователь
 
Регистрация: 17.03.2006
Возраст: 48
Город: Владивосток
Регион: 25
Машина: Карина
Сообщений: 60
_SDY_ will become famous soon enough
По умолчанию ХАРД

Еще раз хард в одном файле, а то изображения слишком мелкие получились.
Вложения
Тип файла: zip PCU_SD_01_hard.zip (34.7 Кб, 2571 просмотров)
_SDY_ вне форума   Ответить с цитированием
Старый 07.02.2007, 11:36   #6
Serhy
Старший Пользователь
 
Регистрация: 22.07.2006
Возраст: 52
Сообщений: 109
Serhy is on a distinguished road
По умолчанию

на мой взгляд не хватает дежурного режима, алгоритм сейчас обсуждается здесь
в теме Блок питания! Все обновления тут...
Serhy вне форума   Ответить с цитированием
Старый 07.02.2007, 19:34   #7
MibMib
Пользователь
 
Регистрация: 03.01.2006
Город: Не Москва! :)
Машина: Subaru Legacy 2.0 Twin Turbo
Сообщений: 63
MibMib is on a distinguished road
По умолчанию

Че мучаемся ? ......... Бгыыы такое хотите ? http://mp3car.com/vbulletin/showthread.php?t=86222 вот тему полистайте , там на видео - поглядите - самапальная панель прикольная , фоты кульурные в средине темы - там несколько вариантов , схема +видео+прошивка и даже плата есть ! - все нахаляву или за 100 зеленых автор вам все спаяет и пришлет ! + часы + два термометра ! ........
исходник на си ........ я си не уважаю - пишу все на асме ........ ..... а так все желающие могут собрать .......
MibMib вне форума   Ответить с цитированием
Старый 12.03.2007, 23:46   #8
Самоделкин
Старший Пользователь
 
Аватар для Самоделкин
 
Регистрация: 12.03.2007
Возраст: 62
Город: Москва
Регион: 77, 97, 99, 177
Машина: Nissan MAXIMA
Сообщений: 263
Самоделкин will become famous soon enough
По умолчанию

Доброго времен Всем.
Если кого интересует доделанный ,проверенный и работающий правильно вариант предложенный LUWE SYGABU c http://www.mp3car.com/vbulletin/show...&highlight=pic на PIC16F877A могу рассказать о доработках и самоделках
Самоделкин вне форума   Ответить с цитированием
Старый 13.03.2007, 01:05   #9
Димон
Гуру
 
Аватар для Димон
 
Регистрация: 03.10.2005
Город: МКАД восток-запад
Регион: 77, 97, 99, 177
Машина: 09\Опиль\АстраХ
Сообщений: 2,013
Димон is a splendid one to beholdДимон is a splendid one to beholdДимон is a splendid one to beholdДимон is a splendid one to beholdДимон is a splendid one to beholdДимон is a splendid one to behold
По умолчанию

Ждем как-минимум обзорчика с парой фоток отдельной темой.

зы. автар зачотный, по-нашенски
Димон вне форума   Ответить с цитированием
Старый 13.03.2007, 10:19   #10
masluha
Пользователь
 
Регистрация: 06.09.2006
Возраст: 55
Город: Можайск
Регион: 50, 90, 150
Машина: Chrysler Pacifica
Сообщений: 34
masluha is on a distinguished road
По умолчанию

Интересут даже очень, а то на блоке питания М1 не заморачивался а сейчас ноутбук ставлю так вот по питанию приходится чтото делать. А там случайно картинка платы под утюжку не завалялась.
masluha вне форума   Ответить с цитированием
Ответ


Здесь присутствуют: 1 (пользователей: 0 , гостей: 1)
 

Ваши права в разделе
Вы не можете создавать новые темы
Вы не можете отвечать в темах
Вы не можете прикреплять вложения
Вы не можете редактировать свои сообщения

BB коды Вкл.
Смайлы Вкл.
[IMG] код Вкл.
HTML код Выкл.



Часовой пояс GMT +4, время: 17:12.


Работает на vBulletin® версия 3.8.4.
Copyright ©2000 - 2026, Jelsoft Enterprises Ltd.
Перевод: zCarot