PCCar.ru - Ваш автомобильный компьютер

Вернуться   PCCar.ru - Ваш автомобильный компьютер > MP3Car ТехИнфа > Разработка устройств

Ответ
 
Опции темы Поиск в этой теме
Старый 06.02.2007, 19:10   #1
Wanted
Hello world!
 
Аватар для Wanted
 
Регистрация: 28.01.2007
Город: Moscow
Регион: 77, 97, 99, 177
Машина: BMW-320td-2001 BMW-E92-325XI
Сообщений: 1,209
Wanted will become famous soon enoughWanted will become famous soon enough
Question Хитрое реле включения. Нужна помоЩь!

Товарищи подсобите, Нужно забахать такую вещь:

Нужно включать монитор замыканием контактов на его кнопке включения, при включении компа:

Как я это вижу:
Надо чтобы реле замыкало контакты на 0.5 -1 секунду и потом "расслаблялось" и отдыхало до отключения питания.
При новом включении - все по новой.
Сделал схему - реле - Кондер + резистор в параллели, реле срабатывает, а монитор падла не хочет так включатся, ему видите ли надо чтобы после подачи питания еще хоть пару секунд прошло иначе ни в какую.

В итоге вопрос, уважаемым знатокам:
Как сделать чтобы после подачи питания (+12V) на монитор от 12V От компа, !!!через пару секунд!!! реле замкнуло контакт (кнопку) на 1 секунду , после чего разомкнулось и до отключения сидело в тишине???????
__________________
Мой mediaBMW

Прогресс постройки: [##########] 100%
Прогресс установки: [##########] 100%
Прогресс настройки: [#########-] 90% Почти до идеала

Видеонаблюдение в машине? ДА!
Wanted вне форума   Ответить с цитированием
Старый 06.02.2007, 19:30   #2
Beer100
Гуру
 
Аватар для Beer100
 
Регистрация: 04.01.2006
Возраст: 56
Город: Минск
Регион: Беларусь
Машина: 2002\Audi\A6 3.0i
Сообщений: 1,135
Beer100 will become famous soon enough
По умолчанию

Набросал бы свою схемку, а я бы тебе подрисовал RC цепочку на входе....
__________________
БП SL "умнай"- Сергея Лебедева (собственного изготовления), 7" Prology PCM-700, PIII 1,2 Tualatin, Intel i815, Video Gforce 440 64mb
, 2.5" HDD 40 Gb (Hitachi), 2.5" HDD 60 Gb (Fujitsu), PCI->USB2.0,
PCI TV tuner Beholder Behold TV 507 FM, DVD 5.25" (USB -> IDE переходник), GPS Globalsat BU-353, Web камера 3-COM, USB HUB D-Link, BT,
Софт: оболочка - Centrafuse, Навигация - GisRX, EDGE
Beer100 вне форума   Ответить с цитированием
Старый 06.02.2007, 20:06   #3
Wanted
Hello world!
 
Аватар для Wanted
 
Регистрация: 28.01.2007
Город: Moscow
Регион: 77, 97, 99, 177
Машина: BMW-320td-2001 BMW-E92-325XI
Сообщений: 1,209
Wanted will become famous soon enoughWanted will become famous soon enough
Post

Цитата:
Сообщение от Beer100 Посмотреть сообщение
Набросал бы свою схемку, а я бы тебе подрисовал RC цепочку на входе....

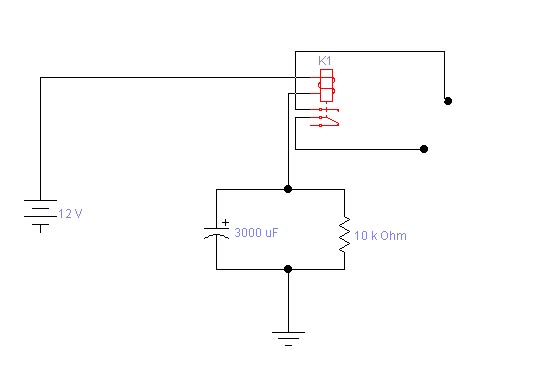
Будь так любезен иеще если не сложно посмотри, правильна ли схема вообще по сути:
Реле: РЭС47 - 160 Ом обмотка, напряжение срабатывания - 10.8В, номинал - 12В, мин ток срабатывания - 4 мА.
Кондер - три по 1000мФ электролиты.
Две точки - выходы на кнопку.

Под RC цепочку место тебе оставил

Гран мерси!
Миниатюры
Нажмите на изображение для увеличения
Название: cxema.jpg
Просмотров: 4599
Размер:	17.3 Кб
ID:	1688  
__________________
Мой mediaBMW

Прогресс постройки: [##########] 100%
Прогресс установки: [##########] 100%
Прогресс настройки: [#########-] 90% Почти до идеала

Видеонаблюдение в машине? ДА!
Wanted вне форума   Ответить с цитированием
Старый 07.02.2007, 14:58   #4
Beer100
Гуру
 
Аватар для Beer100
 
Регистрация: 04.01.2006
Возраст: 56
Город: Минск
Регион: Беларусь
Машина: 2002\Audi\A6 3.0i
Сообщений: 1,135
Beer100 will become famous soon enough
По умолчанию

Две микросхемки найдешь?
А то на реле как-то получается грубо и не по европейски!

Вот схемку набросал тебе:
Миниатюры
Нажмите на изображение для увеличения
Название: К155.jpg
Просмотров: 4346
Размер:	19.8 Кб
ID:	1697  
__________________
БП SL "умнай"- Сергея Лебедева (собственного изготовления), 7" Prology PCM-700, PIII 1,2 Tualatin, Intel i815, Video Gforce 440 64mb
, 2.5" HDD 40 Gb (Hitachi), 2.5" HDD 60 Gb (Fujitsu), PCI->USB2.0,
PCI TV tuner Beholder Behold TV 507 FM, DVD 5.25" (USB -> IDE переходник), GPS Globalsat BU-353, Web камера 3-COM, USB HUB D-Link, BT,
Софт: оболочка - Centrafuse, Навигация - GisRX, EDGE
Beer100 вне форума   Ответить с цитированием
Старый 07.02.2007, 15:14   #5
Wanted
Hello world!
 
Аватар для Wanted
 
Регистрация: 28.01.2007
Город: Moscow
Регион: 77, 97, 99, 177
Машина: BMW-320td-2001 BMW-E92-325XI
Сообщений: 1,209
Wanted will become famous soon enoughWanted will become famous soon enough
Question

Цитата:
Сообщение от Beer100 Посмотреть сообщение
Две микросхемки найдешь?
А то на реле как-то получается грубо и не по европейски!

Вот схемку набросал тебе:
Beer100 ты мозг. Спасибо. А в трех словах как схема работает можешь рассказать, чтобы мне себе голову не ломать?
Как я понял 9 и 8 - независимые выводы земли? или как?
__________________
Мой mediaBMW

Прогресс постройки: [##########] 100%
Прогресс установки: [##########] 100%
Прогресс настройки: [#########-] 90% Почти до идеала

Видеонаблюдение в машине? ДА!
Wanted вне форума   Ответить с цитированием
Старый 07.02.2007, 16:01   #6
mcf1
Guest
 
Сообщений: n/a
По умолчанию

Цитата:
Сообщение от Beer100 Посмотреть сообщение
Две микросхемки найдешь?
А то на реле как-то получается грубо и не по европейски!
Вот схемку набросал тебе:
чет я тоже не понял что произойдет на этих выводах через 2-4секунды.
  Ответить с цитированием
Старый 07.02.2007, 18:12   #7
Beer100
Гуру
 
Аватар для Beer100
 
Регистрация: 04.01.2006
Возраст: 56
Город: Минск
Регион: Беларусь
Машина: 2002\Audi\A6 3.0i
Сообщений: 1,135
Beer100 will become famous soon enough
По умолчанию

тут есть несколько моментов:
1. найти в монике источник питания 5В, от которого запитать эту схемку.
2. разобраться в уровне сигнала, от которого происходит включение монитора. Нодо посмотреть, на что коммутируется кнопка питания на землю или на плюс. Если на землю, то в моей схемке надо один инвертор.

Как работает:
при подаче питания на ноге 9 появится импульс включения через 2 сек, а на ноге 8 - через 4 сек.
Выбирай, как тебе удобнее.

НО! Схема на практике не проверялась. Если бы
кто нибудь подкинул схему моника....
__________________
БП SL "умнай"- Сергея Лебедева (собственного изготовления), 7" Prology PCM-700, PIII 1,2 Tualatin, Intel i815, Video Gforce 440 64mb
, 2.5" HDD 40 Gb (Hitachi), 2.5" HDD 60 Gb (Fujitsu), PCI->USB2.0,
PCI TV tuner Beholder Behold TV 507 FM, DVD 5.25" (USB -> IDE переходник), GPS Globalsat BU-353, Web камера 3-COM, USB HUB D-Link, BT,
Софт: оболочка - Centrafuse, Навигация - GisRX, EDGE
Beer100 вне форума   Ответить с цитированием
Старый 07.02.2007, 18:36   #8
mcf1
Guest
 
Сообщений: n/a
По умолчанию

Цитата:
Сообщение от Beer100 Посмотреть сообщение
Если на землю, то в моей схемке надо один инвертор.
не надо инвертор. лучше использовать оптопару, ИМХО
  Ответить с цитированием
Старый 07.02.2007, 18:44   #9
Beer100
Гуру
 
Аватар для Beer100
 
Регистрация: 04.01.2006
Возраст: 56
Город: Минск
Регион: Беларусь
Машина: 2002\Audi\A6 3.0i
Сообщений: 1,135
Beer100 will become famous soon enough
По умолчанию

Согласен. Лучше!
__________________
БП SL "умнай"- Сергея Лебедева (собственного изготовления), 7" Prology PCM-700, PIII 1,2 Tualatin, Intel i815, Video Gforce 440 64mb
, 2.5" HDD 40 Gb (Hitachi), 2.5" HDD 60 Gb (Fujitsu), PCI->USB2.0,
PCI TV tuner Beholder Behold TV 507 FM, DVD 5.25" (USB -> IDE переходник), GPS Globalsat BU-353, Web камера 3-COM, USB HUB D-Link, BT,
Софт: оболочка - Centrafuse, Навигация - GisRX, EDGE
Beer100 вне форума   Ответить с цитированием
Старый 08.02.2007, 03:53   #10
Wanted
Hello world!
 
Аватар для Wanted
 
Регистрация: 28.01.2007
Город: Moscow
Регион: 77, 97, 99, 177
Машина: BMW-320td-2001 BMW-E92-325XI
Сообщений: 1,209
Wanted will become famous soon enoughWanted will become famous soon enough
По умолчанию

Цитата:
Сообщение от Beer100 Посмотреть сообщение
Согласен. Лучше!
Спасибо Beer, правда 155 под рукой сейчас нет, зато куча 176ых
Еще вопрос, а схема отработает и "заснет" или будет молотить каждые 2-4 секунды?

Еще раз огромный сеньюверимач!
__________________
Мой mediaBMW

Прогресс постройки: [##########] 100%
Прогресс установки: [##########] 100%
Прогресс настройки: [#########-] 90% Почти до идеала

Видеонаблюдение в машине? ДА!
Wanted вне форума   Ответить с цитированием
Ответ


Здесь присутствуют: 1 (пользователей: 0 , гостей: 1)
 

Ваши права в разделе
Вы не можете создавать новые темы
Вы не можете отвечать в темах
Вы не можете прикреплять вложения
Вы не можете редактировать свои сообщения

BB коды Вкл.
Смайлы Вкл.
[IMG] код Вкл.
HTML код Выкл.



Часовой пояс GMT +4, время: 22:00.


Работает на vBulletin® версия 3.8.4.
Copyright ©2000 - 2026, Jelsoft Enterprises Ltd.
Перевод: zCarot