PCCar.ru - Ваш автомобильный компьютер

Вернуться   PCCar.ru - Ваш автомобильный компьютер > Всё Остальное > Проекты

Ответ
 
Опции темы Поиск в этой теме
Старый 28.10.2010, 23:19   #161
Alex-L
Moderator
 
Аватар для Alex-L
 
Регистрация: 23.03.2008
Возраст: 54
Город: Москва, Нагорная
Регион: 77, 97, 99, 177
Машина: Mitsubishi Lancer-X
Сообщений: 2,096
Alex-L is a splendid one to beholdAlex-L is a splendid one to beholdAlex-L is a splendid one to beholdAlex-L is a splendid one to beholdAlex-L is a splendid one to beholdAlex-L is a splendid one to beholdAlex-L is a splendid one to behold
По умолчанию

Цитата:
Сообщение от Virtual Посмотреть сообщение
1. ... это к шасси СБ или к БП? ...
Соит клеммник на 5 контактов: плюс и минус вход, ремот на усилитель, плюс и минус выход. От этого клеммника, от обоих минусов, двумя разными проводами 2.5мм2, сантиметров 5 к толстой шине с полкило припоя на платке с предохранителями. К этой же шине, такими же проводами минусы от: БП, контроллера, нагревателя. Шина, БП и материнка имеют электрический контакт с шасси.

Цитата:
Сообщение от Virtual Посмотреть сообщение
3. ... почему gnd у тача в воздухе?...
Все-таки косяк?

Цитата:
Сообщение от Virtual Посмотреть сообщение
...самые сильнонагруженные цепи это земля до массы МП и до массы уся.... если появится хоть одна цепь "в обход"= 100% проблем...
Да вроде не получается в обход...

Цитата:
Сообщение от Virtual Посмотреть сообщение
...если гдет стоят конденсаторы большой емкости, то земля до них тож является,по определению, сильнонагруженой проблемы от нее т.н шум генератора .
Конденсаторы (4700+4700+керамика 0.15 х 3шт) только под торпедой перед преобразователями.

***
Имеет ли смысл ставить кондеры (электролит + керамика) на выходах преобразователей?

Может все-таки хаб и/или 5в преобразователь контуженные?
Alex-L вне форума   Ответить с цитированием
Старый 29.10.2010, 07:36   #162
Virtual
Гуру
 
Регистрация: 07.11.2009
Возраст: 50
Регион: 02
Машина: Hyundai Accent :)
Сообщений: 1,361
Virtual has a spectacular aura aboutVirtual has a spectacular aura about
По умолчанию

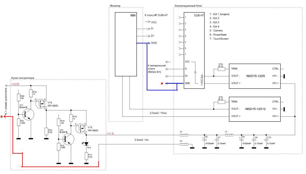
вот примерно так....

то что синим обьеденить и хорошим проводом к массе МП. //проверить что эта цепь не имеет других контактов с землей, бонально прозвонкой. (не забыть предварительно отключить паразитную связь в виде сигнальных кабелей VGA и RCA меж монитором МП и усем.)

то что красным абсолютно не нужно привязывать к МП да и к усю тоже , можно (и даже нужно) посадить на массу авто . незачем грузить силовые провода уся и МП, им и так несладко .

ЗЫ если схема так как на рисунке просто обязано все работать правильно, иначе гдет чет поломалоси.
ЗЫЗЫ От клем питания усилителя, проводом 2.5мм2 ~50см, питание подходит к СБ. минус от клеммы усилителя до массы МП слишком слаб!, на плюс можно забить, а вот минус прикрути толстопроводом от минуса уся к да хоть точкам крепления МП, они обычно масса., судя по описанию... это единственная связь которая и силовая и сигнальная! что есть не гут, но деватся некуда, осталось ее сделать просто очень хорошей
Миниатюры
Нажмите на изображение для увеличения
Название: 1.jpg
Просмотров: 1134
Размер:	52.6 Кб
ID:	18851  
__________________
Accent + Mystery MMT-8120S+ежик700_2Gssd_798МГц проц
Virtual вне форума   Ответить с цитированием
Старый 30.10.2010, 14:26   #163
Alex-L
Moderator
 
Аватар для Alex-L
 
Регистрация: 23.03.2008
Возраст: 54
Город: Москва, Нагорная
Регион: 77, 97, 99, 177
Машина: Mitsubishi Lancer-X
Сообщений: 2,096
Alex-L is a splendid one to beholdAlex-L is a splendid one to beholdAlex-L is a splendid one to beholdAlex-L is a splendid one to beholdAlex-L is a splendid one to beholdAlex-L is a splendid one to beholdAlex-L is a splendid one to behold
По умолчанию

Спасибо! Направление движения примерно ясно Начну с самого простого - подключу GND тычскрина. Дальше посмотрим...

Вчера ехал 3.5 часа из Лесного Городка (Одинцово) домой. Издевался над компом как мог - ни одного сбоя...
Кажется понял почему не работает модем.
Железка билайновская ZTE MF622, не залоченная. При первом подключении к компьютеру, в системе появляется виртуальный CD-ROM, с него происходит установка софта и драйверов, затем виртуальный сидюк автоматически удаляется. При последующих подключениях, в т.ч. и в другие порты - больше не появляется.
В моем случае, модем фтыкался/вытыкался бессчетное количество раз, в разные порты в т.ч. еще и через хаб. Видимо кривоватая прошивка в какой-то момент дала какой-то сбой. Сейчас этот виртуальный сиди присутствует в системе постоянно. Однако если с него запустить autorun - то вместо начала установки (ну правильно - оно уже все установлено) просто запускается билайновская софтина и после её закрытия (я не пользуюсь никаким софтом - просто создано удаленное подключение) модем начинает работать нормально, виртуальный сиди удаляется. Но после перезагрузки появляется, собака, снова. Модема в системе нет - появляется после запуска autorun и закрытия софтины.
Хочу попробовать удалить весь софт, драйвера, вычистить реестр - чтоб и духу от этого модема не осталось, может быть даже винду переустановить И поставить все по новой - думаю должно попустить...
Может и остальные проблемы с USB с этим как-то связаны...
Кстати, модем щас вотнут напрямую в материнку.
Alex-L вне форума   Ответить с цитированием
Старый 30.10.2010, 18:11   #164
Stasik
Старший Пользователь
 
Аватар для Stasik
 
Регистрация: 03.12.2007
Возраст: 45
Город: Москва, м.Севастопольская
Регион: 77, 97, 99, 177
Машина: MAZDA 6 2008 Sport
Сообщений: 938
Stasik is a name known to allStasik is a name known to allStasik is a name known to allStasik is a name known to allStasik is a name known to allStasik is a name known to all
По умолчанию

Цитата:
Сообщение от Alex-L Посмотреть сообщение
Спасибо! Направление движения примерно ясно Начну с самого простого - подключу GND тычскрина. Дальше посмотрим...

Вчера ехал 3.5 часа из Лесного Городка (Одинцово) домой. Издевался над компом как мог - ни одного сбоя...
Кажется понял почему не работает модем.
Железка билайновская ZTE MF622, не залоченная. При первом подключении к компьютеру, в системе появляется виртуальный CD-ROM, с него происходит установка софта и драйверов, затем виртуальный сидюк автоматически удаляется. При последующих подключениях, в т.ч. и в другие порты - больше не появляется.
В моем случае, модем фтыкался/вытыкался бессчетное количество раз, в разные порты в т.ч. еще и через хаб. Видимо кривоватая прошивка в какой-то момент дала какой-то сбой. Сейчас этот виртуальный сиди присутствует в системе постоянно. Однако если с него запустить autorun - то вместо начала установки (ну правильно - оно уже все установлено) просто запускается билайновская софтина и после её закрытия (я не пользуюсь никаким софтом - просто создано удаленное подключение) модем начинает работать нормально, виртуальный сиди удаляется. Но после перезагрузки появляется, собака, снова. Модема в системе нет - появляется после запуска autorun и закрытия софтины.
Хочу попробовать удалить весь софт, драйвера, вычистить реестр - чтоб и духу от этого модема не осталось, может быть даже винду переустановить И поставить все по новой - думаю должно попустить...
Может и остальные проблемы с USB с этим как-то связаны...
Кстати, модем щас вотнут напрямую в материнку.
С этими модемами отдельная песня, я убил 3 вечера чтобы догнать то что напридумывали инженеры и билайн. Буквално на днях я себе поставил ZTE 626, работает гад. В кратце, прошиваем этот свисток заводской прошивкой, далее он начинает работать только своим софтом, когда мы его втыкаем в другой комп без софта, винда его не видит, чтобы увидила, необходимо запустить определенный exe файл из комплекта софта, чтобы он видился везде и всегда без дурацкого софта а как просто модем, удаляем из прошивки файлик FLAG_NO_DOWNLOAD, теперь модем работает как устройство, ставятся дрова и настраивается подключение стандартными средствами винды прозрачно, без дебильных всплывающих окон, замечено также, что модем автоматически переходит из обычных сетей в 3G и наоборот в зависимости от их наличия и условий приема. Еще 1 баг, воткнутый модем в USB после перезагрузки может повесить систему прямо на заставке материнки, поэтому желательно выключать полностью, ждать пока пропадет 5V stb, а только уже потом включать.
__________________
Разработка корпусов для Pccar Мой проект Mazda 6 New

Tel: +7(903)105-4988 ICQ: 198359855 Email: fixup@bk.ru
Stasik вне форума   Ответить с цитированием
Старый 30.10.2010, 18:20   #165
Alex-L
Moderator
 
Аватар для Alex-L
 
Регистрация: 23.03.2008
Возраст: 54
Город: Москва, Нагорная
Регион: 77, 97, 99, 177
Машина: Mitsubishi Lancer-X
Сообщений: 2,096
Alex-L is a splendid one to beholdAlex-L is a splendid one to beholdAlex-L is a splendid one to beholdAlex-L is a splendid one to beholdAlex-L is a splendid one to beholdAlex-L is a splendid one to beholdAlex-L is a splendid one to behold
По умолчанию

Привет! Ты знаешь, я его не прошивал и даже не пытался - и так работает без проблем с любыми симками. Раньше все было нормально, а как вот в очередной раз переделался - начались эти косяки непонятные. Все-таки я думаю, что это чисто программные косяки - переустановка виндов решит проблему, а возможно и чистки хвостов хватит.
А что ты имеешь в виду: "...настраивается подключение стандартными средствами винды..." т.е. через сетевые подключения? Ну и у меня так же. От какого-либо софта отказался давно. Определение типа сети тоже автоматически. Подвешивания системы после перезагрузки не было ни разу (тьфу три раза).

p.s. Ага! Нашел статейку. Надо сходить за модемом в машину и попробовать... Эх, будет у меня новый модем я так чувствую
Alex-L вне форума   Ответить с цитированием
Старый 30.10.2010, 21:26   #166
Alex-L
Moderator
 
Аватар для Alex-L
 
Регистрация: 23.03.2008
Возраст: 54
Город: Москва, Нагорная
Регион: 77, 97, 99, 177
Машина: Mitsubishi Lancer-X
Сообщений: 2,096
Alex-L is a splendid one to beholdAlex-L is a splendid one to beholdAlex-L is a splendid one to beholdAlex-L is a splendid one to beholdAlex-L is a splendid one to beholdAlex-L is a splendid one to beholdAlex-L is a splendid one to behold
По умолчанию

Нет, не будет пока у меня нового модема этот вроде выжил после моего хака
Теперь при подключении сразу видится модем - сидирума и близко нету. Завтра попробую в машине. Снесу весь софт и реестр почищу
Alex-L вне форума   Ответить с цитированием
Старый 02.11.2010, 23:54   #167
Alex-L
Moderator
 
Аватар для Alex-L
 
Регистрация: 23.03.2008
Возраст: 54
Город: Москва, Нагорная
Регион: 77, 97, 99, 177
Машина: Mitsubishi Lancer-X
Сообщений: 2,096
Alex-L is a splendid one to beholdAlex-L is a splendid one to beholdAlex-L is a splendid one to beholdAlex-L is a splendid one to beholdAlex-L is a splendid one to beholdAlex-L is a splendid one to beholdAlex-L is a splendid one to behold
По умолчанию

Вроде победил USB!
1. Подключил GND тачскрина.
2. Тюнинговал хаб: к материнке идут D- D+ и GND, +5в разорван. От преобразователя (внешнего питания) плюс идет в схему хаба, к входному USB разъему (взамен плюса оторванного) и дублируется по каждому порту отдельно.



Вместо постоянных резисторов, воткнул между выводами -VOUT и TRIM преобразователя переменники на 100к и вывел их на переднюю панель вместе с дополнительными гнездами для контроля напряжения.



На фото хорошо видно, что при напряжении на входе хаба 5.15в, от хаба уверенно работают два внешних 2.5" харда и пять флешек , сам хаб при этом подключен к системнику пятиметровым кабелем Belsis с ферритовым фильтром возле системника.

В машине чуть добавил напруги до 5.25в, т.к. при 5.15 хард в подлокотнике (Хаб - 1.8м без фильтра - 0.7м без фильтра - хард) определялся очень неуверенно. До тюнинга не определялся вообще никак.

За часа три ходовых испытаний - ни одного сбоя
Alex-L вне форума   Ответить с цитированием
Старый 03.11.2010, 00:57   #168
Diagnose
Старший Пользователь
 
Аватар для Diagnose
 
Регистрация: 05.12.2008
Возраст: 54
Город: Волгоград
Регион: 34
Машина: 2003\Toyota\Allion
Сообщений: 446
Diagnose is a jewel in the roughDiagnose is a jewel in the roughDiagnose is a jewel in the rough
По умолчанию

Alex, ты маньяк! В хорошем смысле слова. Я так понял, что напругу ты добавлял после преобразователя?
__________________
Toyota Allion
Diagnose вне форума   Ответить с цитированием
Старый 03.11.2010, 12:32   #169
Stasik
Старший Пользователь
 
Аватар для Stasik
 
Регистрация: 03.12.2007
Возраст: 45
Город: Москва, м.Севастопольская
Регион: 77, 97, 99, 177
Машина: MAZDA 6 2008 Sport
Сообщений: 938
Stasik is a name known to allStasik is a name known to allStasik is a name known to allStasik is a name known to allStasik is a name known to allStasik is a name known to all
По умолчанию

Ведь можем, если захотеть!!!
__________________
Разработка корпусов для Pccar Мой проект Mazda 6 New

Tel: +7(903)105-4988 ICQ: 198359855 Email: fixup@bk.ru
Stasik вне форума   Ответить с цитированием
Старый 03.11.2010, 12:35   #170
Stasik
Старший Пользователь
 
Аватар для Stasik
 
Регистрация: 03.12.2007
Возраст: 45
Город: Москва, м.Севастопольская
Регион: 77, 97, 99, 177
Машина: MAZDA 6 2008 Sport
Сообщений: 938
Stasik is a name known to allStasik is a name known to allStasik is a name known to allStasik is a name known to allStasik is a name known to allStasik is a name known to all
По умолчанию

Цитата:
Сообщение от Alex-L Посмотреть сообщение
Нет, не будет пока у меня нового модема этот вроде выжил после моего хака
Теперь при подключении сразу видится модем - сидирума и близко нету. Завтра попробую в машине. Снесу весь софт и реестр почищу
Сидиром не будет видится, а также флешка на 626-м модеме, да оно и не нужно, 1 раз дрова поставил и все, без всяких программ.
__________________
Разработка корпусов для Pccar Мой проект Mazda 6 New

Tel: +7(903)105-4988 ICQ: 198359855 Email: fixup@bk.ru
Stasik вне форума   Ответить с цитированием
Ответ


Здесь присутствуют: 1 (пользователей: 0 , гостей: 1)
 

Ваши права в разделе
Вы не можете создавать новые темы
Вы не можете отвечать в темах
Вы не можете прикреплять вложения
Вы не можете редактировать свои сообщения

BB коды Вкл.
Смайлы Вкл.
[IMG] код Вкл.
HTML код Выкл.



Часовой пояс GMT +4, время: 10:34.


Работает на vBulletin® версия 3.8.4.
Copyright ©2000 - 2026, Jelsoft Enterprises Ltd.
Перевод: zCarot