PCCar.ru - Ваш автомобильный компьютер

Вернуться   PCCar.ru - Ваш автомобильный компьютер > MP3Car ТехИнфа > Блоки питания > Разное

Ответ
 
Опции темы Поиск в этой теме
Старый 02.09.2010, 23:22   #1001
a4_48
Пользователь
 
Регистрация: 06.10.2009
Возраст: 36
Город: Липецк
Регион: 48
Машина: audi a4 b5 1998 1.8t - продал, VW Bora 2002 1.9TDI 4motion - продал, теперь skoda octavia tour 2008 1.8t wts
Сообщений: 64
a4_48 is on a distinguished road
По умолчанию

Цитата:
Сообщение от Virtual Посмотреть сообщение
попробуй первичку на виток уменьшить
а это может быть причиной того что у меня комп на незаведенной машине каждые 4-5 мин перезагружается? на заведенной все ОК...
a4_48 вне форума   Ответить с цитированием
Старый 03.09.2010, 10:03   #1002
Virtual
Гуру
 
Регистрация: 07.11.2009
Возраст: 51
Регион: 02
Машина: Hyundai Accent :)
Сообщений: 1,361
Virtual has a spectacular aura aboutVirtual has a spectacular aura about
По умолчанию

Цитата:
Сообщение от a4_48 Посмотреть сообщение
а это может быть причиной того что у меня комп на незаведенной машине каждые 4-5 мин перезагружается? на заведенной все ОК...
ДА, именно так
__________________
Accent + Mystery MMT-8120S+ежик700_2Gssd_798МГц проц
Virtual вне форума   Ответить с цитированием
Старый 06.09.2010, 11:25   #1003
a4_48
Пользователь
 
Регистрация: 06.10.2009
Возраст: 36
Город: Липецк
Регион: 48
Машина: audi a4 b5 1998 1.8t - продал, VW Bora 2002 1.9TDI 4motion - продал, теперь skoda octavia tour 2008 1.8t wts
Сообщений: 64
a4_48 is on a distinguished road
По умолчанию

Спасибо, виток убрал, теперь 3+3 двойным проводом. Потребление тока до этого не мерил, а сейчас в stand by 260 мА, при старте 6,6 А, при работе до 5,3 А... Это нормально?
a4_48 вне форума   Ответить с цитированием
Старый 06.09.2010, 19:51   #1004
Virtual
Гуру
 
Регистрация: 07.11.2009
Возраст: 51
Регион: 02
Машина: Hyundai Accent :)
Сообщений: 1,361
Virtual has a spectacular aura aboutVirtual has a spectacular aura about
По умолчанию

Цитата:
Сообщение от a4_48 Посмотреть сообщение
Спасибо, виток убрал, теперь 3+3 двойным проводом. Потребление тока до этого не мерил, а сейчас в stand by 260 мА, при старте 6,6 А, при работе до 5,3 А... Это нормально?
I*U=P
70ВА для твоей конфигурации это нормально?
БП сильно греется?
в каком диапазоне входных напр. работает?
__________________
Accent + Mystery MMT-8120S+ежик700_2Gssd_798МГц проц
Virtual вне форума   Ответить с цитированием
Старый 13.09.2010, 11:21   #1005
a4_48
Пользователь
 
Регистрация: 06.10.2009
Возраст: 36
Город: Липецк
Регион: 48
Машина: audi a4 b5 1998 1.8t - продал, VW Bora 2002 1.9TDI 4motion - продал, теперь skoda octavia tour 2008 1.8t wts
Сообщений: 64
a4_48 is on a distinguished road
По умолчанию

Цитата:
Сообщение от Virtual Посмотреть сообщение
I*U=P
70ВА для твоей конфигурации это нормально?
БП сильно греется?
в каком диапазоне входных напр. работает?
БП не греется почти (там на полевиках стоит радиатор от проца с кулером)
Перезагружаться на незаведенном авто перестал, это радует))))
Но при пуске двигателя все-равно перезагружаеться, и, кстати, дома стоит акк старый, разряженый (11.8 В без нагрузки), на нем мой БП тоже не запускается...
а для моего конфига 70 ВТ многовато... Материнка
+ 2 харда один 3,5 IDE, другой 2,5 SATA
__________________
VW Bora + CT080A (китайский сенсорный моник 8") + Celeron 1200 Mhz (впаяный в мать mini ATX) +1 GB оперативы + IDE 80 GB + SATA II 2,5" 80 GB + БП из старенького ATX - продан вместе с машиной
a4_48 вне форума   Ответить с цитированием
Старый 13.09.2010, 14:31   #1006
Virtual
Гуру
 
Регистрация: 07.11.2009
Возраст: 51
Регион: 02
Машина: Hyundai Accent :)
Сообщений: 1,361
Virtual has a spectacular aura aboutVirtual has a spectacular aura about
По умолчанию

Цитата:
Сообщение от a4_48 Посмотреть сообщение
БП не греется почти (там на полевиках стоит радиатор от проца с кулером)
Перезагружаться на незаведенном авто перестал, это радует))))
Но при пуске двигателя все-равно перезагружаеться, и, кстати, дома стоит акк старый, разряженый (11.8 В без нагрузки), на нем мой БП тоже не запускается...
а для моего конфига 70 ВТ многовато... Материнка
+ 2 харда один 3,5 IDE, другой 2,5 SATA
1.посмотри что под нагрузкой
2. раз 70ВА многовато значит КПД низковат и лишние ваты в тепло сдуваются.

нужно было все электролиты перепаять, и надеюсь по входу электролиты нормально висят, с керамикой.... одним концом максимально близко к ц. точке транса, другим к ключевым силовым транзисторам.

ЗЫ опиши, сфотографируй, покажи что у тебя в итоге то получилось.... гадать как-то сложно .
__________________
Accent + Mystery MMT-8120S+ежик700_2Gssd_798МГц проц
Virtual вне форума   Ответить с цитированием
Старый 05.10.2010, 20:23   #1007
pluttco
Новый Пользователь
 
Регистрация: 17.09.2010
Возраст: 45
Город: Ярославль
Регион: 76
Машина: MMC Lancer Cedia
Сообщений: 2
pluttco is on a distinguished road
По умолчанию

получается что все блоки переделывать по одной схеме?
pluttco вне форума   Ответить с цитированием
Старый 05.10.2010, 20:34   #1008
Virtual
Гуру
 
Регистрация: 07.11.2009
Возраст: 51
Регион: 02
Машина: Hyundai Accent :)
Сообщений: 1,361
Virtual has a spectacular aura aboutVirtual has a spectacular aura about
По умолчанию

Цитата:
Сообщение от pluttco Посмотреть сообщение
получается что все блоки переделывать по одной схеме?
дык а все в мире то одинаково
__________________
Accent + Mystery MMT-8120S+ежик700_2Gssd_798МГц проц
Virtual вне форума   Ответить с цитированием
Старый 05.10.2010, 20:39   #1009
pluttco
Новый Пользователь
 
Регистрация: 17.09.2010
Возраст: 45
Город: Ярославль
Регион: 76
Машина: MMC Lancer Cedia
Сообщений: 2
pluttco is on a distinguished road
По умолчанию

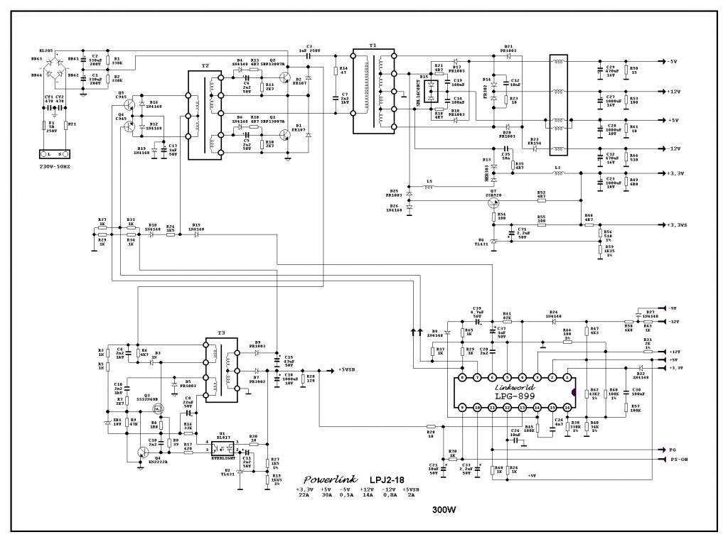
Имею блк питания Powerlink LPG2 на 350W и схему на 300W, как думаете одинаковые они или нет? Покажите схематично что нужно переделать для данного блока? Или ткните по какой схеме делать? По трансформатору вопрос такой, взаимозаменяемые трансы на разных БП, и можно трансформатор взятый с другого БП и перемотать как надо, или надо только родной перематывать?
Миниатюры
Нажмите на изображение для увеличения
Название: 2005.jpg
Просмотров: 1475
Размер:	100.7 Кб
ID:	18557  
pluttco вне форума   Ответить с цитированием
Старый 06.10.2010, 19:36   #1010
filk24
Пользователь
 
Регистрация: 10.12.2008
Возраст: 50
Город: Красноярск
Регион: 24
Машина: С-RV II
Сообщений: 51
filk24 is on a distinguished road
По умолчанию

Цитата:
Сообщение от Virtual Посмотреть сообщение
нужно было все электролиты перепаять, и надеюсь по входу электролиты нормально висят, с керамикой.... одним концом максимально близко к ц. точке транса, другим к ключевым силовым транзисторам.
А точнее, куда вешать канденсаторы к трансам?
Тоже есть проблема отключения компа при пуске стартера (приходится использовать доп. аккум.), но основной аккумулятор думаю не при делах, т.к. напряжение на нем при старте не опускается ниже 10в. А мой БП свободно работает от 8в.
filk24 вне форума   Ответить с цитированием
Ответ


Здесь присутствуют: 1 (пользователей: 0 , гостей: 1)
 

Ваши права в разделе
Вы не можете создавать новые темы
Вы не можете отвечать в темах
Вы не можете прикреплять вложения
Вы не можете редактировать свои сообщения

BB коды Вкл.
Смайлы Вкл.
[IMG] код Вкл.
HTML код Выкл.



Часовой пояс GMT +4, время: 23:42.


Работает на vBulletin® версия 3.8.4.
Copyright ©2000 - 2026, Jelsoft Enterprises Ltd.
Перевод: zCarot