PCCar.ru - Ваш автомобильный компьютер

Вернуться   PCCar.ru - Ваш автомобильный компьютер > MP3Car ТехИнфа > Сделай сам

Ответ
 
Опции темы Поиск в этой теме
Старый 09.09.2010, 11:31   #1
Alex-L
Moderator
 
Аватар для Alex-L
 
Регистрация: 23.03.2008
Возраст: 55
Город: Москва, Нагорная
Регион: 77, 97, 99, 177
Машина: Mitsubishi Lancer-X
Сообщений: 2,096
Alex-L is a splendid one to beholdAlex-L is a splendid one to beholdAlex-L is a splendid one to beholdAlex-L is a splendid one to beholdAlex-L is a splendid one to beholdAlex-L is a splendid one to beholdAlex-L is a splendid one to behold
По умолчанию Добавляем мозгов интеллектуальному блоку питания

Или еще один контроллер управления PcCar
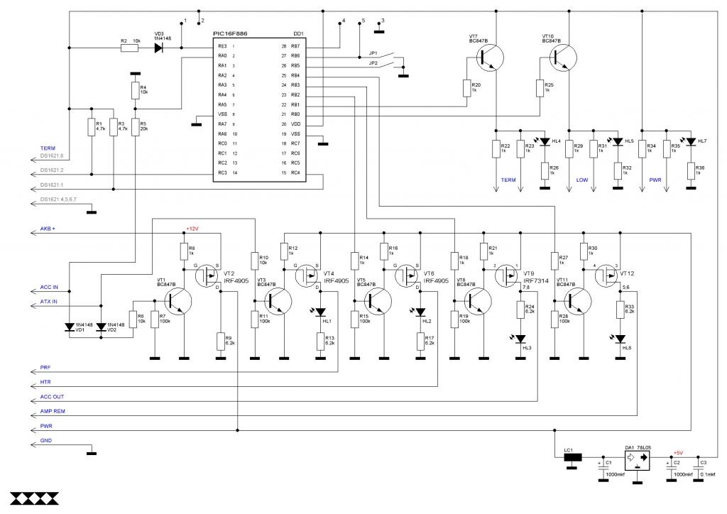
Пару раз утром забывал компьютер включенным – вечером, после работы, скрёбся когтями по закрытому капоту перебирая в уме доступные варианты заводки авто с в хлам разряженным аккумулятором. Ну никак не хочет мой E10000 выключать компьютер при понижении напряжения. Не факт что и другие аналогичные БП сделают это вовремя. Кроме того, в результате глобального апгрейда, системник переехал в багажник - а там зимой холодно. Принимая во внимание эти факторы, было решено сделать умный контроллер, который управлял бы включением/выключением компьютера в зависимости от температуры окружающего воздуха и напряжения питания. Придумано – сделано. За прошивку говорим Спасибо Dadlick’у.
В общих чертах - при пониженном напряжении питания компьютер не включится, а будучи включенным - выключится. Кратковременные просадки (например прокрутка стартера) учитываются. При попытке запуска при отрицательной температуре сначала включится нагреватель и только после прогрева до заданной температуры запустится компьютер. В моем случае датчик и нагреватель расположены на HDD.
Первая версия получилась не очень удачной и сразу же потребовала дополнительного тюнинга в виде еще одной релюшки, управляемой ATX для включения питания периферийных устройств (монитора и т.п.)
Следующая, рабочая версия в архиве:
- подробное описание алгоритма работы
- прошивка + исходники
- модель для Proteus'а
- схема
- чертежи печатной платы
Размеры и крепежные отверстия печатки совпадают с размерами M2-ITX для монтажа "бутербродом". Контроллер шире БП на 10мм - для удобства подключения проводов. На чертеже, на слое М1 красная линия - это граница БП.
Контактные площадки 1-5 рядом с контроллером - для внутрисхемного программирования.
Светодиодов индикации - много. Если хочется сэкономить - можно не ставить. Тогда: HL1,HL2,HL3,HL6 обязательно заменить перемычками; HL4,HL5,HL7 - просто не ставить.
Ключи в каналах нагревателя, питания периферии и блока питания теоретически допускают ток 74А, но реальная нагрузка, учитывая дорожки платы и клеммы подключения может быть порядка 10-15А. В каналах ACC OUT и AMP REM - 5.3А, фактически 2-2.5А. Но это так для статистики - вообще эти цепи сигнальные.
В моем случае (общее потребление системы max 3А) ничего не греется. Но в случае больших токов потребления - силовым ключам неплохо было бы прикрутить радиатор.
Миниатюры
Нажмите на изображение для увеличения
Название: Схема.jpg
Просмотров: 1871
Размер:	77.5 Кб
ID:	18245   Нажмите на изображение для увеличения
Название: Плата.jpg
Просмотров: 1226
Размер:	79.6 Кб
ID:	18246   Нажмите на изображение для увеличения
Название: DSCN0437.jpg
Просмотров: 1411
Размер:	41.5 Кб
ID:	18247   Нажмите на изображение для увеличения
Название: DSCN0440.jpg
Просмотров: 1278
Размер:	103.4 Кб
ID:	18248  
Вложения
Тип файла: zip PowerControl v.1.1.zip (371.7 Кб, 1082 просмотров)

Последний раз редактировалось Alex-L; 08.06.2012 в 01:43.
Alex-L вне форума   Ответить с цитированием
Старый 09.09.2010, 12:06   #2
Dmitry02
Старший Пользователь
 
Регистрация: 16.11.2005
Город: Москва
Регион: 77, 97, 99, 177
Машина: Cadillac BLS
Сообщений: 533
Dmitry02 will become famous soon enough
По умолчанию

А можно ли вашу схему подключить к компьютеру и научить понимать команды изменения времени до выключения. Чтобы каждый раз он не ждал пока просядет аккум. Ведь после такого выключения он без заводки двигателя не включится...
__________________
Тюнинг автонавигаторов
BiTreker - автомобиль под контролем, даже если вас нет рядом
Умный БП - интеллектуальное управление питанием CarPC и внешних устройств
Режим День/Ночь - управление светом фар, яркостью монитора и внешними устрйоствами в зависимости от времени суток
Dmitry02 вне форума   Ответить с цитированием
Старый 09.09.2010, 12:20   #3
Alex-L
Moderator
 
Аватар для Alex-L
 
Регистрация: 23.03.2008
Возраст: 55
Город: Москва, Нагорная
Регион: 77, 97, 99, 177
Машина: Mitsubishi Lancer-X
Сообщений: 2,096
Alex-L is a splendid one to beholdAlex-L is a splendid one to beholdAlex-L is a splendid one to beholdAlex-L is a splendid one to beholdAlex-L is a splendid one to beholdAlex-L is a splendid one to beholdAlex-L is a splendid one to behold
По умолчанию

Цитата:
Сообщение от Dmitry02 Посмотреть сообщение
А можно ли вашу схему подключить к компьютеру и научить понимать команды изменения времени до выключения. Чтобы каждый раз он не ждал пока просядет аккум. Ведь после такого выключения он без заводки двигателя не включится...
А и не надо чтобы он включался при разряженном АКБ. Иметь возможность завести двигатель важнее, чем иметь работающий компьютер.
Вообще-то смысл этого изделия именно в том, чтобы выключить компьютер ДО того момента когда АКБ разрядится до невозможности завести двигатель. В данной реализации этот порог составляет 11.5в. Т.е. - зафиксировано напряжение 11.5в - 10 секунд ожидания - если не повысилось - дасвидания. При 11.5в авто заводится без проблем.
Возможно, будет версия 2. Алгоритм несколько усовершенствован, добавлены дополнительные фишки, и возможность настроек всех параметров через USB интерфейс.
Вложения
Тип файла: zip PowerControl v.2.zip (45.9 Кб, 1024 просмотров)
Alex-L вне форума   Ответить с цитированием
Старый 09.09.2010, 12:43   #4
Dmitry02
Старший Пользователь
 
Регистрация: 16.11.2005
Город: Москва
Регион: 77, 97, 99, 177
Машина: Cadillac BLS
Сообщений: 533
Dmitry02 will become famous soon enough
По умолчанию

Так давайте алгоритм немного дополним связав с готовой программой управления, чтобы не плодить кучу своих утилит.
Будет первый по настоящему умный контроллер с унифицированным софтом управления.
Я предлагаю реализовать изменение параметров БП через BiTreker, чтобы не плодить новых утилит.
__________________
Тюнинг автонавигаторов
BiTreker - автомобиль под контролем, даже если вас нет рядом
Умный БП - интеллектуальное управление питанием CarPC и внешних устройств
Режим День/Ночь - управление светом фар, яркостью монитора и внешними устрйоствами в зависимости от времени суток
Dmitry02 вне форума   Ответить с цитированием
Старый 09.09.2010, 13:34   #5
dadlick
Пользователь
 
Регистрация: 07.08.2009
Регион: 77, 97, 99, 177
Сообщений: 54
dadlick is on a distinguished road
По умолчанию

Цитата:
Сообщение от Dmitry02 Посмотреть сообщение
Так давайте алгоритм немного дополним связав с готовой программой управления, чтобы не плодить кучу своих утилит.
Будет первый по настоящему умный контроллер с унифицированным софтом управления.
Я предлагаю реализовать изменение параметров БП через BiTreker, чтобы не плодить новых утилит.
Можно добавить Ftdi232 и через виртуальный ком порт рулить железкой.
Тогда видятся еще и возможность включения усилителя по команде PC
и как Вы уже написали возможность выключения PC через настраиваемое время после пропадания АСС.
И коль уж датчик температуры повесили на винт, то можно и с него температуру в PC заводить, да и вообще возможно подключение до 8ми термометров на одну шину.
dadlick вне форума   Ответить с цитированием
Старый 09.09.2010, 14:57   #6
Stasik
Старший Пользователь
 
Аватар для Stasik
 
Регистрация: 03.12.2007
Возраст: 45
Город: Москва, м.Севастопольская
Регион: 77, 97, 99, 177
Машина: MAZDA 6 2008 Sport
Сообщений: 938
Stasik is a name known to allStasik is a name known to allStasik is a name known to allStasik is a name known to allStasik is a name known to allStasik is a name known to all
По умолчанию

Цитата:
Сообщение от Alex-L Посмотреть сообщение
При 11.5в авто заводится без проблем.
Проблема современных блоков питания с незавершением работы при просадке напруги возникает не из-за невозможности контроля напряжения, а из-за потери емкости аккумуляторов, может сложиться так, что напряжение аккума будет 11,5В со включенным компом, а вот емкости аккума уже будет недостаточно чтобы провернуть стартер, именно поэтому функции корректного заврешения работы системы при просадке напруги либо работают плохо, либо вообще отсутствуют. Если и делать такую функцию, то иметь возможность настройки напряжения отключения.
__________________
Разработка корпусов для Pccar Мой проект Mazda 6 New

Tel: +7(903)105-4988 ICQ: 198359855 Email: fixup@bk.ru
Stasik вне форума   Ответить с цитированием
Старый 09.09.2010, 17:30   #7
Dmitry02
Старший Пользователь
 
Регистрация: 16.11.2005
Город: Москва
Регион: 77, 97, 99, 177
Машина: Cadillac BLS
Сообщений: 533
Dmitry02 will become famous soon enough
По умолчанию

Цитата:
Сообщение от dadlick Посмотреть сообщение
Тогда видятся еще и возможность включения усилителя по команде PC
и как Вы уже написали возможность выключения PC через настраиваемое время после пропадания АСС.
И коль уж датчик температуры повесили на винт, то можно и с него температуру в PC заводить, да и вообще возможно подключение до 8ми термометров на одну шину.
Конечно. Виртуальный COM порт и простейший протокол обмена.
__________________
Тюнинг автонавигаторов
BiTreker - автомобиль под контролем, даже если вас нет рядом
Умный БП - интеллектуальное управление питанием CarPC и внешних устройств
Режим День/Ночь - управление светом фар, яркостью монитора и внешними устрйоствами в зависимости от времени суток
Dmitry02 вне форума   Ответить с цитированием
Старый 09.09.2010, 17:57   #8
dadlick
Пользователь
 
Регистрация: 07.08.2009
Регион: 77, 97, 99, 177
Сообщений: 54
dadlick is on a distinguished road
По умолчанию

Цитата:
Сообщение от Dmitry02 Посмотреть сообщение
Конечно. Виртуальный COM порт и простейший протокол обмена.
Ок тогда, давай договариваться по протоколу обмена.
Предлагаю:
- первые 3 символа всегда COM - признак команды;
-далее один символ шифр команды/параметра (например T-датчик температуры, U- напряжение отключения и тд)
- один,два символа(зависит от шифра команды/параметра) величина параметра или команда.
dadlick вне форума   Ответить с цитированием
Старый 09.09.2010, 18:37   #9
Dmitry02
Старший Пользователь
 
Регистрация: 16.11.2005
Город: Москва
Регион: 77, 97, 99, 177
Машина: Cadillac BLS
Сообщений: 533
Dmitry02 will become famous soon enough
По умолчанию

У меня есть наработки протокола и прошивка для своего адаптера, писал на Cи для PIC18F2550.
А у вас есть аська или google talk?
Так быстрее определимся и выложим готовый результат, чтобы форум не засорять мутью интересной только программистам.
__________________
Тюнинг автонавигаторов
BiTreker - автомобиль под контролем, даже если вас нет рядом
Умный БП - интеллектуальное управление питанием CarPC и внешних устройств
Режим День/Ночь - управление светом фар, яркостью монитора и внешними устрйоствами в зависимости от времени суток
Dmitry02 вне форума   Ответить с цитированием
Старый 10.10.2010, 19:29   #10
Alex-L
Moderator
 
Аватар для Alex-L
 
Регистрация: 23.03.2008
Возраст: 55
Город: Москва, Нагорная
Регион: 77, 97, 99, 177
Машина: Mitsubishi Lancer-X
Сообщений: 2,096
Alex-L is a splendid one to beholdAlex-L is a splendid one to beholdAlex-L is a splendid one to beholdAlex-L is a splendid one to beholdAlex-L is a splendid one to beholdAlex-L is a splendid one to beholdAlex-L is a splendid one to behold
По умолчанию

То же, что и пост #1, только вместо VT1,VT2 - реле.
Некоторые сомневаются в полном отключении питания в случае использования полевиков.
p.s. В своем проекте использовал бесконтактную схему
Вложения
Тип файла: zip PowerControl v.1.1(K).zip (49.7 Кб, 951 просмотров)
Alex-L вне форума   Ответить с цитированием
Ответ


Здесь присутствуют: 1 (пользователей: 0 , гостей: 1)
 

Ваши права в разделе
Вы не можете создавать новые темы
Вы не можете отвечать в темах
Вы не можете прикреплять вложения
Вы не можете редактировать свои сообщения

BB коды Вкл.
Смайлы Вкл.
[IMG] код Вкл.
HTML код Выкл.



Часовой пояс GMT +4, время: 05:38.


Работает на vBulletin® версия 3.8.4.
Copyright ©2000 - 2026, Jelsoft Enterprises Ltd.
Перевод: zCarot