PCCar.ru - Ваш автомобильный компьютер

Вернуться   PCCar.ru - Ваш автомобильный компьютер > Всё Остальное > Проекты > Рабочий журнал

Ответ
 
Опции темы Поиск в этой теме
Старый 29.08.2010, 01:31   #1
dadlick
Пользователь
 
Регистрация: 07.08.2009
Регион: 77, 97, 99, 177
Сообщений: 54
dadlick is on a distinguished road
По умолчанию Hyundai I30 (Проект Айка)

Началось все с спонтанно, собственно с подвиг друг (у него Ховер), начитавшись поделок Chipa было решено компьютеру в машине быть.
И понеслось.
Был по случаб посещения доблестной страны Китай, приобретен ноутбук неизвестной марки на VIAC7, его внутренности можно лицезреть на фото.
Он обрел пристанище внутри корпуса родной магнитолы.


Радиатор был замене на радиатор от видеокарты с перемоткой кулера с 12 вольт на 5.
Питание было реализовано на Lm2576(см фото) 10вольт подовались на разъем аккумуляторной батареи.


Также был собран контролер для запуска ПК и обработки сигнала с рулевых кнопок.

Прошивку на с исходниками на это хозяйство выложу позже.
В качестве монитора предполагалось использовать решение от Mystery
Ох и попил он моей кровушки.



После не долгих мучений (про пайки шлейфов) монитор приказал долго жить сожрав зубья на шестернях.
Качество картинки конкретного экземпляра оставляло желать лучшего. По сему он был деинсталирован из системы и заменен на 8'' монитор от *******а. фоток в сборе к сожалению нет.
Но он торчал сверху консоли как и мистери (позже выложу фото корпуса монитора поверх консоли)


Так это все в прошлом.
Что мы имеем сейчас после, 8 месячных поисков центральной консоли, мне удалось ее заполучить.

Знай бы продавец что я ее вот так распилю ....

Ну ладно распилили, задолго до этого была вырезана из орг стекла вот такая заготовка (примерка по месту на консоли)

Собственно вклеена.

И покрашено.

И вот так прижилось на торпеде.

Последний раз редактировалось dadlick; 27.09.2010 в 09:52.
dadlick вне форума   Ответить с цитированием
Старый 29.08.2010, 01:32   #2
dadlick
Пользователь
 
Регистрация: 07.08.2009
Регион: 77, 97, 99, 177
Сообщений: 54
dadlick is on a distinguished road
По умолчанию

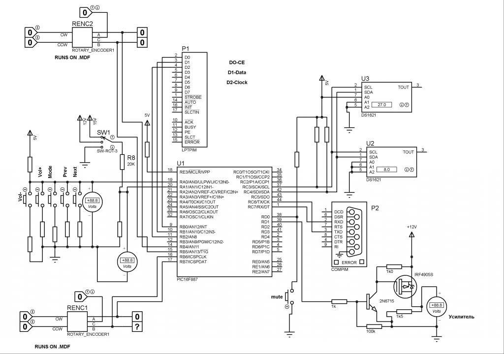
Контроллер.
Назначение:
1-Обработка "рулевых" (резистивных) клавиш, различая короткое и долгое нажатие.
2- Обработки двух энкодеров громкость и переключение треков/радиостанций.
3- Считывание информации с 2х датчиков температуры (салонного и забортного)
4- Контроля напряжения бортовой сети ACC.
Выключения PC через определенное время после пропадания АСС, задается через программу управления
Блок питания подключен к сигналу АСС через трех позиционный переключатель (АСС ОFF +12В) и если я забуду его в положение +12В, чтобы PC Не разрежал аккумулятор до напряжения 11,5В порог отключения БП.
5- Включения усилителя после загрузки ОС.
6- Автоматической регулировки яркости монитора по сигналу от фоторезистора (пока не реализовано).
7- Управление радио тюнером от магнитолы (наработки Alex-L).

во вложение модель для протеуса, исходники прошивки и тестовой программы для PC
Миниатюры
Нажмите на изображение для увеличения
Название: IMAG0058.jpg
Просмотров: 1966
Размер:	62.2 Кб
ID:	18129   Нажмите на изображение для увеличения
Название: ControlKey.jpg
Просмотров: 1897
Размер:	87.4 Кб
ID:	18130  
Вложения
Тип файла: zip Controllerl.zip (325.4 Кб, 1485 просмотров)

Последний раз редактировалось dadlick; 29.08.2010 в 21:44.
dadlick вне форума   Ответить с цитированием
Старый 29.08.2010, 01:34   #3
dadlick
Пользователь
 
Регистрация: 07.08.2009
Регион: 77, 97, 99, 177
Сообщений: 54
dadlick is on a distinguished road
По умолчанию

Тут опишу протокол передачи данных вот такого китайского парктроника и мой вариант сопряжения с PC.

Осциллограмма выдаваемого блоком парктроников сигнала выглядит примерно так:

И того мы имеем синхроимпульс и последовательность из 8 бит информации:

Попробуем расшифровать:
00010101 - соответствует датчику "А+В" и дистанции 2,1 метр;
00110101 - соответствует датчику "С+D" и дистанции 2,1 метр;
Отбрасываем первые 3 бита и оставшиеся 5 после преобразования двоичного кода в десятичный дают число 21 - это дистанция.
Теперь первые 3 бита это информация о датчике, точнее о паре датчиков 000 - "А+В"
001 - "C+D"
01100000 - так выглядит сигнал нет препятствий.
Чуть позже выложу реализацию обработки этого сигнала в протеусе посредством PIC16f628.

Последний раз редактировалось dadlick; 30.08.2010 в 11:10.
dadlick вне форума   Ответить с цитированием
Старый 29.08.2010, 01:36   #4
dadlick
Пользователь
 
Регистрация: 07.08.2009
Регион: 77, 97, 99, 177
Сообщений: 54
dadlick is on a distinguished road
По умолчанию

Challenger TA 5.1 Заменяем пульт на PC.
Вот так выглядит снятая осциллограмма кнопки Enter.

Сняв осциллограммы с остальных кнопок получаем вот такую сводную таблицу команд.
Последний столбец - команда которую нужно послать в ком порт > контроллер для воспроизведения Ик команды.

Простенький интерфейс отладочной программы.


Видео работы в протеусе

Во вложение Модель для протеуса и исходники контроллера.
В живую с усем еще не пробовал.
Вложения
Тип файла: zip Challenger TA 5.1.zip (53.5 Кб, 1554 просмотров)

Последний раз редактировалось dadlick; 30.09.2010 в 00:03.
dadlick вне форума   Ответить с цитированием
Старый 30.08.2010, 09:41   #5
Anthonymus
Старший Пользователь
 
Регистрация: 28.01.2009
Возраст: 47
Регион: 12
Машина: Chrysler Concorde
Сообщений: 386
Anthonymus is on a distinguished road
По умолчанию

Цитата:
Сообщение от dadlick Посмотреть сообщение
Тут опишу протокол передачи данных вот такого китайского парктроника и мой вариант сопряжения с PC.
Вот эту тему буду ждать! :-) А то у меня уже индикатор парктроника от жары потек. Оставлю пищалку, а данные с индикатора - на монитор...
Anthonymus вне форума   Ответить с цитированием
Старый 30.08.2010, 15:24   #6
Chizhikoff
Пользователь
 
Аватар для Chizhikoff
 
Регистрация: 27.02.2010
Возраст: 53
Город: Москва
Регион: 77, 97, 99, 177
Машина: Volvo XC90
Сообщений: 45
Chizhikoff is on a distinguished road
По умолчанию

Цитата:
Сообщение от Anthonymus Посмотреть сообщение
Вот эту тему буду ждать! :-) ...

На мп3кар точка ком в проектах была уже реализация вывода на монитор. Даже можно было купить переходничок для упрощения процедуры. Ссылки не нашел в избранном, но, думаю, что поковырявшись найдешь. Я было загорелся, но потом подумал, что все равно только пищалкой пользуюсь и остыл пока. Если дисплей потечет (тьфу3раза), то может и озабочусь. Удачи
__________________
>>>>>>>>>>>>>>>>>>>>>
Sorento 3,3L Zotac 630itx, E5400, WD1600BEWT, 2Gb DDRII, M4-ATX, GPRS Huawei E1550, E-MU 0202, ArtSound PA85.4, KixPRO 62N, XP SP3, Centrafuse 3.1 - вся эта ботва в процессе настройки...
Скидка на Centrafuse
http://www.centrafuse.com/store.aspx?rref=L8FAWUE5O
Chizhikoff вне форума   Ответить с цитированием
Старый 30.08.2010, 16:34   #7
dadlick
Пользователь
 
Регистрация: 07.08.2009
Регион: 77, 97, 99, 177
Сообщений: 54
dadlick is on a distinguished road
По умолчанию

Цитата:
Сообщение от Chizhikoff Посмотреть сообщение
На мп3кар точка ком в проектах была уже реализация вывода на монитор. Даже можно было купить переходничок для упрощения процедуры. Ссылки не нашел в избранном, но, думаю, что поковырявшись найдешь. Я было загорелся, но потом подумал, что все равно только пищалкой пользуюсь и остыл пока. Если дисплей потечет (тьфу3раза), то может и озабочусь. Удачи
Видел наработки Robby, но купить и за-бугра не стандартизированную железку себе дороже выйдет.
Да и мне интересней своими руками (Хобби у меня такое)
dadlick вне форума   Ответить с цитированием
Старый 31.08.2010, 08:52   #8
Chizhikoff
Пользователь
 
Аватар для Chizhikoff
 
Регистрация: 27.02.2010
Возраст: 53
Город: Москва
Регион: 77, 97, 99, 177
Машина: Volvo XC90
Сообщений: 45
Chizhikoff is on a distinguished road
По умолчанию

Цитата:
Сообщение от dadlick Посмотреть сообщение
Хобби у меня такое
Понимаю ))
__________________
>>>>>>>>>>>>>>>>>>>>>
Sorento 3,3L Zotac 630itx, E5400, WD1600BEWT, 2Gb DDRII, M4-ATX, GPRS Huawei E1550, E-MU 0202, ArtSound PA85.4, KixPRO 62N, XP SP3, Centrafuse 3.1 - вся эта ботва в процессе настройки...
Скидка на Centrafuse
http://www.centrafuse.com/store.aspx?rref=L8FAWUE5O
Chizhikoff вне форума   Ответить с цитированием
Старый 15.09.2010, 11:06   #9
KostqN
Пользователь
 
Регистрация: 01.04.2009
Город: Екатеринбург
Регион: 66, 96
Машина: 2005\Subaru\Impreza
Сообщений: 51
KostqN is on a distinguished road
По умолчанию

Очень хочется увидеть продолжение проекта. Особенно парковочного радара
KostqN вне форума   Ответить с цитированием
Старый 14.02.2021, 17:40   #10
rusmiass
Новый Пользователь
 
Регистрация: 13.12.2018
Возраст: 44
Регион: 74
Сообщений: 1
rusmiass is on a distinguished road
По умолчанию

Цитата:
Сообщение от dadlick Посмотреть сообщение
Challenger TA 5.1 Заменяем пульт на PC.
Вот так выглядит снятая осциллограмма кнопки Enter.

Сняв осциллограммы с остальных кнопок получаем вот такую сводную таблицу команд.
Последний столбец - команда которую нужно послать в ком порт > контроллер для воспроизведения Ик команды.

Простенький интерфейс отладочной программы.


Видео работы в протеусе

Во вложение Модель для протеуса и исходники контроллера.
В живую с усем еще не пробовал.
Можно ссылку на видео? И подробности ?

Очень интересны все наработки по данному усилителю, у многих утерян пульт, а без пульта ничего не настроить, может есть методы подключения сторонних или через ардуино проекты?

Последний раз редактировалось basurman; 15.02.2021 в 17:06.
rusmiass вне форума   Ответить с цитированием
Ответ


Здесь присутствуют: 1 (пользователей: 0 , гостей: 1)
 

Ваши права в разделе
Вы не можете создавать новые темы
Вы не можете отвечать в темах
Вы не можете прикреплять вложения
Вы не можете редактировать свои сообщения

BB коды Вкл.
Смайлы Вкл.
[IMG] код Вкл.
HTML код Выкл.



Часовой пояс GMT +4, время: 06:54.


Работает на vBulletin® версия 3.8.4.
Copyright ©2000 - 2026, Jelsoft Enterprises Ltd.
Перевод: zCarot