PCCar.ru - Ваш автомобильный компьютер

Вернуться   PCCar.ru - Ваш автомобильный компьютер > MP3Car ТехИнфа > Беcпроводные коммуникации > Радио/ТВ

Ответ
 
Опции темы Поиск в этой теме
Старый 06.07.2010, 14:06   #1121
Vic58
Старший Пользователь
 
Регистрация: 21.10.2009
Регион: 61
Сообщений: 603
Vic58 is on a distinguished road
По умолчанию

Цитата:
Сообщение от JonyBest Посмотреть сообщение
Подскажите как реализовать автопоиск на тюнере Пионер выводов SD/ST IND и S-meter не нашел.
Третий вывод - ST. Десятый, точно не скажу, но может быть это и есть S-метр, смотреть надо блок в работе и определять что у него где.
А вот как практически работает автопоиск на этом принципе так никто ни разу и не написал.

Последний раз редактировалось Vic58; 06.07.2010 в 16:08.
Vic58 вне форума   Ответить с цитированием
Старый 06.07.2010, 15:33   #1122
JonyBest
Пользователь
 
Регистрация: 20.09.2009
Город: Stav
Регион: 26
Машина: Nissan
Сообщений: 53
JonyBest is on a distinguished road
По умолчанию

Как определить S-метр?
JonyBest вне форума   Ответить с цитированием
Старый 06.07.2010, 16:07   #1123
Vic58
Старший Пользователь
 
Регистрация: 21.10.2009
Регион: 61
Сообщений: 603
Vic58 is on a distinguished road
По умолчанию

Цитата:
Сообщение от JonyBest Посмотреть сообщение
Как определить S-метр?
S-метр, это выход, напряжение на котором, пропорционально силе принимаемого сигнала.
Vic58 вне форума   Ответить с цитированием
Старый 06.07.2010, 16:33   #1124
JonyBest
Пользователь
 
Регистрация: 20.09.2009
Город: Stav
Регион: 26
Машина: Nissan
Сообщений: 53
JonyBest is on a distinguished road
По умолчанию

А, ST, как я понимаю - выход, напряжение на котором показывает стерео или моно?!
У меня на данном выходе 0,1-0,5в, видимо открытый коллектор, т.к. если посадить подтяжку к +5в, то при стерео - 0,5в при моно - 4,5в.
JonyBest вне форума   Ответить с цитированием
Старый 06.07.2010, 16:37   #1125
JonyBest
Пользователь
 
Регистрация: 20.09.2009
Город: Stav
Регион: 26
Машина: Nissan
Сообщений: 53
JonyBest is on a distinguished road
По умолчанию

на 9 выводе FMSL - от уровня станции меняется напряжение от 3,5в до 6в - это оно?
JonyBest вне форума   Ответить с цитированием
Старый 06.07.2010, 17:40   #1126
Vic58
Старший Пользователь
 
Регистрация: 21.10.2009
Регион: 61
Сообщений: 603
Vic58 is on a distinguished road
По умолчанию

Цитата:
Сообщение от JonyBest Посмотреть сообщение
на 9 выводе FMSL - от уровня станции меняется напряжение от 3,5в до 6в - это оно?
похоже, что оно, и ST правильно там открытый коллектор.
Vic58 вне форума   Ответить с цитированием
Старый 01.11.2010, 13:53   #1127
badnetrnd
Старший Пользователь
 
Регистрация: 11.08.2009
Возраст: 38
Город: Ростов на Дону
Регион: 61
Машина: фф2
Сообщений: 338
badnetrnd is on a distinguished road
По умолчанию помогите

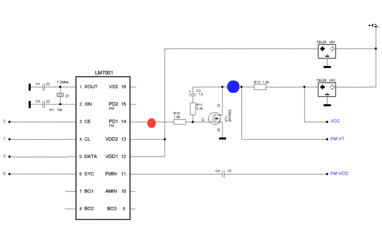
вообщем я споял радио на модули от sony (модуль называеться ssir-ex) и оно конечно же не заработало вообщем щас я припоял на вход vt подстроечный резистор и им настроился на частоту 102.2(европа плюс в ростове) выход osc соединён с 11 ногой lm при этом на выходе 14 lm 0.03v , если в программе управления я меняю частоту на:
101.6 то 3.20v ,
100.7 то 3,22v
100.1 то 3.24v
88.2 то 3.59v
если 103.0 и выше то 0v

а на выходе с транзистора
0.01v и ничего не меняется т.е. получается что тр-р не реагирует (как проверить вообще он рабочий или нет?)
Использую программу fmavto ver.2
Схема прилагается под выходом 14 lm я понимаю то место которое обозначенно красным кружком . Под выходом тр-ра синий кружок .
p.s. осцилографа у меня нету все измерения проводились цифровым мультиметром в режиме измерения постоянного тока !!!
Миниатюры
Нажмите на изображение для увеличения
Название: cxema my.GIF
Просмотров: 1215
Размер:	17.0 Кб
ID:	18922  
__________________
машина продана вместе с компьютером
badnetrnd вне форума   Ответить с цитированием
Старый 01.11.2010, 14:12   #1128
badnetrnd
Старший Пользователь
 
Регистрация: 11.08.2009
Возраст: 38
Город: Ростов на Дону
Регион: 61
Машина: фф2
Сообщений: 338
badnetrnd is on a distinguished road
По умолчанию

кто-нубудь знает какая маокировка должна быть у 2n7002 (smd) ?
__________________
машина продана вместе с компьютером
badnetrnd вне форума   Ответить с цитированием
Старый 01.11.2010, 14:37   #1129
Diagnose
Старший Пользователь
 
Аватар для Diagnose
 
Регистрация: 05.12.2008
Возраст: 55
Город: Волгоград
Регион: 34
Машина: 2003\Toyota\Allion
Сообщений: 446
Diagnose is a jewel in the roughDiagnose is a jewel in the roughDiagnose is a jewel in the rough
По умолчанию

У меня стоит такой:Нажмите на изображение для увеличения
Название: SDC12412.JPG
Просмотров: 1513
Размер:	247.5 Кб
ID:	18923
Правда что-то пока тоже не пашет, временно отложил эту самоделку, времени пока нет разбираться.
__________________
Toyota Allion
Diagnose вне форума   Ответить с цитированием
Старый 02.11.2010, 00:13   #1130
badnetrnd
Старший Пользователь
 
Регистрация: 11.08.2009
Возраст: 38
Город: Ростов на Дону
Регион: 61
Машина: фф2
Сообщений: 338
badnetrnd is on a distinguished road
По умолчанию

спасибо радио уже заработало проблема была в транзисторе вообще странно он был новым я его не перегревал но он почему-то не заработал попробовал 2n7002 и теперь всё пашет
кстати вот цеколевка транзистора
Миниатюры
Нажмите на изображение для увеличения
Название: 2n7000-02.GIF
Просмотров: 1160
Размер:	7.8 Кб
ID:	18931  
__________________
машина продана вместе с компьютером
badnetrnd вне форума   Ответить с цитированием
Ответ

Метки
радио, разработка


Здесь присутствуют: 3 (пользователей: 0 , гостей: 3)
 

Ваши права в разделе
Вы не можете создавать новые темы
Вы не можете отвечать в темах
Вы не можете прикреплять вложения
Вы не можете редактировать свои сообщения

BB коды Вкл.
Смайлы Вкл.
[IMG] код Вкл.
HTML код Выкл.



Часовой пояс GMT +4, время: 21:32.


Работает на vBulletin® версия 3.8.4.
Copyright ©2000 - 2026, Jelsoft Enterprises Ltd.
Перевод: zCarot