PCCar.ru - Ваш автомобильный компьютер

Вернуться   PCCar.ru - Ваш автомобильный компьютер > Всё Остальное > Проекты > Рабочий журнал

Ответ
 
Опции темы Поиск в этой теме
Старый 28.06.2010, 14:56   #31
Alex-NN
Гуру
 
Аватар для Alex-NN
 
Регистрация: 11.05.2008
Возраст: 57
Город: Дзержинск
Регион: 52
Машина: Nissan Almera N16
Сообщений: 1,015
Alex-NN has a spectacular aura aboutAlex-NN has a spectacular aura about
По умолчанию

Непонятно, какой монитор в текущей конфигурации.
От Acer aspire one 110? Как подключен?
Alex-NN вне форума   Ответить с цитированием
Старый 28.06.2010, 15:11   #32
Virtual
Гуру
 
Регистрация: 07.11.2009
Возраст: 50
Регион: 02
Машина: Hyundai Accent :)
Сообщений: 1,361
Virtual has a spectacular aura aboutVirtual has a spectacular aura about
По умолчанию

DimDim-istra
1. вентилятор на вдув? не думал о установке фильтра? ибо под сидушкой мягкоговоря пыльно.
2.
Цитата:
раза три перепаивал блок питания на 19 в, горит зараза.
по какой схеме делал? не должен он гореть! при правильной сборке.
3. не выравняеш потенциал минуса меж корпусом авто и массой моника, так и будет "полосить" помехами .
__________________
Accent + Mystery MMT-8120S+ежик700_2Gssd_798МГц проц
Virtual вне форума   Ответить с цитированием
Старый 28.06.2010, 17:10   #33
DimDim-istra
Пользователь
 
Аватар для DimDim-istra
 
Регистрация: 15.06.2009
Возраст: 53
Город: Истра
Регион: 50, 90, 150
Машина: 2006\hyundai\accent
Сообщений: 45
DimDim-istra is on a distinguished road
По умолчанию

Alex-NN
Монитор 7" плюс тач, с Acerom завязал, лежит дома для инета и так по мелочи.
Был подключен VGA кабелем, проблем не было. Я изначально не хотел его препарировать, его монитор в Accent внедряется ну с очень большими переделками, а колхозить нет желания, ну а 7" встал как родной.

Virtual
1. Вентилятор на вдув.
Пыли за пол года нет, я в принципе окна стараюсь не открывать ну и салонный фильтр стоит, в сравнении с домашним системником просто стерильно, посмотрю в конце лета, может и поставлю.
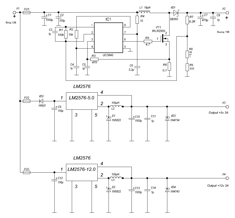
2.Вот схема
Нажмите на изображение для увеличения
Название: BP.JPG
Просмотров: 1525
Размер:	90.0 Кб
ID:	17634
С нетбуком работало нормально, с материнкой Zotac, горит полевик и микросхема. И при заводке UC3845 вырубала блок питания по просадке напряжения.
3.Полоски тоже пропали, когда "-" платы БП посадил на массу корпуса.
Да и полосил только в режиме VGA.
__________________
Мой проект Hyundai Accent

ZOTAC ION ITX C Series, HDD 160Gb 2.5" SATA, RAM 2Gb, GPS: BU-353, Check-Engine BT-ECU, Logitech QuickCam Pro for Notebooks, БП с контроллером (19v 12v 5v).
DimDim-istra вне форума   Ответить с цитированием
Старый 28.06.2010, 19:37   #34
Virtual
Гуру
 
Регистрация: 07.11.2009
Возраст: 50
Регион: 02
Машина: Hyundai Accent :)
Сообщений: 1,361
Virtual has a spectacular aura aboutVirtual has a spectacular aura about
По умолчанию

2. хм странно, если все согласно схеме то не мог сгореть бп! если конечно R6 не проигнорировал с номиналом в 0,1Ом защита по току в 10А, что за глаза данному транзистору. так что иль че в схеме намудрил, иль тепловой пробой.

ЗЫ а 12в для чего у тя используется? просто очень весело видеть такую схему фигово работающую при незаведенном авто.
__________________
Accent + Mystery MMT-8120S+ежик700_2Gssd_798МГц проц
Virtual вне форума   Ответить с цитированием
Старый 29.06.2010, 10:54   #35
DimDim-istra
Пользователь
 
Аватар для DimDim-istra
 
Регистрация: 15.06.2009
Возраст: 53
Город: Истра
Регион: 50, 90, 150
Машина: 2006\hyundai\accent
Сообщений: 45
DimDim-istra is on a distinguished road
По умолчанию

На 100% тепловой пробой, схема рабочая на Acere работала без проблем, здесь полевик перегревался, я его и на радиатор сажал, как на улице потеплело горит и все. А 12 вольт идет на питание монитора и пару кулеров. БП работал нормально, я писал что вырубался при заводке, когда если заглушил машину, комп поработал минут 5, а потом заводишь, вот тогда он перезагружался по просадке питания, а вот почему не знаю, вольтаж меньше 11в и все, грузимся заново. На нетбуке от этого спасала его батарея. Хотя и поставил Vanson, разобраться все равно хочется. У материнки родной адаптер на 90 w.
__________________
Мой проект Hyundai Accent

ZOTAC ION ITX C Series, HDD 160Gb 2.5" SATA, RAM 2Gb, GPS: BU-353, Check-Engine BT-ECU, Logitech QuickCam Pro for Notebooks, БП с контроллером (19v 12v 5v).

Последний раз редактировалось DimDim-istra; 29.06.2010 в 17:06.
DimDim-istra вне форума   Ответить с цитированием
Старый 29.06.2010, 12:52   #36
Virtual
Гуру
 
Регистрация: 07.11.2009
Возраст: 50
Регион: 02
Машина: Hyundai Accent :)
Сообщений: 1,361
Virtual has a spectacular aura aboutVirtual has a spectacular aura about
По умолчанию

DimDim-istra раз перегревался транзистор значит, проблема в расчете ....
меня смущает емкость у тя на 4й ноге 1мкф или это очепятка?
ибо вродь при 2,2нФ частота всего 40кГц. осцилографом смотреть нужно .
__________________
Accent + Mystery MMT-8120S+ежик700_2Gssd_798МГц проц
Virtual вне форума   Ответить с цитированием
Старый 29.06.2010, 15:12   #37
DimDim-istra
Пользователь
 
Аватар для DimDim-istra
 
Регистрация: 15.06.2009
Возраст: 53
Город: Истра
Регион: 50, 90, 150
Машина: 2006\hyundai\accent
Сообщений: 45
DimDim-istra is on a distinguished road
По умолчанию

Похоже опечатка, на днях проверю. У меня еще осталась плата чисто под 19в блок, попробую погонять. Спасибо за наводку где искать.
__________________
Мой проект Hyundai Accent

ZOTAC ION ITX C Series, HDD 160Gb 2.5" SATA, RAM 2Gb, GPS: BU-353, Check-Engine BT-ECU, Logitech QuickCam Pro for Notebooks, БП с контроллером (19v 12v 5v).
DimDim-istra вне форума   Ответить с цитированием
Старый 29.06.2010, 15:43   #38
Virtual
Гуру
 
Регистрация: 07.11.2009
Возраст: 50
Регион: 02
Машина: Hyundai Accent :)
Сообщений: 1,361
Virtual has a spectacular aura aboutVirtual has a spectacular aura about
По умолчанию

Цитата:
Сообщение от DimDim-istra Посмотреть сообщение
Похоже опечатка, на днях проверю. У меня еще осталась плата чисто под 19в блок, попробую погонять. Спасибо за наводку где искать.
там скорее всего 1..4нф стоять должен.
если на самом деле больше (по даташиту вообще более 100нф нету), боюсь частоты не хватает нормально раскачать 3А.
да и индуктивность смущает... обычно при данных частотах там значительно более 18mH

ЗЫ а то что отрубалось при кручении стартером, логично ибо данная микруха 12 ≤ VCC ≤ 25V . запустить нормально можно но нужно двойное питание, одно с авто через диод 12в, другое с 19в. тож через диод, и все это подать на 7й нога .
__________________
Accent + Mystery MMT-8120S+ежик700_2Gssd_798МГц проц

Последний раз редактировалось Virtual; 29.06.2010 в 16:18.
Virtual вне форума   Ответить с цитированием
Старый 29.06.2010, 17:05   #39
DimDim-istra
Пользователь
 
Аватар для DimDim-istra
 
Регистрация: 15.06.2009
Возраст: 53
Город: Истра
Регион: 50, 90, 150
Машина: 2006\hyundai\accent
Сообщений: 45
DimDim-istra is on a distinguished road
По умолчанию

С двойным питанием много гемороя, пока оставлю как есть, Vanson прижился, а блок спаяю для нетбука (его и буду мучать), пускай ребенок в дороге развлекается.
__________________
Мой проект Hyundai Accent

ZOTAC ION ITX C Series, HDD 160Gb 2.5" SATA, RAM 2Gb, GPS: BU-353, Check-Engine BT-ECU, Logitech QuickCam Pro for Notebooks, БП с контроллером (19v 12v 5v).
DimDim-istra вне форума   Ответить с цитированием
Старый 29.06.2010, 19:19   #40
Virtual
Гуру
 
Регистрация: 07.11.2009
Возраст: 50
Регион: 02
Машина: Hyundai Accent :)
Сообщений: 1,361
Virtual has a spectacular aura aboutVirtual has a spectacular aura about
По умолчанию

Цитата:
Сообщение от DimDim-istra Посмотреть сообщение
С двойным питанием много гемороя, пока оставлю как есть, Vanson прижился, а блок спаяю для нетбука (его и буду мучать), пускай ребенок в дороге развлекается.
ты издеваешся?
Миниатюры
Нажмите на изображение для увеличения
Название: 35465.JPG
Просмотров: 1850
Размер:	31.4 Кб
ID:	17651  
__________________
Accent + Mystery MMT-8120S+ежик700_2Gssd_798МГц проц
Virtual вне форума   Ответить с цитированием
Ответ

Метки
eee pc, hyundai


Здесь присутствуют: 1 (пользователей: 0 , гостей: 1)
 

Ваши права в разделе
Вы не можете создавать новые темы
Вы не можете отвечать в темах
Вы не можете прикреплять вложения
Вы не можете редактировать свои сообщения

BB коды Вкл.
Смайлы Вкл.
[IMG] код Вкл.
HTML код Выкл.



Часовой пояс GMT +4, время: 16:39.


Работает на vBulletin® версия 3.8.4.
Copyright ©2000 - 2026, Jelsoft Enterprises Ltd.
Перевод: zCarot