PCCar.ru - Ваш автомобильный компьютер

Вернуться   PCCar.ru - Ваш автомобильный компьютер > MP3Car ТехИнфа > Разработка устройств

Ответ
 
Опции темы Поиск в этой теме
Старый 09.04.2010, 15:04   #11
admin
Administrator
 
Аватар для admin
 
Регистрация: 15.06.2005
Город: Москва
Регион: 77, 97, 99, 177
Машина: Lexus RX400h
Сообщений: 842
admin is a glorious beacon of lightadmin is a glorious beacon of lightadmin is a glorious beacon of lightadmin is a glorious beacon of lightadmin is a glorious beacon of lightadmin is a glorious beacon of light
По умолчанию

Что бы не ставить концевики и герконы , используй серву или ШД
__________________
Все для arduino.
admin вне форума   Ответить с цитированием
Старый 09.04.2010, 15:08   #12
ViNiGaL
Пользователь
 
Аватар для ViNiGaL
 
Регистрация: 20.07.2009
Возраст: 54
Город: Чебоксары
Регион: 21
Машина: 2005\KIA\SPORTAGE
Сообщений: 51
ViNiGaL is on a distinguished road
По умолчанию

Цитата:
Сообщение от admin Посмотреть сообщение
Что бы не ставить концевики и герконы , используй серву или ШД
есть шаговый двигатель от старого принтера, он очень большой
ViNiGaL вне форума   Ответить с цитированием
Старый 09.04.2010, 15:17   #13
ViNiGaL
Пользователь
 
Аватар для ViNiGaL
 
Регистрация: 20.07.2009
Возраст: 54
Город: Чебоксары
Регион: 21
Машина: 2005\KIA\SPORTAGE
Сообщений: 51
ViNiGaL is on a distinguished road
По умолчанию

поставить хочу рядом с фонарем госс. знака
Миниатюры
Нажмите на изображение для увеличения
Название: 8[1].jpg
Просмотров: 1258
Размер:	10.1 Кб
ID:	16251  
ViNiGaL вне форума   Ответить с цитированием
Старый 09.04.2010, 16:02   #14
mcf1
Guest
 
Сообщений: n/a
По умолчанию

Цитата:
Сообщение от ViNiGaL Посмотреть сообщение
поставить хочу рядом с фонарем госс. знака
для многих автомобилей это почти единственное место для камеры. впрочем не самое плохое. при угле обзора камеры 140-150градусов углы бампера видно.

Цитата:
Сообщение от джи-дай Посмотреть сообщение
Чо так переживаешь? ....
Ничо я не впариваю...А для парковки радар есть.
я не переживаю ни сколько, просто ты уже не первый раз хвастаешься своей камерой на крыше. человек про схемотехнику спрашивает, а ты ему про накрышного робота. Понятно что на крыше камера будет пачкаться значительно меньше, но с крыши она не видит того что должна видеть.
При наличии камеры парктроники не нужны вовсе. к тому же парктроникам все равно - пять сантиметров до препятствия или двадцать, он тупо пищит и все.
  Ответить с цитированием
Старый 09.04.2010, 16:20   #15
джи-дай
Старший Пользователь
 
Регистрация: 11.01.2008
Регион: 52
Машина: Acura RDX, GW H5TDi-AT, Lexus RX 450h
Сообщений: 512
джи-дай will become famous soon enough
По умолчанию

У мну расстояние на мониторе и какой датчик сработал показывает...
Ладно...мир, дружба,жувачка...
Миниатюры
Нажмите на изображение для увеличения
Название: 1719fb7b4d72.jpg
Просмотров: 1089
Размер:	49.8 Кб
ID:	16255  
джи-дай вне форума   Ответить с цитированием
Старый 10.04.2010, 00:07   #16
ViNiGaL
Пользователь
 
Аватар для ViNiGaL
 
Регистрация: 20.07.2009
Возраст: 54
Город: Чебоксары
Регион: 21
Машина: 2005\KIA\SPORTAGE
Сообщений: 51
ViNiGaL is on a distinguished road
По умолчанию

Цитата:
Сообщение от mcf1 Посмотреть сообщение
для многих автомобилей это почти единственное место для камеры. впрочем не самое плохое. при угле обзора камеры 140-150градусов углы бампера видно.
Я не до конца выразил свою мысль. Камера будет прятаца в ручку багажника, поэтому я сильно ограничен размерами конструкции, двигатель от мыльницы с планетарным редуктором выбрал из за малого размера (на рисунке в первом посте красный)
Миниатюры
Нажмите на изображение для увеличения
Название: SP_A0379.jpg
Просмотров: 845
Размер:	118.9 Кб
ID:	16293   Нажмите на изображение для увеличения
Название: SP_A0380.jpg
Просмотров: 845
Размер:	96.1 Кб
ID:	16294   Нажмите на изображение для увеличения
Название: SP_A0381.jpg
Просмотров: 790
Размер:	99.5 Кб
ID:	16295  
ViNiGaL вне форума   Ответить с цитированием
Старый 10.04.2010, 00:26   #17
Vic58
Старший Пользователь
 
Регистрация: 21.10.2009
Регион: 61
Сообщений: 603
Vic58 is on a distinguished road
По умолчанию

Цитата:
Сообщение от джи-дай Посмотреть сообщение
А на камеру не налипает?.....
Вот так у меня стоит позиционируемая камера...(мою раз в месяц)
Думается я у многих уже руки чесались ее оттуда позаимствовать ....

Цитата:
Сообщение от ViNiGaL
Я не до конца выразил свою мысль. Камера будет прятаца в ручку багажника,
Интересная задумка! А ручка сможет свои функции выполнять со всеми этими надстройками?
Vic58 вне форума   Ответить с цитированием
Старый 10.04.2010, 02:06   #18
awtoap
Гуру
 
Аватар для awtoap
 
Регистрация: 19.09.2009
Возраст: 47
Город: Мелитополь
Регион: Украина
Сообщений: 2,022
awtoap is a splendid one to beholdawtoap is a splendid one to beholdawtoap is a splendid one to beholdawtoap is a splendid one to beholdawtoap is a splendid one to beholdawtoap is a splendid one to beholdawtoap is a splendid one to behold
По умолчанию

А если электромагнит приделать - подал напругу вылезла, убрал - возврат за счет пружины... :-)
awtoap вне форума   Ответить с цитированием
Старый 10.04.2010, 03:51   #19
ViNiGaL
Пользователь
 
Аватар для ViNiGaL
 
Регистрация: 20.07.2009
Возраст: 54
Город: Чебоксары
Регион: 21
Машина: 2005\KIA\SPORTAGE
Сообщений: 51
ViNiGaL is on a distinguished road
По умолчанию

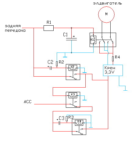
Вот начертил покритикуйте, или поправьте, о то как-то громоздко получается.
Емкость С1 подберу под задержку в пол секунды
Емкость С2 и С3 под импульс длиной в одну секунду
Вместо доводчика поставлю магнит,
Кто знаком с законом Ома, подскажите пожалуйста номинал ограничивающего резистора R4,
Потребление Эл. Двигателя в номинале 120мА.
Цитата:
Сообщение от Vic58 Посмотреть сообщение
А ручка сможет свои функции выполнять со всеми этими надстройками?
да.
Миниатюры
Нажмите на изображение для увеличения
Название: Безымянный1.jpg
Просмотров: 1208
Размер:	27.9 Кб
ID:	16297  

Последний раз редактировалось ViNiGaL; 10.04.2010 в 22:59.
ViNiGaL вне форума   Ответить с цитированием
Старый 10.04.2010, 07:48   #20
джи-дай
Старший Пользователь
 
Регистрация: 11.01.2008
Регион: 52
Машина: Acura RDX, GW H5TDi-AT, Lexus RX 450h
Сообщений: 512
джи-дай will become famous soon enough
По умолчанию

Цитата:
Сообщение от ViNiGaL Посмотреть сообщение
Я не до конца выразил свою мысль. Камера будет прятаца в ручку багажника, поэтому я сильно ограничен размерами конструкции, двигатель от мыльницы с планетарным редуктором выбрал из за малого размера (на рисунке в первом посте красный)
Могу ещё одну наводку дать....механизм движения каредки CD-ROM.Там довольно небоьшого размера коллекторный движок +червячный привод...
джи-дай вне форума   Ответить с цитированием
Ответ


Здесь присутствуют: 1 (пользователей: 0 , гостей: 1)
 

Ваши права в разделе
Вы не можете создавать новые темы
Вы не можете отвечать в темах
Вы не можете прикреплять вложения
Вы не можете редактировать свои сообщения

BB коды Вкл.
Смайлы Вкл.
[IMG] код Вкл.
HTML код Выкл.



Часовой пояс GMT +4, время: 21:32.


Работает на vBulletin® версия 3.8.4.
Copyright ©2000 - 2026, Jelsoft Enterprises Ltd.
Перевод: zCarot