PCCar.ru - Ваш автомобильный компьютер

Вернуться   PCCar.ru - Ваш автомобильный компьютер > MP3Car ТехИнфа > Устройства ввода > Резистивные кнопки

Ответ
 
Опции темы Поиск в этой теме
Старый 11.12.2006, 13:33   #1
Димон
Гуру
 
Аватар для Димон
 
Регистрация: 03.10.2005
Город: МКАД восток-запад
Регион: 77, 97, 99, 177
Машина: 09\Опиль\АстраХ
Сообщений: 2,013
Димон is a splendid one to beholdДимон is a splendid one to beholdДимон is a splendid one to beholdДимон is a splendid one to beholdДимон is a splendid one to beholdДимон is a splendid one to behold
По умолчанию Подрулевые кнопки AUDI --> USB

В дискуссии этой темы принимают участие только народ, кто все прочитал тут: http://forum.pccar.ru/showthread.php?t=195

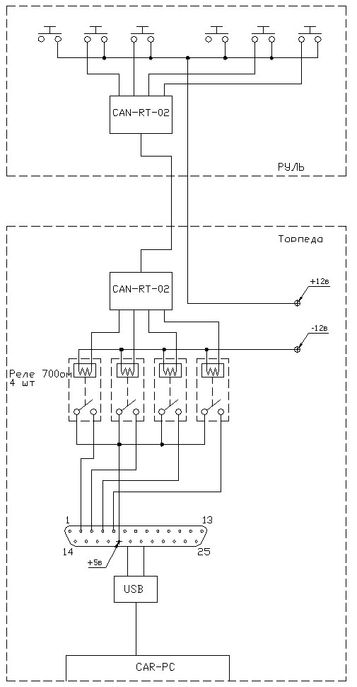
Дана машина ауди, штатная магнитола выброшена. Из руля от 6 кнопок идет 3 провода, воригинале была цифровая передача, контроллер непрозванивается.

Есть два варианта.
1. Работают четыре кнопки по одному проводу через мультиплексер, понадобятся реле т.к. мультиплексеры жрут 12в, а компьютер 5в.

(картинка во вложении внизу).

2. Работают все шесть кнопок, по штатным трем проводам пускается сформированный сигнал USB (если пройдет)



Во вложении кроме картинок еще автокадовская схемка. Софт, поддерживающий половину функций выложен давно тут: http://forum.pccar.ru/showpost.php?p=1338&postcount=8 и вчера проверен под winXP. Все работает. Переходник LPT-USB лежит везде за 500рэ, яндекс рулит.
Миниатюры
Нажмите на изображение для увеличения
Название: 4channel.jpg
Просмотров: 1321
Размер:	72.0 Кб
ID:	1265   Нажмите на изображение для увеличения
Название: 6channel.jpg
Просмотров: 2263
Размер:	54.3 Кб
ID:	1266  
Вложения
Тип файла: zip AudiSWdwg.zip (15.8 Кб, 720 просмотров)

Последний раз редактировалось Димон; 11.12.2006 в 15:14.
Димон вне форума   Ответить с цитированием
Старый 11.12.2006, 13:58   #2
Don_ik_kot
Главный Ибонех
 
Аватар для Don_ik_kot
 
Регистрация: 04.09.2006
Возраст: 45
Регион: 50, 90, 150
Машина: Mazda3
Сообщений: 815
Don_ik_kot will become famous soon enoughDon_ik_kot will become famous soon enough
По умолчанию

А почему бы не повесить все кнопки на два провода и различать их нажатия по сопротивлению - соответственно заводить на геймпорт и далее по известной схеме?
Don_ik_kot вне форума   Ответить с цитированием
Старый 11.12.2006, 14:02   #3
Димон
Гуру
 
Аватар для Димон
 
Регистрация: 03.10.2005
Город: МКАД восток-запад
Регион: 77, 97, 99, 177
Машина: 09\Опиль\АстраХ
Сообщений: 2,013
Димон is a splendid one to beholdДимон is a splendid one to beholdДимон is a splendid one to beholdДимон is a splendid one to beholdДимон is a splendid one to beholdДимон is a splendid one to behold
По умолчанию

Потомучто:
1. Нету геймпорта, в продаже usb-game не видел, ломать приставки стремно.
2. Нужны радиодетали-сопротивления. Была задача все решить комутацией проводов, вот только без радиоэлектроники.
3. Есть подозрение что цепи могут непрогнозируемо менять параметры сопротивления, что приведет к сбою кнопок, или их замены друг-на-друга.
4. Нужен софт с условиями и диапазонами - что "VOL+" это от стольких-то ом и до стольких-то.

Понятное дело что все эти проблемы решаемы, вопрос времени, которого ниукого как всегда нет, а машину надо сдавать хозяину со 100% рабочей системой. А предложенную схему с сопротивлениями надо будет делать т.к. уже много мазд с такой задачей на очереди.
Димон вне форума   Ответить с цитированием
Старый 11.12.2006, 14:03   #4
Don_ik_kot
Главный Ибонех
 
Аватар для Don_ik_kot
 
Регистрация: 04.09.2006
Возраст: 45
Регион: 50, 90, 150
Машина: Mazda3
Сообщений: 815
Don_ik_kot will become famous soon enoughDon_ik_kot will become famous soon enough
По умолчанию

а по второму варианту - есть где в руле размещать LPT-USB?
Don_ik_kot вне форума   Ответить с цитированием
Старый 11.12.2006, 14:10   #5
Димон
Гуру
 
Аватар для Димон
 
Регистрация: 03.10.2005
Город: МКАД восток-запад
Регион: 77, 97, 99, 177
Машина: 09\Опиль\АстраХ
Сообщений: 2,013
Димон is a splendid one to beholdДимон is a splendid one to beholdДимон is a splendid one to beholdДимон is a splendid one to beholdДимон is a splendid one to beholdДимон is a splendid one to behold
По умолчанию

Вопрос размещения стоит, но я машины не видел, ничего толком сказать не могу. Знаю, что с местом напряг. Еще знаю что для выполнения первого варианта нужно в 5 раз больше места.
Димон вне форума   Ответить с цитированием
Старый 11.12.2006, 14:14   #6
Don_ik_kot
Главный Ибонех
 
Аватар для Don_ik_kot
 
Регистрация: 04.09.2006
Возраст: 45
Регион: 50, 90, 150
Машина: Mazda3
Сообщений: 815
Don_ik_kot will become famous soon enoughDon_ik_kot will become famous soon enough
По умолчанию

я думаю, USB по трем проводам на 20-30 см прокатит, если свить сигнальную пару, переходник LPT-USB можно освободить от разъемов и сделать все "воздухом". Я за второй вариант.
Don_ik_kot вне форума   Ответить с цитированием
Старый 11.12.2006, 14:22   #7
Tornado
Старший Пользователь
 
Аватар для Tornado
 
Регистрация: 31.05.2006
Возраст: 49
Город: Москва
Регион: 77, 97, 99, 177
Машина: Mazda 6
Сообщений: 113
Tornado is on a distinguished road
По умолчанию

а вот вопрос 6 кнопок с питанием по 3м проводам или всетаки + можно в руле найти и над питаловом не париться ?
__________________
Кто к нам с чем и зачем
Тот от того и того
Tornado вне форума   Ответить с цитированием
Старый 11.12.2006, 14:23   #8
Димон
Гуру
 
Аватар для Димон
 
Регистрация: 03.10.2005
Город: МКАД восток-запад
Регион: 77, 97, 99, 177
Машина: 09\Опиль\АстраХ
Сообщений: 2,013
Димон is a splendid one to beholdДимон is a splendid one to beholdДимон is a splendid one to beholdДимон is a splendid one to beholdДимон is a splendid one to beholdДимон is a splendid one to behold
По умолчанию

В руле 5 вольт не найти. Кроме того это должны быть именно компьютерные 5в чтобы перекосами порт не сжечь. Для первого варианта может и можно воспользоваться существующей 12в веткой вруль.
Димон вне форума   Ответить с цитированием
Старый 11.12.2006, 14:31   #9
Tornado
Старший Пользователь
 
Аватар для Tornado
 
Регистрация: 31.05.2006
Возраст: 49
Город: Москва
Регион: 77, 97, 99, 177
Машина: Mazda 6
Сообщений: 113
Tornado is on a distinguished road
По умолчанию

Цитата:
Сообщение от Димон Посмотреть сообщение
В руле 5 вольт не найти. Кроме того это должны быть именно компьютерные 5в чтобы перекосами порт не сжечь. Для первого варианта может и можно воспользоваться существующей 12в веткой вруль.
не я не про 5
я про 12 обычные
там есть они и идут не по этим 3м проводам ?
__________________
Кто к нам с чем и зачем
Тот от того и того
Tornado вне форума   Ответить с цитированием
Старый 11.12.2006, 14:34   #10
Димон
Гуру
 
Аватар для Димон
 
Регистрация: 03.10.2005
Город: МКАД восток-запад
Регион: 77, 97, 99, 177
Машина: 09\Опиль\АстраХ
Сообщений: 2,013
Димон is a splendid one to beholdДимон is a splendid one to beholdДимон is a splendid one to beholdДимон is a splendid one to beholdДимон is a splendid one to beholdДимон is a splendid one to behold
По умолчанию

Да, там есть отдельная 12в ветка на бибикалку.
Димон вне форума   Ответить с цитированием
Ответ


Здесь присутствуют: 1 (пользователей: 0 , гостей: 1)
 

Ваши права в разделе
Вы не можете создавать новые темы
Вы не можете отвечать в темах
Вы не можете прикреплять вложения
Вы не можете редактировать свои сообщения

BB коды Вкл.
Смайлы Вкл.
[IMG] код Вкл.
HTML код Выкл.



Часовой пояс GMT +4, время: 22:19.


Работает на vBulletin® версия 3.8.4.
Copyright ©2000 - 2026, Jelsoft Enterprises Ltd.
Перевод: zCarot