PCCar.ru - Ваш автомобильный компьютер

Вернуться   PCCar.ru - Ваш автомобильный компьютер > MP3Car ТехИнфа > Беcпроводные коммуникации > Радио/ТВ

Ответ
 
Опции темы Поиск в этой теме
Старый 22.03.2010, 14:38   #951
Albert.comp
Старший Пользователь
 
Аватар для Albert.comp
 
Регистрация: 27.12.2006
Возраст: 54
Город: Нижний Новгород
Регион: 52
Машина: Wolksvagen Jetta, Toyota Matrix
Сообщений: 495
Albert.comp has a spectacular aura aboutAlbert.comp has a spectacular aura about
По умолчанию

Цитата:
Сообщение от ancc Посмотреть сообщение
НН же большой город? У вас там что один магазин где детали продают?
В основном это радио-рынок. На котором 98% сотовые бу. И 2 магазина. Один из них отдел от чип и дип, но там бедно, а на заказ не работают. Конторы с мелочью не связываются, и у большинства безнал. Надо ждать когда знакомые поедут в Москву! Но когда это будет??? Нашел 7.158 поэкспериментирую пока на нем.
__________________
ATOM525 GA-D525TUD, 160Gx2.5, моник 800х600 тач, GPS18USB, Питание I1-ATX собственная разработка + разобранная клава + контроллер управления + 2 усилка
Проект Matrix
Albert.comp вне форума   Ответить с цитированием
Старый 22.03.2010, 15:25   #952
Vic58
Старший Пользователь
 
Регистрация: 21.10.2009
Регион: 61
Сообщений: 603
Vic58 is on a distinguished road
По умолчанию

Цитата:
Сообщение от Albert.**** Посмотреть сообщение
Нашел 7.158 поэкспериментирую пока на нем.
если есть возможность, померяйте частоту, можно немного поиграться емкостями конденсаторов, что с выводов кварца стоят. Попробуйте их сразу поставить порядка 10-15 pF, тут важно не сорвать генерацию. Я как-то ставил последовательно с кварцами дроссели порядка 10-20 мкГн, попадалась партия кварцев которые не заводились четко на своей частоте.
Vic58 вне форума   Ответить с цитированием
Старый 22.03.2010, 23:00   #953
Albert.comp
Старший Пользователь
 
Аватар для Albert.comp
 
Регистрация: 27.12.2006
Возраст: 54
Город: Нижний Новгород
Регион: 52
Машина: Wolksvagen Jetta, Toyota Matrix
Сообщений: 495
Albert.comp has a spectacular aura aboutAlbert.comp has a spectacular aura about
По умолчанию

Цитата:
Сообщение от Vic58 Посмотреть сообщение
если есть возможность, померяйте частоту, можно немного поиграться емкостями конденсаторов, что с выводов кварца стоят. Попробуйте их сразу поставить порядка 10-15 pF, тут важно не сорвать генерацию. Я как-то ставил последовательно с кварцами дроссели порядка 10-20 мкГн, попадалась партия кварцев которые не заводились четко на своей частоте.
Спасибо. Попробую!

Правда столько наверно не дотянешь. На первых порах можно и не попадать в сетку - главное чтоб заработало. А там может найду 7.2 .
__________________
ATOM525 GA-D525TUD, 160Gx2.5, моник 800х600 тач, GPS18USB, Питание I1-ATX собственная разработка + разобранная клава + контроллер управления + 2 усилка
Проект Matrix
Albert.comp вне форума   Ответить с цитированием
Старый 25.03.2010, 15:41   #954
lyskovm
Новый Пользователь
 
Регистрация: 31.08.2007
Возраст: 42
Город: Иваново
Регион: 37
Машина: Ниссан Максима
Сообщений: 9
lyskovm is on a distinguished road
По умолчанию

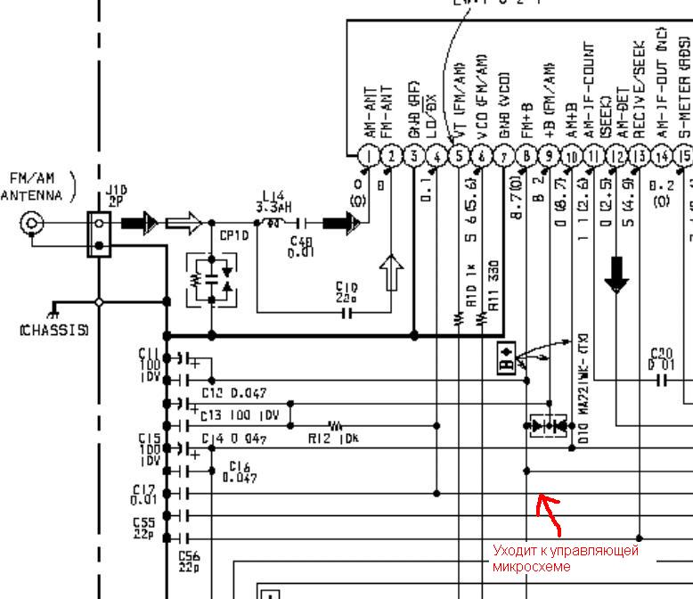
Помогите, пожалуйста.
Сварганил тюнер. Всё работает, но прием очень слабый. Подозрения на ногу LO/DX тюнера Sony XR-C7220R. У меня она замкнута на землю.

Не могу разобраться в схеме магнитолы:
Миниатюры
Нажмите на изображение для увеличения
Название: 1.JPG
Просмотров: 1050
Размер:	77.0 Кб
ID:	16019  
lyskovm вне форума   Ответить с цитированием
Старый 25.03.2010, 20:35   #955
Vic58
Старший Пользователь
 
Регистрация: 21.10.2009
Регион: 61
Сообщений: 603
Vic58 is on a distinguished road
По умолчанию

Цитата:
Сообщение от lyskovm Посмотреть сообщение
Всё работает, но прием очень слабый. Подозрения на ногу LO/DX тюнера Sony XR-C7220R. У меня она замкнута на землю.
Слабый прием может быть по нескольким причинам.
Главная причина слабого приема (при исправных блоках и правильной схеме), как правило бывает наводка по цепям питания и наводка по эфиру. Лечится развязкой и фильтрами по питанию и тщательной экранировкой.

Переключение LO/DX (ближний/дальний) прием, меняет чувствительность незначительно и поэтому, скорее всего, его изменение не решит проблему. Тем более "земля" и есть DX/
Vic58 вне форума   Ответить с цитированием
Старый 25.03.2010, 21:13   #956
ewgen1
Старший Пользователь
 
Регистрация: 29.09.2009
Город: екатеринбург
Регион: 66, 96
Машина: mitsubishi airtrek Turbo-R
Сообщений: 524
ewgen1 is on a distinguished road
По умолчанию

Цитата:
Сообщение от Vic58 Посмотреть сообщение
Слабый прием может быть по нескольким причинам.
Главная причина слабого приема (при исправных блоках и правильной схеме), как правило бывает наводка по цепям питания и наводка по эфиру. Лечится развязкой и фильтрами по питанию и тщательной экранировкой.

Переключение LO/DX (ближний/дальний) прием, меняет чувствительность незначительно и поэтому, скорее всего, его изменение не решит проблему. Тем более "земля" и есть DX/
у меня собрано радио на соневском тюнере.тоже чувствительность слабая хотя все заэкранировано!корпус металлический.дома без антенны и даже без проводка ловит исключительно а как ставишь в авто так слабый прием!
ewgen1 вне форума   Ответить с цитированием
Старый 25.03.2010, 21:26   #957
Vic58
Старший Пользователь
 
Регистрация: 21.10.2009
Регион: 61
Сообщений: 603
Vic58 is on a distinguished road
По умолчанию

Цитата:
Сообщение от ewgen1 Посмотреть сообщение
дома без антенны и даже без проводка ловит исключительно а как ставишь в авто так слабый прием!
Условия работы разные.

Дома питание тюнера от чего?
Где находится компьютер и тюнер когда дома включаете?

Автомобиль, - все рядом.
Питание общее и т.д.

PS то что тюнер ловит без антенны говорит о слабой экранировке входных цепей. В магнитоле же еще и корпус магнитолы служит экраном, а тюнер вынутый из корпуса не имеет достаточной экранировки.
Vic58 вне форума   Ответить с цитированием
Старый 25.03.2010, 21:55   #958
ewgen1
Старший Пользователь
 
Регистрация: 29.09.2009
Город: екатеринбург
Регион: 66, 96
Машина: mitsubishi airtrek Turbo-R
Сообщений: 524
ewgen1 is on a distinguished road
По умолчанию

Цитата:
Сообщение от Vic58 Посмотреть сообщение
Условия работы разные.

Дома питание тюнера от чего?
Где находится компьютер и тюнер когда дома включаете?

Автомобиль, - все рядом.
Питание общее и т.д.

PS то что тюнер ловит без антенны говорит о слабой экранировке входных цепей. В магнитоле же еще и корпус магнитолы служит экраном, а тюнер вынутый из корпуса не имеет достаточной экранировки.
я так понимаю что экранировать нужно сам тюнер?тюнер у меня вместе с платой на атмеге в металлическом корпусе!может еще сам тюнер заэкранировать?
ewgen1 вне форума   Ответить с цитированием
Старый 25.03.2010, 22:37   #959
Vic58
Старший Пользователь
 
Регистрация: 21.10.2009
Регион: 61
Сообщений: 603
Vic58 is on a distinguished road
По умолчанию

Цитата:
Сообщение от ewgen1 Посмотреть сообщение
я так понимаю что экранировать нужно сам тюнер?тюнер у меня вместе с платой на атмеге в металлическом корпусе!может еще сам тюнер заэкранировать?
ну между ними хотя бы перегородку экранирующую надо поставить. И еще общий провод платы и корпус нужно или как можно в большем кол-ве точек соединить или в одном месте
Vic58 вне форума   Ответить с цитированием
Старый 25.03.2010, 22:59   #960
ewgen1
Старший Пользователь
 
Регистрация: 29.09.2009
Город: екатеринбург
Регион: 66, 96
Машина: mitsubishi airtrek Turbo-R
Сообщений: 524
ewgen1 is on a distinguished road
По умолчанию

а есть где нибудь схема радио чтоб питалась сразу от усб?через преобразователь!может кто подскажет хочу собрать еще по другой схеме!
ewgen1 вне форума   Ответить с цитированием
Ответ

Метки
радио, разработка


Здесь присутствуют: 1 (пользователей: 0 , гостей: 1)
 

Ваши права в разделе
Вы не можете создавать новые темы
Вы не можете отвечать в темах
Вы не можете прикреплять вложения
Вы не можете редактировать свои сообщения

BB коды Вкл.
Смайлы Вкл.
[IMG] код Вкл.
HTML код Выкл.



Часовой пояс GMT +4, время: 15:22.


Работает на vBulletin® версия 3.8.4.
Copyright ©2000 - 2026, Jelsoft Enterprises Ltd.
Перевод: zCarot