PCCar.ru - Ваш автомобильный компьютер

Вернуться   PCCar.ru - Ваш автомобильный компьютер > Всё Остальное > Проекты > Рабочий журнал

Ответ
 
Опции темы Поиск в этой теме
Старый 13.11.2006, 13:23   #1
Puma
Пользователь
 
Регистрация: 11.09.2006
Возраст: 47
Город: Снежинск
Машина: 1986 Тойота Марк 2
Сообщений: 33
Puma is on a distinguished road
По умолчанию TOYOTA MarkII

Пришло время завести свой журнал...

Итак. Началось все с того, что на работе списали комп. Глючный.. На выброс... Хех. Ну нельзя же так.
Забрал. После прогрева материнки промышленным феном и замены hdd с памятью все более менее заработало. Оставалось найти применение.. Догадайтесь какое?
Супруга была не против, потому семейный бюджет включил в себя статью расходов - pccar.
Комп представляет собой 2-ой пенек. 800Мгц. около 300 метров оперативки (около, потому что запихал туда все, что нашел ). Видевка - Radeon, 64 Mb на борту. Винчестеры - 2 штуки. WD на 3 Гб (загрузочный) и segate на 80 Гб (ведомый из - за своей битости. Которая жить не мешает ) Сетевушка genius и pci - usb платка. Звуковая карта 4в 1 - Genius.
Опишем по порядку:
Корпус пилил из стандартной башни. Пилил, варил, клепал... В общем осталось прикрыть разъемы и обклеить карпетом. Когда будут дени на карпет - хз.. Поэтому замазал пока серой краской. Но карпет будет!
Корпус установлен в левом заднем крыле. Вместо тоетовской емкости под мелочевку. Вписался хорошо. Но опять таки карпет...

Питание сделано от инвертера на 300 Ватт. Уж нинаю, почему это не приветствуется, но работает хорошо. В схеме есть 2 реле. Одно - отключает всю схему от цепи авто при вытащенном ключе зажигания. Второе - переключает питание на доп аккум (от UPS) при глушении авто. (взял по совету с этого форума.). если не ясно, то схему могу выложить.
Провода питания - 4 квадрата сечением.

Монитор - китайский super с vga входом. Держит 640 на 480 без проблем. 7". Питание моника - прикуриватель. На ночь моник снимается.
Надо оговориться, что основная задача при инсталяшке - не трогать салон, но вживить Машина переходит в разряд раритетов, поэтому портить ну никак нельзя
Исходя из этого принципа, вкл выкл компа и управление громкостью заведены в кнопки управления магнитолой. (на фото - блочек между рулем и моником.). Скрипт для громкости - с сайта. Буду переписывать.

Для управления программами используется мелкая радиомышка. (на фото). Приемник спрятан за задним сидением.

Связь с домом - D-Link.

В качестве аккустики стоит 4-ре колонки мистери (опять таки в штатных местах) и усилок пролоджи на 4 канала (в багажнике, на газовом балоне).

На данный момент веду работы по подключению камеры usb.

Вроде все.

Ах, да! Софт! Пишу свой. под свои задачи и цели.

Теперь точно все. Фотки плохонькие (в гараже снимал), но прикладываю.

В дальнейшем хочу решить проблемку с gps и сотиком.

Критикуйте
Миниатюры
Нажмите на изображение для увеличения
Название: PHTO0002.JPG
Просмотров: 1794
Размер:	188.1 Кб
ID:	1081   Нажмите на изображение для увеличения
Название: PHTO0003.JPG
Просмотров: 1681
Размер:	194.6 Кб
ID:	1082   Нажмите на изображение для увеличения
Название: PHTO0004.JPG
Просмотров: 1650
Размер:	187.6 Кб
ID:	1083   Нажмите на изображение для увеличения
Название: PHTO0006.JPG
Просмотров: 1591
Размер:	190.1 Кб
ID:	1084   Нажмите на изображение для увеличения
Название: PHTO0008.JPG
Просмотров: 1688
Размер:	184.0 Кб
ID:	1085  

Puma вне форума   Ответить с цитированием
Старый 13.11.2006, 13:31   #2
ab
Guest
 
Сообщений: n/a
По умолчанию

Нормуль, так держать.
Встроенности не хватает, на я и сам пока с "навесным" моником езжу.
А схемку, плиз, нарисуй: не всё понятно.
  Ответить с цитированием
Старый 13.11.2006, 14:00   #3
Puma
Пользователь
 
Регистрация: 11.09.2006
Возраст: 47
Город: Снежинск
Машина: 1986 Тойота Марк 2
Сообщений: 33
Puma is on a distinguished road
По умолчанию

Цитата:
Сообщение от artuom.com Посмотреть сообщение
Нормуль, так держать.
Встроенности не хватает, на я и сам пока с "навесным" моником езжу.
А схемку, плиз, нарисуй: не всё понятно.

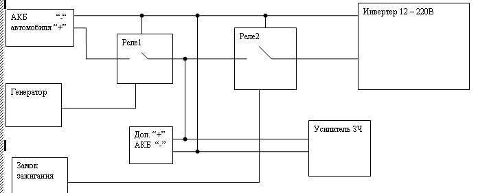
Схемка в приложении.

При заглушенном моторе и выключенном зажигании оба реле разомкнуты. Ничего не работает.

Поворачиваем ключ. Реле2 замыкается. Пошло питание от доп аккума.

При заведенном движке на реле1 идет напруга от гены. включается в работу вся сеть авто. Идет подзарядка доп аккума.
Доп аккум - 7 Ач. Хватает на 20 минут работы компа и усилка.
Миниатюры
Нажмите на изображение для увеличения
Название: коммутация.jpg
Просмотров: 1865
Размер:	40.2 Кб
ID:	1086  
Puma вне форума   Ответить с цитированием
Старый 17.11.2006, 08:56   #4
Puma
Пользователь
 
Регистрация: 11.09.2006
Возраст: 47
Город: Снежинск
Машина: 1986 Тойота Марк 2
Сообщений: 33
Puma is on a distinguished road
По умолчанию

прищел капец, какого не ждали.. Мамка приказала долго жить..
Копим деньги на мамку сразу в microatx формате. Корпус InWin уже есть
Puma вне форума   Ответить с цитированием
Старый 24.11.2006, 09:09   #5
Puma
Пользователь
 
Регистрация: 11.09.2006
Возраст: 47
Город: Снежинск
Машина: 1986 Тойота Марк 2
Сообщений: 33
Puma is on a distinguished road
По умолчанию

Ура!!

Купил мамку с камнем. Поставлю в домашний комп. А домашнее барахлишко - в Марика. Буду теперь все собирать в корпусе InWin
Puma вне форума   Ответить с цитированием
Старый 07.12.2006, 08:50   #6
Puma
Пользователь
 
Регистрация: 11.09.2006
Возраст: 47
Город: Снежинск
Машина: 1986 Тойота Марк 2
Сообщений: 33
Puma is on a distinguished road
По умолчанию

Ура!
Комп снова в машине!
Теперь в корпусе InWin Правда возникла проблема - куда его спрятать? Пока лежит в багажнике (как в черном матизе, что есть тут на форуме). Теперю очередь за камерой. (софт готов, но пока юзал в качестве камеры - фотик )
Puma вне форума   Ответить с цитированием
Старый 07.12.2006, 10:42   #7
Димон
Гуру
 
Аватар для Димон
 
Регистрация: 03.10.2005
Город: МКАД восток-запад
Регион: 77, 97, 99, 177
Машина: 09\Опиль\АстраХ
Сообщений: 2,013
Димон is a splendid one to beholdДимон is a splendid one to beholdДимон is a splendid one to beholdДимон is a splendid one to beholdДимон is a splendid one to beholdДимон is a splendid one to behold
По умолчанию

Этот матиз не черный, а темносиний. А что, под сиденьем совсем нет места? Может всеже попилить этот инвин до размеров 27х31?
Димон вне форума   Ответить с цитированием
Старый 08.12.2006, 09:23   #8
Puma
Пользователь
 
Регистрация: 11.09.2006
Возраст: 47
Город: Снежинск
Машина: 1986 Тойота Марк 2
Сообщений: 33
Puma is on a distinguished road
По умолчанию

Цитата:
Сообщение от Димон Посмотреть сообщение
Этот матиз не черный, а темносиний. А что, под сиденьем совсем нет места? Может всеже попилить этот инвин до размеров 27х31?
У меня моник жк подсевший
Под сиденьем нету. Блин Там по два воздуховода с каждой стороны подходит. Сам поражаюсь...
Попробую под задний диван. Главное, чтоб пассажиры не раздавили
Предыдущий корпус тот в крыло номано влазил.
Puma вне форума   Ответить с цитированием
Старый 14.12.2006, 08:50   #9
Puma
Пользователь
 
Регистрация: 11.09.2006
Возраст: 47
Город: Снежинск
Машина: 1986 Тойота Марк 2
Сообщений: 33
Puma is on a distinguished road
По умолчанию

итак. Продолжаем отчет.

1. К чему пришел сегодня: Комп надо жестко прикрепить к кузову. Сегодня на кочке тряхнуло так, что услышал, как комп в багажнике полетел. Ессно все зависло. Думаю, если бы комп был жестко закреплен - все бы обошлось. Век живи - век учись. Попробую в выходные.

2. Поставил веб камеру. Изображение так себе.. Ночью - еще хуже. Но вещь все равно полезная.

3. Не переставая идут работы по написанию софта. Вот чего он пока умеет:

- музыка
- видео
- прием и запись на винт изображения с камеры. (запись идет либо в ави, либо в jpeg. По выбору. Файлы циклически перезаписываются. Паузы между снимками - регулируются.)

Музыка и видео проигрываются с помощью windows media player Есть небольшой эквалайзер.
Изначально все кнопки большие (когда будет тач - скрин, то будет удобно пальцем попадать )

Вот пока все новости.
Если есть критика или предложения по софту - пишите.
Puma вне форума   Ответить с цитированием
Старый 28.12.2006, 10:18   #10
Puma
Пользователь
 
Регистрация: 11.09.2006
Возраст: 47
Город: Снежинск
Машина: 1986 Тойота Марк 2
Сообщений: 33
Puma is on a distinguished road
По умолчанию

Давненько ниче не писал...

Сделал автоматическое откл компа при отключении ключа зажигания. Удобно. Заглушил, пошел домой, а комп сам запаркуется и все силовые цепи разомкнет.

Теперь вот такой задачей озаботился:

Мысль такая: Мне нужно знать пройденное расстояние. Причем не через жпс, а именно от авто. На современных авто с этим проблемы нет (доска приборов электронная), а у меня все аналоговое
Задумка такая: Знаю диаметр колеса, знаю количество оборотов - могу выяснить пройденный путь. А потом, в компе делать с этим все чего хочу. Например комп будет напоминать о замене масла

Самый главный вопрос: КАК измерить пройденное расстояние???

Ваши идеи?
Puma вне форума   Ответить с цитированием
Ответ


Здесь присутствуют: 1 (пользователей: 0 , гостей: 1)
 

Ваши права в разделе
Вы не можете создавать новые темы
Вы не можете отвечать в темах
Вы не можете прикреплять вложения
Вы не можете редактировать свои сообщения

BB коды Вкл.
Смайлы Вкл.
[IMG] код Вкл.
HTML код Выкл.



Часовой пояс GMT +4, время: 09:59.


Работает на vBulletin® версия 3.8.4.
Copyright ©2000 - 2026, Jelsoft Enterprises Ltd.
Перевод: zCarot