PCCar.ru - Ваш автомобильный компьютер

Вернуться   PCCar.ru - Ваш автомобильный компьютер > MP3Car ТехИнфа > Разработка устройств

Ответ
 
Опции темы Поиск в этой теме
Старый 01.03.2010, 15:28   #81
ewgen1
Старший Пользователь
 
Регистрация: 29.09.2009
Город: екатеринбург
Регион: 66, 96
Машина: mitsubishi airtrek Turbo-R
Сообщений: 524
ewgen1 is on a distinguished road
По умолчанию

Цитата:
Сообщение от AVP87 Посмотреть сообщение
Вот так вот будет правильнее
а если без тача?индикатор какой нибудь попроще сделать?
ewgen1 вне форума   Ответить с цитированием
Старый 01.03.2010, 16:13   #82
AVP87
Старший Пользователь
 
Регистрация: 04.01.2010
Возраст: 38
Город: Камешково
Регион: 33
Машина: --
Сообщений: 142
AVP87 is on a distinguished road
По умолчанию

а куда уж проще? Если только с последовательным интерфейсом взять. Но легче всего взять атмегу16.
Без тача не интересно совсем получается...
__________________
Работаю за идею и еду.....
AVP87 вне форума   Ответить с цитированием
Старый 01.03.2010, 16:18   #83
ewgen1
Старший Пользователь
 
Регистрация: 29.09.2009
Город: екатеринбург
Регион: 66, 96
Машина: mitsubishi airtrek Turbo-R
Сообщений: 524
ewgen1 is on a distinguished road
По умолчанию

Цитата:
Сообщение от AVP87 Посмотреть сообщение
а куда уж проще? Если только с последовательным интерфейсом взять. Но легче всего взять атмегу16.
Без тача не интересно совсем получается...
так надо еще чтоб в интерьер машины куда то вписалось!!!!
ewgen1 вне форума   Ответить с цитированием
Старый 01.03.2010, 17:07   #84
AVP87
Старший Пользователь
 
Регистрация: 04.01.2010
Возраст: 38
Город: Камешково
Регион: 33
Машина: --
Сообщений: 142
AVP87 is on a distinguished road
По умолчанию

Ну легче же вырезать прямоугольник под дисплей, чем под дисплей и кнопки....
__________________
Работаю за идею и еду.....
AVP87 вне форума   Ответить с цитированием
Старый 01.03.2010, 17:57   #85
ewgen1
Старший Пользователь
 
Регистрация: 29.09.2009
Город: екатеринбург
Регион: 66, 96
Машина: mitsubishi airtrek Turbo-R
Сообщений: 524
ewgen1 is on a distinguished road
По умолчанию

Цитата:
Сообщение от AVP87 Посмотреть сообщение
Ну легче же вырезать прямоугольник под дисплей, чем под дисплей и кнопки....
ну да!не подумал
ewgen1 вне форума   Ответить с цитированием
Старый 01.03.2010, 20:54   #86
AVP87
Старший Пользователь
 
Регистрация: 04.01.2010
Возраст: 38
Город: Камешково
Регион: 33
Машина: --
Сообщений: 142
AVP87 is on a distinguished road
По умолчанию

про АСС совсем забыл я.
Надеюсь в ближайшие два дня руки дойдут, и запущу...
__________________
Работаю за идею и еду.....

Последний раз редактировалось AVP87; 02.03.2010 в 21:16.
AVP87 вне форума   Ответить с цитированием
Старый 03.03.2010, 03:53   #87
AVP87
Старший Пользователь
 
Регистрация: 04.01.2010
Возраст: 38
Город: Камешково
Регион: 33
Машина: --
Сообщений: 142
AVP87 is on a distinguished road
По умолчанию

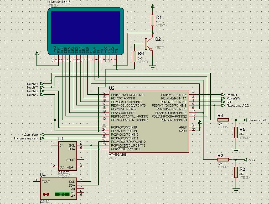
Собрал атмега168+ЛСД+тач.Все работает, что не может не радовать. Схема пока такая.
Миниатюры
Нажмите на изображение для увеличения
Название: Безымянный.jpg
Просмотров: 835
Размер:	143.0 Кб
ID:	15478   Нажмите на изображение для увеличения
Название: P1040136.JPG
Просмотров: 556
Размер:	229.1 Кб
ID:	15479  
__________________
Работаю за идею и еду.....
AVP87 вне форума   Ответить с цитированием
Старый 03.03.2010, 05:27   #88
ewgen1
Старший Пользователь
 
Регистрация: 29.09.2009
Город: екатеринбург
Регион: 66, 96
Машина: mitsubishi airtrek Turbo-R
Сообщений: 524
ewgen1 is on a distinguished road
По умолчанию

Цитата:
Сообщение от AVP87 Посмотреть сообщение
Собрал атмега168+ЛСД+тач.Все работает, что не может не радовать. Схема пока такая.
очень рад за вас!разводка платы есть?управление через реле?или напрямую с МК?
ewgen1 вне форума   Ответить с цитированием
Старый 03.03.2010, 09:53   #89
AVP87
Старший Пользователь
 
Регистрация: 04.01.2010
Возраст: 38
Город: Камешково
Регион: 33
Машина: --
Сообщений: 142
AVP87 is on a distinguished road
По умолчанию

Цитата:
Сообщение от ewgen1 Посмотреть сообщение
очень рад за вас!разводка платы есть?управление через реле?или напрямую с МК?
Разводка вся пока из проводков (СМ фото выше). Плату я не собираюсь делать.
Нужен человек, который разведет плату и спаяет. Если найдется такой человек, то будет контролер....
__________________
Работаю за идею и еду.....
AVP87 вне форума   Ответить с цитированием
Старый 03.03.2010, 10:13   #90
ewgen1
Старший Пользователь
 
Регистрация: 29.09.2009
Город: екатеринбург
Регион: 66, 96
Машина: mitsubishi airtrek Turbo-R
Сообщений: 524
ewgen1 is on a distinguished road
По умолчанию

Цитата:
Сообщение от AVP87 Посмотреть сообщение
Разводка вся пока из проводков (СМ фото выше). Плату я не собираюсь делать.
Нужен человек, который разведет плату и спаяет. Если найдется такой человек, то будет контролер....
разводку сделать у меня как то не очень получается.спаять все собрать это возможно.ну и в схеме бы разобраться деталек таких может нет еще.
ewgen1 вне форума   Ответить с цитированием
Ответ


Здесь присутствуют: 1 (пользователей: 0 , гостей: 1)
 

Ваши права в разделе
Вы не можете создавать новые темы
Вы не можете отвечать в темах
Вы не можете прикреплять вложения
Вы не можете редактировать свои сообщения

BB коды Вкл.
Смайлы Вкл.
[IMG] код Вкл.
HTML код Выкл.



Часовой пояс GMT +4, время: 17:04.


Работает на vBulletin® версия 3.8.4.
Copyright ©2000 - 2026, Jelsoft Enterprises Ltd.
Перевод: zCarot