PCCar.ru - Ваш автомобильный компьютер

Вернуться   PCCar.ru - Ваш автомобильный компьютер > Всё Остальное > Проекты

Ответ
 
Опции темы Поиск в этой теме
Старый 18.02.2010, 10:36   #131
ancc
Гуру
 
Регистрация: 17.03.2008
Возраст: 47
Город: Новокузнецк
Регион: 42
Машина: 2003\Lexus\RX330
Сообщений: 1,192
ancc is a splendid one to beholdancc is a splendid one to beholdancc is a splendid one to beholdancc is a splendid one to beholdancc is a splendid one to beholdancc is a splendid one to beholdancc is a splendid one to behold
По умолчанию

Цитата:
Сообщение от AVP87 Посмотреть сообщение
А аналоговый тюнер у тебя какой?
конкретно у меня аналоговый тюнер нонейм, вытащенный из лохматой китайской магнитолы. На нем даж стереодекодер вне тюнера стоит.

А какая разница какой тюнер? LM-ка любым же ведь может управлять если у него есть Vt и VCO.
ancc вне форума   Ответить с цитированием
Старый 18.02.2010, 10:42   #132
ancc
Гуру
 
Регистрация: 17.03.2008
Возраст: 47
Город: Новокузнецк
Регион: 42
Машина: 2003\Lexus\RX330
Сообщений: 1,192
ancc is a splendid one to beholdancc is a splendid one to beholdancc is a splendid one to beholdancc is a splendid one to beholdancc is a splendid one to beholdancc is a splendid one to beholdancc is a splendid one to behold
По умолчанию

кстати сегодня попробую еще прикрутить определение корректного подключения LM-ки. Идея такая, при инициализации тюнера какую-нибудь из 3-х дополнительных выводов LM-ки завести на вход ардуины и посылать команду в LM-ку на включение/выключение отслеживая состояние ардуиной. Так можно проверить что LM-ка корректно подключена, генератор у нее завелся, и на команды она реагирует.
ancc вне форума   Ответить с цитированием
Старый 18.02.2010, 11:02   #133
Vic58
Старший Пользователь
 
Регистрация: 21.10.2009
Регион: 61
Сообщений: 603
Vic58 is on a distinguished road
По умолчанию

Цитата:
Сообщение от ancc Посмотреть сообщение
Так можно проверить что LM-ка корректно подключена, генератор у нее завелся, и на команды она реагирует.
Стоит-ли? У меня не возникало никогда такой потребности, вот иногда FTDI на инициализируется в системе, это бывает, но и то CF ругается, что нет устройства, а FT radio тупо не работает, делаем перезагрузку все начинает работать. (ПО от FT radio). BO3 давайте трогать не будем, зарезервируем его под SEEK, для автопоиска, BO2 - либо on/off, либо mute. Вот еще мечтаю чтоб mute был не только для радио, но и на усилитель чтоб его можно было подать, а то никак цык при включении не удается победить.
Vic58 вне форума   Ответить с цитированием
Старый 18.02.2010, 11:11   #134
ancc
Гуру
 
Регистрация: 17.03.2008
Возраст: 47
Город: Новокузнецк
Регион: 42
Машина: 2003\Lexus\RX330
Сообщений: 1,192
ancc is a splendid one to beholdancc is a splendid one to beholdancc is a splendid one to beholdancc is a splendid one to beholdancc is a splendid one to beholdancc is a splendid one to beholdancc is a splendid one to behold
По умолчанию

Цитата:
Сообщение от Vic58 Посмотреть сообщение
Стоит-ли? У меня не возникало никогда такой потребности, вот иногда FTDI на инициализируется в системе, это бывает, но и то CF ругается, что нет устройства, а FT radio тупо не работает, делаем перезагрузку все начинает работать. (ПО от FT radio). BO3 давайте трогать не будем, зарезервируем его под SEEK, для автопоиска, BO2 - либо on/off, либо mute. Вот еще мечтаю чтоб mute был не только для радио, но и на усилитель чтоб его можно было подать, а то никак цык при включении не удается победить.
Ну не знаю. У меня лм как-то с капризами заработала, ну и кроме того не обязательно выход лм только под это занимать, вполне можно тот же BO2 проверять одновременно управляя on/off или mute.


цык при включении чего? Радио?
ancc вне форума   Ответить с цитированием
Старый 18.02.2010, 11:48   #135
Vic58
Старший Пользователь
 
Регистрация: 21.10.2009
Регион: 61
Сообщений: 603
Vic58 is on a distinguished road
По умолчанию

Цитата:
Сообщение от ancc Посмотреть сообщение
вполне можно тот же BO2 проверять одновременно управляя on/off или mute.
Конечно, чет я протупил.


Цитата:
Сообщение от ancc Посмотреть сообщение
цык при включении чего? Радио?
Нет компьютера, радио включается без постороних звуков. А вот при загрузке есть цык, ну эт я опять протупил, я ж уже проверял сам, пока на LM-ку не придет управляющей дамп, выходы ВО нельзя использовать для mute.
Vic58 вне форума   Ответить с цитированием
Старый 18.02.2010, 16:41   #136
Hamster
Больной. Диагноз "Car PC"
 
Аватар для Hamster
 
Регистрация: 01.09.2005
Возраст: 52
Город: Москва
Регион: 77, 97, 99, 177
Машина: 08\Acura\MDX •••• 07\Honda\Civic 4D
Сообщений: 4,379
Hamster is a splendid one to beholdHamster is a splendid one to beholdHamster is a splendid one to beholdHamster is a splendid one to beholdHamster is a splendid one to beholdHamster is a splendid one to beholdHamster is a splendid one to behold
По умолчанию

Цитата:
Сообщение от ancc Посмотреть сообщение
Получил новую arduino Nano и решил на ней что-нибудь срочно сваять))
Круто!
А почему решил сделать такую распиновку:
3 (CE) -> 6 (D3)
4 (CL) -> 7 (D4)
5 (Data) -> 5 (D2)

У меня к примеру вот так:
3 (CE) -> 7 (D4)
4 (CL) -> 6 (D3)
5 (Data) -> 5 (D2)

Так просто проще плату разводить - дорожки не пересекаются. Может сделать настройку сигналов CL, CE и DATA, по аналогии с lpt портом?
__________________
Старый проект Honda Accord RHD
Теперь будет Acura MDX 2008 и Honda Civic 4D 2007 и Mitsubishi Outlander XL 2011
Hamster вне форума   Ответить с цитированием
Старый 18.02.2010, 21:46   #137
ancc
Гуру
 
Регистрация: 17.03.2008
Возраст: 47
Город: Новокузнецк
Регион: 42
Машина: 2003\Lexus\RX330
Сообщений: 1,192
ancc is a splendid one to beholdancc is a splendid one to beholdancc is a splendid one to beholdancc is a splendid one to beholdancc is a splendid one to beholdancc is a splendid one to beholdancc is a splendid one to behold
По умолчанию

Цитата:
Сообщение от Hamster Посмотреть сообщение

Так просто проще плату разводить - дорожки не пересекаются. Может сделать настройку сигналов CL, CE и DATA, по аналогии с lpt портом?
выводы для ЛМ выбирал от балды. Их можно и поменять.
Про настройку сигналов непонятно.
ancc вне форума   Ответить с цитированием
Старый 18.02.2010, 22:31   #138
dadlick
Пользователь
 
Регистрация: 07.08.2009
Регион: 77, 97, 99, 177
Сообщений: 54
dadlick is on a distinguished road
По умолчанию

Цитата:
Сообщение от ancc Посмотреть сообщение
базовые можно найти в этой http://www.compcar.ru/forum/showthre...?t=3953&page=4 ветке. А на чем собираетесь i2C реализовывать?
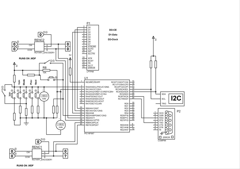
Я с PICами дружу, на них и разрулю.
Сейчас собираю аналог "магнитолы", а именно:
1 регулятор громкости и селектор входов на TDA7318;
2 управление радио LM7001 как с компом, так и без;
3 адаптер рулевых клавиш;
4 регулятор подсветки монитора.
Миниатюры
Нажмите на изображение для увеличения
Название: lm7001.jpg
Просмотров: 1101
Размер:	80.9 Кб
ID:	15235  
dadlick вне форума   Ответить с цитированием
Старый 18.02.2010, 22:48   #139
Hamster
Больной. Диагноз "Car PC"
 
Аватар для Hamster
 
Регистрация: 01.09.2005
Возраст: 52
Город: Москва
Регион: 77, 97, 99, 177
Машина: 08\Acura\MDX •••• 07\Honda\Civic 4D
Сообщений: 4,379
Hamster is a splendid one to beholdHamster is a splendid one to beholdHamster is a splendid one to beholdHamster is a splendid one to beholdHamster is a splendid one to beholdHamster is a splendid one to beholdHamster is a splendid one to behold
По умолчанию

Цитата:
Сообщение от ancc Посмотреть сообщение
Про настройку сигналов непонятно.
Не сигналов, сорри - выводов. Какой пин на LM какому пину в ардуине соответствует.
__________________
Старый проект Honda Accord RHD
Теперь будет Acura MDX 2008 и Honda Civic 4D 2007 и Mitsubishi Outlander XL 2011
Hamster вне форума   Ответить с цитированием
Старый 19.02.2010, 06:09   #140
ancc
Гуру
 
Регистрация: 17.03.2008
Возраст: 47
Город: Новокузнецк
Регион: 42
Машина: 2003\Lexus\RX330
Сообщений: 1,192
ancc is a splendid one to beholdancc is a splendid one to beholdancc is a splendid one to beholdancc is a splendid one to beholdancc is a splendid one to beholdancc is a splendid one to beholdancc is a splendid one to behold
По умолчанию

Цитата:
Сообщение от Hamster Посмотреть сообщение
Не сигналов, сорри - выводов. Какой пин на LM какому пину в ардуине соответствует.
Да можно конечно, только смысла в этом немного. Лишние сложности.
ancc вне форума   Ответить с цитированием
Ответ


Здесь присутствуют: 1 (пользователей: 0 , гостей: 1)
 

Ваши права в разделе
Вы не можете создавать новые темы
Вы не можете отвечать в темах
Вы не можете прикреплять вложения
Вы не можете редактировать свои сообщения

BB коды Вкл.
Смайлы Вкл.
[IMG] код Вкл.
HTML код Выкл.



Часовой пояс GMT +4, время: 14:21.


Работает на vBulletin® версия 3.8.4.
Copyright ©2000 - 2026, Jelsoft Enterprises Ltd.
Перевод: zCarot