PCCar.ru - Ваш автомобильный компьютер

Вернуться   PCCar.ru - Ваш автомобильный компьютер > MP3Car ТехИнфа > Вопросы и ответы

Ответ
 
Опции темы Поиск в этой теме
Старый 06.10.2009, 20:38   #1
Serg_w
Старший Пользователь
 
Регистрация: 06.07.2009
Возраст: 52
Город: Москва (Медведково)
Регион: 77, 97, 99, 177
Машина: Nissan Almera Classic 06
Сообщений: 91
Serg_w is on a distinguished road
По умолчанию По критикуйте схему кнопки вкл.

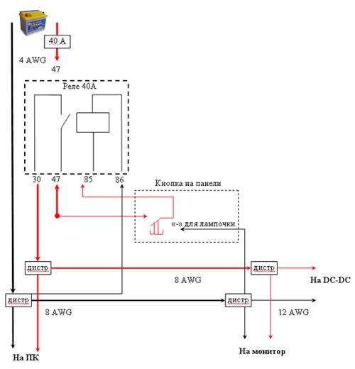
Хочу полностью вкл/отк всю систему PCCar от АКБ. АСС M2-ITX использоваться не будет.
Набросал схемку, все ли правильно?

Еще купил кнопку (фото 2), а она оказалась на 220В (отверстие под нее уже прорезал). Как переделать подсветку на 12В?

_________________________
Мой проект: http://www.pccar.ru/showthread.php?t=9730
Миниатюры
Нажмите на изображение для увеличения
Название: 2.jpg
Просмотров: 719
Размер:	48.3 Кб
ID:	13302   Нажмите на изображение для увеличения
Название: 1.jpg
Просмотров: 1124
Размер:	43.3 Кб
ID:	13303  
Serg_w вне форума   Ответить с цитированием
Старый 09.10.2009, 11:38   #2
Sniffer13
Новый Пользователь
 
Регистрация: 23.01.2009
Возраст: 55
Город: Худжанд, Таджикистан
Регион: другой - для добавления сообщить fronter'e
Машина: 1995\Opel\Omega B
Сообщений: 11
Sniffer13 is on a distinguished road
По умолчанию

Лампочку заменить на светодиод. Резистор заменить на номинал ~ 1KОм
Можно чуть меньше, но с 1КОм дольше прослужит
Sniffer13 вне форума   Ответить с цитированием
Старый 09.10.2009, 12:05   #3
MiD_E34
Бывалый писикарщик
 
Аватар для MiD_E34
 
Регистрация: 06.09.2007
Город: Питер
Регион: 78, 98
Машина: Тойота РАВ4, ХА50, 2021.
Сообщений: 3,085
MiD_E34 is a splendid one to beholdMiD_E34 is a splendid one to beholdMiD_E34 is a splendid one to beholdMiD_E34 is a splendid one to beholdMiD_E34 is a splendid one to beholdMiD_E34 is a splendid one to behold
По умолчанию

да соб-но нечего критиковать.. )
Разве что - у тебя не кнопка, а переключатель
Насчет с/диода - все верно - как раз 1Ком и нужен - немного недопитать с/диод чтобы не сгорел. Но и 800ом хватает
__________________
Андроид ГУ.
Проект2:http://www.pccar.ru/showthread.php?t=17597
MiD_E34 вне форума   Ответить с цитированием
Старый 09.10.2009, 14:01   #4
Gosha39
Старший Пользователь
 
Регистрация: 22.08.2007
Возраст: 45
Город: Верхняя Салда
Регион: 66, 96
Машина: 2001\Toyota\Corolla
Сообщений: 354
Gosha39 will become famous soon enough
По умолчанию

ждать каждый раз, пока всё завершиться и вырубать?

Верхняя часть схемы как раз с твоим реле + диод шотка !
Миниатюры
Нажмите на изображение для увеличения
Название: G39 Контроллер включения.jpg
Просмотров: 406
Размер:	104.5 Кб
ID:	13325  
__________________
Мой проект - http://pccar.ru/showthread.php?t=5969
Комп - БП-G39, AsusP5PE-VM, CPU-Intel 2.2Ггц, ОЗУ-1Гб, HDD - Hitachi 2.5" 160Gb, Audygi 2, LILLIPUT GL629, Камера-RV-C270E.
Фронт - Steg K2/01 на Focal 165 VR.
Саб - ЗЯ .......... пока курит
Gosha39 вне форума   Ответить с цитированием
Старый 09.10.2009, 21:10   #5
Serg_w
Старший Пользователь
 
Регистрация: 06.07.2009
Возраст: 52
Город: Москва (Медведково)
Регион: 77, 97, 99, 177
Машина: Nissan Almera Classic 06
Сообщений: 91
Serg_w is on a distinguished road
По умолчанию

Спасибо за подсказку, переделаю. Диод, если я правильно понимаю на 3В.

АСС не задействую специально, чтобы компом управлять самому. Более того - этот переключатель только включает питание от АКБ, а комп включается кнопкой Power.
Сделано специально, иногда езжу не далеко по знакомым маршрутам и комп включать не планирую (по крайней мере пока нет нормального радио). А монитор должен быть запитан, чтобы выводить сигнал с парковочной камеры.
_________________________
Мой проект: http://www.pccar.ru/showthread.php?t=9730
Serg_w вне форума   Ответить с цитированием
Старый 10.10.2009, 10:06   #6
Gosha39
Старший Пользователь
 
Регистрация: 22.08.2007
Возраст: 45
Город: Верхняя Салда
Регион: 66, 96
Машина: 2001\Toyota\Corolla
Сообщений: 354
Gosha39 will become famous soon enough
По умолчанию

дак ты и задействуй АСС (верхняя часть схемы) после завершения работы, подпитки на РЕЛЕ исчезнут и комп полностью обесточится! А как тока воткнёш ключ, он готов включится (ждёт нажатия кнопки, тут как хочеш)
__________________
Мой проект - http://pccar.ru/showthread.php?t=5969
Комп - БП-G39, AsusP5PE-VM, CPU-Intel 2.2Ггц, ОЗУ-1Гб, HDD - Hitachi 2.5" 160Gb, Audygi 2, LILLIPUT GL629, Камера-RV-C270E.
Фронт - Steg K2/01 на Focal 165 VR.
Саб - ЗЯ .......... пока курит
Gosha39 вне форума   Ответить с цитированием
Старый 12.10.2009, 13:43   #7
Alex-L
Moderator
 
Аватар для Alex-L
 
Регистрация: 23.03.2008
Возраст: 55
Город: Москва, Нагорная
Регион: 77, 97, 99, 177
Машина: Mitsubishi Lancer-X
Сообщений: 2,096
Alex-L is a splendid one to beholdAlex-L is a splendid one to beholdAlex-L is a splendid one to beholdAlex-L is a splendid one to beholdAlex-L is a splendid one to beholdAlex-L is a splendid one to beholdAlex-L is a splendid one to behold
По умолчанию

Можно еще вот так:

> верхнее по схеме положение переключателя SW1 - компьютер включен постоянно
> среднее по схеме положение переключателя SW1 - компьютер выключен постоянно
> нижнее по схеме положение переключателя SW1 - включение/выключение компьютера управляется ACC
Alex-L вне форума   Ответить с цитированием
Старый 12.10.2009, 22:51   #8
STAS N TAGIL
Пользователь
 
Регистрация: 12.05.2007
Возраст: 51
Город: Н-ТАГИЛ
Регион: 66, 96
Машина: 1994 LEXUS GS300
Сообщений: 51
STAS N TAGIL is on a distinguished road
По умолчанию

Цитата:
Сообщение от Alex-L Посмотреть сообщение
Можно еще вот так:

> верхнее по схеме положение переключателя SW1 - компьютер включен постоянно
> среднее по схеме положение переключателя SW1 - компьютер выключен постоянно
> нижнее по схеме положение переключателя SW1 - включение/выключение компьютера управляется ACC
Можно оставить одну релюху (левую по схеме, только через диоды её подключить, вместо правой через диод на левую завести)
STAS N TAGIL вне форума   Ответить с цитированием
Старый 12.10.2009, 23:18   #9
Alex-L
Moderator
 
Аватар для Alex-L
 
Регистрация: 23.03.2008
Возраст: 55
Город: Москва, Нагорная
Регион: 77, 97, 99, 177
Машина: Mitsubishi Lancer-X
Сообщений: 2,096
Alex-L is a splendid one to beholdAlex-L is a splendid one to beholdAlex-L is a splendid one to beholdAlex-L is a splendid one to beholdAlex-L is a splendid one to beholdAlex-L is a splendid one to beholdAlex-L is a splendid one to behold
По умолчанию

Цитата:
Сообщение от STAS N TAGIL Посмотреть сообщение
Можно оставить одну релюху (левую по схеме, только через диоды её подключить, вместо правой через диод на левую завести)
Так штоль?

Ммм-даа... наверное... прекольно...
Alex-L вне форума   Ответить с цитированием
Старый 13.10.2009, 12:26   #10
STAS N TAGIL
Пользователь
 
Регистрация: 12.05.2007
Возраст: 51
Город: Н-ТАГИЛ
Регион: 66, 96
Машина: 1994 LEXUS GS300
Сообщений: 51
STAS N TAGIL is on a distinguished road
По умолчанию

Цитата:
Сообщение от Alex-L Посмотреть сообщение
Так штоль?

Ммм-даа... наверное... прекольно...
Примерно так, я и хочу у себя организовать.
STAS N TAGIL вне форума   Ответить с цитированием
Ответ


Здесь присутствуют: 1 (пользователей: 0 , гостей: 1)
 

Ваши права в разделе
Вы не можете создавать новые темы
Вы не можете отвечать в темах
Вы не можете прикреплять вложения
Вы не можете редактировать свои сообщения

BB коды Вкл.
Смайлы Вкл.
[IMG] код Вкл.
HTML код Выкл.



Часовой пояс GMT +4, время: 06:45.


Работает на vBulletin® версия 3.8.4.
Copyright ©2000 - 2026, Jelsoft Enterprises Ltd.
Перевод: zCarot