PCCar.ru - Ваш автомобильный компьютер

Вернуться   PCCar.ru - Ваш автомобильный компьютер > MP3Car ТехИнфа > АвтоЗвук > Усилители

Ответ
 
Опции темы Поиск в этой теме
Старый 24.09.2009, 19:49   #101
St@rz
Модератор
 
Аватар для St@rz
 
Регистрация: 27.05.2008
Возраст: 51
Город: Пермь
Регион: 59
Машина: INDESIT/2007
Сообщений: 1,330
St@rz is a splendid one to beholdSt@rz is a splendid one to beholdSt@rz is a splendid one to beholdSt@rz is a splendid one to beholdSt@rz is a splendid one to beholdSt@rz is a splendid one to beholdSt@rz is a splendid one to behold
По умолчанию

Цитата:
Сообщение от kostya740 Посмотреть сообщение
я задал вопрос osv.tcom
Собственно повторюсь. Какова стоимость уселителя ?
В розницу 2320 рублей.
St@rz вне форума   Ответить с цитированием
Старый 25.09.2009, 08:48   #102
Genius
Старший Пользователь
 
Аватар для Genius
 
Регистрация: 07.08.2008
Возраст: 45
Регион: 23, 93
Сообщений: 191
Genius has a spectacular aura aboutGenius has a spectacular aura about
По умолчанию

Проблему обрезания высоких и низких частот на этом усилке все же возможно победить. На входе усилка стоят фильтры (конденсаторы), надо их заменить. На выходных постараюсь это сделать и отпишусь о результате.
Genius вне форума   Ответить с цитированием
Старый 25.09.2009, 17:34   #103
Alex-L
Moderator
 
Аватар для Alex-L
 
Регистрация: 23.03.2008
Возраст: 55
Город: Москва, Нагорная
Регион: 77, 97, 99, 177
Машина: Mitsubishi Lancer-X
Сообщений: 2,096
Alex-L is a splendid one to beholdAlex-L is a splendid one to beholdAlex-L is a splendid one to beholdAlex-L is a splendid one to beholdAlex-L is a splendid one to beholdAlex-L is a splendid one to beholdAlex-L is a splendid one to behold
По умолчанию

Цитата:
Сообщение от sdyz Посмотреть сообщение
Интересует вопрос на сколько Ом мистеровские трансы?
Мой кетайский тестер показал циферку 130ом
Alex-L вне форума   Ответить с цитированием
Старый 25.09.2009, 17:49   #104
sdyz
Старший Пользователь
 
Аватар для sdyz
 
Регистрация: 21.05.2009
Возраст: 47
Город: Умань
Регион: Украина
Машина: Subaru Outback 3.0
Сообщений: 214
sdyz is on a distinguished road
По умолчанию

Цитата:
Сообщение от Alex-L Посмотреть сообщение
Мой кетайский тестер показал циферку 130ом
Процитирую себя:
Цитата:
Сообщение от sdyz Посмотреть сообщение
У SMLP5001 - 150 Ом. Возможно из-за того, что LMLP1005 - 600 Ом и резались басы? Я вчера, специально поигрался эквалайзером винампа - ничего не режется! И низы и высокие работают отлично!
Возможно по-этому резало низы? Что такого есть в мистери чего не может быть в других трансах?
sdyz вне форума   Ответить с цитированием
Старый 25.09.2009, 18:00   #105
Alex-L
Moderator
 
Аватар для Alex-L
 
Регистрация: 23.03.2008
Возраст: 55
Город: Москва, Нагорная
Регион: 77, 97, 99, 177
Машина: Mitsubishi Lancer-X
Сообщений: 2,096
Alex-L is a splendid one to beholdAlex-L is a splendid one to beholdAlex-L is a splendid one to beholdAlex-L is a splendid one to beholdAlex-L is a splendid one to beholdAlex-L is a splendid one to beholdAlex-L is a splendid one to behold
По умолчанию

Я конечно желтенькие пленочки с трансов не сдирал, но уж очень сердечники на ферит похожи... может в этом дело... Даже если не ферит - у трансформаторов помимо сопротивления обмоток, есть еще куча параметров.
Alex-L вне форума   Ответить с цитированием
Старый 29.09.2009, 12:15   #106
Alex-L
Moderator
 
Аватар для Alex-L
 
Регистрация: 23.03.2008
Возраст: 55
Город: Москва, Нагорная
Регион: 77, 97, 99, 177
Машина: Mitsubishi Lancer-X
Сообщений: 2,096
Alex-L is a splendid one to beholdAlex-L is a splendid one to beholdAlex-L is a splendid one to beholdAlex-L is a splendid one to beholdAlex-L is a splendid one to beholdAlex-L is a splendid one to beholdAlex-L is a splendid one to behold
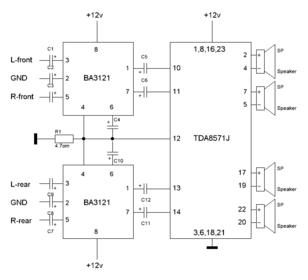
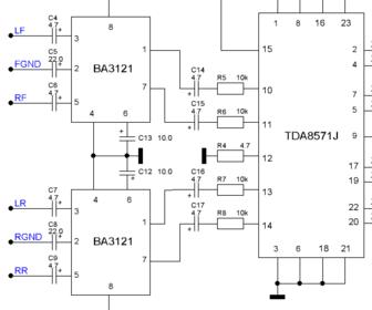
По умолчанию Подключение BA3121

Требуется ценный совет - как грамотно сконектить BA3121 и усилитель TDA8571J
Два варианта на картинках. Я больше склоняюсь ко второму - вот к этому
Миниатюры
Нажмите на изображение для увеличения
Название: 111.jpg
Просмотров: 1293
Размер:	9.1 Кб
ID:	13149   Нажмите на изображение для увеличения
Название: 222.jpg
Просмотров: 1253
Размер:	12.4 Кб
ID:	13150  
Alex-L вне форума   Ответить с цитированием
Старый 05.10.2009, 02:09   #107
Ermalex
Старший Пользователь
 
Аватар для Ermalex
 
Регистрация: 19.08.2007
Возраст: 47
Город: Люберцы
Регион: 50, 90, 150
Машина: Nissan-Serena 2002, 2.0i 16V, CVT, 2WD.
Сообщений: 52
Ermalex is on a distinguished road
По умолчанию

прошу помощи потерял инструкцию от своего мастер кита http://www.chip-dip.ru/product0/9000044659.aspx

Пришлось его отсоединять теперь не могу понять где плюс а где минус. На фото два желтых провода это питание может кто подскажет который из них плюс а который минус. Заранее благодарю за помощь.
Миниатюры
Нажмите на изображение для увеличения
Название: SDC10366 copy.jpg
Просмотров: 1017
Размер:	92.7 Кб
ID:	13263  
Ermalex вне форума   Ответить с цитированием
Старый 05.10.2009, 02:52   #108
mcf1
Guest
 
Сообщений: n/a
По умолчанию

Цитата:
Сообщение от Ermalex Посмотреть сообщение
прошу помощи потерял инструкцию от своего мастер кита http://www.chip-dip.ru/product0/9000044659.aspx

Пришлось его отсоединять теперь не могу понять где плюс а где минус. На фото два желтых провода это питание может кто подскажет который из них плюс а который минус. Заранее благодарю за помощь.
минус тот который идет на минус большого конденсатора, соот-но другой будет плюс
  Ответить с цитированием
Старый 05.10.2009, 15:18   #109
Ermalex
Старший Пользователь
 
Аватар для Ermalex
 
Регистрация: 19.08.2007
Возраст: 47
Город: Люберцы
Регион: 50, 90, 150
Машина: Nissan-Serena 2002, 2.0i 16V, CVT, 2WD.
Сообщений: 52
Ermalex is on a distinguished road
По умолчанию

Цитата:
Сообщение от mcf1 Посмотреть сообщение
минус тот который идет на минус большого конденсатора, соот-но другой будет плюс
Я не радиолюбитель для меня это проблемма опредилить где у конденсатора минус

прикрепляю еще фото, Если у кого есть иструкция может посмотрите?
Миниатюры
Нажмите на изображение для увеличения
Название: 01.jpg
Просмотров: 1027
Размер:	89.0 Кб
ID:	13276   Нажмите на изображение для увеличения
Название: 02.jpg
Просмотров: 972
Размер:	105.8 Кб
ID:	13277  
Ermalex вне форума   Ответить с цитированием
Старый 05.10.2009, 16:24   #110
sdyz
Старший Пользователь
 
Аватар для sdyz
 
Регистрация: 21.05.2009
Возраст: 47
Город: Умань
Регион: Украина
Машина: Subaru Outback 3.0
Сообщений: 214
sdyz is on a distinguished road
По умолчанию

Цитата:
Сообщение от Ermalex Посмотреть сообщение
Я не радиолюбитель для меня это проблемма опредилить где у конденсатора минус

прикрепляю еще фото, Если у кого есть иструкция может посмотрите?
Желтый +
Желтый/зеленый -
sdyz вне форума   Ответить с цитированием
Ответ


Здесь присутствуют: 1 (пользователей: 0 , гостей: 1)
 

Ваши права в разделе
Вы не можете создавать новые темы
Вы не можете отвечать в темах
Вы не можете прикреплять вложения
Вы не можете редактировать свои сообщения

BB коды Вкл.
Смайлы Вкл.
[IMG] код Вкл.
HTML код Выкл.



Часовой пояс GMT +4, время: 19:59.


Работает на vBulletin® версия 3.8.4.
Copyright ©2000 - 2026, Jelsoft Enterprises Ltd.
Перевод: zCarot