PCCar.ru - Ваш автомобильный компьютер

Вернуться   PCCar.ru - Ваш автомобильный компьютер > MP3Car ТехИнфа > Общение с машиной

Ответ
 
Опции темы Поиск в этой теме
Старый 02.10.2009, 15:04   #531
MiD_E34
Бывалый писикарщик
 
Аватар для MiD_E34
 
Регистрация: 06.09.2007
Город: Питер
Регион: 78, 98
Машина: Тойота РАВ4, ХА50, 2021.
Сообщений: 3,085
MiD_E34 is a splendid one to beholdMiD_E34 is a splendid one to beholdMiD_E34 is a splendid one to beholdMiD_E34 is a splendid one to beholdMiD_E34 is a splendid one to beholdMiD_E34 is a splendid one to behold
По умолчанию

Цитата:
Сообщение от KilleRMill Посмотреть сообщение
Пленочный фоторезист. Супер штука, только нужно приноровится, чем вчера весь день и занимался )
Резисторы и кондеры все 1206, кроме R9 (2512) и C1 (0805). На место 1206 можно и 0805 при желании запаять...
я так понял, что плата покрывается этим резистом, потом засвечивается через шаблон, а потом проявляется...
А шаблон на чем-то прозрачном печатается?
Упс - это не пленочный фоторезист, а жидкий...
Буду изучать новую технологию.
__________________
Андроид ГУ.
Проект2:http://www.pccar.ru/showthread.php?t=17597
MiD_E34 вне форума   Ответить с цитированием
Старый 02.10.2009, 15:06   #532
Andrew@
Новый Пользователь
 
Регистрация: 08.06.2009
Регион: 22
Сообщений: 27
Andrew@ is on a distinguished road
По умолчанию

Цитата:
Сообщение от MiD_E34 Посмотреть сообщение
2KilleRMill: что-то ты ее пролудил как-то не очень...
Я обычно жидким флюсом покрою, а потом мелкой сеточкой-экраном от кабеля пройдусь - получается как промышленная
А какой флюс используешь?
Andrew@ вне форума   Ответить с цитированием
Старый 02.10.2009, 15:11   #533
MiD_E34
Бывалый писикарщик
 
Аватар для MiD_E34
 
Регистрация: 06.09.2007
Город: Питер
Регион: 78, 98
Машина: Тойота РАВ4, ХА50, 2021.
Сообщений: 3,085
MiD_E34 is a splendid one to beholdMiD_E34 is a splendid one to beholdMiD_E34 is a splendid one to beholdMiD_E34 is a splendid one to beholdMiD_E34 is a splendid one to beholdMiD_E34 is a splendid one to behold
По умолчанию

Цитата:
Сообщение от Andrew@ Посмотреть сообщение
А какой флюс используешь?
Да я как-то давно купил бутылочку глицеринового флюса. Только его нужно хорошо смывать иначе со временем окислы появляются. Моется водой.
Кому интересно, вот технология для изготовления плат фоторезистом.
http://www.radiokot.ru/lab/hardwork/06/
Буду пробовать!
__________________
Андроид ГУ.
Проект2:http://www.pccar.ru/showthread.php?t=17597
MiD_E34 вне форума   Ответить с цитированием
Старый 02.10.2009, 15:13   #534
KilleRMill
Пользователь
 
Регистрация: 26.09.2007
Возраст: 43
Город: Челябинск
Регион: 74
Машина: Toyota Fielder NZ121G '04
Сообщений: 93
KilleRMill is on a distinguished road
По умолчанию

Цитата:
Сообщение от MiD_E34 Посмотреть сообщение
2KilleRMill: что-то ты ее пролудил как-то не очень...
Я обычно жидким флюсом покрою, а потом мелкой сеточкой-экраном от кабеля пройдусь - получается как промышленная
Торопился ) еще почьему-то совету прокипятил плату чтобы резист убрать )) вот она и окислилась. а Весь инструмент в гараже, идти лениво было ) Вот и забил. Перед пайкой элементов косячки исправлю и пройдусь оплеткой. Вообщем торопился я, дел еще куча.

А резист пленочный. Вот почитай:
http://radiokot.ru/lab/hardwork/06/
KilleRMill вне форума   Ответить с цитированием
Старый 02.10.2009, 15:18   #535
MiD_E34
Бывалый писикарщик
 
Аватар для MiD_E34
 
Регистрация: 06.09.2007
Город: Питер
Регион: 78, 98
Машина: Тойота РАВ4, ХА50, 2021.
Сообщений: 3,085
MiD_E34 is a splendid one to beholdMiD_E34 is a splendid one to beholdMiD_E34 is a splendid one to beholdMiD_E34 is a splendid one to beholdMiD_E34 is a splendid one to beholdMiD_E34 is a splendid one to behold
По умолчанию

Цитата:
Сообщение от KilleRMill Посмотреть сообщение
А резист пленочный. Вот почитай:
http://radiokot.ru/lab/hardwork/06/
Увы - я тебя опередил.. Кстати, там и моя статья давно лежит - совсем про этот сайт забыл
__________________
Андроид ГУ.
Проект2:http://www.pccar.ru/showthread.php?t=17597
MiD_E34 вне форума   Ответить с цитированием
Старый 02.10.2009, 15:25   #536
Chip
Старший Пользователь
 
Аватар для Chip
 
Регистрация: 29.05.2007
Город: Москва
Регион: 77, 97, 99, 177
Сообщений: 372
Chip will become famous soon enough
По умолчанию

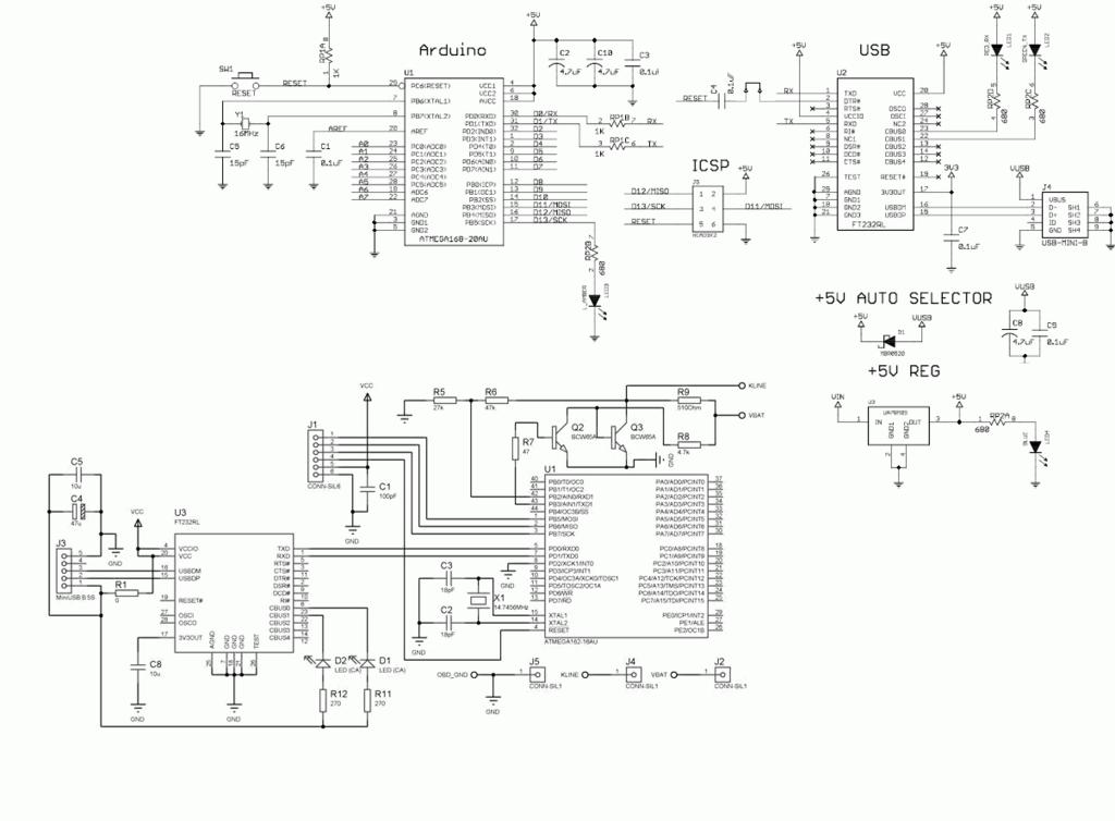
Я посмотрел на схему и схема почти такая же как и у arduino, только нужно кварц сменить и K-line драйвер добавить. Правда у arduino ценник на 300 руб дороже , но зато нет сложностей с разводкой и пайкой FTDI

Нажмите на изображение для увеличения
Название: org.jpg
Просмотров: 1820
Размер:	65.1 Кб
ID:	13248

Последний раз редактировалось admin; 03.10.2024 в 13:10.
Chip вне форума   Ответить с цитированием
Старый 02.10.2009, 16:38   #537
MiD_E34
Бывалый писикарщик
 
Аватар для MiD_E34
 
Регистрация: 06.09.2007
Город: Питер
Регион: 78, 98
Машина: Тойота РАВ4, ХА50, 2021.
Сообщений: 3,085
MiD_E34 is a splendid one to beholdMiD_E34 is a splendid one to beholdMiD_E34 is a splendid one to beholdMiD_E34 is a splendid one to beholdMiD_E34 is a splendid one to beholdMiD_E34 is a splendid one to behold
По умолчанию

Цитата:
Сообщение от Chip Посмотреть сообщение
Я посмотрел на схему и схема почти такая же как и у arduino, только нужно кварц сменить и K-line драйвер добавить. Правда у arduino ценник на 300 руб дороже , но зато нет сложностей с разводкой и пайкой FTDI

Вложение 13248
Я все ждал, когда Carduino всплывет...
Как раз должен вот-вот получить его...
Проблема еще в том, что и прошивку надо перекомпилить, а исходника нет. Материал какой-никакой по ней есть (спасибо автору) буду понемногу разбирать протокол.
Продаются еще отдельные маленькие платки с драйвером ЮСБ (с таким же чипом) - ее тоже проще подключить. Себе, кстати, сейчас такую делаю с ножками для макетов.
__________________
Андроид ГУ.
Проект2:http://www.pccar.ru/showthread.php?t=17597

Последний раз редактировалось admin; 03.10.2024 в 13:11.
MiD_E34 вне форума   Ответить с цитированием
Старый 02.10.2009, 20:01   #538
KilleRMill
Пользователь
 
Регистрация: 26.09.2007
Возраст: 43
Город: Челябинск
Регион: 74
Машина: Toyota Fielder NZ121G '04
Сообщений: 93
KilleRMill is on a distinguished road
По умолчанию

Цитата:
Сообщение от MiD_E34 Посмотреть сообщение
Увы - я тебя опередил.. Кстати, там и моя статья давно лежит - совсем про этот сайт забыл
2 минуты. Ну вот поэтой технике и делал.
KilleRMill вне форума   Ответить с цитированием
Старый 02.10.2009, 21:20   #539
Nik0lay
Пользователь
 
Регистрация: 30.08.2009
Город: Е-бург
Регион: 66, 96
Машина: 2001 Toyota Caldina
Сообщений: 53
Nik0lay is on a distinguished road
По умолчанию

Цитата:
Сообщение от Andrew@ Посмотреть сообщение
А какой флюс используешь?
Паять платы лучше спиртовоканифольным флюсом. по крайней мере знаешь, что в него ничего активного не намешано, и можно даже после не промывать.
Nik0lay вне форума   Ответить с цитированием
Старый 02.10.2009, 23:10   #540
Chip
Старший Пользователь
 
Аватар для Chip
 
Регистрация: 29.05.2007
Город: Москва
Регион: 77, 97, 99, 177
Сообщений: 372
Chip will become famous soon enough
По умолчанию

Цитата:
Сообщение от MiD_E34 Посмотреть сообщение
Я все ждал, когда arduino всплывет...
Как раз должен вот-вот получить его...
Проблема еще в том, что и прошивку надо перекомпилить, а исходника нет. Материал какой-никакой по ней есть (спасибо автору) буду понемногу разбирать протокол.
А как вы собираетесь прошить свой девайс? Прошивка есть?

Последний раз редактировалось admin; 03.10.2024 в 13:11.
Chip вне форума   Ответить с цитированием
Ответ

Метки
obd ii, toyota


Здесь присутствуют: 1 (пользователей: 0 , гостей: 1)
 

Ваши права в разделе
Вы не можете создавать новые темы
Вы не можете отвечать в темах
Вы не можете прикреплять вложения
Вы не можете редактировать свои сообщения

BB коды Вкл.
Смайлы Вкл.
[IMG] код Вкл.
HTML код Выкл.



Часовой пояс GMT +4, время: 00:47.


Работает на vBulletin® версия 3.8.4.
Copyright ©2000 - 2026, Jelsoft Enterprises Ltd.
Перевод: zCarot