PCCar.ru - Ваш автомобильный компьютер

Вернуться   PCCar.ru - Ваш автомобильный компьютер > MP3Car ТехИнфа > Блоки питания > Самодельные блоки питания

Ответ
 
Опции темы Поиск в этой теме
Старый 12.09.2009, 09:04   #131
change
Старший Пользователь
 
Аватар для change
 
Регистрация: 09.06.2009
Возраст: 59
Город: Моск.обл
Регион: 50, 90, 150
Машина: HONDA CR-V 1998г
Сообщений: 436
change is on a distinguished road
По умолчанию

Цитата:
Сообщение от БАЛУ Посмотреть сообщение
4427 ИСПОЛЬЗОВАТЬ незя вибор 4426 был обусловлен тем что у 6105 активный уровень логический ноль (при остановке работы на выходе +5в)чтото фоток дальнейшей сборки не видно
IR4427 отличается от IR4426 только тем что у первой вход прямой без инверсии , а у второй вход инвертирован, на выходе у обоих всё идентично
__________________

интересное
change вне форума   Ответить с цитированием
Старый 13.09.2009, 11:11   #132
БАЛУ
Старший Пользователь
 
Регистрация: 09.05.2009
Город: ТОМСК
Регион: 78, 98
Сообщений: 143
БАЛУ is on a distinguished road
По умолчанию

да это и имелось в виду (может я обьяснил некорректно )
БАЛУ вне форума   Ответить с цитированием
Старый 14.09.2009, 13:15   #133
metronom
Новый Пользователь
 
Регистрация: 14.09.2009
Возраст: 53
Регион: Украина
Сообщений: 23
metronom is on a distinguished road
По умолчанию

Добрый день.Собрал пока только дежурку - КПД получился порядка 0.6. Это нормально? Раньше просто с импульсниками мало имел дел. При входном 12 вольт ток 0.7А - на выходе 5SB баласт 4.7 ома - на нем строго 5 вольт. Правда в качестве ШИМа стоит UC3842 вместо UC3843 - запускается она при 16 вольтах - куплю 43 поменяю.И транс маленький - но от дежурки донора. И если можно - параметры дросселей по 3.3 вольта?
metronom вне форума   Ответить с цитированием
Старый 14.09.2009, 17:07   #134
Krock
Пользователь
 
Регистрация: 04.12.2007
Город: Кишинев
Регион: другой - для добавления сообщить ab
Машина: Renault Kangoo
Сообщений: 48
Krock is on a distinguished road
По умолчанию

Возник у меня вопрос/пожелание к автору, возможно ли на стадии разработки/отладки разделить входную и выходую земли, для того чтобы в конце не получить БП с паразитными наводками по земле, периферии PC и усилителя...
Krock вне форума   Ответить с цитированием
Старый 14.09.2009, 19:09   #135
change
Старший Пользователь
 
Аватар для change
 
Регистрация: 09.06.2009
Возраст: 59
Город: Моск.обл
Регион: 50, 90, 150
Машина: HONDA CR-V 1998г
Сообщений: 436
change is on a distinguished road
По умолчанию

Цитата:
Сообщение от Krock Посмотреть сообщение
Возник у меня вопрос/пожелание к автору, возможно ли на стадии разработки/отладки разделить входную и выходую земли, для того чтобы в конце не получить БП с паразитными наводками по земле, периферии PC и усилителя...
а в чём проблема
не соединяй входную минусовую шину с выходной и всё,только питать придётся всё от этого блока для полной развязки
__________________

интересное
change вне форума   Ответить с цитированием
Старый 14.09.2009, 20:11   #136
БАЛУ
Старший Пользователь
 
Регистрация: 09.05.2009
Город: ТОМСК
Регион: 78, 98
Сообщений: 143
БАЛУ is on a distinguished road
По умолчанию

по поводу низкого кпд скорей всего проблема в трансе дежурки
по поводу разделения по силовой части сделать мона 1не соединять силовые земли с выходными 2 поставить разделяющий транс перед силовыми ключами 3 исключить микруху драйвера и замутить другую схему на транс управления 4 обратную связь по дежурке развязать через оптрон (в принцыпе не сложно но стоит ли)
дроссели 3.3в от обычного бп мотать самому можно по проще найти от дохлого бп

PS. кстати по поводу полной развязки если реализовать все выше описанное
то данную схему мона будет использовать и вкачестве сетевого блока питания на 220в без зменнений печатной платы (различия только будут в трансах и силовы ключах
БАЛУ вне форума   Ответить с цитированием
Старый 15.09.2009, 01:49   #137
БАЛУ
Старший Пользователь
 
Регистрация: 09.05.2009
Город: ТОМСК
Регион: 78, 98
Сообщений: 143
БАЛУ is on a distinguished road
По умолчанию

выкладываю измененный вариант (думал что окончательный ) теперь заморочусь полной гальванической развязкой(при производстве дабы одни и теже платы и схемы использовать на 12-24-28 постоянки и 220 переменки)
по выложенной схеме могу сказать особое внимание уделял трансам как намотаеш так и будет работать мотал силовые медной фольгой после лаком собрав транс снова лак и сушка(намотка медной фольгой оказалась проще чем проволокой да и отводы сделать проще) кпд .сказка
Вложения
Тип файла: rar 12v-ATX.3.4lay.rar (41.4 Кб, 953 просмотров)
Тип файла: rar ПРЕОБРЗОВАТЕЛЬ 12V--ATX 1.3spl.rar (13.2 Кб, 907 просмотров)
БАЛУ вне форума   Ответить с цитированием
Старый 15.09.2009, 11:51   #138
Krock
Пользователь
 
Регистрация: 04.12.2007
Город: Кишинев
Регион: другой - для добавления сообщить ab
Машина: Renault Kangoo
Сообщений: 48
Krock is on a distinguished road
По умолчанию

Цитата:
теперь заморочусь полной гальванической развязкой
Вот за это спасибо, повторял разные варианты самодельных БП (все без развязки) и во всех случаях без GLI слушать аудио невозможно (если знаете о чем я)...
Так что успехов!!!
Krock вне форума   Ответить с цитированием
Старый 15.09.2009, 18:04   #139
БАЛУ
Старший Пользователь
 
Регистрация: 09.05.2009
Город: ТОМСК
Регион: 78, 98
Сообщений: 143
БАЛУ is on a distinguished road
По умолчанию

если не секрет GLI это что (в любом случае поставить экран на звуковую схему не помешает)
БАЛУ вне форума   Ответить с цитированием
Старый 15.09.2009, 19:11   #140
alex__k
Пользователь
 
Регистрация: 16.01.2008
Регион: Украина
Машина: PASSAT B3
Сообщений: 66
alex__k is on a distinguished road
По умолчанию

Цитата:
Сообщение от БАЛУ Посмотреть сообщение
выкладываю измененный вариант (думал что окончательный ) теперь заморочусь полной гальванической развязкой(при производстве дабы одни и теже платы и схемы использовать на 12-24-28 постоянки и 220 переменки)
по выложенной схеме могу сказать особое внимание уделял трансам как намотаеш так и будет работать мотал силовые медной фольгой после лаком собрав транс снова лак и сушка(намотка медной фольгой оказалась проще чем проволокой да и отводы сделать проще) кпд .сказка
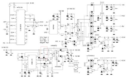
А это ты не добавлял
Миниатюры
Нажмите на изображение для увеличения
Название: ATX3.4v.jpg
Просмотров: 1493
Размер:	20.1 Кб
ID:	12742  
alex__k вне форума   Ответить с цитированием
Ответ

Метки
схема бп


Здесь присутствуют: 1 (пользователей: 0 , гостей: 1)
 

Ваши права в разделе
Вы не можете создавать новые темы
Вы не можете отвечать в темах
Вы не можете прикреплять вложения
Вы не можете редактировать свои сообщения

BB коды Вкл.
Смайлы Вкл.
[IMG] код Вкл.
HTML код Выкл.



Часовой пояс GMT +4, время: 03:54.


Работает на vBulletin® версия 3.8.4.
Copyright ©2000 - 2026, Jelsoft Enterprises Ltd.
Перевод: zCarot