PCCar.ru - Ваш автомобильный компьютер

Вернуться   PCCar.ru - Ваш автомобильный компьютер > MP3Car ТехИнфа > Блоки питания > Самодельные блоки питания

Ответ
 
Опции темы Поиск в этой теме
Старый 12.08.2009, 15:44   #91
БАЛУ
Старший Пользователь
 
Регистрация: 09.05.2009
Город: ТОМСК
Регион: 78, 98
Сообщений: 143
БАЛУ is on a distinguished road
По умолчанию

УВИДЕЛ кусок схемы схема та же диод обведенный красным та самая фишка добавим диод на 5в и 12в и получится сказка
БАЛУ вне форума   Ответить с цитированием
Старый 12.08.2009, 16:12   #92
alex__k
Пользователь
 
Регистрация: 16.01.2008
Регион: Украина
Машина: PASSAT B3
Сообщений: 66
alex__k is on a distinguished road
По умолчанию

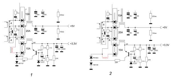
На первом рисунке дроссель включен у тебя.
На втором как у моего донора это имеет значение или нет.
Миниатюры
Нажмите на изображение для увеличения
Название: ATXL3.3v.jpg
Просмотров: 1257
Размер:	19.2 Кб
ID:	12194  
alex__k вне форума   Ответить с цитированием
Старый 12.08.2009, 16:20   #93
БАЛУ
Старший Пользователь
 
Регистрация: 09.05.2009
Город: ТОМСК
Регион: 78, 98
Сообщений: 143
БАЛУ is on a distinguished road
По умолчанию

да это имеет значение на втором рисунке ошибка .
диоды после дросселя а не до иначе будет бах диодов в тот момент когда
они начнут подмагничивать постоянным током не дроссель а силовой транс
БАЛУ вне форума   Ответить с цитированием
Старый 12.08.2009, 16:47   #94
alex__k
Пользователь
 
Регистрация: 16.01.2008
Регион: Украина
Машина: PASSAT B3
Сообщений: 66
alex__k is on a distinguished road
По умолчанию

Проверил по плате донора ты прав в схеме ошибка.
MBR10T100 как тебе такие диоды.

Последний раз редактировалось alex__k; 12.08.2009 в 20:13.
alex__k вне форума   Ответить с цитированием
Старый 13.08.2009, 07:30   #95
БАЛУ
Старший Пользователь
 
Регистрация: 09.05.2009
Город: ТОМСК
Регион: 78, 98
Сообщений: 143
БАЛУ is on a distinguished road
По умолчанию

ДИОД толковый на мой взгляд слишком шикарный для данных целей
в тестах я ставил 1N5822 3А 40В ЕСЛИ НЕ СОБИРАЕШСЯ играть в (кризис)
в машине на высоких разрешениях комп врядли будет потреблять больше80ВТ диоды можно поставить на ток 5-6А( В РЕАЛЕ еще меньше)
БАЛУ вне форума   Ответить с цитированием
Старый 13.08.2009, 13:38   #96
alex__k
Пользователь
 
Регистрация: 16.01.2008
Регион: Украина
Машина: PASSAT B3
Сообщений: 66
alex__k is on a distinguished road
По умолчанию

Если ставить 1N5822 то я поигрался с платой если ты не против.
Вложения
Тип файла: rar 12v-ATX_3_33lay.rar (40.8 Кб, 768 просмотров)
alex__k вне форума   Ответить с цитированием
Старый 13.08.2009, 16:10   #97
БАЛУ
Старший Пользователь
 
Регистрация: 09.05.2009
Город: ТОМСК
Регион: 78, 98
Сообщений: 143
БАЛУ is on a distinguished road
По умолчанию

Я не против (какая версия программы не могу открыть)
БАЛУ вне форума   Ответить с цитированием
Старый 13.08.2009, 16:11   #98
alex__k
Пользователь
 
Регистрация: 16.01.2008
Регион: Украина
Машина: PASSAT B3
Сообщений: 66
alex__k is on a distinguished road
По умолчанию

Сегодня заказал 90SQ045 и стеклотекстолит как приедет начну утюжить плату.
alex__k вне форума   Ответить с цитированием
Старый 13.08.2009, 16:23   #99
alex__k
Пользователь
 
Регистрация: 16.01.2008
Регион: Украина
Машина: PASSAT B3
Сообщений: 66
alex__k is on a distinguished road
По умолчанию

SLayout-5rus
Вложения
Тип файла: zip SLayout-5rus.zip (4.91 Мб, 756 просмотров)
alex__k вне форума   Ответить с цитированием
Старый 13.08.2009, 16:25   #100
alex__k
Пользователь
 
Регистрация: 16.01.2008
Регион: Украина
Машина: PASSAT B3
Сообщений: 66
alex__k is on a distinguished road
По умолчанию

Лови.
alex__k вне форума   Ответить с цитированием
Ответ

Метки
схема бп


Здесь присутствуют: 1 (пользователей: 0 , гостей: 1)
 

Ваши права в разделе
Вы не можете создавать новые темы
Вы не можете отвечать в темах
Вы не можете прикреплять вложения
Вы не можете редактировать свои сообщения

BB коды Вкл.
Смайлы Вкл.
[IMG] код Вкл.
HTML код Выкл.



Часовой пояс GMT +4, время: 17:11.


Работает на vBulletin® версия 3.8.4.
Copyright ©2000 - 2026, Jelsoft Enterprises Ltd.
Перевод: zCarot