PCCar.ru - Ваш автомобильный компьютер

Вернуться   PCCar.ru - Ваш автомобильный компьютер > Всё Остальное > Arduino проекты

Ответ
 
Опции темы Поиск в этой теме
Старый 31.12.2017, 15:41   #1
admin
Administrator
 
Аватар для admin
 
Регистрация: 15.06.2005
Город: Москва
Регион: 77, 97, 99, 177
Машина: Lexus RX400h
Сообщений: 842
admin is a glorious beacon of lightadmin is a glorious beacon of lightadmin is a glorious beacon of lightadmin is a glorious beacon of lightadmin is a glorious beacon of lightadmin is a glorious beacon of light
По умолчанию Цветомузыка на Ардуино

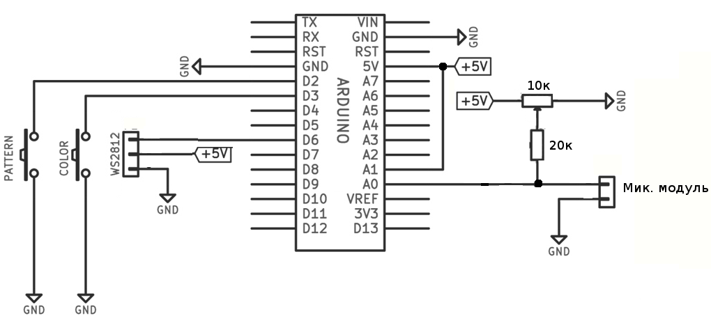
Для любителей визуализаций и светового шоу в автомобиле.
Нашел простейшую схему цветомузыки.
Компоненты:
Любая Ардуино на базе контроллера Atmega328
Светодиодная лента на светодиодах ws2812
Микрофонный модуль
2 кнопки
Переменный резистор 10к
Нажмите на изображение для увеличения
Название: LightShow.png
Просмотров: 1803
Размер:	92.8 Кб
ID:	48918

Видео


Что бы не заниматься плагиатом даю ссылку на первоисточник http://cyber-place.ru/showthread.php?p=38767#post38767
__________________
Все для arduino.

Последний раз редактировалось admin; 20.01.2018 в 00:21.
admin вне форума   Ответить с цитированием
Старый 31.12.2017, 15:45   #2
Vladget
Moderator
 
Регистрация: 04.04.2009
Возраст: 69
Город: Краснодар
Регион: 23, 93
Машина: HONDA CR-V-08
Сообщений: 3,129
Vladget is a splendid one to beholdVladget is a splendid one to beholdVladget is a splendid one to beholdVladget is a splendid one to beholdVladget is a splendid one to beholdVladget is a splendid one to beholdVladget is a splendid one to behold
По умолчанию

вот другая разновидность того же https://geektimes.ru/post/296359/
__________________


Vladget вне форума   Ответить с цитированием
Старый 31.12.2017, 15:48   #3
admin
Administrator
 
Аватар для admin
 
Регистрация: 15.06.2005
Город: Москва
Регион: 77, 97, 99, 177
Машина: Lexus RX400h
Сообщений: 842
admin is a glorious beacon of lightadmin is a glorious beacon of lightadmin is a glorious beacon of lightadmin is a glorious beacon of lightadmin is a glorious beacon of lightadmin is a glorious beacon of light
По умолчанию

Программный код один и тот же Lumazoid
Здесь только схема немного упрощена и используется микрофон
__________________
Все для arduino.
admin вне форума   Ответить с цитированием
Старый 31.12.2017, 15:58   #4
Vladget
Moderator
 
Регистрация: 04.04.2009
Возраст: 69
Город: Краснодар
Регион: 23, 93
Машина: HONDA CR-V-08
Сообщений: 3,129
Vladget is a splendid one to beholdVladget is a splendid one to beholdVladget is a splendid one to beholdVladget is a splendid one to beholdVladget is a splendid one to beholdVladget is a splendid one to beholdVladget is a splendid one to behold
По умолчанию

только вот на али продают ленты по 30,60, 144 диодов на метр а я так понимаю что чем больше на метр тем эффективнее будет смотреться, а отрезать почти 17см как то не очень а можно что то подправить что бы использовать 144 ? Или если купить 2 метра то чтобы сделать 180 надо отрезать почти 80 см, а самому паять из этого https://www.chipdip.ru/product/neopixel-stick-16 как то не очень хочется .
а почему на такой https://ru.aliexpress.com/item/Addre...StoreLevelAB=5 не замутить ? кольцо (мое мнение) как то не очень вроде при таких возможностях как то "жиденько" смотрится
__________________


Vladget вне форума   Ответить с цитированием
Старый 31.12.2017, 15:59   #5
Vladget
Moderator
 
Регистрация: 04.04.2009
Возраст: 69
Город: Краснодар
Регион: 23, 93
Машина: HONDA CR-V-08
Сообщений: 3,129
Vladget is a splendid one to beholdVladget is a splendid one to beholdVladget is a splendid one to beholdVladget is a splendid one to beholdVladget is a splendid one to beholdVladget is a splendid one to beholdVladget is a splendid one to behold
По умолчанию

да и что используется от микрофона до ардуино что за усь?
__________________


Vladget вне форума   Ответить с цитированием
Старый 31.12.2017, 18:32   #6
admin
Administrator
 
Аватар для admin
 
Регистрация: 15.06.2005
Город: Москва
Регион: 77, 97, 99, 177
Машина: Lexus RX400h
Сообщений: 842
admin is a glorious beacon of lightadmin is a glorious beacon of lightadmin is a glorious beacon of lightadmin is a glorious beacon of lightadmin is a glorious beacon of lightadmin is a glorious beacon of light
По умолчанию

Цитата:
Сообщение от Vladget Посмотреть сообщение
только вот на али продают ленты по 30,60, 144 диодов на метр а я так понимаю что чем больше на метр тем эффективнее будет смотреться, а отрезать почти 17см как то не очень а можно что то подправить что бы использовать 144 ? Или если купить 2 метра то чтобы сделать 180 надо отрезать почти 80 см, а самому паять из этого https://www.chipdip.ru/product/neopixel-stick-16 как то не очень хочется .
а почему на такой https://ru.aliexpress.com/item/Addre...StoreLevelAB=5 не замутить ? кольцо (мое мнение) как то не очень вроде при таких возможностях как то "жиденько" смотрится
Ленту можно использовать на любое количество led, но ее максимум не должен превышать больше чем 255 светодиодов.
Больше скетч не поддерживает.
__________________
Все для arduino.
admin вне форума   Ответить с цитированием
Старый 31.12.2017, 18:40   #7
admin
Administrator
 
Аватар для admin
 
Регистрация: 15.06.2005
Город: Москва
Регион: 77, 97, 99, 177
Машина: Lexus RX400h
Сообщений: 842
admin is a glorious beacon of lightadmin is a glorious beacon of lightadmin is a glorious beacon of lightadmin is a glorious beacon of lightadmin is a glorious beacon of lightadmin is a glorious beacon of light
По умолчанию

Цитата:
Сообщение от Vladget Посмотреть сообщение
да и что используется от микрофона до ардуино что за усь?
Китайский модуль
Нажмите на изображение для увеличения
Название: мик_модуль.png
Просмотров: 1168
Размер:	177.7 Кб
ID:	48919

Но по большому счету не важно какой микрофон с усилителем, хорошего качества звука не требуется
Можно собрать самый примитивный или взять готовый
__________________
Все для arduino.
admin вне форума   Ответить с цитированием
Старый 31.12.2017, 19:01   #8
Vladget
Moderator
 
Регистрация: 04.04.2009
Возраст: 69
Город: Краснодар
Регион: 23, 93
Машина: HONDA CR-V-08
Сообщений: 3,129
Vladget is a splendid one to beholdVladget is a splendid one to beholdVladget is a splendid one to beholdVladget is a splendid one to beholdVladget is a splendid one to beholdVladget is a splendid one to beholdVladget is a splendid one to behold
По умолчанию

Цитата:
Сообщение от admin Посмотреть сообщение
Ленту можно использовать на любое количество led, но ее максимум не должен превышать больше чем 255 светодиодов.
Больше скетч не поддерживает.
Я далек от ардуино, но тут слегка загорелся, а почему тогда ограничения написаны "Светодиодов в линейке может быть 60, 120 или 180." по моей ссылке, и там в настройках надо указывать сколько светиков или это дело можно в скетче поправить если нет то что будет если будет другое кол-во светиков или это надо пробовать?
__________________


Vladget вне форума   Ответить с цитированием
Старый 31.12.2017, 19:10   #9
admin
Administrator
 
Аватар для admin
 
Регистрация: 15.06.2005
Город: Москва
Регион: 77, 97, 99, 177
Машина: Lexus RX400h
Сообщений: 842
admin is a glorious beacon of lightadmin is a glorious beacon of lightadmin is a glorious beacon of lightadmin is a glorious beacon of lightadmin is a glorious beacon of lightadmin is a glorious beacon of light
По умолчанию

Это в скетче прописано, всегда можно исправить
У меня 24 светодиода и работает все корректно.
__________________
Все для arduino.
admin вне форума   Ответить с цитированием
Старый 31.12.2017, 19:23   #10
Vladget
Moderator
 
Регистрация: 04.04.2009
Возраст: 69
Город: Краснодар
Регион: 23, 93
Машина: HONDA CR-V-08
Сообщений: 3,129
Vladget is a splendid one to beholdVladget is a splendid one to beholdVladget is a splendid one to beholdVladget is a splendid one to beholdVladget is a splendid one to beholdVladget is a splendid one to beholdVladget is a splendid one to behold
По умолчанию

наивный вопрос но все таки - а самая дешевая ардуина на которой это будет работать ?
__________________


Vladget вне форума   Ответить с цитированием
Ответ


Здесь присутствуют: 1 (пользователей: 0 , гостей: 1)
 
Опции темы Поиск в этой теме
Поиск в этой теме:

Расширенный поиск

Ваши права в разделе
Вы не можете создавать новые темы
Вы не можете отвечать в темах
Вы не можете прикреплять вложения
Вы не можете редактировать свои сообщения

BB коды Вкл.
Смайлы Вкл.
[IMG] код Вкл.
HTML код Выкл.



Часовой пояс GMT +4, время: 03:24.


Работает на vBulletin® версия 3.8.4.
Copyright ©2000 - 2026, Jelsoft Enterprises Ltd.
Перевод: zCarot