PCCar.ru - Ваш автомобильный компьютер

PCCar.ru - Ваш автомобильный компьютер (https://pccar.ru/index.php)
-   Arduino проекты (https://pccar.ru/forumdisplay.php?f=195)
-   -   Цветомузыка на Ардуино (https://pccar.ru/showthread.php?t=27219)

admin 31.12.2017 15:41

Цветомузыка на Ардуино
 
Вложений: 1
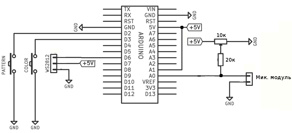
Для любителей визуализаций и светового шоу в автомобиле.
Нашел простейшую схему цветомузыки.
Компоненты:
Любая Ардуино на базе контроллера Atmega328
Светодиодная лента на светодиодах ws2812
Микрофонный модуль
2 кнопки
Переменный резистор 10к
Вложение 48918

Видео


Что бы не заниматься плагиатом даю ссылку на первоисточник http://cyber-place.ru/showthread.php?p=38767#post38767

Vladget 31.12.2017 15:45

вот другая разновидность того же https://geektimes.ru/post/296359/

admin 31.12.2017 15:48

Программный код один и тот же Lumazoid
Здесь только схема немного упрощена и используется микрофон

Vladget 31.12.2017 15:58

только вот на али продают ленты по 30,60, 144 диодов на метр а я так понимаю что чем больше на метр тем эффективнее будет смотреться, а отрезать почти 17см как то не очень а можно что то подправить что бы использовать 144 ? Или если купить 2 метра то чтобы сделать 180 надо отрезать почти 80 см, а самому паять из этого https://www.chipdip.ru/product/neopixel-stick-16 как то не очень хочется .
а почему на такой https://ru.aliexpress.com/item/Addre...StoreLevelAB=5 не замутить ? кольцо (мое мнение) как то не очень вроде при таких возможностях как то "жиденько" смотрится

Vladget 31.12.2017 15:59

да и что используется от микрофона до ардуино что за усь?

admin 31.12.2017 18:32

Цитата:

Сообщение от Vladget (Сообщение 397378)
только вот на али продают ленты по 30,60, 144 диодов на метр а я так понимаю что чем больше на метр тем эффективнее будет смотреться, а отрезать почти 17см как то не очень а можно что то подправить что бы использовать 144 ? Или если купить 2 метра то чтобы сделать 180 надо отрезать почти 80 см, а самому паять из этого https://www.chipdip.ru/product/neopixel-stick-16 как то не очень хочется .
а почему на такой https://ru.aliexpress.com/item/Addre...StoreLevelAB=5 не замутить ? кольцо (мое мнение) как то не очень вроде при таких возможностях как то "жиденько" смотрится

Ленту можно использовать на любое количество led, но ее максимум не должен превышать больше чем 255 светодиодов.
Больше скетч не поддерживает.

admin 31.12.2017 18:40

Вложений: 1
Цитата:

Сообщение от Vladget (Сообщение 397379)
да и что используется от микрофона до ардуино что за усь?

Китайский модуль
Вложение 48919

Но по большому счету не важно какой микрофон с усилителем, хорошего качества звука не требуется
Можно собрать самый примитивный или взять готовый

Vladget 31.12.2017 19:01

Цитата:

Сообщение от admin (Сообщение 397383)
Ленту можно использовать на любое количество led, но ее максимум не должен превышать больше чем 255 светодиодов.
Больше скетч не поддерживает.

Я далек от ардуино, но тут слегка загорелся, а почему тогда ограничения написаны "Светодиодов в линейке может быть 60, 120 или 180." по моей ссылке, и там в настройках надо указывать сколько светиков или это дело можно в скетче поправить если нет то что будет если будет другое кол-во светиков или это надо пробовать?

admin 31.12.2017 19:10

Это в скетче прописано, всегда можно исправить
У меня 24 светодиода и работает все корректно.

Vladget 31.12.2017 19:23

наивный вопрос но все таки - а самая дешевая ардуина на которой это будет работать ?


Часовой пояс GMT +4, время: 20:06.

Работает на vBulletin® версия 3.8.4.
Copyright ©2000 - 2025, Jelsoft Enterprises Ltd.
Перевод: zCarot