PCCar.ru - Ваш автомобильный компьютер

Вернуться   PCCar.ru - Ваш автомобильный компьютер > MP3Car ТехИнфа > AndroidCar > Железо > Планшеты

Ответ
 
Опции темы Поиск в этой теме
Старый 17.08.2017, 16:00   #2681
sandr2010
Гуру
 
Регистрация: 13.11.2011
Возраст: 62
Город: Волгоград
Регион: 34
Машина: Mitsubishi RVR, Chery Tiggo
Сообщений: 1,780
sandr2010 is a jewel in the roughsandr2010 is a jewel in the roughsandr2010 is a jewel in the roughsandr2010 is a jewel in the rough
По умолчанию

Цитата:
Сообщение от jonikus81 Посмотреть сообщение
могу предположить, что ребут хаба идет изза реле, так как реле ест не мало и в данной схеме нет диода гасящего обратный ток катушки реле, а он тут быть обязан. И да, соглашусь со Skanch, нужны задержки и надежные DC DC. Проще умный бп без громоздких реле собрать(купить).
Если svoboda120 использовал сверхминиатюрное реле(10*15*7,5 - примерный размер на память),то в нем уже установлен диод внутри и емкости в 1000 мкф должно хватать секунд на 10-15 для поддержания реле во включенном состоянии. А вот таймер может и не держать просадку.
sandr2010 вне форума   Ответить с цитированием
Старый 17.08.2017, 16:01   #2682
skanch
Модератор
 
Аватар для skanch
 
Регистрация: 19.01.2010
Возраст: 60
Город: Санкт-Петербург
Регион: 78, 98
Сообщений: 2,669
skanch has a brilliant futureskanch has a brilliant futureskanch has a brilliant futureskanch has a brilliant futureskanch has a brilliant futureskanch has a brilliant futureskanch has a brilliant futureskanch has a brilliant futureskanch has a brilliant futureskanch has a brilliant futureskanch has a brilliant future
По умолчанию

Цитата:
Сообщение от svoboda120 Посмотреть сообщение
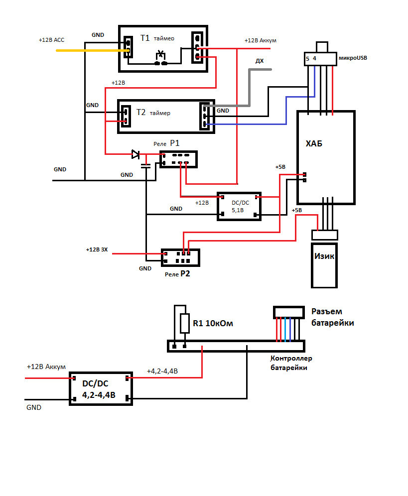
Вот примерная схема, по которой организовано питание (Подсказали здесь на форуме уважаемые люди). Примерная, потому что между АСС и таймером Т1 добавлен конденсатор 10000мФр и диод Шоттки.
Вложение 47967
Принцип работы таков: при включении АСС таймер Т1 настроен на задержку 6-7 сек. Этого времени с запасом хватает на работу стартера.
Если таймер Т1 сделать с задержкой 6-7 секунд на выключение, то все получится.
Алгоритм следующий:
Подали "АСС"- таймер Т1 включился моментально без задержек - вся система заработала. Теперь вы решили "крутнуть" стартер (пропадает "АСС"), но поскольку есть задержка на выключение таймера Т1 в 6-7 секунд спокойно заводите машину и когда снова появляется "АСС" (в рамках до 6-7 секунд) вся система продолжает работает. При условии, что модули DC-DC могут держать "просадку"!

Цитата:
Сообщение от sandr2010 Посмотреть сообщение
... А вот таймер может и не держать просадку.
С этим согласен!
skanch вне форума   Ответить с цитированием
Старый 17.08.2017, 16:02   #2683
lavalamp
Старший Пользователь
 
Регистрация: 05.09.2016
Город: Ekaterinburg
Регион: 66, 96
Сообщений: 159
lavalamp is on a distinguished road
По умолчанию

Цитата:
Сообщение от lavalamp Посмотреть сообщение


Фото моих перемычек.
Сейчас провожу эксперимент, поставил на столе планшет попробую разрядить и посмотрим что выйдет.
Уважаемые форумчане помогите в беде, что не так сделал
lavalamp вне форума   Ответить с цитированием
Старый 17.08.2017, 16:08   #2684
sandr2010
Гуру
 
Регистрация: 13.11.2011
Возраст: 62
Город: Волгоград
Регион: 34
Машина: Mitsubishi RVR, Chery Tiggo
Сообщений: 1,780
sandr2010 is a jewel in the roughsandr2010 is a jewel in the roughsandr2010 is a jewel in the roughsandr2010 is a jewel in the rough
По умолчанию

svoboda120 ,увеличьте время на Т1 - 6сек на прокрутку + время тестировки системы автомобилем. Для меня и моего авто время тестировки не критично - можно заводить без ожидания тестировки поэтому и ставлю у себя 5 - 6 секунд.
sandr2010 вне форума   Ответить с цитированием
Старый 17.08.2017, 16:08   #2685
svoboda120
Старший Пользователь
 
Регистрация: 20.01.2017
Возраст: 62
Город: Енакиево
Регион: Украина
Машина: Peugeot 407
Сообщений: 110
svoboda120 is on a distinguished road
По умолчанию

Цитата:
Сообщение от timsoid Посмотреть сообщение
А если хаб запитать не от ACC, а от постоянных 12В и через реле времени отключать питание на хаб после пропадания ACC ?
А что это поменяет? Если питание подавать на реле, а управление организовать через АСС - то итог будет тот же. Пропало питание на катушке реле (момент прокрутки стартера) - отключилось постоянное питание на ХАБ.
svoboda120 вне форума   Ответить с цитированием
Старый 17.08.2017, 16:14   #2686
lavalamp
Старший Пользователь
 
Регистрация: 05.09.2016
Город: Ekaterinburg
Регион: 66, 96
Сообщений: 159
lavalamp is on a distinguished road
По умолчанию

Провел эксперимент, действительно при 0 выключился,при чем простое выключение асс не помогает, нужно прямо снимать питание с планшета, тогда такой вопрос, если вообще убрать контроллер и напрямую подавать на планшет с источника, чем это чревато?
lavalamp вне форума   Ответить с цитированием
Старый 17.08.2017, 16:14   #2687
timsoid
Новый Пользователь
 
Регистрация: 16.05.2017
Город: Москва
Регион: 77, 97, 99, 177
Сообщений: 19
timsoid is on a distinguished road
По умолчанию

Цитата:
Сообщение от svoboda120 Посмотреть сообщение
А что это поменяет? Если питание подавать на реле, а управление организовать через АСС - то итог будет тот же. Пропало питание на катушке реле (момент прокрутки стартера) - отключилось постоянное питание на ХАБ.
Мы подаем постоянные 12в на хаб через реле времени. У ACC появляется напряжение, оно включает реле, хаб горит. Заводим авто, ACC пропадает, реле времени ждет 10сек и пока не отрубает питание хаба. 10сек проходит реле гасит хаб.
timsoid вне форума   Ответить с цитированием
Старый 17.08.2017, 16:17   #2688
sandr2010
Гуру
 
Регистрация: 13.11.2011
Возраст: 62
Город: Волгоград
Регион: 34
Машина: Mitsubishi RVR, Chery Tiggo
Сообщений: 1,780
sandr2010 is a jewel in the roughsandr2010 is a jewel in the roughsandr2010 is a jewel in the roughsandr2010 is a jewel in the rough
По умолчанию

Цитата:
Сообщение от skanch Посмотреть сообщение
Если таймер Т1 сделать с задержкой 6-7 секунд на выключение, то все получится.
Алгоритм следующий:
Подали "АСС"- таймер Т1 включился моментально без задержек - вся система заработала. Теперь вы решили "крутнуть" стартер (пропадает "АСС"), но поскольку есть задержка на выключение таймера Т1 в 6-7 секунд спокойно заводите машину и когда снова появляется "АСС" (в рамках до 6-7 секунд) вся система продолжает работает.


С этим согласен!
О как,я об этом и не додумал. Логично. Но можно просто увеличить время на таймере секунд до 15-20 и хаб перестанет отваливаться,т.к просто не успеет включаться перед прокруткой. В вашем же случае ,возможно,придется менять таймер - не помню : умеет ли он так работать.
Упс,получим то же самое - видимо у svoboda120 еще и тестировка систем авто - вкл асс,ждем 10-15 секунд тестировки,крутим стартер.
sandr2010 вне форума   Ответить с цитированием
Старый 17.08.2017, 16:21   #2689
skanch
Модератор
 
Аватар для skanch
 
Регистрация: 19.01.2010
Возраст: 60
Город: Санкт-Петербург
Регион: 78, 98
Сообщений: 2,669
skanch has a brilliant futureskanch has a brilliant futureskanch has a brilliant futureskanch has a brilliant futureskanch has a brilliant futureskanch has a brilliant futureskanch has a brilliant futureskanch has a brilliant futureskanch has a brilliant futureskanch has a brilliant futureskanch has a brilliant future
По умолчанию

Цитата:
Сообщение от sandr2010 Посмотреть сообщение
О как,я об этом и не додумал. Логично. Но можно просто увеличить время на таймере секунд до 15-20 и хаб перестанет отваливаться,т.к просто не успеет включаться перед прокруткой.
Это подходит для "первого" включения... А если пользователь сидит в машине , ждет клиента (минут 5-15), двигатель заглушен, ключ в режиме "АСС"-система работает и нужно завести ("крутнуть" стартер), то все "рушится". Повторю- нужна задержка выключения...
По такому принципу строю все поделки для авто - проблем нет!
skanch вне форума   Ответить с цитированием
Старый 17.08.2017, 16:31   #2690
svoboda120
Старший Пользователь
 
Регистрация: 20.01.2017
Возраст: 62
Город: Енакиево
Регион: Украина
Машина: Peugeot 407
Сообщений: 110
svoboda120 is on a distinguished road
По умолчанию

Вот мой таймер Т1:
Нажмите на изображение для увеличения
Название: 512829765_w640_h640_850973551_792.jpg
Просмотров: 1178
Размер:	59.8 Кб
ID:	47968
Попробовал с имитировать просадку напряжения АСС. Поочередно снижал напряжение с 12В до значения, при котором перестает переключение цепи. Таким напряжением оказалось 7.5В. Но когда поставил между АСС и таймером кондер на 10000мФр., то до 7.5В напряжение на входе таймера опускается секунд через 10-12. Стало быть все это время таймер Т2 управляемый и вся схема должна работать.
Вот мой таймер Т2:
Нажмите на изображение для увеличения
Название: 5-PCS-Delay-Relay-Module-Time-Delay-Switch-Delay-font-b-Timer-b-font-Relay-1.jpg
Просмотров: 1214
Размер:	115.9 Кб
ID:	47969
Этот вообще переключает до просадки 5.2В
Реле использую вот такие:
Нажмите на изображение для увеличения
Название: TXseries-Standard-v3.jpg
Просмотров: 1173
Размер:	84.0 Кб
ID:	47970
svoboda120 вне форума   Ответить с цитированием
Ответ


Здесь присутствуют: 7 (пользователей: 0 , гостей: 7)
 
Опции темы Поиск в этой теме
Поиск в этой теме:

Расширенный поиск

Ваши права в разделе
Вы не можете создавать новые темы
Вы не можете отвечать в темах
Вы не можете прикреплять вложения
Вы не можете редактировать свои сообщения

BB коды Вкл.
Смайлы Вкл.
[IMG] код Вкл.
HTML код Выкл.



Часовой пояс GMT +4, время: 09:25.


Работает на vBulletin® версия 3.8.4.
Copyright ©2000 - 2026, Jelsoft Enterprises Ltd.
Перевод: zCarot