PCCar.ru - Ваш автомобильный компьютер

Вернуться   PCCar.ru - Ваш автомобильный компьютер > Всё Остальное > Проекты > Рабочий журнал

Ответ
 
Опции темы Поиск в этой теме
Старый 04.09.2015, 10:27   #21
lenivets
Пользователь
 
Регистрация: 06.07.2014
Возраст: 34
Регион: Украина
Машина: Passat b6
Сообщений: 41
lenivets is on a distinguished road
По умолчанию

Цитата:
Сообщение от Kisel39 Посмотреть сообщение
Есть много очень хороших твердотельных реле ,например cpc1014 нормально разомкнутые и cpc1017 нормально замкнутые, 60в и ток до 400мА.
Не понимаю почему у многих проблема с определением USB устройств?
Если посмотреть на мануал микросхемы (любого) хаба, то понятно что он сам по себе не видит устройств, только ретранслятор, и если его использовать без доработки, при подаче внешнего питания ,на vbus напряжение не поступает(в нормальных хабах dlink), соответственно при подаче питания на otg (хаб производит сброс и переходит в рабочий режим. Это я к чему, зачем делать раздельное время включения хаба и otg ?
У меня сейчас на столе 2013 lte , питания 2,
первое 4.5 питает планшет и через диод дежурка для atmega32u4(леонардо) с can интерфейсом,
второе 5,1 питает gl850(хаб), pcm2702(звуковая), через диод рабочее для atmega32u4(леонардо) с can интерфейсом и двух внешних устройств (флешка и febon100), также это же напряжение идет на otg планшета( без всяких задержек, 4-5 замкнуты постоянно) и идет на вход магнитолы acc (c доработкой от 5в).
Определяется все и сразу. вот видео https://yadi.sk/i/EYw8Y8PQiYFss
На планшете ядро с поддержкой OTG+ Charge = вместо отдавать 5в при режиме OTG он заряжается (кушает 5в). -> на хабе + питание прокинут на + USB. (как пришло питание, активирован USB)
(пришла мысь... а Grnd то при подаче + на хабе нет..возможно в этом проблема ??)

Возможно в этом проблема..что хаб наоборот нужно включить после подключения планшета, так как хаб получается определяет устройство раньше, когда его еще то и нет..
Вчера играл с задержками..
Если сделать перемычку 4->5пин и просто одновременно все включить - нечего не работает после Отключение -> вклчения. Нужно передернуть кабель = тогда все работает.

У меня 2 варианта: а)Я могу планшет оставить в машине и он будет подключен постоянно - при слещуйщем заводе Планшет не увидит хаб.
б) Планшет могу унести с собой, при следущем заводе, нужно планшет вставить после включения Хаба и тп.
lenivets вне форума   Ответить с цитированием
Старый 04.09.2015, 11:07   #22
RyuuKiiroi
Старший Пользователь
 
Регистрация: 15.08.2015
Возраст: 36
Город: Жуковский
Регион: 50, 90, 150
Машина: Emgrand X7
Сообщений: 105
RyuuKiiroi is on a distinguished road
По умолчанию

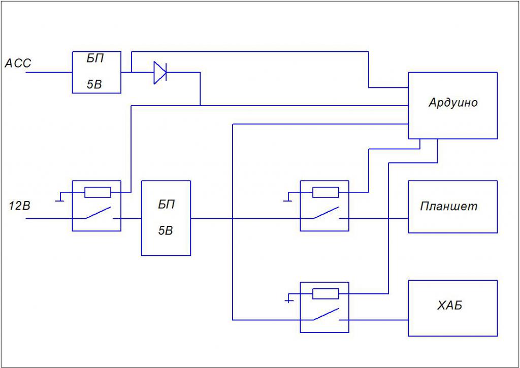
Еще раз вам говорю, в той схеме все реализовано.
Если планшет питается от батареи, то логика такая.
Включение:
Подали питание на АСС, подалось общее питание (12в), на все питальники.
На вход ардуино и управляющий пин пошло питание с АСС.
Далее ардуино включает планшет и хаб.
Выключение:
Пропадает сигнал с АСС.
Ардуино выключает планшет и хаб, отключается сама с общим питанием.

Вот, если на релюшках.
Миниатюры
Нажмите на изображение для увеличения
Название: Схема питания CarPC.jpg
Просмотров: 862
Размер:	52.1 Кб
ID:	40947  
__________________
Nexus 7 2013 Geely Emgrand X7
RyuuKiiroi вне форума   Ответить с цитированием
Старый 04.09.2015, 11:31   #23
lenivets
Пользователь
 
Регистрация: 06.07.2014
Возраст: 34
Регион: Украина
Машина: Passat b6
Сообщений: 41
lenivets is on a distinguished road
По умолчанию

RyuuKiiroi - спасибо, в принципе схема я так понимаю идентична первой Только красивее... тут все было понятно.
Я прошу прощения, но вы повторяете одно и тоже по сути, а у меня вопросы другие.

1) Для чего на схеме протяжка от АСС через диод на Arduino ? При подаче АСС включится второй БП, а на Ардуино зачем ?
Если я верно понимаю - то при запитке надо на этот пин подать HIGH - но как себя поведет то что на этот пин будет уже идти питание ? (момент включения)
При отключении - ардуион должен подхватить БП на перефирию и подержать ее (так как сам от нее кушает).

вы очень просто и доходчиво рисуете, извените за мою глупость..не хочу просто построить схему не понимая как она работает.

Завтра буду собирать новую схему.. спасибо за советы.
lenivets вне форума   Ответить с цитированием
Старый 04.09.2015, 13:09   #24
RyuuKiiroi
Старший Пользователь
 
Регистрация: 15.08.2015
Возраст: 36
Город: Жуковский
Регион: 50, 90, 150
Машина: Emgrand X7
Сообщений: 105
RyuuKiiroi is on a distinguished road
По умолчанию

По идее при подаче питания ничего не должно произойти, но замечание хорошее, ставим туда диод по направлению к реле ))

На схеме карандашом просто не понятно откуда ардуинка питается.
Миниатюры
Нажмите на изображение для увеличения
Название: Схема питания CarPC.jpg
Просмотров: 713
Размер:	52.5 Кб
ID:	40951  
__________________
Nexus 7 2013 Geely Emgrand X7
RyuuKiiroi вне форума   Ответить с цитированием
Старый 04.09.2015, 13:33   #25
lenivets
Пользователь
 
Регистрация: 06.07.2014
Возраст: 34
Регион: Украина
Машина: Passat b6
Сообщений: 41
lenivets is on a distinguished road
По умолчанию

Если я верно все понял..
То остается 1 вопрос.

*когда же подавать или постоянно ли подавать сюда питание ?
Если в loop отслеживать обрыв Асс - то на долю сек питание с Arduino пропадет.. не стабильно!
- или подавать постоянно ?

Все же меня смущает подача 5в и... даже 1А на входной Пин Arduino..читаю на офф сайте, везде значится что подавать больше 40мА - не стоит.. как вариант ставить резистор ?
Так же написанно что есть встроенный стабилизатор с 12в на 5в - и можно подавать от 7-20в (пик) лучше 6-12.
- возможно у меня параноя
Просто проводок АСС (5в) вставить в Пин ?..


Там где я написал "питает Arduino" - я имел в виду и периферию
Миниатюры
Нажмите на изображение для увеличения
Название: Схема питания CarPC.jpg
Просмотров: 708
Размер:	90.7 Кб
ID:	40953  
lenivets вне форума   Ответить с цитированием
Старый 04.09.2015, 14:06   #26
RyuuKiiroi
Старший Пользователь
 
Регистрация: 15.08.2015
Возраст: 36
Город: Жуковский
Регион: 50, 90, 150
Машина: Emgrand X7
Сообщений: 105
RyuuKiiroi is on a distinguished road
По умолчанию

Если честно с программированием ардуинки пока не сталкивался, жду ее.
Ардуина у нас по схеме питаеться общим питальником, который запускается от АСС и дальше, после запуска ардуины поддерживается еще с ее пина.
При пропадании АСС идет только с ардуины и на ней запускается таймер на выключение.
__________________
Nexus 7 2013 Geely Emgrand X7
RyuuKiiroi вне форума   Ответить с цитированием
Старый 04.09.2015, 14:16   #27
lenivets
Пользователь
 
Регистрация: 06.07.2014
Возраст: 34
Регион: Украина
Машина: Passat b6
Сообщений: 41
lenivets is on a distinguished road
По умолчанию

Цитата:
Сообщение от RyuuKiiroi Посмотреть сообщение
Если честно с программированием ардуинки пока не сталкивался, жду ее.
Ардуина у нас по схеме питаеться общим питальником, который запускается от АСС и дальше, после запуска ардуины поддерживается еще с ее пина.
При пропадании АСС идет только с ардуины и на ней запускается таймер на выключение.
Все значит..значит я все правильно понял

Осталось чтоб подсказали по Ardurio -
1) Сколько лучше все же подавать на него питание ? 5в или 12в ?
2) Как уменьшить напряжение на входной пин, чтоб не спалить его ? (5в до 0.4мА) - и вообще надо ли ?
Цитата:
Сообщение от ВладимирC Посмотреть сообщение
АСС через резистор 10K подключен к входу оптрона PC123. Нужен для гальванической развязки от земли авто.
- Не будет ли перегриватся резистор ? Объязательно и Оптрон ? или просто кинуть АСС(5в) через резистор ?

Как выбрать правильное реле ?) (твердотелое) по какому параметру спрашивать ?
lenivets вне форума   Ответить с цитированием
Старый 04.09.2015, 15:18   #28
RyuuKiiroi
Старший Пользователь
 
Регистрация: 15.08.2015
Возраст: 36
Город: Жуковский
Регион: 50, 90, 150
Машина: Emgrand X7
Сообщений: 105
RyuuKiiroi is on a distinguished road
По умолчанию

На ардуине аналоговые входы до 5В, отдать могут 40мА, а принять- сколько дадите, она ведь их не потребляет. Лучше всего через БП подать сигнал.
Или через делитель напряжения, но отталкивайтесь от 15В на входе и 4В на выходе, так как выходное напряжение будет плавать вместе с автомобильным.
И добавить стабилитрон.

__________________
Nexus 7 2013 Geely Emgrand X7
RyuuKiiroi вне форума   Ответить с цитированием
Старый 04.09.2015, 15:47   #29
lenivets
Пользователь
 
Регистрация: 06.07.2014
Возраст: 34
Регион: Украина
Машина: Passat b6
Сообщений: 41
lenivets is on a distinguished road
По умолчанию

Цитата:
Сообщение от RyuuKiiroi Посмотреть сообщение
На ардуине аналоговые входы до 5В, отдать могут 40мА, а принять- сколько дадите, она ведь их не потребляет. Лучше всего через БП подать сигнал.
Или через делитель напряжения, но отталкивайтесь от 15В на входе и 4В на выходе, так как выходное напряжение будет плавать вместе с автомобильным.
И добавить стабилитрон.

Уйдем от 2 варианта он сложнее чем просто БП.

И так..мне нужно купить:
1х Твердотелое или Оптореле на 12в с управлением <0.42мА
2х Твердотелое или Оптореле на 5в с управлением <0.42мА
2х БП Kis или любое другое 12->5в
2х Полупроводниковый диод

Все задержки рулить на Arduino..
Нечего не забыл ? все верно ?


ПС. Мне немного стыдно за свои маленькие познание, прошу прощения...
lenivets вне форума   Ответить с цитированием
Старый 04.09.2015, 16:42   #30
RyuuKiiroi
Старший Пользователь
 
Регистрация: 15.08.2015
Возраст: 36
Город: Жуковский
Регион: 50, 90, 150
Машина: Emgrand X7
Сообщений: 105
RyuuKiiroi is on a distinguished road
По умолчанию

В таком варианте да, реле наверное проще купить ардуиновские, 2 шт и 1шт. Там и развязка уже есть, только по схеме не знаю, там вроде питание отдельно подается, сейчас посмотреть не могу, поэтому нужно одно отдельное, которое общую схему будет питать.
Или лучше сразу наверное ssr-25 DA -3шт, твердотельное.
В общем нам нужно, чтобы оно управлялось 5 вольтами и брало не больше 40мА.

И вот еще схема есть на форуме, полностью на кисах http://pccar.ru/showthread.php?t=20688 но паять надо.

Кисы просто как я сказал, стоят по доллару и не греются совсем, откуда они появляются в таких количествах загадка, потому что их снимают с каких то блоков ))
__________________
Nexus 7 2013 Geely Emgrand X7
RyuuKiiroi вне форума   Ответить с цитированием
Ответ


Здесь присутствуют: 1 (пользователей: 0 , гостей: 1)
 
Опции темы Поиск в этой теме
Поиск в этой теме:

Расширенный поиск

Ваши права в разделе
Вы не можете создавать новые темы
Вы не можете отвечать в темах
Вы не можете прикреплять вложения
Вы не можете редактировать свои сообщения

BB коды Вкл.
Смайлы Вкл.
[IMG] код Вкл.
HTML код Выкл.



Часовой пояс GMT +4, время: 19:54.


Работает на vBulletin® версия 3.8.4.
Copyright ©2000 - 2026, Jelsoft Enterprises Ltd.
Перевод: zCarot