PCCar.ru - Ваш автомобильный компьютер

Вернуться   PCCar.ru - Ваш автомобильный компьютер > MP3Car ТехИнфа > Блоки питания > CAR-ATX p4 (SL PSU)

Ответ
 
Опции темы Поиск в этой теме
Старый 02.01.2015, 15:02   #2231
Vladget
Moderator
 
Регистрация: 04.04.2009
Возраст: 69
Город: Краснодар
Регион: 23, 93
Машина: HONDA CR-V-08
Сообщений: 3,129
Vladget is a splendid one to beholdVladget is a splendid one to beholdVladget is a splendid one to beholdVladget is a splendid one to beholdVladget is a splendid one to beholdVladget is a splendid one to beholdVladget is a splendid one to behold
По умолчанию

Цитата:
Сообщение от serglev Посмотреть сообщение
Ну скиньте сюда, если не трудно. меня интересуют только принцииальные схемы. Я все равно собираю все на рыбе. Нафик заморачиваться со всей этой лабудой с печатками, пошел, купил рыбу за 100-200 р. двухстороннюю. с металлизацией до 20 перепаек.... А насчет вольтобавки? Делал кто нибудь? Ведь чем выше напряжение на затворе, тем быстрее будет открываться закрываться полевик, выше кпд и меньше все это будет греться.
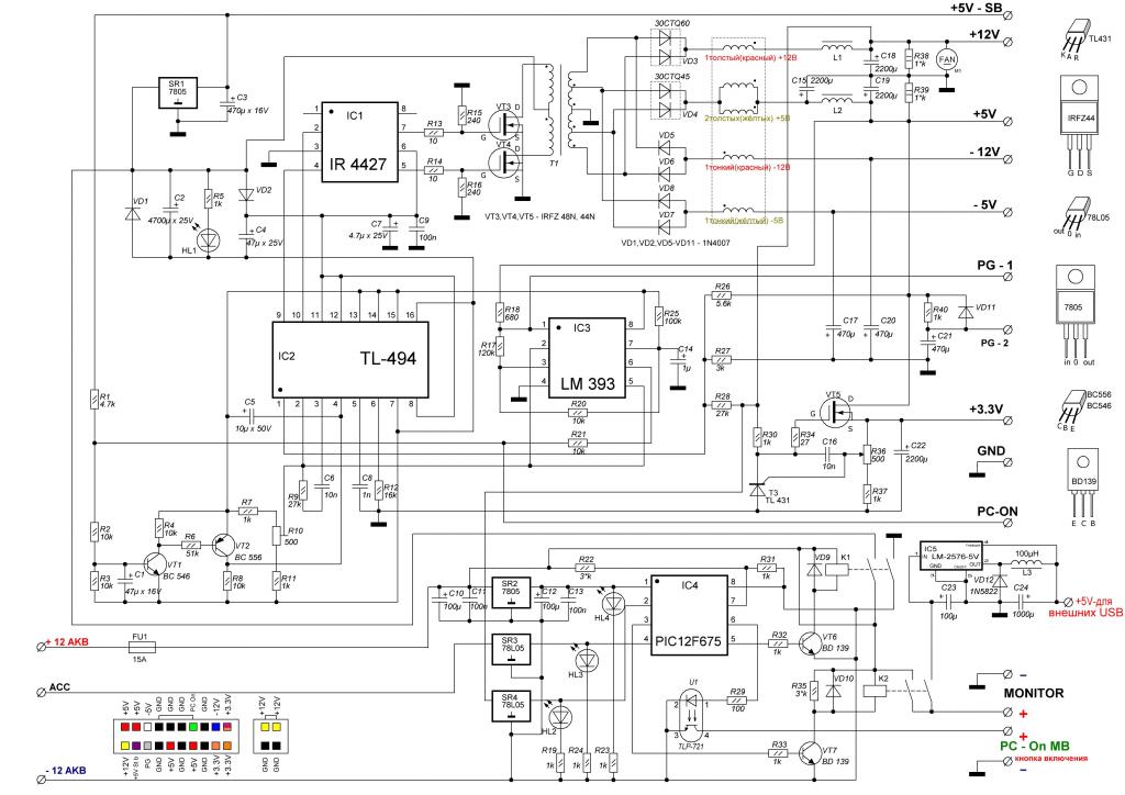
ну вот схема, а с вольтдобавкой никто ничего не делал, все крутится вокруг этого
Нажмите на изображение для увеличения
Название: BP1.jpg
Просмотров: 2058
Размер:	113.2 Кб
ID:	37980
__________________


Vladget вне форума   Ответить с цитированием
Старый 02.01.2015, 18:43   #2232
Andrey875
Старший Пользователь
 
Аватар для Andrey875
 
Регистрация: 26.10.2011
Возраст: 38
Город: Приозёрск
Регион: Казахстан
Машина: Camry 2001
Сообщений: 355
Andrey875 is a jewel in the roughAndrey875 is a jewel in the roughAndrey875 is a jewel in the roughAndrey875 is a jewel in the rough
По умолчанию

По этой схеме если не ошибаюсь на PIC нужна прошивка?
__________________
Проект: Toyota Camry 25 (2001 года)
GigaByte GA-E350N, AMD Dual-Core E-350 1.6 GHz; DDR-3 DIMM 2Gb 1333MHz PC10600 Transcend; Transcend TS64GSSD370; Linksys WMP54G, M2-ATX; LILLIPUT 869GL-NP/C/T; ELM 327; USB HUB 4-port USB 2.0 Defender Quadro Iron; Locosys LS-23090 (GPS+ГЛОНАСС).
Andrey875 вне форума   Ответить с цитированием
Старый 02.01.2015, 19:08   #2233
Vladget
Moderator
 
Регистрация: 04.04.2009
Возраст: 69
Город: Краснодар
Регион: 23, 93
Машина: HONDA CR-V-08
Сообщений: 3,129
Vladget is a splendid one to beholdVladget is a splendid one to beholdVladget is a splendid one to beholdVladget is a splendid one to beholdVladget is a splendid one to beholdVladget is a splendid one to beholdVladget is a splendid one to behold
По умолчанию

Цитата:
Сообщение от Andrey875 Посмотреть сообщение
По этой схеме если не ошибаюсь на PIC нужна прошивка?
Да нужна, и она есть, просто для этой схемы нет печатки, это так схема для общего развития, да вообще печатка с контроллером есть только в смд варианте, для вас это неприемлимо по деталям. А этот контроллер можно собрать и отдельно, эта схема и прошивка взята из отдельной ветки, ссылку сразу не помню.
__________________


Vladget вне форума   Ответить с цитированием
Старый 02.01.2015, 19:11   #2234
Andrey875
Старший Пользователь
 
Аватар для Andrey875
 
Регистрация: 26.10.2011
Возраст: 38
Город: Приозёрск
Регион: Казахстан
Машина: Camry 2001
Сообщений: 355
Andrey875 is a jewel in the roughAndrey875 is a jewel in the roughAndrey875 is a jewel in the roughAndrey875 is a jewel in the rough
По умолчанию

Если смд, то понятно. Тогда не вариант
__________________
Проект: Toyota Camry 25 (2001 года)
GigaByte GA-E350N, AMD Dual-Core E-350 1.6 GHz; DDR-3 DIMM 2Gb 1333MHz PC10600 Transcend; Transcend TS64GSSD370; Linksys WMP54G, M2-ATX; LILLIPUT 869GL-NP/C/T; ELM 327; USB HUB 4-port USB 2.0 Defender Quadro Iron; Locosys LS-23090 (GPS+ГЛОНАСС).
Andrey875 вне форума   Ответить с цитированием
Старый 02.01.2015, 19:28   #2235
Vladget
Moderator
 
Регистрация: 04.04.2009
Возраст: 69
Город: Краснодар
Регион: 23, 93
Машина: HONDA CR-V-08
Сообщений: 3,129
Vladget is a splendid one to beholdVladget is a splendid one to beholdVladget is a splendid one to beholdVladget is a splendid one to beholdVladget is a splendid one to beholdVladget is a splendid one to beholdVladget is a splendid one to behold
По умолчанию

Цитата:
Сообщение от Andrey875 Посмотреть сообщение
Если смд, то понятно. Тогда не вариант
Непонятно,что понятно, изначально этот контроллер был разработан для Dip микросхем где то целая ветка по этому контроллеру, потом макс выложил сначала печатку БП смд вариант, потом появилась печатка в смд варианте с контроллером схема которого, и прошивка остались прежней но в варианте смд
__________________


Vladget вне форума   Ответить с цитированием
Старый 02.01.2015, 19:55   #2236
serglev
Новый Пользователь
 
Регистрация: 23.12.2014
Возраст: 64
Регион: Украина
Сообщений: 17
serglev is on a distinguished road
По умолчанию

Драйвер стоит как минимум в 2 раза дороже шима, а отзывы о нем не очень хорошие . горит часто. и заменяется на 2 копеечных транзистора... Посмотрел я в инете че нибудь на замену 494, есть 594 и 598, приемлемые по цене, в общем буду исходить из того, что имеется у нас в наличии.В принципе. кто уже собрал такой БП, могут его модернизировать по приведенной выше схеме, без изменения печатки.Для этого нужно выпаять резисторы R3 и R5 вместо них на макетке впаять схему Q1 Q2 R1 R2 в каждое плечо. Думаю результат будет положительный) Это для начала. Дальше туда же можно будет допаять вольтдобавку. Пока я не определился сколько докинуть напряжения. Все зависит от допустимого сток-затвор полевика. С 494, я ошибся, напряжение на ней можно подкинуть аж до 40В.
serglev вне форума   Ответить с цитированием
Старый 02.01.2015, 20:18   #2237
Vladget
Moderator
 
Регистрация: 04.04.2009
Возраст: 69
Город: Краснодар
Регион: 23, 93
Машина: HONDA CR-V-08
Сообщений: 3,129
Vladget is a splendid one to beholdVladget is a splendid one to beholdVladget is a splendid one to beholdVladget is a splendid one to beholdVladget is a splendid one to beholdVladget is a splendid one to beholdVladget is a splendid one to behold
По умолчанию

Цитата:
Сообщение от serglev Посмотреть сообщение
Драйвер стоит как минимум в 2 раза дороже шима, а отзывы о нем не очень хорошие . горит часто. и заменяется на 2 копеечных транзистора... Посмотрел я в инете че нибудь на замену 494, есть 594 и 598, приемлемые по цене, в общем буду исходить из того, что имеется у нас в наличии.В принципе. кто уже собрал такой БП, могут его модернизировать по приведенной выше схеме, без изменения печатки.Для этого нужно выпаять резисторы R3 и R5 вместо них на макетке впаять схему Q1 Q2 R1 R2 в каждое плечо. Думаю результат будет положительный) Это для начала. Дальше туда же можно будет допаять вольтдобавку. Пока я не определился сколько докинуть напряжения. Все зависит от допустимого сток-затвор полевика. С 494, я ошибся, напряжение на ней можно подкинуть аж до 40В.
Да ладно лишнее это во первых никто не жаловался, у все кто собирал все работает, под этот драйвер печатки заточены, понятно что можно два транзюка , нарисуй печатку выложи особо в смд варианте очень замечательно будут смотреться эти четыре транзюка вместо этого драйвера в смд варианте! Зачем рабочий БП модернизировать, ну вот зачем? что изменится? где покупать 594 и особенно 598-е ) что одна что другая редкость! только с али, потом еще на примере допустим Ir3205 и этого драйвера 4427, при условии что на печатке стоят 4-ре - 3205, по 2 в каждом плече объясни, что даст вольтдобавка, где ее взять в начальном этапе запуска , и как отразится это на всех тех печатках что есть? Или ты думаешь что сейчас почитав это все все кинутся их рисовать? Наврядли или думаешь что нет? И пока (ничего личного) твои рассуждения носят только теоритический характер, а когда будет практические рассуждения ? и конкретные схемы только непонятно они как вроде уже и не нужны никому, судя по активности этой ветки. Все перешли на М2., М4 и т.д.
Короче я больше не участвую в твоих теоритических дискуссиях.
__________________


Vladget вне форума   Ответить с цитированием
Старый 02.01.2015, 20:23   #2238
Andrey875
Старший Пользователь
 
Аватар для Andrey875
 
Регистрация: 26.10.2011
Возраст: 38
Город: Приозёрск
Регион: Казахстан
Машина: Camry 2001
Сообщений: 355
Andrey875 is a jewel in the roughAndrey875 is a jewel in the roughAndrey875 is a jewel in the roughAndrey875 is a jewel in the rough
По умолчанию

Так этот пик получается только в смд варианте есть?

Я не понимаю! Какое напряжение вы собираетесь поднимать до 40 в.? К чему это?
__________________
Проект: Toyota Camry 25 (2001 года)
GigaByte GA-E350N, AMD Dual-Core E-350 1.6 GHz; DDR-3 DIMM 2Gb 1333MHz PC10600 Transcend; Transcend TS64GSSD370; Linksys WMP54G, M2-ATX; LILLIPUT 869GL-NP/C/T; ELM 327; USB HUB 4-port USB 2.0 Defender Quadro Iron; Locosys LS-23090 (GPS+ГЛОНАСС).
Andrey875 вне форума   Ответить с цитированием
Старый 02.01.2015, 20:39   #2239
Vladget
Moderator
 
Регистрация: 04.04.2009
Возраст: 69
Город: Краснодар
Регион: 23, 93
Машина: HONDA CR-V-08
Сообщений: 3,129
Vladget is a splendid one to beholdVladget is a splendid one to beholdVladget is a splendid one to beholdVladget is a splendid one to beholdVladget is a splendid one to beholdVladget is a splendid one to beholdVladget is a splendid one to behold
По умолчанию

Цитата:
Сообщение от Andrey875 Посмотреть сообщение
Так этот пик получается только в смд варианте есть?

Я не понимаю! Какое напряжение вы собираетесь поднимать до 40 в.? К чему это?
нет он есть и в дипе вот откуда он взялся http://compcar.ru/forum/showthread.php?t=4502
__________________


Vladget вне форума   Ответить с цитированием
Старый 02.01.2015, 21:36   #2240
Andrey875
Старший Пользователь
 
Аватар для Andrey875
 
Регистрация: 26.10.2011
Возраст: 38
Город: Приозёрск
Регион: Казахстан
Машина: Camry 2001
Сообщений: 355
Andrey875 is a jewel in the roughAndrey875 is a jewel in the roughAndrey875 is a jewel in the roughAndrey875 is a jewel in the rough
По умолчанию

Так это получается, что БП, контроллер и питание периферии можно собрать на разных платах, а эта схема лишь объединяет их все в одну плату?
__________________
Проект: Toyota Camry 25 (2001 года)
GigaByte GA-E350N, AMD Dual-Core E-350 1.6 GHz; DDR-3 DIMM 2Gb 1333MHz PC10600 Transcend; Transcend TS64GSSD370; Linksys WMP54G, M2-ATX; LILLIPUT 869GL-NP/C/T; ELM 327; USB HUB 4-port USB 2.0 Defender Quadro Iron; Locosys LS-23090 (GPS+ГЛОНАСС).
Andrey875 вне форума   Ответить с цитированием
Ответ

Метки
блок питания


Здесь присутствуют: 1 (пользователей: 0 , гостей: 1)
 
Опции темы Поиск в этой теме
Поиск в этой теме:

Расширенный поиск

Ваши права в разделе
Вы не можете создавать новые темы
Вы не можете отвечать в темах
Вы не можете прикреплять вложения
Вы не можете редактировать свои сообщения

BB коды Вкл.
Смайлы Вкл.
[IMG] код Вкл.
HTML код Выкл.



Часовой пояс GMT +4, время: 19:43.


Работает на vBulletin® версия 3.8.4.
Copyright ©2000 - 2026, Jelsoft Enterprises Ltd.
Перевод: zCarot